防侵入式智能监控系统
它是由红外传感器、监视器、中央控制器、记录设备及报警辅助设备等几部分组成。当有物体进入被监控区域时红外传感器给控制系统相应的信号,控制系统对信号进行分析并自动启动所对应的监视器,当控制系统得到视频信号时,系统控制记录设备进行记录,这样不但可以节省记录媒介,并且可以更进一步提高数据质量,亦可降低便携设备的能耗。
红外信号处理电路设计
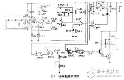
如图4所示,热释电红外传感器的额定工作电流 15mA,工作电压为2.2-15 V,由4个运放组成2级放大和1个比较电路。辅以4个施密特触发器构成的延时电路,在本电路里用的7805提供1个稳定的电源。当给传感器的+Vss端施加稳定的5V电压时,只要有300-320K的黑体温度被检测到时,传感器的输出电压通过连续两级信号放大,再由比较放大器比较放大,当达到一个设定的门限阈值时就输出一个有效的信号经过施密特触发器组成的延时电路,使执行机构动作。

我们采用PDIUSBD12芯片,这是一种价格便宜、功能完善的并行接口芯片,它支持多路复用、非多路复用和 DMA并行传输。PDIUSBD12接口芯片遵从协议USB1.1,适合于不同用途的传输类型。PDIUSBD12需要外接微控制器(MCU)来进行协议处理和数据交换,它对MCU没有特殊要求,而且接口方便灵活,因此设计师可以选用自己熟悉的MCU对芯片进行控制,也可利用Philips公司的固件结构来缩短开发时间、降低风险、减小投资。

性能特点:PDIUSBD12除了具有USB设备的一般特性外,还具有如下特点:(1)是一种高性能的USB接口芯片,其内部集成有 SIE(Serial Interface Engine)、320字节的FIFO、收发器和电压调节器。(2)适用于大部分设备类规范。可与任何外部微控制器/微处理器实现高速并行接口,其速度可高达2Mbit/s。(3)可进行完全独立的DMA操作。(4)主端点配置有双缓冲,因而可提高数据的吞吐量、减小数据传输时间,轻松实现数据的实时传输。(5)当采用同步传输方式时,数据的传输速度为1Mbit/s;而采用批量传输方式的速度为1Mbyte/s。在使用上述方式进行数据传输时,可方便地使用多种中断方式。(6)带有可编程的时钟输出,与USB总线的连接可通过软件来控制(Soft Connect TM)。(7)有两种工作电压可供选择:分别为3.3±0.3V和3.6~5.5V。(8)输出和数据传输状态可通过USB连接指示灯来监控。
红外传感信号处理模块设计
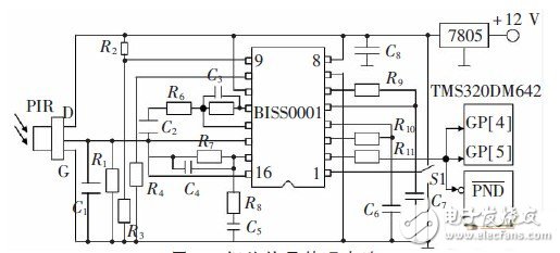
为了节约电能, 本终端采用红外传感器来检测监控区域有无人员进入, 只在有人员进入监控区域时, 终端才进入图像采集、处理、传输状态。本设计采用BISS0001芯片为热释电红外传感信号处理核心元件, 其应用电路如图2 所示。

图2 红外信号处理电路
图2 中,7805 为三端稳压集成电路, 为信号处理电路提供电源。BISS0001 芯片的第9 引脚为触发控制信号Vc的输入脚, 工作中应当保证输入电压, 可以通过调节电阻R3来达到目的。当有行人进入监控区域时, 热释电红外传感器PIR 将检测到的人体发出的红外线转化为电信号, 并将其送到BISS0001内部, 信号经BISS0001 处理后由2 脚输出, 输出Vo为低电平到高电平的跳变。如果BISS0001 工作在有效状态不可重复触发的情况下(即图2 中S1 接低电平), 高电平的持续时间为Ts (Ts=49 152 R1C1), 在Ts时间段结束时,输出Vo即刻由高电平进入低电平并被封锁Ti (Ti =24R2C2 ) 时长; 对于有效状态可重复触发的情况来讲( 即图2 中S1 接高电平), 如果在前一Ts时间段内, 输入的变化使得输出有效状态再次触发, 则Vo高电平信号将从此刻算起再持续一个Tx时长, 之后才转换为低电平并进入封锁时间Ti。在封锁时间内, 即使由于负载的切换而引入的干扰也不会改变输出Vo的状态。本设计中让S1 接高电平, 红外传感信号处理电路的输出信号Vo作为DM642 的外部中断信号, 同时也作为TVP5150 芯片的节电模式输入控制信号, 如图2 所示。
图像采集模块设计
对于图像采集模块, 本设计采用TI 公司的TVP5150作为解码芯片。TVP5150 是一款超低功耗的解码芯片,正常操作时的功耗只有113 mW, 节电模式下功耗为1 mW, 并支持PAL/NTSC/SECAM 等格式, 它能将摄像头所采集到的interwetten与威廉的赔率体系 图像信号转换为YUV4:2:2 格式的ITU-R BT.656 数字信号, 它可以接收2 路复合视频信号(CVBS) 或1 路S -Video 信号, 通过I2C 总线设置内部寄存器, 可以选择输出8 位4:2:2 的ITU-R BT.656 数字信号( 同步信号内嵌), 以及8 位4:2:2 的ITU-R BT.601 信号(同步信号分离, 单独引脚输出)。TVP5150 与DM642 的硬件连接如图3 所示。

图3 TVP5150 与DM642 硬件连接图
TVP5150 芯片的AIP1A 和AIP1B 为模拟信号的输入端, 该引脚需接0.1~1 μF 的滤波电容,HSYNC 为行同步信号的输出引脚。由于本设计采用了同步信号内嵌的ITU-R BT.656 格式, 所以该引脚未与DM642 相关引脚相连接。PND 引脚为省电模式的控制信号输入端, 低电平有效, 与红外传感信号处理电路的输出信号Vo连接,当监控区域无行人走动时,Vo为低电平, 这将使TVP5150 芯片进入省电模式。YOUT[6:0] 为BT.656/YUV数据输出引脚,YOUT [7]/I2CSEL 是BT.656/YUV 数据的第7 位, 也是I2C 接口设备地址设置位,TVP5150 设备地址由I2CSEL 引脚所接的上拉电阻或下拉电阻确定,I2CSEL 引脚的状态与设备地址映射关系如表1 所示,DM642 和TVP5150 应答过程中需要从片TVP5150 的地址。SCL、SDA 分别为I2C 接口的串行时钟和数据引脚,DM642 对TVP5150 内部寄存器的访问通过I2C 总线实现。DM642 芯片的VP0D [19:0] 为视频口VP0 的数据总线引脚, 其中VP0D [8:2] 与多通道串行口McBSP0 引脚复用, 为了将VP0D [8:2] 配置为VP0 的低位数据引脚,需要把PERCFG 寄存器中的VP0EN 位置1。VP0CLK0 为外部像素时钟输入引脚, 与视频解码芯片TVP5150 的像素时钟输出引脚PCLK/SCLK 连接。
电子发烧友App








评论