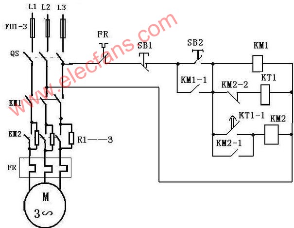
笼型电动机定子串联电阻降压启动的控制电路
- 电动机定子(6943)
 
相关推荐
永磁无刷电动机简介
除了由定子和转子组成电动机的本体以外,还要有由位置传感器、控制电路以及功率逻辑开关共同构成的换向装置,使直流无刷电动机在运行过程中定子绕组所产生的磁场和转动中的转子磁钢产生的永磁磁场,在空间始终保持
2008-11-25 09:37:10
电动机控制电路和正反转电路详解
 电动机控制电路的工作原理是通过控制电流和电压等因素来实现电动机的启动、停止、调速和反转等操作。电动机的控制电路通常由开关电路、功率放大器和控制台等部分组成。
2023-03-31 17:46:34
3747
3747单相异步电动机的类型 单相异步电动机启动方法
自动断开。
  电阻启动单相异步电动机:在定子电路中,通过串联一个启动电阻来降低起动电流,提高起动转矩。当转速达到额定值时,启动电阻会被自动切断。
2023-03-23 16:36:43
600
600电动机控制电路原理分析和接线方法
电动机控制电路是一种用来控制电动机启动、停止、转速、转向等操作的电路。它通常由电源、开关、控制单元、驱动器等组件构成。 控制单元是对电机的控制补偿计算处理器。驱动器则是将电源的电能转化为电动机可用
2023-03-22 17:19:14
2617
2617电动机控制电路的工作原理和结构组成
 电动机控制电路是一种用于控制电动机的电路,可以通过改变电压、电流和频率等参数来控制电机的转速、转向和停止。电动机控制电路通常包括电源、控制器、反馈元件、传感器和执行器组成。
2023-03-21 15:53:16
2551
2551笼型和绕线型异步电动机的区别
笼型异步电动机的转子是一个导体笼,当电流在定子绕组中产生磁场时,磁场会作用于转子中的导体,产生感应电流,导致转子旋转;而绕线型异步电动机的转子则是由绕制在转子上的线圈组成,当电流在定子绕组中产生磁场时,磁场会作用于转子上的线圈,产生转子磁场,导致转子旋转。
2023-03-09 15:30:04
8435
8435深槽与双笼型异步电动机为什么起动转矩大而效率并不低
深槽型异步电动机和双笼型异步电动机是两种不同的异步电动机类型,它们在起动转矩和效率方面的表现存在以下原因: 起动转矩大:深槽型异步电动机和双笼型异步电动机都具有较高的起动转矩,这是由于其定子绕组
2023-03-08 16:03:00
915
915电动机控制电路的工作原理
  启动电动机时,合上电源开关QS,按下启动按钮SB1,接触器KM线圈获电,KM主触点闭合,使电动机M运转;松开SB1,由于接触器KM常开辅助触点闭合自锁,控制电路仍保持接通,电动机M继续运转。停止时,按SB2,接触器KM线圈断电,KM主触点断开,电动机M停转。
2023-03-06 16:16:12
2755
2755
18种电动机降压启动电路图
自耦减压启动是笼型感应电动机(又称异步电动机)的启动方法之一。它具有线路结构紧凑、不受电动机绕组接线方式限制的优点,还可按允许的启动电流和所需要的启动转矩选用不同的变压器电压抽头,故适用于容量较大的电动机。
2021-01-28 06:47:41
1
1电动机控制电路的图解分析
识读电动机控制电路,需要对该类电路的特点有所了解,在了解电动机控制电路的功能、结构、电气部件的作用的基础上,才能对电动机控制电路进行识读。
2020-08-08 09:06:00
2250
2250为什么要给电动机降压启动?
降压起动 利用起动设备将电压降低后,再加到电动机上,当电动机转速升到一定值时,再转接到额定电压下运行。这种方法虽可减小起动电流,但电动机的转矩与电压的平方成正比,电动机的起动转矩也因此而减小,所以只适用于笼型电动机空载或轻载起动的场合。
2020-03-20 09:03:20
23554
23554串接电阻降压启动的的控制线路电路图
定子绕组串接电阻降压启动是指在电动机启动时,把电阻串联在电动机定子绕组与电源之间,通过电阻的分压作用,来降低定子绕组上的启动电压,待启动后,再将电阻短接,使电动机在额定电压下正常运行,这种降压启动控制线路有手动控制、接触器控制、时间继电器控制和手动自动混合控制等四种形式。
2019-10-01 17:40:00
28440
28440
三相电动机启动控制电路图
为了限制启动电流并提高启动转矩,线绕转子异步电动机的启动可在转子电路中串接几级启动电阻或串入频敏电阻器。本文将讲述在三相绕线式电动机转子电路中串联电阻的启动控制电路。
2019-10-01 17:34:00
17297
17297
电动机点动控制电路图大全(六款按钮控制的电动机点动控制电路详解)
本文主要介绍了电动机点动控制电路图大全(六款按钮控制的电动机点动控制电路详解)。按钮控制的电动机点动控制电路,当按下按钮时,电动机旋转,松开按钮后电动机停止转动。电路由刀开关Q、熔断器FU1、接触器KM的主触点与电动机M构成主回路。由熔断器FU2、启动按钮SB常开触点、接触器KM线圈构成控制回路。
2018-03-13 09:19:42
332829
332829
自耦变压器降压启动控制电路组成及工作原理
启动的方法只适用于空载或轻载启动。 正常运行时定子绕组接成Y型的笼型异步电动机,还可用自耦变压器降压启动。电动机启动时,定子绕组加上自耦变压器的二次电压,一旦启动完成就切除自耦变压器,定子绕组加上额定电压正常运
2017-09-11 11:58:08
41
4118种电动机降压启动接线方法
自耦减压启动是笼型感应电动机(又称异步电动机)的启动方法之一。它具有线路结构紧凑、不受电动机绕组接线方式限制的优点,还可按允许的启动电流和所需要的启动转矩选用不同的变压器电压抽头,故适用于容量较大的电动机。
2017-01-13 14:19:28
14186
14186交流笼型电动机软起动的电路方案
交流笼型电动机软起动的电路方案4.1   交流笼型电动机软起动的单电机主电路方案4.1.1  接触器—熔断器电路     由软起动器组成的控制电动机起动
2009-11-14 10:47:40
65
65交流笼型电动机软起动柜设计
交流笼型电动机软起动柜设计     交流电动软起动柜(装置)主要用以实现单台或多台交流电动机软起动的电力电子控制器、开关(软、硬)电器及共同控制、测量
2009-11-14 10:35:20
68
68交流笼式电动机软起动威廉希尔官方网站 及应用手册
交流笼式电动机软起动威廉希尔官方网站
及应用手册:交流笼型电动机软起动控制威廉希尔官方网站
基础  1.1   交流笼型电动机的机械特性  1.1.1  交流电动机的机械特性  1.1.2  
2009-11-14 10:33:55
57
57交流笼型电动机软起动设备的工程应用
交流笼型电动机软起动设备的工程应用3.1   交流电动机软起动参数计算基础3.1.1   交流电动机软起动转矩平衡方程      交流电动机软起动转
2009-11-14 10:32:30
26
26三相笼型异步电动机降压起动控制
三相笼型异步电动机降压起动控制降压起动——起动时降低加在电动机定子绕组上的电压一、 定子串电阻降压起动控制线路 *(见教材P35 Fig2-5)二、
2008-12-08 18:27:26
1993
1993
电动机基本控制线路
三相异步电动机降压启动控制较大容量的笼型异步电动机(大于10KW)因启动电流较大,一般都采用降压起动方式来起动。原理:起动时降低加在电动机定子绕组上的电压,起动
2008-12-06 20:57:53
149
149笼型电动机直接起动的控制线路原理图
笼型电动机直接起动的控制线路原理图
为了读图和设计线路的方便,控制线路常根据其作用原理画出,把控制电路和主电路分开。这样的
2008-12-04 16:44:02
5864
5864
电动机控制电路应用实例
电动机控制电路应用实例介绍电动机的控制实用电路。内容包括直流电动机、交流电动机、无刷电动机、步进电动机的控制电路,电动机的正反转控制电路以及电动机的保护电路
2008-11-03 21:27:58
207
207
                        电子发烧友App
                    
                
                
                    
                
                


























           
            
            
                
            
评论