555定时器是一款经典的芯片,从学校实验板到工业产品到处可见它的身影,其组成的电路千变万化,本篇就555组成的三类基础电路重点分析其工作原理,由这三类基本电路再去分析其他电路就简单多了。
2023-08-23 15:11:52
415 
555组成的自动曝光定时电路本文所应用到的相关器件资料:555 datasheet pdf [此贴子已经被admin于2008-10-29 11:37:32编辑过]
2008-08-21 14:56:36
555组成的电源检测报警电路(理士电源威廉希尔官方网站
有限公司二车间干嘛的)-555组成的电源检测报警电路下载,需要的自行下载!
2021-09-29 14:37:42
31 555组成的载波振荡器电路。
2021-03-22 11:19:16
25 本资料为555组成的信号延迟电路图,特别拿出来分享给大家,需要的可以看看。
2020-11-17 10:48:41
2 控制器包括降压稳压电路(VDD=+12V),555组成的R-S触发电路及继电控制电路等,该装置不仅能自动煮干饭,还可以自动煮稀饭。
2020-03-09 14:24:36
2797 
NE555组成的精确定时电路图
2019-02-14 17:34:17
9982 
NE555组成的输出电流达1. 5A 的开关电源是由场效应管作电源调整管、NE555 电路作控制脉冲输出电路、能输出1.5A 电流的开关式稳压电源,电路组成如图所示。
2019-02-08 10:51:00
12029 
555集成电路从开始是作定时器应用的,所以又叫555时基电路或555定时器。经过后来不停的开发,功能延伸到了调光,调速,调温等多种领域。因为其简单,方便,可靠,所以目前被广泛用于各种电子产品中。
2018-06-02 11:21:45
30236 
本文开始介绍了555定时器的概念与电路的组成,其次阐述了555定时器组成单稳态触发器,最后介绍了555定时器产生三种波形的原理说明。
2018-05-02 09:40:31
49442 
MC34063组成的升压电路原理 MC34063组成的升压电路原理和特性
2016-01-20 15:51:00
100 一、制作目的 当有人非法闯入时报警器报警 二、电路设计制作分析 ①、电路原理图 ②、原理分析 电路的核心部分由NE555组成,R1、R2、C1和NE555组成一个频率越为3KHz左右的多谐振荡电路
2014-04-24 10:50:08
12779 
本文是555集成电路构成的自动灯电路图,电源采用78l09三端稳压器,采用555定时器芯片和9014三极管。
2011-12-17 20:20:00
8674 
555集成电路开始是作定时器应用的,所以叫做555定时器或555时基电路。但后来经过开发,它除了作定时延时控制外,还可用于调光、调温、调压、调速等多种控制及计量检测。
2011-11-23 14:26:04
5472 
可控硅与抽水电机组成抽水控制开关,SCR的触发由T2与G间接入电阻控制。当水位降低时,控制触点开路,555第3脚输出高电平,使Q导通,继电器J吸合,SCR触发导通,电机开始运转。当水
2011-09-07 10:31:42
7865 
555组成的电子镇流器电路如图所示,电子镇流器由降压整流电路、多谐振荡器信源、施密特触发器及推动级组成。
2011-07-13 09:13:28
2728 
长期以来,介绍555定时器IC应用电路的文章数不胜数,但利用555内部比较器和双稳触发器组成过流检测器的电路却不多见。本电路构思巧妙、工作可靠、元件价廉易购,值得推荐。
2011-01-25 10:56:09
3018 
在某温度测控系统中,由NE555定时器构成的看门狗电路如图所示。R3、C6为定时元件。NE555中的单稳态电路产生的
2010-12-16 17:00:41
6653 
图中所示是用通用I型F003运放组成的照相放大用自动定时器电路.图示线路由二个运算放大器组成,A1组成
2010-10-08 11:45:18
1870 
图中所示是用5G28,FC54,5G23组成的自动曝光定时器线路.所谓自动,即它的延时时间由照相底片的浓淡程度而自
2010-10-08 11:40:16
3072 
图中所示是用555组成液位控制器电路.
2010-10-04 16:53:49
6644 图中所示是用555组成一个简单的晶体管测试仪电路.
2010-10-04 16:44:11
1173 图中所示是用555组成光控变调声响器.
2010-10-04 16:21:50
1731 图中所示是用555组成的低功耗定时器电路.
2010-10-04 16:16:26
3093 图中所示是用555组成光电打靶游戏机电路.
2010-10-04 11:22:57
1007 图中所示是用两块555组成袖珍电子定时催眠按摩器电路.
2010-10-04 11:18:17
1432 图中所示是555组成扫频式超声驱鼠器电路.
2010-10-04 11:11:50
4508 图中所示是用555组成音响电阻快速测试器电路.
有时在维修中需要迅速测出电阻
2010-10-04 11:02:47
1211 图中所示是555组成路灯自动控制电路.
2010-10-04 10:44:57
3755 图中所示是用555组成自动控制灯电路.
图示电路也可作简易触摸开关,当用手触摸
2010-10-04 10:39:12
5458 图中所示是555组成电子钟的时间标准电路.
某些使用HD389924型集成块的电子钟,因该集成
2010-10-04 10:29:07
8044 图中所示是555组成60秒钟定时电路.
图示线路当按下定时按钮AN时,2脚输入一个低于(
2010-10-04 10:14:57
8974 图中所示是用555组成的超声波驱虫电路.
2010-10-03 17:11:00
3711 图中所示是555组成的闪光灯电路.
2010-10-03 17:00:41
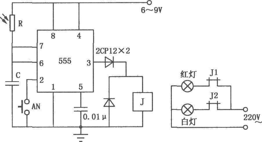
16153 图所示是555组成无触点暗房定时器线路.图中555接成一个简单的单稳态电路,它的延迟时间T=1.1R3C3.启动按钮AN
2010-10-02 12:44:02
782 555时基集成电路可以组成自动曝光定时线路.如衅所示,使用时,将图中的R(硫化镉光敏电阻)装在印相机或者放
2010-10-02 12:12:01
667 AD8221组成的电桥前置电路
2010-09-04 21:21:41
5857 
MP1048组成的主板控制电路
2010-04-25 10:03:01
73 555组成的几种振荡电路图
一、555单稳类电路 555单稳工作方式,它可分为2种。见图示。
2010-04-12 16:05:22
33060 
TDA9333组成的行场扫描电路
2010-03-07 15:55:24
2426 
MIC2951组成的过热保护系统电路
2010-03-07 10:54:55
931 
LM317组成的电压跟随电路
2009-12-11 11:00:03
1714 CW7900组成的恒流源电路
2009-11-19 17:02:07
1321 
NE555等组成的顺序定时器电路图
图1是由NE555等构成的顺序定时器。这种
2009-11-18 17:14:56
2747 
555闪烁电路图
上图是由CD4017和555组成的连续闪烁电路图。
2009-11-17 17:05:26
1851 
HV9931组成的的LED驱动电路
2009-10-17 15:52:49
42 TL494+NE555+78N12组成的电源电路
2009-10-17 14:11:35
7165 
HT8654组成的鹦鹉学舌电路
2009-09-28 11:12:39
840 
555组成的电子琴电路
2009-09-24 09:46:09
2566 
由UC3842组成的实用电路见图4,其工作原理
图 UC3842组成的实用电路图
2009-07-25 11:03:55
5024
自动曝光定时器电路图2
2009-05-25 14:35:31
437 
555组成晶振电路图
2009-05-16 16:52:39
2305 
用555组成直流降压变换电路图
2009-05-12 14:57:24
3728 
555组成直流升压变换电路图
2009-05-12 14:08:47
2405 
555组成电压反转电路图
2009-05-12 14:08:16
2168 
555组成的基本振荡器电路
2009-04-08 18:12:40
807 
555定时电路及其应用
一、 实训目的1. 熟悉基本定时电路的工作原理及定时元件对振荡周期和脉冲宽度的影响;2. 掌握用555集成定时器构成定时电路的方
2009-04-07 23:04:41
440 555组成的多谐振荡电路
2008-12-17 14:22:00
2875 
555组成的单稳态触发器
2008-12-17 14:21:08
818 
555组成的定时电路
2008-10-29 10:16:32
936 
555组成的60秒定时电路
2008-10-29 10:13:13
1910 
555自动定时控制器电路
2008-10-29 10:10:39
716 
顺序定时控制电路图: 由时基芯片NE555组成.
2008-10-27 10:04:01
964 
分档定时插座电路图 :由时基芯片NE555组成.
2008-10-27 09:51:34
991 
大范围可调定时器电路图 : 由时基芯片NE555组成.
2008-10-27 09:42:21
855 
555长延时定时器电路 : 由时基芯片NE555组成.
2008-10-27 09:39:44
1642 
长延时定时器电路: 由时基芯片NE555组成.
2008-10-27 09:37:24
972 
0~16小时无级定时控制器电路图:由时基芯片NE555组成.
2008-10-27 09:32:49
877 
555袖珍电子定时催眠按摩器,由时基IC NE555组成。
2008-10-24 08:53:53
1528 
555长延时电路,由时基芯片555组成的。
2008-10-24 08:50:03
1766 
简易逆变器电路(由时基电路555组成)
2008-10-23 21:31:42
4750 
ne555电路大全:
电路包括:555组成的单稳态电路,双稳态电路,无稳态电路以及各种应用电路。
非常的全面,值得学习。
下面举一个例:555触摸定时开关
2008-01-09 17:31:23
3653 电子自动供水器电路图:由5G555组成
2007-12-13 22:07:33
1337 
自动风量控制器电路图(由555组成,包含降压整流电路和一个振荡控制电路)
2007-12-12 19:18:29
945 
本文介绍555定时器内部框图及电路工作原理:
555定时器内部框图
555集成时基电路称为集成定时
2007-11-22 13:00:39
74202 
相片曝光定时器
附图电路是用555单稳电路制成的相片曝光定时器。用人工启动式单稳电路。
工作原理:
电源接
2007-06-20 19:07:58
728 
评论