随着人们生活水平的提高,如何实现家庭防盗这一问题也变的尤其的突出,传统的机械锁由于其构造的简单,被撬的事件屡见不鲜,电子锁由于其保密性高,使用灵活性好,安全系数高,受到了广大用户的青睐。设计本课题时构思了两种方案:一种是用以AT89C2051 为核心的单片机控制方案;另一种是用以74LS112 双JK 触发器构成的数字逻辑电路控制方案。考虑到单片机方案原理复杂,而且调试较为繁琐,所以本文采用后一种方案。
设计思路
共设了9 个用户输入键,其中只有4 个是有效的密码按键,其它的都是干扰按键,若按下干扰键,键盘输入电路自动清零,原先输入的密码无效,需要重新输入;如果用户输入密码的时间超过40 秒(一般情况下,用户不会超过40 秒,若用户觉得不便,还可以修改)电路将报警80 秒,若电路连续报警三次,电路将锁定键盘5 分钟,防止他人的非法操作。
设计原理分析
电路由两大部分组成:密码锁电路和备用电源(UPS),其中设置UPS 电源是为了防止因为停电造成的密码锁电路失效,使用户免遭麻烦。密码锁电路包含:键盘输入、密码修改、密码检测、开锁电路、执行电路、报警电路、键盘输入次数锁定电路。键盘输入、密码修改、密码检测、开锁及执行电路 。
其电路如下图1 所示:

图1 键盘输入、密码修改、密码检测、开锁、执行电路 3.2 报警电路
报警电路实现的功能是:当输入密码的时间超过40 秒(一般情况下用户输入不会超过),电路报警80 秒,防止他人恶意开锁。电路包含两大部分,2 分钟延时和40 秒延时电路。其工作原理是当用户开始输入密码时,电路开始2 分钟计时,超出40 秒,电路开始80 秒的报警。如图3 所示

图3 报警电路
有人走近门时,触摸了TP 端(TP 端固定在键盘上,其灵敏度非常高,保证电路可靠的触发),由于人体自身带的电,使IC10 的2 脚出现低电平,使IC10 的状态发生翻转,其3 脚输出高电平,T5 导通(可以通过R12 控制T1 的基极电流),其集电极接的黄色发光二极管D3 发光,表示现在电子锁处于待命状态,T6 截止,C4 开始通过R14 充电(充电时间是40 秒,此时为用户输入密码的时间,即用户输入密码的时间不能超过40 秒,否则电路就开始报警, 由于用户经常输入密码,而且知道密码,一般输入密码的时间不会超过40 秒),IC2 开始进入延时40 秒的状态。
开始报警:当用户输入的密码不正确或输入密码的时间超过40 秒,IC11 的2 脚电位随着C4 的充电而下降,当电位下降到1/3Vcc 时(即40 秒延时结束时候),3 脚变成高电位(延时时是低电平),通过R15 使(R15 的作用是为了限制T7 的导通电流防止电流过大烧毁三极管)T7 导通,其集电极上面接的红色发光二极管D4 发亮,表示当前处于报警状态,T8 也随之而导通,使蜂鸣器发声,令贼人生怯,实现报警。
停止报警:当达到了80 秒的报警时间,IC10 的6,7 脚接的电容C5 放电结束,IC10 的3 脚变成低电平,T5 截止,T6 导通,强制使强制电路处于稳态,IC11 的3 脚输出低电平,使T7,T8 截止,蜂鸣器停止报警;或者用户输入的密码正确,则有开锁电路中的T10 集电极输出清除报警信号,送至T12(PNP),T12 导通,强制使T7 基极至低电位,解除报警信号。
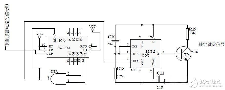
报警次数检测及锁定电路
若用户操作连续失误超过3 次,电路将锁定5 分钟。其工作原理如下:当电路报警的次数超过3 次,由IC9(74161)构成的3 位计数器将产生进位,通过IC7,输出清零信号送往74161 的清零端,以实现重新计数。经过IC8(与门),送到IC12(555)的2 脚,使3 脚产生5 分钟的高电平锁定脉冲(其脉冲可由公式T=1.1RC 计算得出),经T9 倒相,送IC6 输入端,使IC6 输出低电平,使IC13 不能开锁,到锁定的目的。电路图如下图4 所示:

图4 报警次数检测及锁定电路 3.4 备用电源电路
电子发烧友App






































评论