
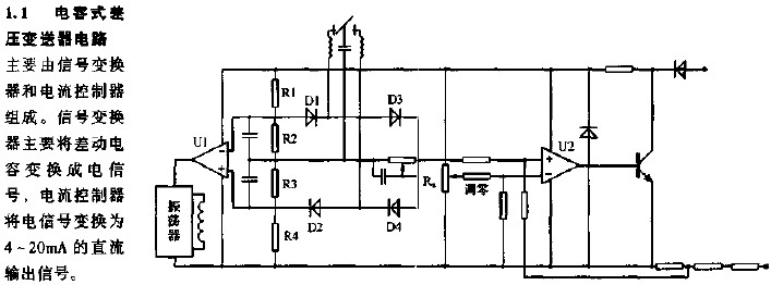
电容式整压变送器电路图
电子发烧友App
硬声App
完善资料让更多小伙伴认识你,还能领取20积分哦,立即完善>
电子发烧友网>电子威廉希尔官方网站 应用>电子威廉希尔官方网站 >电路图>电工基础电路图>电容式整压变送器电路图
相关推荐
506
117
317
5205
60
8156
6580
25274
1325
3054
2754
315554
31505
14
102
43
11827
6196
9120
评论