
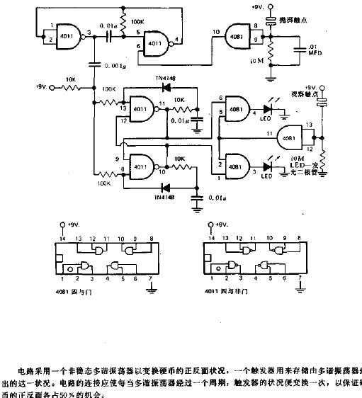
投硬币裁决箱电路图
电子发烧友App
硬声App
完善资料让更多小伙伴认识你,还能领取20积分哦,立即完善>
电子发烧友网>电子威廉希尔官方网站 应用>电子威廉希尔官方网站 >电路图>游戏电路>投硬币裁决箱电路图
相关推荐
342
评论