
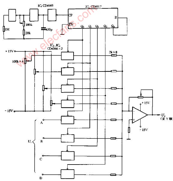
四路信号交替显示装置电路图
                        
                        电子发烧友App
                    
                
                        
                        硬声App
                    
                完善资料让更多小伙伴认识你,还能领取20积分哦,立即完善>
电子发烧友网>电子威廉希尔官方网站 应用>电子威廉希尔官方网站 >电路图>数字电路图>四路信号交替显示装置电路图
相关推荐
221
1945
21
25
58
7
36113
53
14
37
评论