高精度转速/频率计数器电路中的显示电路直接显示赫兹。
2012-03-14 10:12:01
1821 
数字转速表是机械行业必备的仪器之一,用来测定电机的转速、线速度或频率。大多常用的为手持离心式数字转速表。转速测量在国民经济的各个领域,都是必不可少的。
2014-07-11 10:56:53
1037 
总体要求:“数字频率计的设计与制作”要求学生以中小规模集成电路或可编程逻辑器件设计并制作一个数字频率计,数字频率计能测量输入TTL脉冲信号的频率并显示。数字频率计包括基准电路、闸门电路、计数与锁存
2012-06-27 16:31:48
i总体要求:“数字频率计的设计与制作”要求学生以中小规模集成电路或可编程逻辑器件设计并制作一个数字频率计,数字频率计能测量输入TTL脉冲信号的频率并显示。数字频率计包括基准电路、闸门电路、计数与锁存
2012-06-27 16:25:14
4位数字频率计的设计要求:输入信号方波、正弦波、三角波三种输入信号频率范围:10~9999Hz显示采用4位LED数码管为了提高测量精度,可以采用手动调节测量参数,必须保证测量值都显示4位各位前辈帮帮忙啊,有仿真图的请发下邮箱:748232666@qq.com本人是新手,非常感谢各位前辈的帮忙!!
2012-06-17 20:35:20
数字频率计的设计报告
2012-05-10 12:12:09
哪位大侠能帮我设计一四个四码管显示的频率计啊?要求1:量程1_9999hz2:有开始暂停功能3:有溢出报警4:用四位四码管显示5:用vhdl编且用quartus2仿真
2016-03-25 19:52:07
基于51单片机的数字频率计,源程序及仿真
2012-05-20 20:09:20
数字频率计怎么实现超量程的功能
2017-04-14 08:42:43
哪位高人能帮忙用vhdl做个四位显示数字频率计要求1.可测频率1--9999hz2.有开始暂停3.溢出报警4.四位数码管显示且能在实验箱上实现quartus||
2016-03-25 20:01:26
各位大师请问谁有数字频率计的设计与制作,原理图和程序,能带上PCB最好!!急求
2011-11-19 14:34:07
设计一个频率计,用于检测数字信号的频率,检测范围1KHz~30MHz,结果用8个数码管显示,数码管只显示有效数字,求各模块的VHDL代码,学生刚学不是很懂,但是课设又被老师分配到了这个课题,求解答.
2016-04-28 14:36:15
本帖最后由 gk320830 于 2015-3-4 12:09 编辑
电子威廉希尔官方网站
课程设计任务书1-数字频率计设计与仿真
2013-06-04 13:34:57
有木有基于8086的频率计,谁懂,能不能帮我修改下代码和电路啊?
2016-06-26 13:18:04
`请问频率计为什么要分频?`
2019-08-23 16:41:15
频率计权的数字化实现
2012-05-10 15:35:01
频率计权的全数字实现
2012-05-10 15:33:53
频率计.rar (56.12 KB )用的板子是5438AXT1=12MXT2=25M烧入程序不显示频率求指点
2019-01-14 06:35:25
频率计是测量频率或时间间隔信息的仪器,精度高,价格低,设计独特。只利用计数器即可实现高精度的测量,可见当初发明者的聪明和智慧。图1频率计结构框图从图1的频率计结构框图中可以看出,频率计包括几个部分:1)信号调理部分2)事件门和时间门3)事件计数器和时间计数器4)处理器和显示器5)时基电路
2019-07-01 07:33:31
描述Arduino转速表
2022-08-03 06:01:30
LCD显示频率计
2017-06-15 00:05:03
我是大三的,现在要做一个简易数字频率计的课程设计,希望各位前辈帮助。设计要求:该设计主要通过硬件电路实现频率的测量。1.脉冲信号的产生。2.整流放大电路。3.计数电路。4.时基电路的设计。
2009-11-27 17:40:07
我是一大三测控专业的学生,我们微电子实习需要设计一数字频率计,个人由于能力限制,许多方面都还不是很明白,希望能得到
2008-12-12 19:01:39
单片机系统显示实时温度。4) 数字频率计在上题的硬基础上,制作一个数字频率计。完成以下功能:a. 利用MCU设计一个数字频率计,用于检测0~500kHz周期信号的频率,输入信号幅度范围:0.1~10V
2012-08-22 11:32:40
请问大神们有没有会用labview做频率计的,就是基于labVIEW的频率计设计,大概是这样的
2017-04-07 22:00:48
专门对被测信号频率进行测量的电子测量仪器。频率计主要由四个部分构成:时基(T)电路、输入电路、计数显示电路以及控制电路。三、实现功能:能够进行4位数值显示,能自动根据7位十进制计数的结果,自动选择有效
2012-07-23 00:03:25
描述PIC16F928A DIY 50MHz 频率计我使用使用 CCS PICC 编程的 PIC16F628A 来制作一个简单的 DIY 频率计。它可以测量高达 50MHz 的数字信号。该套件中使
2022-06-28 06:44:52
描述LED转速表LM3914使用双ic lm3914和一个ic lm555的通用led转速表
2022-08-09 06:47:26
在制作高频电路时,会经常碰到频率测量的问题,实际上频率计(Frequency counter)是一种比较容易自制的电子设备。以下将要制作的频率计,其性能并不逊色于一般厂商所制造的产品。
2021-05-10 07:18:29
基于eda的数字频率计,具有自动换挡功能,感兴趣的朋友可以看下
2014-03-06 14:43:41
七、基于PROTEUS实现数字频率计的设计要求:1.可测方波信号频率;2.通过LED数码管显示被测信号频率;3.要求通过PROTUES完成此项功能,并完成PCB电路图。
2020-03-17 04:35:22
最近学了一段时间的FPGA,求助大神,可以给我发一些关于基于FPGA的数字频率计的资料,做个小东西练练手1287368714@qq.com
2017-07-26 23:53:53
做的一个基于xilinx fpga的一个数字频率计,用单片机显示
2015-09-30 11:38:23
有哪个大神会基于VHDL数字频率计的设计与仿真吗求求求
2020-03-30 23:14:40
本课题要求设计以单片机为控制器的多功能转速表,使该转速表具有如下功能:测量精度高、能自动变换测量周期、保持测量峰值、人机对话、声光报警及“黑匣子”功能。
2017-05-18 21:54:11
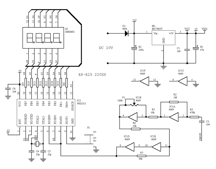
,AT90S2313则是一块精简指令的高速单片机,它在8M时钟下的性能超过了51系列在100M时钟下的性能,在电路中担任测量、运算和显示驱动。大多数的数显频率计采用一个“秒闸门”计数,因而在低频时测量误差加大,也无
2012-11-06 17:27:32
什么是数字频率计?如何去实现一种等精度频率计模块的设计呢?
2022-01-17 06:07:14
这是一款体积非常小巧的电子制作,但是功能异常强大,可以非常容易地嵌入安装在仪表面板上,适合爱好者自制或用于改造老式仪表。
2021-05-07 06:17:05
驱动。大多数的数显频率计采用一个“秒闸门”计数,因而在低频时测量误差加大,也无法显示小数,而本电路采用了脉冲宽度和密度双重测量威廉希尔官方网站
,辅以高速浮点运算,因而测量精度高,并能自动转换量程,显示小数。例如
2021-05-10 06:12:46
影响频率计频率的因素有哪些
2015-11-07 21:57:16
怎么实现基于STM32频率计的设计?
2021-11-16 06:20:17
怎么实现基于STM32频率计的设计?
2021-12-02 07:40:49
文末下载完整资料1.1数字频率计概述 数字频率计是计算机、通讯设备、音频视频等科研生产领域不可缺少的测量仪器。它是一种用十进制数字显示被测信号频率的数字测量仪器。它的基本功能是测量正弦信号,方波
2021-08-09 09:19:58
课程设计题目利用STC89C52RC单片机制作一个自动量程频率计,在数码管显示
2017-12-27 19:58:16
数字频率计原理图上面全都是数字芯片,但是我没用到总线连接各引脚,是不是用了总线连接之后生成的PCB图上连线就比较规则了?
2012-08-14 17:46:06
教你怎样制作一款小巧的转速表?在制作过程中有哪些事项需注意?
2021-05-10 06:00:26
999时,频率计处于超量程状态,此时显示器发出溢出指示(最高位显示F,其余各位不显示数字),下一次测量时,量程自动增大一档。(2)当读数小于090时,频率计处于欠量程状态。下一次测量时,量程减小一档。显示
2012-07-13 19:59:30
数字频率计设计内容:采用MCS-51系列单片机进行数字频率计设计并通过实验仪验证通过。1.设计单片机最小系统电路(包括复位、晶振等电路)2.设计键盘/显示器接口电路。3.通过软件编程实现数字频率计
2015-09-09 21:26:28
求助:制作高速频率计。本人的想法是利用74F393进行外部计数,计数后的8位进单片机作为前8位数,再利用单片机内的16位定时计数组成24位计数。同时单片机发出周期指令。总频率有100M。利用LCD显示。周期可以进行外部设定(ms为基本单位)。帮忙设计硬件和软件。
2013-12-24 10:22:55
求助:制作高速频率计。本人的想法是利用74F393进行外部计数,计数后的8位进单片机作为前8位数,再利用单片机内的16位定时计数组成24位计数。同时单片机发出周期指令。总测量频率有100MHz。利用LCD显示。周期可以进行外部设定(ms为基本单位)。帮忙设计硬件和软件。
2013-12-24 15:46:38
`本人电子白痴一个,来这请教各位大侠一摩托车上仪表的问题,还请指教:现在很多摩托车仪表的转速表为电子转速表(如图一款)小白我听说这种转速表是利用连接在点火器上的脉冲信号来实现转速的显示。那么是否能
2013-02-05 00:59:09
这种转速表可以用来测量旋转物体的RPM(每分钟转数)。在本应用笔记中,GreenPAK SLG46533V加红外传感器被用于检测光学非接触式转速表。这种转速表的测量范围为1 - 9999 rpm
2019-07-17 08:39:58
用AT89S51制作的高精度2.4G数字频率计源程序
2014-08-01 23:24:21
求助用multisim仿真转速表电路要求:1、自选器件设计转速表电路,测速范围0---9999转每分2、具有led数码管4位测试值显示、告急,谢谢!
2014-05-20 23:20:36
描述用于 IN12 型电子管的数码管转速表显示RoadRunner 转速表的完成 Nixie 显示器:
2022-08-22 07:31:13
描述用于 IN16 型电子管的数码管转速表显示RoadRunner 转速表的完成 Nixie 显示器:
2022-08-22 06:04:37
在做高频电容三点式振荡电路时,示波器和频率计测量频率有什么不同
2011-10-18 20:28:12
大家好,跟大家分享一下基于单片机的LED显示的频率计设计。
2013-02-17 10:02:53
: 设计一个数字频率计。设计要求及威廉希尔官方网站
指标:①频率测量范围1Hz~10kHz,10kHz~100kHz,100kHz~1MHz;② 数字显示位数:4位数字显示;③ 被测信号幅度Vxm=(0.2~5)V(正弦波、三角波、方波)。经典数字频率计课程设计毕业论文资料[hide][/hide]
2012-01-10 14:49:33
描述数字转速表转速计是一种用于测量物体角速度的小工具,旋转运动中的物体更是如此,例如电机的轴。转速计使用的单位是 rev/min、ft/min 或 m/sec。转速计也用于距离或长度的测量。这里
2022-08-29 06:16:34
萌新求助,求一个单片机实现数字频率计的方案
2021-11-08 07:36:08
如何用ICM7216制作150MHz数字频率计?
2021-05-12 06:50:22
什么是测频法?怎样去设计一种基于VHDL语言的数字频率计?如何对基于VHDL语言的数字频率计进行仿真?
2021-08-17 06:11:41
PLD数字显示频率计的设计1
2006-05-26 00:16:00
164 WZ-3C智能瞬态转速表一、简介WZ-3C智能瞬态转速表适用于电厂汽转速监视保护仪,配接磁阻转速传感器、齿轮转速转速传感器,测量准确,性能稳定,能根据用户的需要扩展功能。它适用于电厂汽轮机、工业
2022-03-16 11:17:35
WZ-1D危急遮断转速表一、概述汽轮机转速/撞击子监测仪,采用微型计算机智能威廉希尔官方网站
,一并解决了转速监视和撞击子监视的难题,平时显示汽轮机转速并捕捉记录机组“最高”转速,当危急遮断器撞击子“击出
2022-03-16 11:41:38
单片机通用数字转速表电路
2009-02-09 12:51:55
1167 
数字转速表电路
2009-02-09 14:00:17
1319 
车用转速表电路
2009-02-14 11:22:42
771 
转速表电路图
2009-04-11 11:33:56
2643 
八位150MHz数字频率计的制作
在制作高频电路时,会经常碰到频率测量的问题,实际上频率计(frequency counter)是一种比较容易自制的电子设备。以下将要制作的频率计,其
2010-05-14 10:21:20
6528 
数字频率计是采用数字电路制做成的能实现对周期性变化信号频率测量的仪器。频率计主要用于测量正弦波、矩形波、三角波和尖脉冲等周期信号的频率值。其扩展功能可以测量信号的周期和脉冲宽度。通常说的,数字频率计是指电子计数式频率计。
2015-11-20 14:55:57
150 电机转速表原理,利用三位数码管显示电机转速。
2015-12-31 14:53:05
0 PLD数字显示频率计的设计
2017-02-07 17:14:01
13 这种转速表可以用来测量旋转物体的RPM(每分钟转数)。在本应用笔记中,GreenPAK SLG46533V加红外传感器被用于检测光学非接触式转速表。
2017-09-18 17:28:15
20 0 引言 发动机转速表能准确地反映发动机的工作状况。现在,轿车一 般都是电子式转速表,包括指针式和液晶数字显示式,表内有数字集成电路,它将点火线圈输送过来的电压脉冲经过计算后驱动指针移动或数字显示
2017-11-21 15:21:15
8 小巧的数字显示频率计、转速表,Digital frequency meter
关键字:小巧的数字显示频率计、转速表
小巧的数字显示频率计
2018-09-20 19:19:33
579 小巧的数字显示频率计、转速表,Digital frequency meter
关键字:小巧的数字显示频率计、转速表
这是一款体积非常小巧
2018-09-20 19:20:15
436 小巧的数字显示频率计、转速表,Cymometer
关键字:小巧的数字显示频率计、转速表
这是一款体积非常小巧的电子制作,但是功能异常强大
2018-09-20 19:42:07
527 电子发烧友网站提供《数字转速表开源分享.zip》资料免费下载
2022-08-10 11:56:22
1 电子发烧友网站提供《用红外反射传感器制作简单的转速表.zip》资料免费下载
2023-02-06 10:42:45
1 大家都知道,几乎在所有的汽车仪表盘上,都有一个发动机转速表,但在自动挡横行的今天,大多数人都只关注时速表,而不关注转速表,更不知道转速表有啥作用?那我们到底可以从转速表上读到什么信息呢?它到底有
2023-07-26 10:15:41
1183 电子发烧友网站提供《基于单片机和CPLD的数字转速表设计.pdf》资料免费下载
2023-10-08 09:51:13
2
评论