发 帖  
[供应]

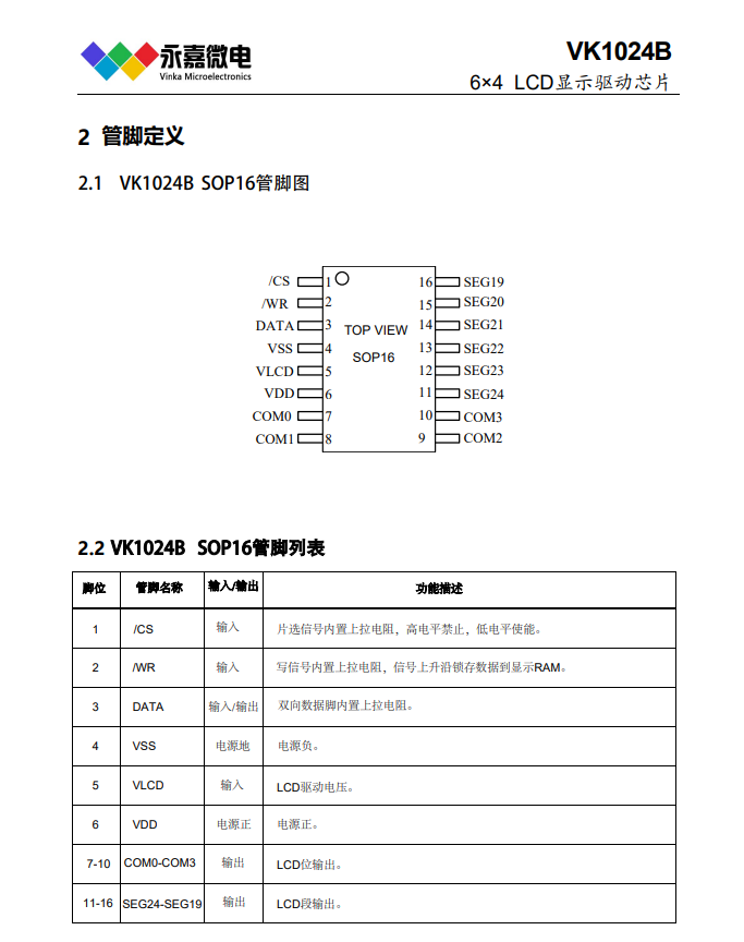
电量显示液晶驱动笔段LCD驱动器芯片VK1024B

2024-12-2 17:22:11  605 lcd
2024-12-2 17:22:11   评论 分享淘帖 举报
您需要登录后才可以回帖 登录/注册

声明:本文内容及配图由入驻作者撰写或者入驻合作网站授权转载。文章观点仅代表作者本人,不代表电子发烧友网立场。文章及其配图仅供工程师学习之用,如有内容图片侵权或者其他问题,请联系本站作侵删。 侵权投诉
快速回复 返回顶部 返回列表
关注微信公众号

电子发烧友网

电子发烧友论坛

社区合作
刘勇
联系电话:15994832713
邮箱地址:liuyong@huaqiu.com
社区管理
elecfans短短
微信:elecfans_666
邮箱:users@huaqiu.com
关闭

站长推荐 上一条 /7 下一条

快速回复 返回顶部 返回列表
-

威廉希尔官方网站 社区

HarmonyOS威廉希尔官方网站 社区

RISC-V MCU威廉希尔官方网站 社区

FPGA开发者威廉希尔官方网站 社区

-

OpenHarmony开源社区

OpenHarmony开源社区

-

嵌入式论坛

ARM威廉希尔官方网站 论坛

STM32/STM8威廉希尔官方网站 论坛

嵌入式威廉希尔官方网站 论坛

单片机/MCU论坛

RISC-V威廉希尔官方网站 论坛

瑞芯微Rockchip开发者社区

FPGA|CPLD|ASIC论坛

DSP论坛

-

电路图及DIY

电路设计论坛

DIY及创意

电子元器件论坛

专家问答

-

电源威廉希尔官方网站 论坛

电源威廉希尔官方网站 论坛

无线充电威廉希尔官方网站

-

综合威廉希尔官方网站 与应用

机器人论坛

USB论坛

电机控制

模拟威廉希尔官方网站

音视频威廉希尔官方网站

综合威廉希尔官方网站 交流

上位机软件(C/Python/Java等)

-

无线通信论坛

WIFI威廉希尔官方网站

蓝牙威廉希尔官方网站

天线|RF射频|微波|雷达威廉希尔官方网站

-

EDA设计论坛

PCB设计论坛

DigiPCBA论坛

Protel|AD|DXP论坛

PADS威廉希尔官方网站 论坛

Allegro论坛

multisim论坛

proteus论坛|仿真论坛

KiCad EDA 中文论坛

DFM|可制造性设计论坛

-

测试测量论坛

LabVIEW论坛

Matlab论坛

测试测量威廉希尔官方网站

传感威廉希尔官方网站

-

招聘/交友/外包/交易/杂谈

项目外包

供需及二手交易

工程师杂谈|交友

招聘|求职|工程师职场

-

官方社区

发烧友官方/活动

华秋商城

华秋电路