作者:Molly Zhu and Fei Guo
每一代计算系统都需要比其前代产品更高的总功率和更低的电源电压,这给电源设计人员带来了挑战,需要在小面积内跟上更高的输出电流。在高功率密度和低输出电压下,散热问题上升到设计优先级列表的首位,特别是对于低噪声应用中的线性稳压器。并联LDO稳压器可以提高电源电流能力并减轻散热,从而减少任何特定组件的温升以及所需的冷却设备尺寸和数量。
本文介绍如何将3 A LT3033超低压差稳压器(VLDO)并联,用于需要高于3 A电流的应用,并具有散热扩散的额外优势。LT3033 由于其内置的输出电流监视功能,因此能够轻松并联和电流平衡。
LT3033将1.14 V至10 V输入电源转换为低至0.2 V的输出,负载电流高达3 A。满载时压差仅为95 mV。工作期间静态电流为1.8 mA,关断时降至22 μA。可编程电流限制和热保护使其具有高电流、低电压应用所需的鲁棒性。
供参考:3 A,单VLDO应用
图1显示LT3033采用1.2 V输入电源提供0.9 V/3 A电压。为了保持稳定性,IN和OUT引脚至少需要10 μF极低ESR陶瓷电容。增加一个前馈电容(CFF) 从 V外ADJ引脚可以改善瞬态响应并降低输出电压噪声。从REF/BYP引脚到GND的10 nF旁路电容通常在10 Hz至100 kHz带宽内将输出电压噪声降至60 μV rms,并软启动基准电压源。稳压所需的最小输入电压等于稳压输出电压V外加上压差或 1.14 V,以较大者为准。演示板如图2所示。

图1.LT3033的典型应用。

图2.LT3033 演示板。
电流限制可通过将单个电阻器从 ILIM 引脚连接到 GND 来设置,在很宽的温度范围内精确到 ±12%。当输入和输出差分电压超过5 V时,外部电流限制可以通过折返的内部电流限制来覆盖。
LT3033 通过一个电阻器将 IMON 引脚拉至GND来提供一个输出电流监视器。IMON 引脚是一个 PNP 的集电极,它以 1:2650 的比率镜像 LT3033 输出 PNP。电阻电压与输出电流成正比,如果不高于V外– 400 mV。

该输出电流监视器可实现多个 LT3033 的均流。
尽管 LT3033 的尺寸很小,但它还包括许多保护功能,包括具有折返功能的内部电流限制、热限制、反向电流和电池反接保护。
将两个LT3033并联用于6 A应用
对于需要3 A以上电流的应用,可以利用其电流监控器功能并联多个LT3033。图3显示了两个LT3033与两个2N3904 NPN器件并联以产生1.5 V、6 A输出。各个 IN 引脚和 OUT 引脚分别连接在一起。一个 LT3033 充当主器件,控制 LT3033 从器件。
IMON引脚与NPN电流镜相结合,构成一个简单的放大器。该放大器向从机 LT3033 的反馈分压器注入电流,以强制来自每个 LT3033 的 IMON 电流相等。100 Ω电阻在满载时提供113 mV发射极退化,以确保良好的电流镜匹配。从机LT3033的输出电压设置为1.35 V,比电路输出低10%,以确保主LT3033保持控制。从器件 LT3033 的反馈电阻器被分成多个部分,以确保从机 NPN 有足够的裕量。从器件频率的IMON引脚上增加一个10 nF、5.1 kΩ电容和电阻组合,用于补偿反馈环路。

图3.并联两个 LT3033。
虽然该电路可以提供6 A负载电流,但均流精度受到两个NPN器件之间失配的限制——失配会导致电路板上的热量分布不均匀。通过使用匹配的单芯片晶体管(例如ADI公司的MAT14)来代替两个分立式NPN器件,可以实现更高的均流精度。MAT14 是一款四通道单芯片 NPN 晶体管,具有出色的参数匹配性能。其最大电流增益匹配为4%。
图4分别比较了使用分立和匹配NPN器件的每个LDO稳压器的输出电流。与2N3904相比,MAT14电流镜将电流失配从5.3%降低到1.6%。

图4.通过使用MAT14匹配单芯片四通道晶体管和并联LDO稳压器,可以减少均流失配。
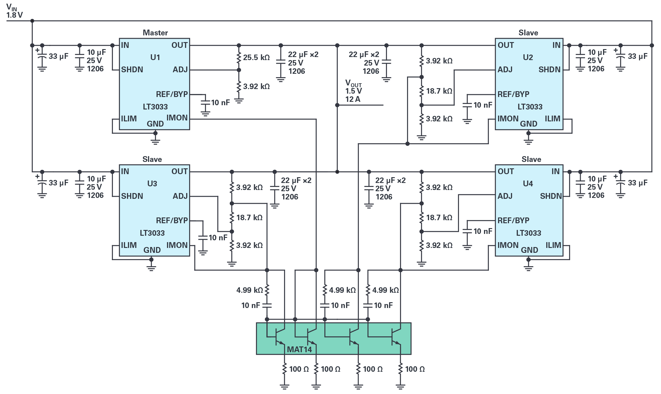
使用匹配的组件并联四个 LT3033,以实现良好的平衡电流和均匀的散热
通过扩展电流镜和添加从器件 LT3033,并联电路架构可根据需要扩展到任意数量的 LT3033。图 5 示出了采用 MAT14 实现均流并联四个 LT3033 的解决方案。热性能如图6所示。四个 LT3033 的温度范围为 51°C 至 58°C。 考虑到每个器件沿输入走线的压降,热量均匀地分布在电路板上,表明该解决方案的均流是平衡的。图7显示了采用1.8 V输入供电的1.5 V输出、12 A电源的瞬态响应。

图5.四个 LT3033 采用 MAT14 并联。

图6.四个并联的 LT3033 的热性能。

图7.四个 LT3033 并联的负载瞬态响应。
结论
LT3033是一款3 A VLDO稳压器,采用3 mm×4 mm封装。多个 LT3033 VLDO 稳压器由于其内置的输出电流监视器功能,可并联用于高电流应用。LT3033 在满载时的典型压降仅为 95 mV,非常适合低输入电压至低输出电压、高电流应用,其电效率可与开关稳压器相媲美。其他特性包括可编程电流限制、电源良好标志和热限制,可实现可靠和稳健的解决方案。电池供电系统受益于低静态电流和电池反接保护。
审核编辑:郭婷
-
电源
+关注
关注
184文章
17718浏览量
250152 -
稳压器
+关注
关注
24文章
4235浏览量
93803 -
ldo
+关注
关注
35文章
1941浏览量
153376
发布评论请先 登录
相关推荐

并联极低压差线性稳压器,以增加输出电流和均匀的热量分布
评论