毋庸置疑,PC 板布局决定了每个电源设计的成败。它设置功能、电磁干扰 (EMI) 和热行为。虽然开关电源布局不是黑魔法,但它经常被忽视,直到在设计过程中为时已晚。因此,从一开始就有一种行之有效的方法来减轻EMI产生的潜在威胁,可以确保安静稳定的电源。虽然许多开关模式电源设计人员都熟悉开关模式电源的设计复杂性和细微差别,但许多公司中根本没有足够的设计人员来完成所有项目需求的所有设计。他们正在退休并离开这个行业!那么,这个问题是如何解决的呢?
首先,越来越多的数字设计人员被要求采用开关模式电源设计,如果没有其他原因,就是没有足够的interwetten与威廉的赔率体系 电源设计人员来完成这项工作!虽然可以肯定地说,大多数数字设计人员都知道如何使用简单的线性稳压器进行设计,但并非所有的电源要求都是降压(降压模式)。事实上,许多是升压模式(升压)甚至降压-升压拓扑(降压和升压模式相结合)。
显然,许多电子系统制造商面临的一个明显问题是:我的系统中所需的所有开关模式电源电路将如何完成?
解决设计资源不足问题
在本演讲过程中,我将介绍降压稳压器工作的一些基础知识,包括开关稳压器热回路中的高di/dt和寄生电感如何导致电磁噪声和开关振铃。然后我们将看到可以做些什么来降低高频噪声。我还将介绍ADI的线性功耗静音开关威廉希尔官方网站 ,包括其构造方式,并演示它如何帮助解决EMI问题,而没有任何妥协。这还将包括静默切换器设备的工作原理。
我还将概述静音切换器的封装和布局,并讨论它们如何提高降压转换器的整体性能。此外,我将演示如何将静音开关器件集成到μModule稳压器中,从而展示如何实现更高级别的静音开关器件集成度。这些为那些在开关模式电源英国威廉希尔公司网站 方面不成熟的用户提供了简单易用的解决方案。®
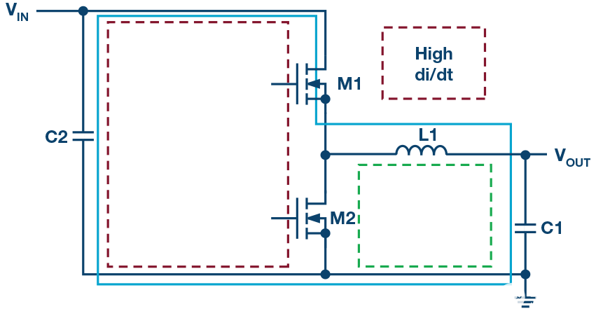
基本降压稳压器电路
最基本的电源拓扑之一是降压稳压器,如图1所示。EMI从高di/dt环路开始。电源线以及负载线不应具有高交流电流含量。因此,输入电容C2应将所有相关交流源出至输出电容C1,其中任何交流电结束。

图1.同步降压稳压器原理图。
仍然参考图1,在M1闭合和M2开路的导通周期中,交流电跟随稳定的蓝色环路。在关断周期中,M1开路,M2闭合,交流电跟随绿色虚线环路。大多数人很难理解产生最高EMI的环路不是纯蓝色也不是虚线绿色。只有在红色虚线回路中流淌着完全切换的交流电,从零切换到I峰值,然后再切换回零。红色虚线回路通常被称为热回路,因为它具有最高的交流和EMI能量。
开关稳压器热回路中的高di/dt和寄生电感会导致电磁噪声和开关振铃。为了降低EMI并改善功能,需要尽可能减少红色虚线环路的辐射效应。如果我们能够将红色虚线环路的PCB面积减小到零,并购买阻抗为零的理想电容器,问题就会得到解决。然而,在现实世界中,设计工程师必须找到一个最佳的折衷方案!
那么,所有这些高频噪声究竟是从哪里来的呢?在电子电路中,通过寄生电阻、电感和电容耦合的开关转换会产生高频谐波。那么,知道噪声产生在哪里,可以做些什么来降低高频开关噪声呢?降低噪声的传统方法是减慢 MOSFET 开关边沿的速度。这可以通过减慢内部开关驱动器或从外部添加缓冲器来实现。
然而,由于开关损耗增加,这会降低转换器的效率,特别是当开关稳压器以2 MHz的高开关频率运行时。 说到这一点,我们为什么要以2 MHz运行?好吧,实际上有几个原因:
它允许使用更小(尺寸)的外部元件,如电容器和电感器。例如,开关频率每增加一倍,电感值和输出电容值就会减半。
在汽车应用中,以2 MHz开关可将噪声排除在AM无线电频段之外。
也可以使用滤波器和屏蔽,但这在外部元件和电路板面积方面成本更高。还可以实现扩频频率调制(SSFM),这种威廉希尔官方网站 使系统时钟在已知范围内抖动。SSFM有助于通过EMI标准。EMI能量分布在频域上。虽然开关频率通常选择在AM频段(530 kHz至1.8 MHz)之外,但未增强的开关谐波仍可能违反AM频段内严格的汽车EMI要求。添加SSFM可显著降低AM频段内以及其他区域的EMI。
或者,可以简单地使用ADI的静音切换器威廉希尔官方网站 ,因为它无需权衡即可满足概述的所有要点:
高效率
高开关频率
低电磁干扰
静音切换器威廉希尔官方网站
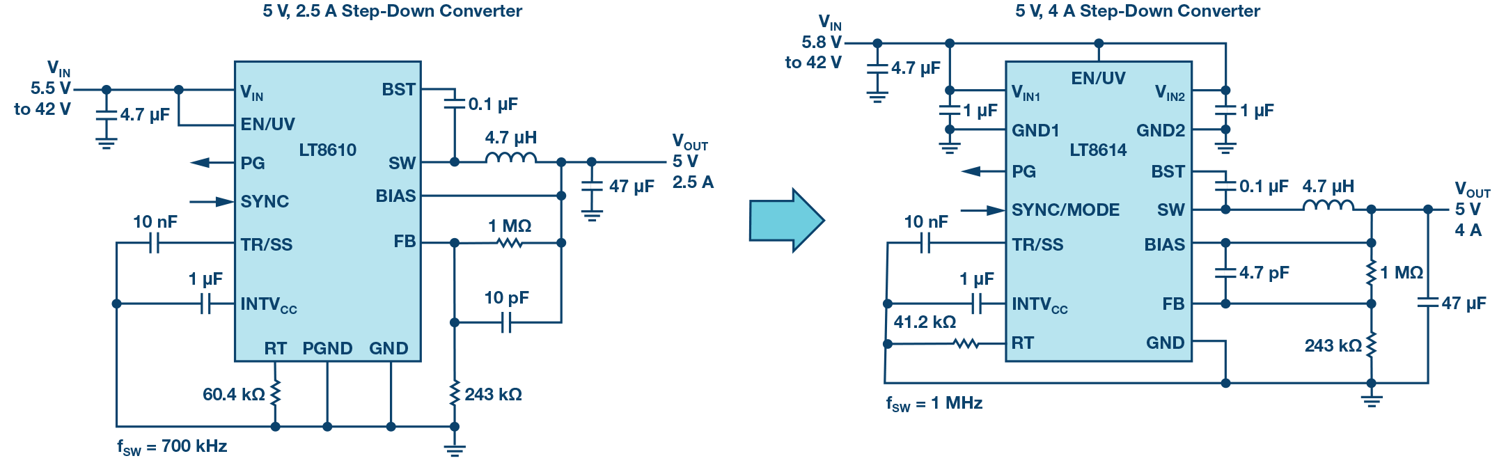
静音开关器件无需减慢开关边沿速率,从而打破了EMI和效率之间的权衡。但是,如何才能做到这一点呢?考虑LT8610,如图2左侧所示。它是一款支持42 V输入的单芯片(FET内部)同步降压转换器,可提供高达2.5 A的输出电流。请注意,它只有一个输入引脚 (V在) 的左上角。

图2.如何将 LT8610 制成静音开关器件 — LT8614。
但是,将LT8610与LT8614(一款42 V输入能力的单芯片同步降压转换器,可提供高达4 A的输出电流)进行比较时,可以看到LT8614具有两个V在引脚和两个接地引脚位于封装的另一侧。这很重要,因为它是使其静音切换的一部分!
如何使切换台静音
那么我们该如何做我们所做的事情呢?在V之间的芯片相对侧放置两个输入电容在接地引脚将消除磁场。幻灯片中突出显示了这一点,红色箭头指向原理图和演示板上的电容位置,如图3所示。

图3.LT8614 的示意图显示了 V 之间的滤波器帽在以及 IC 相对侧的接地引脚。
LT8614 的更多细节
LT8614 集成了静音切换器功能。有了它,我们能够通过使用铜柱倒装芯片封装来降低寄生电感。此外,还有相反的V在、接地和输入电容,以实现磁场消除(适用右手规则)以降低 EMI 辐射。
通过消除引线键合组装威廉希尔官方网站 的长键合线来降低封装寄生电感,这种长键合线会产生寄生电阻和电感。来自热回路的相反磁场相互抵消,电回路看不到净磁场。
我们将 LT8614 静音开关稳压器稳压器与当前最先进的开关稳压器 LT8610 进行了比较。测试在GTEM单元中执行,使用相同负载、相同输入电压和标准演示板上相同电感,用于两个器件。我们发现,与LT8610已经非常好的EMI性能相比,使用LT8614时提高了20 dB,特别是在更难管理的更高频率区域。这使得设计更简单、更紧凑,与整体设计中的其他敏感系统相比,LT8614 开关电源需要更少的滤波和距离。此外,在时域中,LT8614在开关节点边缘表现出非常良性的行为。

图4.LT8614 辐射 EMI 性能通过了最严格的 CISPR 25 5 类限制。
静默切换器设备的进一步增强
尽管LT8614具有令人印象深刻的性能,但我们并没有停止尝试改进其性能。因此,LT8640降压型稳压器采用静音开关稳压器架构,旨在最大限度地降低EMI/EMC辐射,同时在高达3 MHz的频率下提供高效率。 采用 3 mm × 4 mm QFN 封装,采用单片结构,集成电源开关并包含所有必要的电路,从而产生具有最小 PCB 占位面积的解决方案。瞬态响应保持出色,输出电压纹波低于10 mV p-p-p,任何负载(从零电流到全电流)。LT8640 允许高 V在至低 V外高频转换,快速最小顶部开关导通时间为30 ns。
为了改善 EMI/EMC,LT8640 可在扩频模式下工作。此功能通过 20% 的三角频率调制来改变时钟。当 LT8640 处于扩频频率调制模式时,使用三角频率调制来改变开关频率,介于由 RT 编程的值之间,使其比该值高约 20%。调制频率约为 3 kHz。例如,当LT8640编程为2 MHz时,频率将在2 MHz至2.4 MHz之间变化,速率为3 kHz。选择扩频操作时,突发模式操作将被禁用,器件将以脉冲跳跃模式或强制连续模式运行。®
尽管如此,尽管我们在静音开关数据手册中进行了所有说明,例如显示原理图和布局建议,以及输入电容尽可能靠近IC两侧的放置,但我们的一些客户仍然会犯错误。此外, 我们的内部工程师花费了太多时间来修复客户的PCB布局.因此,我们的设计师为这个问题想出了一个绝妙的解决方案——静音切换器 2 架构。
静音切换台 2
借助静音切换器 2 威廉希尔官方网站 ,我们只需将电容器集成到新的 LQFN 封装中:V在大写字母,IntV抄送和升压电容 - 允许放置在尽可能靠近引脚的位置。优点包括内部的所有热回路和接地层,所有这些都降低了EMI。更少的外部元件意味着更小的解决方案尺寸。此外,我们还消除了PCB布局灵敏度。
如图5所示,您可以看到LT8640和LT8640S的原理图有何不同。而且,营销突破是给带有内部大写字母的新的、集成度更高的版本加上“S”后缀。因为它比1更“沉默”圣代!

图5.LT8640S 是一款静音开关稳压器 2 器件,具有更高级别的电容器集成度。
静音切换器 2 威廉希尔官方网站 可实现更好的热性能。LQFN 倒装芯片封装上的大型多接地裸露焊盘便于将热量从封装中拉出并进入 PCB。由于我们消除了高电阻键合线,因此我们还获得了更高的转换效率。LT8640S 的 EMI 性能可轻松通过辐射 EMI 性能 CISPR 25 5 类峰值限值,裕量很大。
下一步:与静音切换器集成 2 μModule 稳压器
静音开关威廉希尔官方网站 非常引人注目,因此我们选择将其整合到我们的μModule稳压器产品线中。在这种外形尺寸中,所有内容都集成在单个封装中,为用户提供简单性、可靠性、性能和高功率密度。LTM8053 和 LTM8073 是微模块稳压器,其中所有内容实际上都集成在外部的几个电容器和电阻器中。

图6.LTM8053 静音切换器 2 μ模块。
总结
总之,静音开关电源的功能和优势将使您的开关模式电源设计更容易通过各种抗扰度标准,如 CISPR 32 和 CISPR 25。由于具有以下属性,它们可以轻松有效地执行此操作:
开关频率高于2 MHz时实现高效率转换,对转换效率的影响最小。
内部旁路电容器可降低 EMI 辐射,并提供更紧凑的解决方案占板面积。
采用静音切换器 2 威廉希尔官方网站 基本上消除了 PCB 布局灵敏度。
可选的扩频调制有助于降低噪声灵敏度。
使用静音切换器器件可节省PCB面积,还可以减少所需的层数。
审核编辑:郭婷
-
电源
+关注
关注
184文章
17718浏览量
250147 -
稳压器
+关注
关注
24文章
4235浏览量
93802 -
emi
+关注
关注
53文章
3589浏览量
127668
发布评论请先 登录
相关推荐

静音切换台设备安静而简单
评论