许多电子设备必须在各种输入电源之间无缝转换,例如电池、汽车电源轨、墙上适配器和 USB 端口。传统上,电源设计人员依靠肖特基二极管或优先 PowerPath(IC 控制的 MOSFET 开关)来组合输入源。由于这两种方法都需要在开关电源前面安装额外的元件,因此解决方案尺寸和设计复杂性增加,同时整体电源效率降低。凭借其可直接采用两个不同的输入电源运作的能力,LTC3126 消除了这些缺点,并实现了更小、效率更高的多电源电源。
LTC3126 直接由两个独立的电源工作,通过最大限度减少组件数量和解决方案尺寸(如图 1 所示),大大简化了此类系统的设计,同时保持了较高的整体系统效率。其宽广的输入电压范围、仅 2μA 的低总电源静态电流以及低于严格的 CISPR 25 5 类汽车限制的辐射辐射增强了易用性,如图 2 所示。

图1.LTC3126 提供了一个采用 3.4cm 尺寸的完整双输入电源解决方案2.

图2.LTC3126 在标准演示 PCB 上运作,通过了以红色显示的 CISPR 25 5 类辐射发射限值。
理想二极管或模式
LTC3126 支持两个引脚可选的电源路径™控制模式:理想二极管OR模式(此处描述)和优先通道模式(如下所述)。在理想二极管 OR 模式下(如图 3 所示),LTC3126 仿真一个理想的二极管 OR 电路,其中降压型转换器自动采用两个输入电源的较高电压工作。这种工作模式在两个电源具有非重叠电压范围的应用中非常有用,例如,电压范围为 3V 至 4.2V 的可充电锂电池和标称输出为 12V 的墙上适配器。

图3.在理想二极管模式下,LTC3126 仿真一个分立二极管 OR 电路,同时免除了肖特基的功率损耗、压降和反向漏电流。
LTC3126 包含两个内部低电阻、高边开关,采用图 4 所示的拓扑结构排列,因而允许降压型转换器直接采用任一输入电源工作,而无需额外的电源路径组件。与传统的肖特基二极管方法相比,这有几个优点,在肖特基二极管方法中,分立器件用于完成此任务:
典型的 40V、2A 肖特基二极管在全电流下正向压降至少为 500mV。这种压降增加了所需的工作裕量,使得无法从接近稳压轨电压的输入电压源运行,从而减少了电池放电曲线的可用部分。对于一个 3.3V 输出,图 5 示出了使用 LTC3126 而不是肖特基-OR后接降压转换器所消除的典型额外裕量电压。
肖特基正向压降也会导致显著的效率损失。在满负载时,这可能导致1 W的额外功率损耗,这意味着整体功率转换效率降低4%至5%,如图6所示。LTC3126 消除了这种功率损耗。
分立式肖特基方法存在高漏电流进入未使用的输入端。一个典型的 40V、2.5A 肖特基器件在 25°C 时可能具有 500μA 的漏电流,在 100°C 时增加到数十毫安 — 进入未使用输入的大量电流 — 使用 LTC3126 几乎消除了这种情况。

图4.LTC3126 的电源开关拓扑提供了最佳的效率和最小的解决方案尺寸,因为降压型转换器能够直接采用任一输入 V 工作合1或 VHNS,无需额外的电源路径组件。

图5.LTC3126 的无损 PowerPath 设计允许在操作时降低输入电压,同时保持一个 3.3V 输出的稳压。

图6.LTC3126 的无损 PowerPath 设计可显著提高效率。
优先通道模式
在许多双电源应用中,两个输入可能在功能电压范围内重叠,需要尽可能优先使用一个输入,因此不希望采用二极管OR解决方案(以更高的电压为准)。例如,由12V密封铅酸电池和汽车电源轨供电的设备通常设计为在汽车输入存在时由汽车输入工作,以延长电池寿命。
这需要比肖特基二极管更复杂的电源路径解决方案,需要使用专用的PowerPath控制器IC和MOSFET开关。图 7 显示,LTC3126 及其引脚可选的优先通道模式将此功能与开关转换器集成在一起,从而免除了在电源路径中增设串联 MOSFET 开关 (和控制器) 的需要。这项创新简化了设计,降低了电路板面积要求,提高了效率,并最大限度地降低了功率级的总静态电流。

图7.在优先通道模式中,LTC3126 优先采用 V 操作合1只要有效,输入,并从 V 恢复为操作合2仅当电压对V时合1无效。LTC3126 将 PowerPath 选择电路与降压型转换器 IC 相结合,可实现更高的效率和更低的静态电流,以及更小、更简单的设计。
在优先通道模式下,LTC3126 的每个输入都具有一个用户可配置的最小电压门限,超过该门限,通道被视为有效。内部降压转换器直接从优先通道 V 工作合1,无论次级输入端存在何种电压,只要它有效。
降压转换器仅从次级通道 V 恢复工作状态合2,当优先级通道无效时。
输入之间的单开关周期转换
使用外部 MOSFET 的 PowerPath 控制器通常需要大量时间在通道之间切换,以避免快速开关事件引起的瞬变。当通道关闭时,控制器必须足够慢地关闭,以避免快速中断输入电流。同样,当某个通道被激活时,PowerPath控制器必须软启动该通道的外部MOSFET。
为避免在拔出输入时负载电源中断,必须存在一个大的保持或储能电容器,以提供足够的电荷来支持负载,直到电源路径完全转换到备用输入。所需的大阻值电容器以及必须额定在任一输入的最大电压这一事实通常导致它成为系统中最大的组件。
相比之下,LTC3126 中开关的专有配置允许其在单个开关周期内从一个输入转换到另一个输入。图 8 示出了 LTC3126 从 13.8V 输入转换 V 时产生的单周期切换期间的开关引脚、输出电压和电感电流波形合1至 V 上的 24V 输入合2.这种近乎瞬时的切换最大限度地减少了被拔出的通道上所需的保持电容量,并减少了输出电压的任何干扰。在这种情况下,通道转换期间的输出电压扰动低于40mV,约为3.3V输出的1%。

图8.LTC3126 在输入通道之间的单周期转换降低了保持电容要求并最大限度地减小了输出电压扰动。
2μA 总静态电流
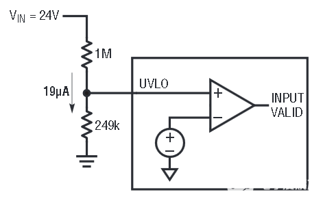
可编程PowerPath控制器使用电阻分压器为每个输入通道设置有效阈值电压,如图10所示。分压器输出通过比较器与内部基准电压进行比较。
由于担心PCB泄漏,大多数应用中的最高可用电阻值约为1M,因此即使器件处于关断状态,也会从输入轨通过电阻分压器消耗明显的电流。对于 24V 输入,每个输入通道的电流很容易达到 19μA。
此外,在许多高可靠性应用中,例如汽车环境,最大允许电阻值限制为100k。这可能导致仅电阻分压器每个输入通道消耗超过100μA的电流。
为了最大限度地减小阈值设置电阻分压器中的输入电流损耗,LTC3126 采用图 9 所示的新颖架构为每个通道建立最小输入电压门限。五世裁判输出在内部调节至一个精确的、温度稳定的1.00V,并用作外部电阻分压器的基准,用于设置每个输入通道的欠压锁定阈值。

图9.LTC3126 采用一种新颖的方法来建立 UVLO 门限,该门限通过免除连接至输入电压源的电阻分压器的需要而最大限度地减小静态电流。

图 10.用于定义 PowerPath 器件的 UVLO 阈值的传统方法利用了 V 中的大量静态电流在-连接的电阻分压器。
每个 UVLO 阈值等于相应 V 处电压的 20 倍设置针。例如,对 V 进行编程座1引脚至 0.5V 导致 UV LO 门限为 10V(对于 V合1渠道。由于每个分压器两端的电压仅为1V,而不是全输入电压,因此静态电流降低了一个数量级以上。当采用一个 24V 输入工作时,该特性与低静态电流突发模式操作相结合,可将 LTC3126 的总静态电流减小至 ~2μA,同时在输出轨上保持调节。即使使用低于100k的电阻值,典型静态电流仍低于10μA。®
| LTC3126 | LTC3118 | |
| 模式 | 麚 | 降压-升压 |
| 可编程输入 UVLO 阈值 |
![]() |
![]() |
|
理想二极管或优先级 V在 选择模式 |
![]() |
![]() |
| 输入范围 | 2.4V 至 42V | 2.2V 至 18V |
| 输出范围 | 0.818V 至 V在 | 2V 至 18V |
| 输出电流能力 | 2.5安培 | 5V/2A 用于 V在> 6V |
| 工作频率 | 200kHz 至 2.2MHz | 1.2兆赫 |
| 静态电流 | 突发模式操作时为 2μA,停机模式时为 1μA | 突发模式操作时为 50μA,停机模式中为 2μA |
| 包 | 28 引脚 4 毫米 × 5 毫米 QFN 和 28 引脚 TSSOP | 4 毫米× 5 毫米 24 引脚 QFN 或 28 引脚 TSSOP |
五世裁判输出还可用作系统中其他比较器或数据转换器的温度稳定基准,从而进一步降低IC要求。
辐射发射低于 CISPR 25 5 类限制
CISPR 25提供了一种测试汽车电子设备的标准化方法,以确保电气子系统不会干扰常见的RF接收器,包括卫星导航,蓝牙,蜂窝电话和广播接收器。由于车辆中电气子系统的数量不断增加,射频接收器的数量不断增加,因此此类系统的制造商越来越关注由于意外发射而对车辆的干扰。
开关电源转换器可能特别关注辐射发射,因为它们具有高功率、快速开关边沿以及存在许多承载开关大振幅电流的组件,这些都可能成为麻烦辐射源。LTC3126 采用专有威廉希尔官方网站 在不降低效率或降低工作频率的情况下最大限度地减小辐射发射。
凭借其低噪声固定频率操作,LTC3126 的辐射发射远低于 CISPR 25 5 类限值,如图 2 所示。此处所示的 CISPR 25 5 类一致性测试是在国家认可的独立 EMI 测试实验室进行的,该实验室使用标准 LTC3126 演示印刷电路板进行测量,该电路板工作在 0.5A 和 1A 负载下,采用 12V 输入。图2所示的两条辐射发射曲线用于接收天线的水平和垂直极化,符合CISPR 25规范的要求。尽管CISPR 25规范规定了150kHz至1Ghz频率范围内的辐射发射,但图2中的数据绘制在30MHz至1GHz范围内的线性轴上。这通常是最感兴趣的范围,因为低于30MHz的较低频率发射比该频段的CISPR限值低30dBμV/m以上。
“最后一口气”备用电源
在许多系统中,“最后喘息”的备用电源功能正在成为一项要求,在这些系统中,功能必须在断电后短暂保持,以便执行受控关断,将重要信息存储到非易失性存储器或提醒其他系统即将关断。固态磁盘驱动器,也许是最引人注目的例子,利用备用电源在电源故障时将SDRAM中的缓存数据存储到非易失性闪存中,以防止数据丢失。然而,这种最后喘息的功能现在正扩展到从工业控制器到医疗设备的各种系统。
越来越多的这些最后喘息电源依靠超级电容器作为备用电源,因为它们几乎无限的循环寿命和免维护运行。图 11 示出了在主电源被移除时使用 LTC3126 将无毛刺转换到备用电源的最后喘息电源电路。基于 PNP 的 LDO 用于将超级电容器充电至 5V,并提供反向阻断,以确保在主电源崩溃时超级电容器没有放电路径。在本例中,LTC3126 配置为利用低至 10V 的 UVLO 门限的初级 12V 输入,此时该器件自动转换至次级输入上的超级电容器电源。

图 11.LTC3126 与一个反向阻断 LDO 结合使用,以提供一个完整的最后喘息超级电容器后备电源。
输出轨的保持时间取决于超级电容器的充电电压V帽,输出轨电压,V外、负载电流、I负荷、超级电容器的大小C和转换器的平均效率η。变量 V最低是维持所需输出轨电压所需的最小输入电压。如果输出必须保持稳压,则 V最低等于输出轨电压加上降压转换器在所需负载电流下的压差。

对于3.3V电源轨上的1A输出负载,压差约为300mV。因此,需要3.6V的最小输入电压来维持输出轨的调节。假设平均效率为90%,估计保持时间为1.6s,这与图12所示测得的保持时间为1.5s非常吻合。


图 12.LTC3126 与一个 1F、5.5V 超级电容器配合使用,可在电源故障时提供一个 1.5 秒的保持时间,以对抗一个 1A 负载的 3.3V 输出轨。此时,当器件进入压差操作时,输出会正常下降。
高效同步操作
LTC3126 集成了一个内部同步整流器,从而降低了功耗、提高了效率并最大限度地减小了解决方案尺寸。当在较低输出电压下工作时,同步整流特别有益,其中外部肖特基二极管的压降占输出电压的很大一部分。引脚可选的突发模式操作优化了轻负载下的效率,如图13所示。该转换器在 1mA 至 2.5A 的整个负载电流范围内保持超过 87% 的效率。

图 13.在突发模式操作中,在 1mA 至 2.5A 的宽负载电流范围内,效率超过 87%。
高效率简化了热管理,最大限度地减少了元件数量并缓解了设计问题。图 14 显示,即使在满负载条件下具有非常高的降压比,LTC3126 芯片温度也仅升高 36°C。

图 14.使用 V 操作在= 12V, V外在2MHz开关频率下= 3.3V,在2.5A的全额定负载电流下,芯片温升仅比环境温度高36°C。
开关频率可设置为高达 2.2MHz,以消除噪声敏感型汽车应用的 AM 频段内的干扰,并且开关可同步至外部提供的时钟以进一步降低噪声。当输入电压减小到编程输出电压时,LTC3126 通过保持高端接通多个周期来维持稳压。这产生了超过99%的有效高端开关占空比,对于1A负载,压差降至280mV,从而扩展了可用输入电压范围,以最大限度地利用电池放电范围。
总结
LTC®3126 是一款双输入、单 IC 解决方案,用于高效率、紧凑的电源。由于无损 PowerPath 功能集成在降压型转换器中,因此 LTC3126 实现了无与伦比的效率、应用尺寸和低静态电流。其 2.4V 至 42V 的宽输入电压范围支持多种电源,包括汽车、大多数电池化学成分、多节电池组、USB 和稳压不良的墙上适配器。
LTC3126 在停机模式操作期间具有 1μA 的低电流,在突发模式操作中具有 2μA 电流,这使得 LTC3126 非常适合于电池供电型应用,在这些应用中,低电流消耗使其能够保持连续使能状态,从而避免了一个监控电路用于上电 / 关断电源的开销。LTC3126 非常适合高性能移动设备、不间断电源和由双输入电源供电的工业测试设备。
审核编辑:郭婷
-
电源
+关注
关注
184文章
17710浏览量
250032 -
usb
+关注
关注
60文章
7941浏览量
264541 -
适配器
+关注
关注
8文章
1952浏览量
68007
发布评论请先 登录
相关推荐
用TrenchFET® IV功率MOSFET系列设计更绿色、更小的电源
电源解决方案如何实现更高效紧凑?
高电流栅极驱动器助力实现更高的系统效率
高效率功能电源转换
具无损耗输入PowerPath的同步降压型稳压器LTC3126
三星的准5G天线和功率放大器能实现尺寸更小、效率更高的5G设备和器材
更小巧、更智能、更可靠的电源管理
LTC3126:42V、2.5A同步降压稳压器,带无损输入PowerPath数据表
基于LTC3126_Typical Application直流到直流单输出电源的参考设计
基于LTC3126_Typical Application直流到直流单输出电源的参考设计
基于LTC3126_Typical Application直流到直流单输出电源的参考设计12

LTC3126实现更小和效率更高的多电源设计

评论