随着国防领域对更多信息和监控的推动,无线威廉希尔官方网站 的可用性和需求从未如此之大。无线系统正在航空航天和国防工业的广泛应用中部署,以支持从士兵系统、无人系统控制、系统级健康和生命体征监测等应用。
在国防领域,增加对作战人员的数据流的需求已被广泛讨论。然而,无线通信正在更普遍地改变下一代系统和发展的动态。增加数据流和监控以及无线革命和物联网(IoT)这两个术语是商业和工业世界的代名词,将对航空航天和国防市场产生同样的影响。
在过去十年中,军事通信系统一直在升级新的波形和宽带宽信号,从而增加了流向作战人员的数据流。使用收发器的战术无线电(如AD9361)现在能够充分利用软件定义无线电(SDR)架构,根据需要在战区的不同通信标准和协议之间实时调整。
更宽带宽的数据链路不仅使数据流向作战人员,而且还允许数据从作战人员流出。此类数据可能包括实时视频馈送和资产跟踪信息,但将来还将包括健康监控和惯性导航信息等功能。图1显示了现代和下一代作战人员可能使用的一些系统。随着传感器集成度的提高和尺寸、重量和功率(SWaP)的减小,更多的传感器将能够集成到士兵系统中以实现这些和类似的功能。

图1.士兵系统。
潜在传感器的数量和生成的数据量将要求使用无线互连,需要短程数据链路来汇总数据,然后再由战术无线电中继回指挥中心;使作战人员能够受到指挥结构的监控和更好的支持。
无人驾驶车辆,特别是机载车辆(UAV)的使用进一步推动了对无线数据的需求并推动了频谱的使用。在国防领域,从诺斯罗普·格鲁曼公司全球鹰等大型平台到许多平台系统(如AeroVironment Raven无人机)的各种车辆现在都在服役。无线网络和卫星通信链路显然是这些车辆和波形的主要要求。已经专门为此类系统制定了标准,包括小型无人机载系统数字数据链路(SUAS DDL)波形。像这样的波形不仅可以控制小型无人机,更重要的是,可以将来自飞机上传感器网络的数据和视频馈送传输到控制器。这些网络使实地情报收集更加灵活和有效。然而,这些平台的电源可用性有限,并且由于带宽可用性有限,许多系统要求在相同频段下运行,它们推动了通信链路中使用的收发器的需求。
尽管国防工业一直处于领先地位,但在无人机系统方面,据广泛报道,许多商业系统和运营商都希望在未来采用无人机威廉希尔官方网站 ,据报道,亚马逊和谷歌等公司都在开发系统。诸如此类的商业活动也需要无线和安全的数据链路。随着这一细分市场的扩大,对分配频谱的需求将继续受到挑战,进一步推动对先进通信收发器的需求。
进一步探索航空航天领域,无线宽带通信的使用现在在商用飞机上很普遍,使乘客能够在飞行中使用Wi-Fi访问互联网。现在,随着卫星通信的大量利用,这些服务的需求和扩展将继续下去,以实现全球宽带连接。除了这些发展之外,航空航天市场还在积极寻找无线威廉希尔官方网站 的一系列其他应用。正在积极审查无线传感器的使用,以提高安全性和燃油效率。通过减轻飞机的重量,可以提高燃油效率。除此之外,终端传感器威廉希尔官方网站 和传感器之间的互连选项也受到严格审查。在现代先进的军用和商用飞机中,可能会使用超过100,000根电线,长度超过470米,重量为5,700公斤,这还不包括基础设施和用于结构固定的线束,这些固定物加起来可能再增加30%。尽管所有这些都不太可能被无线传感器取代,但由公司、学术界和政府机构组成的航空航天器系统研究所(AVSI)正在研究这一潜力。AVSI成立了一个任务组来研究无线航空电子内部通信(WAIC),目标是在不使用电缆和线束的情况下将各种飞机传感器互连在一起。
虽然这种应用中的无线传感器无疑会减轻重量,但传感器网络也可能以可重新配置和潜在安全性的形式带来好处;但更重要的是,它们提供了快速添加和升级其他传感器的能力,而无需额外的布线和基础设施。监控和调整飞机上更多功能的能力,通过对发动机和热管理系统等项目进行实时调整,提供了提高效率的潜力。此外,还可以通过设备健康监控和额外的安全监控来更密切地监控维护和服务需求,从而更早地发现问题,并更有效地安排维护。WAIC工作组已经确定了一系列可能受益于这项威廉希尔官方网站 的系统:
|
烟雾探测 油箱/管路 接近 温度 电磁干扰事件检测 湿度/腐蚀检测 机舱压力 应急照明 结冰检测 起落架(位置反馈、制动温度、胎压、轮速、转向反馈) |
飞控位置反馈 车门传感器 发动机传感器 FADEC 与飞机的接口 空气数据 发动机预测 驾驶舱和机组人员图像/视频(安全相关) 航电通信总线 结构健康监测/结构传感器 主动振动控制 |
在前面的许多示例中,为飞机系统监控添加无线通信链路的挑战进一步复杂化。为了有效,许多系统将需要电池供电,并且需要运行相当长的时间,甚至可能数年,而无需更换。为了在功率有限的环境中实现所需的传感器数量,它将需要传统电池以外的能源。利用能量收集作为替代电源将更好地提高传感器的灵活性,并改善SWaP。
从士兵系统到航空航天,前面的所有示例都说明了对无线通信和传感器的日益依赖,随之而来的是需要解决的新挑战。ADI公司正在努力为这些不同的问题提供全面的解决方案。改进的无线通信收发器是解决方案的关键。此外,在能量收集和传感器领域以及提高所有三个设备之间的互操作性方面正在进行研究。
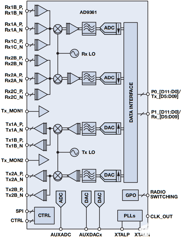
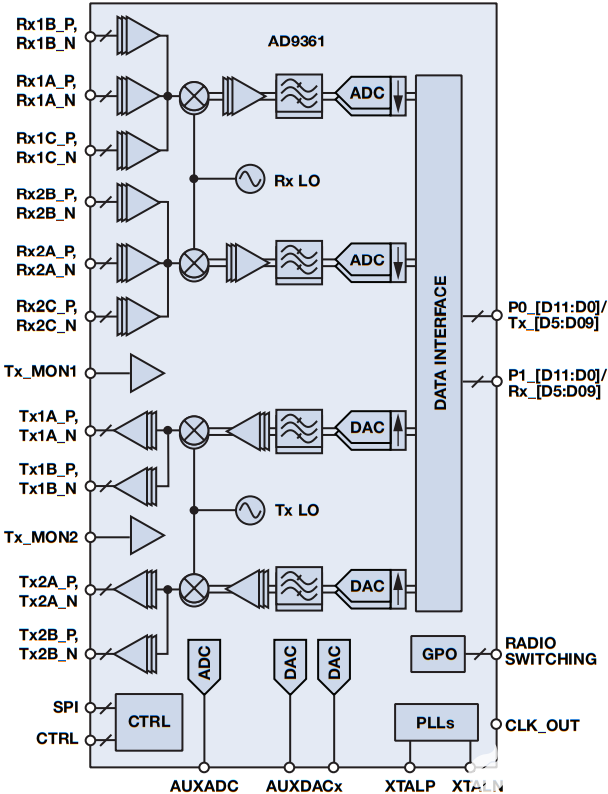
为了支持通信数据链路,高度可配置的收发器器件(如AD9361和ISM频段器件ADF7023和ADF7024)为无线连接空间提供了解决方案。AD9361和AD9364均为高度可配置的RF至位收发器,能够支持200 kHz至56 MHz的通信链路,RF频率范围为70 MHz至6 GHz。 采用直接变频架构,具有低噪声放大器、混频级、高速转换器和数字信号处理,包括先进的正交纠错算法, 全部在 10 mm 以内2封装时,该器件为宽带通信链路提供了真正的RF到位解决方案。该设备由于其支持动态可重构性的能力,已经在军事通信中得到了大量使用。同样,由于其软件可配置性,它还为许多其他通信数据链路要求提供了单一解决方案,例如无人机提到的要求。所提供的可重构性水平使真正的软件定义无线电(SDR)得以实现,使一种硬件开发有可能用于各种系统,特别是考虑到典型功耗小于1 W。

图2.AD9361—宽带收发器

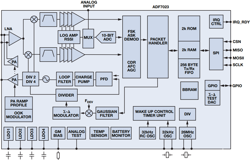
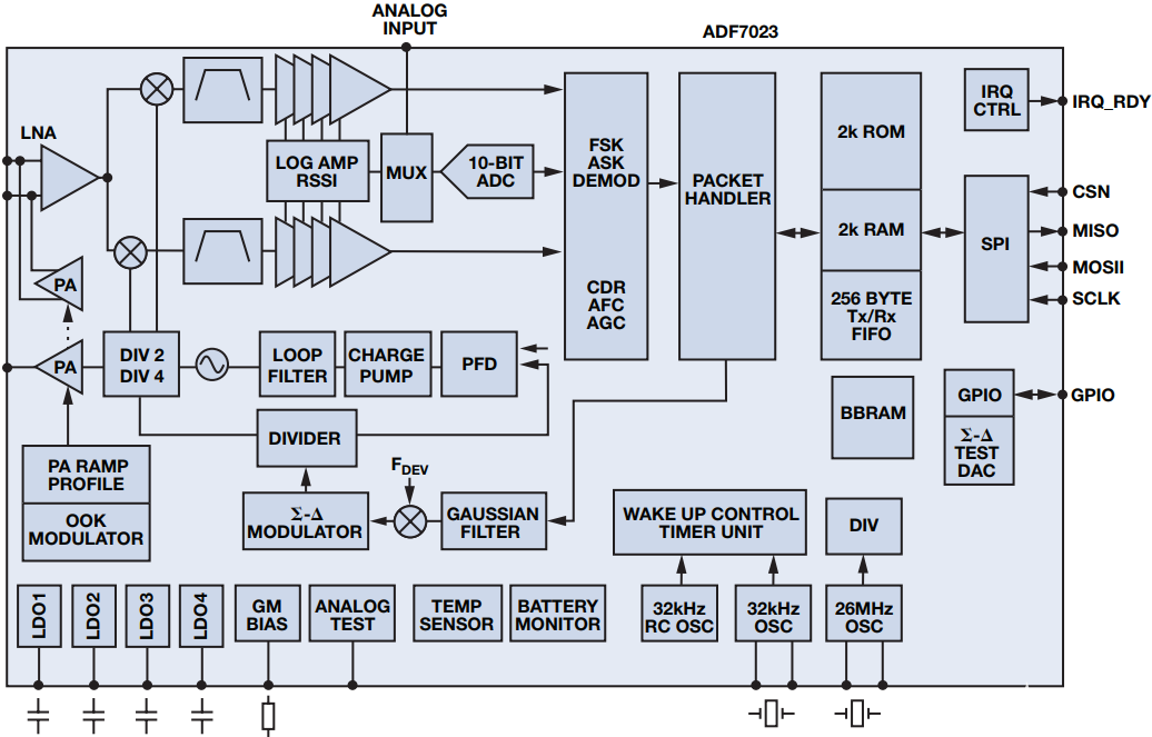
图3.ADF7023—ISM频段收发器
ADF7023、ADF7024和ADF7242均为超低功耗集成收发器。它们更专门设计用于433 MHz、868 MHz、915 MHz和2.4 GHz的免许可ISM频段,具有特定的波形调制,频移键控(FSK)或高斯频移键控(GFSK)和较低的数据速率,ADF7024的最大速率为300 kbps,ADF7242的最大速率为2 Mbps。虽然这些器件不具备AD9361的灵活性,但它们集成了类似级别的功能,使器件能够支持RF到位。例如,ADF7024在5 mm内提供此功能2封装,在接收器模式下,该器件的功耗低至12.8 mA,可用于发送和接收传感器数据的应用,其中功率水平和长寿命至关重要。
传感器威廉希尔官方网站 和无线通信节点需要更紧密地耦合是显而易见的,这推动了半导体的发展,以支持集成或紧密耦合这两个元素的能力。为了充分解决传感器和物联网的挑战,可以使用一套全面的器件,从传统但不断增强的精度、放大器和转换器中提取,用于温度、电流和电压检测。放眼更远的地方,使用基于MEMS的陀螺仪和加速度计的各种导航和健康监测系统提供了监测士兵运动和跟踪的潜力,或者可用于监测系统振动并确定系统健康状况,如果检测到非预期运动。
例如,ADIS16488A iSensor是一款完整的、完全集成的高性能惯性系统,包括一个三轴陀螺仪、一个三轴加速度计和一个三轴磁力计,可用作人员跟踪方案或振动监测系统的一部分。基于MEMS威廉希尔官方网站 ,它为运动跟踪提供了一种廉价的解决方案,并且有可能被定位或整合到设备中,并在数据中继回指挥中心之前通过无线通信连接到士兵的无线电,从而提供全面的士兵跟踪解决方案,从而简化潜在的搜索和救援行动,特别是在GPS拒绝的环境中。®

图4.潜在的无线传感器互连。
同样,ADI Sensor和MEMS器件在振动监测应用中使用时,能够尽早分析机器健康状况,并提出潜在的设备故障问题。由于所需的安装位置,定位此类传感器通常具有挑战性,但将低电池供电的RF收发器与传感器相结合,提供了定位设备的选择,而不会出现此类挑战,数据传输到中央监控单元或通过蜂窝或卫星通信网络中继回远程监控站。
前面的所有项目都只是冰山一角,还有更多的选项和传感系统正在考虑使用各种威廉希尔官方网站 ,但都依赖于安全的RF通信来中继数据。纵观整个航空航天和国防领域,无线网络的使用以及数据监控和分发的驱动力正在激增,并有可能加速 - 特别是如果无人系统被开发和利用,正如预测的那样。提高效率、可重构性和整体平台安全性的能力是采用无线威廉希尔官方网站 的关键优势。这些特性推动了ADI跨多个产品线的路线图,确保实现下一代系统目标。物联网能够根据需要利用具有更高级别安全性和自定义波形的商业威廉希尔官方网站 ,无疑是现代和未来航空航天和国防系统的关键组成部分。
审核编辑:郭婷
-
收发器
+关注
关注
10文章
3424浏览量
105965 -
物联网
+关注
关注
2909文章
44575浏览量
372846 -
通信系统
+关注
关注
6文章
1187浏览量
53329
发布评论请先 登录
相关推荐
无线连通航空航天和国防世界
国防与航空航天解决方案
航空航天与国防市场未来的关键威廉希尔官方网站 和趋势
PCB在军队的运用 航空航天和国防
航空航天业的PCB发展趋势
是什么使航空航天和国防电子与常规PCB有所不同?
模块化电源满足航空航天和国防应用日益增长的需求挑战
先进的光纤组件支持航空航天和国防领域的新应用
射频收发器为航空航天和国防提供突破性的SWaP解决方案

无线连接航空航天和国防世界
评论