使用远程温度传感器监控高性能微处理器和图形处理器的芯片温度是管理电源和热工作特性的常用威廉希尔官方网站 。随着时钟速度、电路密度和功率水平的增加,芯片工作温度可能会超过传统温度传感器的极限。Maxim的新型温度传感器可以测量以前超出此类设备范围的温度。本文讨论宽量程温度传感器、其理论和应用。
使用外部双极晶体管作为传感元件的数字远程温度传感器被广泛依赖,用于监测高速、高性能IC上的芯片温度,如微处理器、图形处理器和FPGA。准确监测温度对于确保最佳性能和防止灾难性故障至关重要。温度监控器允许系统执行风扇控制和时钟节流功能,以将高性能IC保持在必要的工作温度范围内。在较高温度下,它可用于关闭系统以防止故障。随着性能和功率水平的提高,远程温度监控功能变得更加重要,但执行起来更加困难。
几乎所有传统数字温度传感器IC的测量上限都小于128°C;许多限制在100°C。 通常,常规温度范围就足够了。但是,有时测量高达150°C的温度很重要。 在这种情况下,需要大范围温度传感器。
感应扩展温度
典型的数字温度传感器IC使用一个符号位和七个幅度位表示温度数据,LSB为1°C,MSB为64°C。 虽然一些数字传感器有几个额外的位来表示更高分辨率的温度,但64°C MSB将最高测量温度限制在128°C以下。 宽量程温度传感器可以测量远高于此 128°C 限值的值,通常高达 150°C。 执行此任务的最方便方法是提供重量为 128°C 的 MSB。 在这种情况下,温度数据范围扩展到255°C,这远远超出了有用范围,因为不太可能遇到超过127°C的温度。在高于约150°C的温度下,由于用于测量温度的半导体结的限制,精度会迅速下降。
某些高功率IC的最高工作温度取决于时钟速度、工艺、器件封装和各种设计因素。通常,信号完整性会随着温度的升高而降低,直到电路不再符合其规格。在许多 CPU 和图形处理器中,这种情况发生在 100°C 左右;但在某些高性能电路中,正常工作温度可以延长至145°C。 如果设备可以在扩展温度下正常工作,则准确测量温度对于将其保持在正确的工作范围内非常重要。由于芯片的绝对最高温度接近此范围的顶部,因此监控温度以避免故障和随后的关断更为重要(图 1)。

图1.扩展范围的远程温度传感器可以在整个工作范围内监控高性能设备。
在一些高性能处理器中,热二极管的物理特性会给测量的温度增加一个“偏移”。换句话说,测得的温度可以明显高于实际温度。在这种情况下,温度传感器需要测量远高于正常工作范围的表观温度。尽管测得的温度可能为 150° 或更高,但二极管的实际温度仍可在处理器的正常工作温度范围内。
远程温度传感基础知识
使用远端二极管温度传感器测量温度的最常见方法迫使两种不同的电流通过二极管,通常电流比约为10:1。(二极管不是像1N4001那样的双引线器件。相反,它是一个二极管连接的双极晶体管。双引线二极管的理想因数与远端二极管温度传感器不兼容。在每个电流水平下测量二极管的电压,并根据公式计算温度,

其中:
IH是较大的二极管偏置电流
IL是较小的二极管偏置电流
VH是二极管电压由IH
VL是二极管电压由IL
n 是二极管的理想因子
k 是玻尔兹曼常数 (1.38 x 10-23焦耳/°K)
T 是以 °K为单位的温度
q 是电子的电荷 (1.60 x 10-19°C)
如果

=10,这可以简化为:

术语“n”称为理想因子,并且与过程相关。对于大多数晶体管,该值非常接近1.0。例如,奔腾® III 微处理器的理想因数约为 1.008,而奔腾 IV 微处理器的理想系数约为 1.002。远端二极管温度传感器产生具有精确比率的电流,测量产生的电压,然后对电压测量进行缩放和电平转换以产生温度数据。内部模数转换器(ADC)必须能够精确测量具有相当大共模值的小电压;1°C的温度变化相当于约200μV。
宽量程温度传感器类似于传统传感器,但ADC输入电压范围略大,以适应低电流和高电流电平之间的较大电压差。此外,温度数据必须以不同的方式组织。Maxim的扩展量程温度传感器增加了更高权重的MSB,允许在128°C以上进行温度测量。 这通常是通过用较大的MSB替换符号位来完成的。
为了生产可靠、准确、宽量程的远端二极管温度传感器,必须采用精确的制造测试威廉希尔官方网站 来调整传感器并验证其精度。Maxim专有的热管理测试系统测量传感器和热二极管的温度,并调整传感器的内部电路,实现业内无与伦比的精度。
远程温度传感器测量温度可达 150°C
Maxim于6627年推出的首款扩展量程远程温度传感器是MAX2001。MAX6627具有3线(时钟、串行数据输出和片选)数字接口,在远端温度传感器中独树一帜。它采用小型 8 引脚 SOT-23 封装,可放置在关键元件附近。
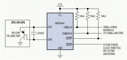
2003年,Maxim推出了MAX6646/MAX6647/MAX6649,这三款扩展量程远程温度传感器具有2线、I²C-/SMBus™兼容接口,特别适合台式机、笔记本电脑和服务器应用。这些传感器在高达 1°C 的温度下具有 145°C 的精度(图 2),使其成为世界上最精确的扩展量程温度传感器。它们与工业标准MAX6692引脚兼容,并且与寄存器兼容。但是,在128°C及以上时,温度数据寄存器具有一个额外的数据位,以允许更高的温度测量。这些传感器还包括热比较器输出等功能,用于指示过热和欠温条件,这对于监控和保护高性能IC非常有用。

图2.MAX6649测量CPU或图形处理器上的热二极管,在1°C至60°C范围内精度为145°C。 测量温度可达 150°C,精度会降低。
2003年推出的另一种新型扩展量程传感器是MAX6642(图3),它是目前最小的扩展量程温度传感器,带有SMBus接口。它采用 6 引脚 TDFN 封装,占位面积为 3mm x 3mm,厚度仅为 0.8mm。精度保证在 1°C 至 60°C ±100°C 范围内,±3.5°C (100°C 至 150°C)。

图3.MAX6642是世界上最小的远端温度传感器,测量温度高达150°C。
总结
虽然扩展量程远程温度传感器是市场上的新产品,但它们在各种当前和未来系统中的需求是显而易见的。Maxim致力于提供业内最高精度的扩展量程传感器,并将继续推出创新的扩展范围产品,以满足新兴的系统要求。
审核编辑:郭婷
-
传感器
+关注
关注
2550文章
51046浏览量
753140 -
处理器
+关注
关注
68文章
19265浏览量
229682 -
FPGA
+关注
关注
1629文章
21729浏览量
603048 -
晶体管
+关注
关注
77文章
9684浏览量
138105
发布评论请先 登录
相关推荐
Vishay新款红外接收器和传感器将工作温度范围扩展为-35℃~+85℃
工程师必看 扩展FPGA 的工作温度范围的威廉希尔官方网站 技巧
IC温度问题
Magma BoardView可扩展导航范围
请问bq24650的TS管脚是通过检测电压来检测电池温度,判断温度超标的检测电压范围是多少呢?
商业/工业/扩展温度范围在哪里定义?
一款温度范围监测系统相关资料推荐
Fox Electronics扩展了温度范围3.3 V HCMOS振荡器
AN-1523:使用AD8368可变增益放大器扩展ADL5513对数检测器的动态范围
东芝进一步扩展Thermoflagger™产品线—检测电子设备温升的简单解决方案

扩展范围温度检测IC
评论