大多数创客项目的核心都是数字式的,但传感器通常是interwetten与威廉的赔率体系 器件,需要进行信号处理,才能与处理器模拟输入对接。但是,低信号幅度、补偿电压或干扰信号问题可能导致信号电平超出处理器的数字化仪的数字输入范围,使得创客的设计流程变得复杂。
有些资深创客知道这些问题,但有些创客已经忘记了模拟威廉希尔官方网站 的基本知识,甚至还有很多创客对模拟威廉希尔官方网站 一无所知。针对所有这些群体,本文将介绍模拟信号处理/调节的作用,提供几个典型的设计要求、约束和利弊取舍示例。
同时会介绍实例器件及其应用方式,并探讨能够加快项目设计与开发的低成本或免费的设计工具,以帮助开发人员控制住紧张的预算。鉴于很多创客项目的资源是有限的,本文还将深入探讨哪些资源可以重复使用,以进一步节省成本。
信号处理和运算放大器
传感器和数字处理器之间的模拟信号处理(或调节)的目标是在将模拟信号转化为数字信号之前,最大程度地减少任何有害的模拟效应。此外,我们还可以使用低成本的运算放大器实现传感器信号的放大、相移和滤波,使得信号完全兼容处理器输入,从而经济高效地完成信号处理。
另外,信号处理可以扩展传感器的特征,例如对加速计的输出进行积分运算,以获取速度和位移信号。
运算放大器是直流耦合、高增益的电压放大器,使用差分输入,通常产生单端输出。过去,运算放大器用于实现进行微分方程求解的模拟计算器。
由于具备通用性,运算放大器现在成为很多模拟电路的基本构件,包括模拟信号处理。它们广泛应用于消费、工业和科学设备中。由于具备低成本、随时可获取的优势,因此它们也非常适合创客/DIY 项目。
利用负反馈,运算放大器电路的各个参数可由外部元器件控制,包括增益、带宽以及输入和输出阻抗等。运用良好的设计实践,运算放大器的性能大多不会受到制造偏差或环境条件的影响。
我们以 Texas Instruments TL081 运算放大器为例(图 1)。

图 1:展示 Texas Instruments TL081 运算放大器上连接的草图(图片来源:Digi-Key Electronics)
这种典型运算放大器带有反相和非反相差分输入引脚和单个输出。输入使用结型场效应晶体管 (JFET) 来确保高输入阻抗和极低偏置电流(30 皮安 (pA))。该放大器的典型大信号差分增益大于 100,000(直流时),单位增益带宽积为 3 MHz。它使用通孔式封装(兼容原型开发板)和表面贴装式封装。
匹配传感器与模数转换器
创客处理器,例如 Arduino 板,包含用于读取模拟传感器的模拟通道输入。例如,Arduino Uno 有六个模拟输入。这些输入被复用到一个 10 位模数转换器 (ADC)。这个 10 位 ADC 将输入电压范围划为 210 份或 1024 个电压电平(值从 0 到 1023)。
ADC 输入范围取决于所选的模拟基准电压。如果使用 Arduino Uno,则默认基准电压为 5 伏。它还有一个 1.1 伏的内部基准电压,或者用户可以输入 0 至 5 伏之间的外部基准电压。ADC 将映射 0 伏至所选模拟基准电压之间的电压。对于默认的 5 伏基准电压,ADC 会映射 0 至 5 伏之间的 1024 个电平,每个电平间隔 4.88 毫伏 (mV)。要转换双极信号,零电平是 ADC 范围的一半。在本例中应为 2.5 伏。该转换器代码被分配相应的值,0 伏为最大负信号值,5 伏为最大正信号值,2.5 伏正好在这个范围的中间。
现在,我们以某变送器(如驻极体麦克风)的信号为例,该信号的幅度仅为 2 mV。信号幅度小于本例中的 ADC 的最小有效电平。要将麦克风与该 ADC 一起使用,就需要放大信号。此外,信号电平必须进行相移,使得其中心在大约 2.5 伏的位置。可以使用运算放大器实现这些更改。此外,还可使用配置为滤波器的运算放大器,对信号进行频段限制,以覆盖所需的音频范围。
放大器配置
运算放大器具有差分输入,可设计为反相或非反相放大器(图 2)。

图 2:两种基本运算放大器配置:反相和非反相(图片来源:Digi-Key Electronics)
运算放大器的差分输入有反相输入和非反相输入,分别以减号 (-) 和加号 (+) 表示。施加到反相输入上的信号产生的输出会发生 180 度相移(反相)。相反,非反相输入的信号的输出同相。
每种配置的增益仅取决于外部电阻器 Ra 和 Rb。导致这个结果的原因是运算放大器的高开路增益,也是因为从输出到反相输入通过电阻器 Rb 使用了负反馈。请注意,反相放大器的增益取决于 Rb 与 Ra 之比。非反相放大器配置的增益为 1 + Rb/Ra。
该图显示了运算放大器如何获得增益。通过在其中一个输入上累加一个补偿电压可以解决实现固定 DC 相移的问题(图 3)。

图 3:用于向反相和非反相运算放大器配置添加相移的威廉希尔官方网站 。(图片来源:Digi-Key Electronics)
通过一个简单的分压器即可为反相或非反相输入累加补偿电压。请注意,补偿电压会受级增益影响。在设计放大器时,必须牢记这一点。
设计工具
能够提供放大、滤波或同时提供这两个功能的运算放大器电路有很多。有些运算放大器制造商会提供免费的设计工具,帮助评估这些电路,无需实际购买组件和构建原型。我们以 Texas Instruments 为例。他们提供了一个名为 TINA-TI 的免费电路仿真程序,这是一种类 Spice 电路仿真器。Texas Instruments 还在该程序中打包提供元器件模型库和电路示例,用户能够轻松上手(图 4)。

图 4:旨在匹配驻极体麦克风与 Arduino 板的 TINA-TI 放大器/滤波器仿真。它采用 300-10,000 Hz 带通滤波器,提供的增益为 100。(图片来源:Digi-Key Electronics)
该电路使用了两个 Texas Instruments OPA337NA-3K 运算放大器。该运算放大器是为电池供电型设备设计的,支持单电源供电、偏置电流小于 10 pA 的 JFET 输入,以及 3 MHz 增益带宽积。
图 4 中的 OP1 配置为非反相放大器,增益为 10 (20 dB)。OP2 设置为多反馈低通滤波器,截止频率为 10 kHz。该级的增益也为 10。这两个级联级提供的整体增益为 100 (40 dB)。输入是 AC 耦合型,上限截止频率大约为 300 Hz。加上低通滤波器,构成覆盖 300 至 10,000 Hz 频段的带通滤波器。
使用内置虚拟仪器,例如 DVM、信号发生器、示波器和信号分析仪,可以测试电路性能。电路性能显示在虚拟信号分析仪上。该图显示了作为频率函数的增益。它验证了 300 Hz 至 10 kHz 频段上的增益为 40 dB。
通过 R4 和 R5 设置的分压器也会造成偏压,为处理器 ADC 产生 2.5 伏的电压偏置。
最终放大器电路
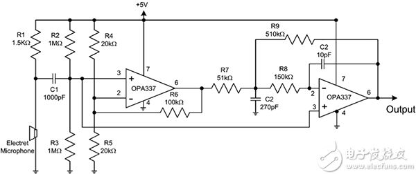
最终放大器电路(图 5)显示了驻极体麦克风及其偏置电阻器。

图 5:包括驻极体麦克风及其相关偏置电阻器的放大器完整原理图(图片来源:Digi-Key Electronics)
这是最终版电路,使用与 Arduino 板相同的 5 伏电源供电。电阻器 R1 为麦克风提供必需的偏置电流。所有其他元器件都与图 4 中的仿真放大器相同。
单变送器,多输出
过去,运算放大器一直用于微分方程求解。这就需要对信号进行微分和积分运算。使用这种功能,可对加速计的输出进行一次积分运算,以读取速度。如果速度信号进行了积分运算,则输出就是位移。这意味着使用运算放大器对信号进行积分运算,信号传感器的输出可以产生三个不同的信号。从单个加速计可以读取加速度、速度和位移(图 6)。

图 6:使用双积分器从提供加速度信号的加速计产生加速度、速度和位移读数。(图片来源:Digi-Key Electronics)。
来自加速计的信号被直接输出;它还进行一次积分运算,以产生速度输出。速度信号再进行一次积分运算可产生位移信号。
该积分器在其反馈回路中使用了带有电容器的运算放大器。在本例中,后面还使用了第二运算放大器,作为低通滤波器连接以限制产生噪声的信号带宽。这种威廉希尔官方网站 在多种商用加速计信号调节电源中都有使用。
使用运算放大器作为积分器时,要记住以下几点。第一,积分器经常出现漂移;来自运算放大器的任何偏置电流都会在反馈电容器上积累电荷,从而导致输出电压。使用偏置电流极低的运算放大器,例如 TL081 和 OPA337,可以最大程度地减少这个问题。
当信号进行积分运算时,会为信号加上一个积分常数。这个常数的值取决于初始条件。该电路使用 AC 耦合来消除这些 DC 常数。结果是速度和位移信号仅读取相对值。因此,在位移信号中,您只能看到位移的变化,而不是绝对位移。对于振动测量等应用而言,这不会有任何问题,因为它们只需要位移的变化。但它不能用于确定加速计位置的绝对变化。
了解关于运算放大器的更多信息
我们提供了多种运算放大器培训套件,可帮助您研究和了解如何应用这些实用的信号处理器件。其中最好一个的培训套件是 MikroElektronika 提供的 Pro Analog 系统实验室套件。该套件是与 Texas Instruments 联合开发的,提供了十四个使用运算放大器及相关模拟处理元件的实验。该课程的内容远比本文所提供的示例来得丰富。
总结
在涉及传感器和数字处理器的项目中,运算放大器是创客和 DIY 爱好者需要了解和应用的关键模拟信号处理器件。运算放大器可以提供增益,控制补偿电压,对模拟信号进行滤波,还可对传感器输出进行微分或积分运算,以确保传感器和处理器接口得到最佳匹配。它们可在大多数业余爱好者的有限预算范围内,很好地完成这些任务。
-
运算放大器
+关注
关注
215文章
4931浏览量
172862 -
信号处理
+关注
关注
48文章
1027浏览量
103263 -
模数转换器
+关注
关注
26文章
3203浏览量
126811
发布评论请先 登录
相关推荐

模拟信号处理/调节设计要求、约束和利弊取舍示例
评论