0
  • 聊天消息
  • 系统消息
  • 评论与回复
登录后你可以
  • 下载海量资料
  • 学习在线课程
  • 观看威廉希尔官方网站 视频
  • 写文章/发帖/加入社区
会员中心
创作中心

完善资料让更多小伙伴认识你,还能领取20积分哦,立即完善>

3天内不再提示

Maxim MAX22444-6快速低功耗四路数字电流隔离器解决方案

电子工程师 作者:工程师陈翠 2018-07-22 08:55 次阅读

Maxim公司的MAX22444–MAX22446是增强的快速低功耗四路数字电流隔离器,采用Maxim公司的专有工艺威廉希尔官方网站 ,能在电路间以不同的功率传输数字信号,1.8V时1Mbps时每路的功率仅为0.74mW,能经受住5kV RMS电压60秒,最大数据速率25Mbps或200Mbps,主要用在隔离SPI接口工业自动化现场总线通信,隔离RS-485/RS-422和CAN,以及电池管理和医疗系统。本文介绍了MAX22444–MAX22446主要优势和特性,框图和应用电路,以及评估板MAX22444/5FWEVKIT主要特性,电路图,材料清单和PCB设计图。

The MAX22444–MAX22446 are reinforced, fast, low-power 4-channel digital galvanic isolators using Maxim’s proprietary process technology. These devices transfer digital signals between circuits with different power domains, using as little as 0.74mW per channel at 1Mbps (1.8V supply)。 All of the devices in the family feature einforced isolation for a withstand voltage rating of 5kVRMSfor 60 seconds.

The MAX22444–MAX22446 family offers all possible unidirectional channel configurations to accommodate any 4-channel design, including SPI, RS-485, and digital I/O applications. Output enable for the A side of the MAX22445R/S/U/V is active-low, making them ideal for isolating a port on a shared SPI bus since the CS signal can directly enable the MISO signal on the isolator. All other output enables in the MAX22444-MAX22446 family are the traditional active-high.

All channels on the MAX22444–MAX22446M/N are always enabled, however, the default state of the outputs of these devices is selectable.Devices are available with a maximum data rate of either 25Mbps or 200Mbps, and with outputs that are either default-high or default-low. The default is the state the output assumes when the input is either not powered or is open-circuit. See the Ordering Informationand Product Selector Guide for suffixes associated with each option. Independent 1.71V to 5.5V supplies on each side of the isolator also make the devices suitable for use as level translators.

All of the devices in the MAX22444–MAX22446 family are available in a 16-pin wide-body SOIC package with 8mm of creepage and clearance. The package material has a minimum comparative tracking index (CTI) of 600V, which gives it a group 1 rating in creepage tables. All devices are rated for operation at ambient temperatures of -40℃ to +125℃。

MAX22444–MAX22446主要优势和特性:

Reinforced Galvanic Isolation for Fast Digital SignalsUp to 200Mbps Maximum Data Rate

Withstands 5kVRMS for 60s (VISO)

Continuously Withstands 1500VRMS (VIOWM)

Withstands ±10kV Surge Between GNDA and GNDB with 1.2/50μs waveform

High CMTI (50kV/μs, Typical)

Low Power Consumption0.74mW per Channel at 1Mbps with VDD = 1.8V

1.4mW per Channel at 1Mbps with VDD = 3.3V

3.2mW per Channel at 100Mbps with VDD = 1.8V

Options to Support a Broad Range of Applications2 Maximum Data Rates (200Mbps, 25Mbps)

3 Direction Configurations

Active-High or Active-Low Enable Inputs

2 Fixed Output Default States (High/Low) or Pin-Selectable (M/N Versions)

MAX22444–MAX22446应用:

Isolated SPI Interface

Fieldbus Communications for Industrial Automation

Isolated RS-485/RS-422, CAN

Battery Management

Medical Systems

Safety Regulatory Approvals (Pending)

UL According to UL1577

cUL According to CSA Bulletin 5A

VDE 0884-11 Reinforced Isolation

Maxim MAX22444-6快速低功耗四路数字电流隔离器解决方案

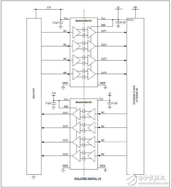
图1.MAX22444–MAX22445功能框图

Maxim MAX22444-6快速低功耗四路数字电流隔离器解决方案

图2.MAX22446功能框图

Maxim MAX22444-6快速低功耗四路数字电流隔离器解决方案

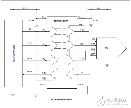
图3.MAX22444典型工作电路图

Maxim MAX22444-6快速低功耗四路数字电流隔离器解决方案

图4.MAX22445典型工作电路图

Maxim MAX22444-6快速低功耗四路数字电流隔离器解决方案

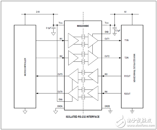
图5.MAX22446典型工作电路图

评估板MAX22444/5FWEVKIT

The MAX22444–MAX22446 evaluation kits (EV kits) provide a proven design to evaluate the MAX22444– MAX22446, reinforced, four-channel, galvanic digital isolators. Two types of evaluation boards are available to support different channel direction configurations, different ENA polarities and different output default settings of the MAX22444–MAX22446 family. The MAX22445FWEVKIT# is fully assembled and tested, and comes populated with the MAX22445FAWE+. The MAX2244XWEVKIT# is a generic board which has U1 unpopulated allowing the user to select a device from the MAX22444-MAX22446 family (Figure 2)。 Both evaluation boards support the wide-body 16-pin SOIC package type. See Table 1 for EV kit options.

The EV kits should be powered from two independent isolated power supplies with nominal output voltage in range from 1.71V to 5.5V. For evaluating the electrical parameters of the device without any isolation between the two sides, a single power supply can also be used.

评估板MAX22444/5FWEVKIT主要特性:

Broad Range of Data Transfer Rates (from DC to 200Mbps)

Four Unidirectional Channels with 3 Different Channel Direction Configurations

SMA Connectors for Easy Connection to External Equipment

Wide Power Supply Voltage Range from 1.71V to 5.5V

Guaranteed Up to 5kVRMS Isolation for 60s

-40℃ to +125℃ Temperature Range

Proven PCB Layout

图6.评估板MAX22445FWEVKIT外形图图7.评估板MAX2244XWEVKIT外形图

Maxim MAX22444-6快速低功耗四路数字电流隔离器解决方案

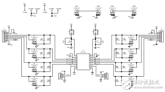
图8.评估板MAX22444/5FWEVKIT电路图

评估板MAX22444/5FWEVKIT材料清单:

Maxim MAX22444-6快速低功耗四路数字电流隔离器解决方案

Maxim MAX22444-6快速低功耗四路数字电流隔离器解决方案

图9.评估板MAX2244-6 EVKIT PCB设计图:左:顶层丝印;右:顶层

Maxim MAX22444-6快速低功耗四路数字电流隔离器解决方案

图10.评估板MAX2244-6 EVKIT PCB设计图:左:L2 GND;右:L3 PWR

图11.评估板MAX2244-6 EVKIT PCB设计图:底部

声明:本文内容及配图由入驻作者撰写或者入驻合作网站授权转载。文章观点仅代表作者本人,不代表电子发烧友网立场。文章及其配图仅供工程师学习之用,如有内容侵权或者其他违规问题,请联系本站处理。 举报投诉
  • Maxim
    +关注

    关注

    8

    文章

    859

    浏览量

    87155
  • 电流隔离器
    +关注

    关注

    0

    文章

    7

    浏览量

    10506
收藏 人收藏

    评论

    相关推荐

    Link-Max LM-1C2C电流隔离器实现4~20mA电流环信号的隔离

    ,可用于一电流环转电流环的地方。Link-Max LM-11 4-20mA
    发表于 11-01 11:07

    Maxim 40G传输解决方案有效降低功耗、提高数据吞吐率

    MAX3948直流耦合激光驱动和DS4830光电微控制。     Maxim的40G芯片组为数据中心提供高性价比、高能效方案  数据中心
    发表于 12-12 16:36

    AD9914BCPZ数字隔离器

    威廉希尔官方网站 的4通道数字隔离器。这些隔离器件结合了高速CMOS与单片空芯变压威廉希尔官方网站 ,可提供出色的性能特性,优于光耦器件和其它集成式耦合ADuM74
    发表于 07-04 17:16

    慎用光耦或数字隔离器的应用

    预算。ADuM1401代表着一种可能性,但系统其余部分的功耗预算十分勉强,即便只支持连接ADC的单个SPI接口。采用iCoupler威廉希尔官方网站 的超低功耗数字隔离器
    发表于 10-10 11:24

    数字隔离器怎么解决汽车xEV应用中的设计难题

    解决方案,ADuM1401一类的数字隔离器在工作功耗方面具有显著优势。 图1. 一种电池管理系统的典型配置需要解决的第二个难题是BMS电子设计工程师面临的机械设计限制。在BMS开发中,
    发表于 10-16 15:40

    信号和电源隔离RS-485现场总线的高速或低功耗解决方案

    全部连接)图3.信号和电源隔离的50 Mbps RS-485解决方案(简化图,未显示全部连接)隔离低功耗RS-485图4显示了ADuM1441微
    发表于 10-23 17:11

    土豆电池供电的最低功耗数字隔离器ADuM144x

    呢?咱们最新出品的微功耗数字隔离器ADuM144x再次刷新了新低——静态电流< 5 µA/Ch;省电模式< 0.1 μA/Ch;2Mbps时 < 380 µA/Ch。业界最
    发表于 11-06 09:37

    SILICON LABS 数字隔离器解决方案

    SILICON LABS 数字隔离器解决方案
    发表于 12-26 22:36 0次下载

    了解iCoupler®数字隔离器如何提供简单的解决方案

    了解iCoupler®数字隔离器如何提供简单的解决方案,以安全隔离方式将病人与外部监控或PC相连。
    的头像 发表于 06-01 14:18 4215次阅读

    ISO742x低功耗双通道数字隔离器数据表

    电子发烧友网站提供《ISO742x低功耗双通道数字隔离器数据表.pdf》资料免费下载
    发表于 08-16 09:23 0次下载
    ISO742x<b class='flag-5'>低功耗</b>双通道<b class='flag-5'>数字</b><b class='flag-5'>隔离器</b>数据表

    IS0742x低功耗双通道数字隔离器数据表

    电子发烧友网站提供《IS0742x低功耗双通道数字隔离器数据表.pdf》资料免费下载
    发表于 08-16 09:14 0次下载
    IS0742x<b class='flag-5'>低功耗</b>双通道<b class='flag-5'>数字</b><b class='flag-5'>隔离器</b>数据表

    ISO7041超低功耗通道数字隔离器数据表

    电子发烧友网站提供《ISO7041超低功耗通道数字隔离器数据表.pdf》资料免费下载
    发表于 08-19 11:38 0次下载
    ISO7041超<b class='flag-5'>低功耗</b><b class='flag-5'>四</b>通道<b class='flag-5'>数字</b><b class='flag-5'>隔离器</b>数据表

    ISO764xFM低功耗通道数字隔离器数据表

    电子发烧友网站提供《ISO764xFM低功耗通道数字隔离器数据表.pdf》资料免费下载
    发表于 08-19 09:48 0次下载
    ISO764xFM<b class='flag-5'>低功耗</b><b class='flag-5'>四</b>通道<b class='flag-5'>数字</b><b class='flag-5'>隔离器</b>数据表

    ISO734x耐用EMC低功耗通道数字隔离器数据表

    电子发烧友网站提供《ISO734x耐用EMC低功耗通道数字隔离器数据表.pdf》资料免费下载
    发表于 08-19 09:22 0次下载
    ISO734x耐用EMC<b class='flag-5'>低功耗</b><b class='flag-5'>四</b>通道<b class='flag-5'>数字</b><b class='flag-5'>隔离器</b>数据表

    ISO7421-EP低功耗路数字隔离器数据表

    电子发烧友网站提供《ISO7421-EP低功耗路数字隔离器数据表.pdf》资料免费下载
    发表于 08-20 09:54 0次下载
    ISO7421-EP<b class='flag-5'>低功耗</b>双<b class='flag-5'>路数字</b><b class='flag-5'>隔离器</b>数据表