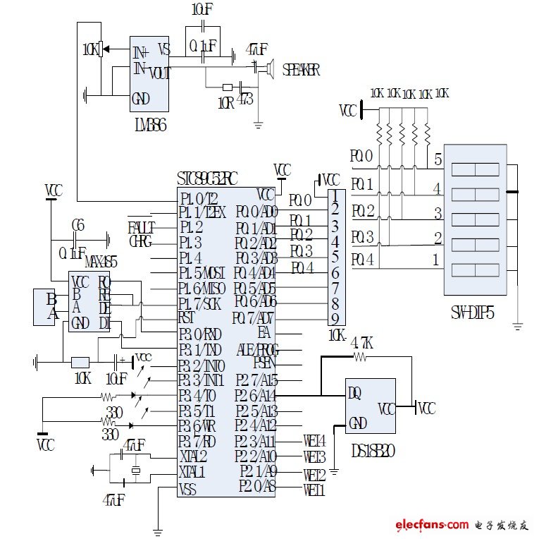
在串行通讯中,收发双方对发送或接受的波特率必须一致。由于常用波特率按规范取为1200, 2400,4800, 9600……,为了避免通信时产生累积误差,进而产生波特率误差,影响串行通信的同步性能,在本系统中采用11.0592MHZ 的晶振。系统主电路如图3.

图3 系统主电路
2.2 锂电池充放电管理电路
高性能、高可靠性的电池管理系统能使电池在各种工作条件下获得最佳的性能。
CN3052A 是可以对单节锂离子或者锂-聚合物可充电电池进行恒流/恒压充电的充电器电路。该器件内部包括功率晶体管,应用时不需要外部的电流检测电阻和阻流二极管。图4 为锂电池充放电管理电路。

图4 锂电池充放电管理电路
其中LEDl和LED2分别指示漏极开路输出的电池故障状态和漏极开路输出的充电状态,当TEMP 管脚的电压低于输入电压VIN 的45%或者高于输入电压VIN 的80%超过0.15 秒时,表示电池温度过低或过高,
被内部开关下拉到低电平,指示电池处于故障状态,除此以外,
管脚将处于高阻态。当充电器向电池充电时,
管脚被内部开关拉到低电平,表示充电正在进行,否则
将处于高阻态。C7 和C8 采用的是多层陶瓷电容器(MLCC),能保证充电电路稳定工作,RIST 在充电时起限流保护的作用,同时还要将
两个管脚与单片机的P1.2 和P1.3 相连,以便读取电池状态传递给服务器。
2.3 RS485 通信电路
RS-485 接口具有良好的抗噪声干扰性、较长的传输距离和多站能力等优点。在构建通信网络时,采用一条双绞线电缆作总线,将各个节点串接起来,从总线到每个节点引出的线应尽量短,以便使引出线中的反射信号对总线信号的影响最低;同时应注意总线特性阻抗的连续性,在阻抗不连续点会发生信号的反射。
此外要根据通信距离和功耗选择在两终端之间加终端电阻或电阻电容完成总线匹配,通常双绞线特性阻抗约在100Ω 到130Ω 之间。
RS485 标准并未对总线上允许连接的收发器数量作出规定,但规定了最大总线负载为32 个,网络节点数与所选RS485 芯片驱动能力和接收器的输入阻抗有关,每单位负载阻抗约12KΩ,为扩展总线节点数,可将输入电阻增加至48KΩ 以上,节点数就可128 个,96KΩ 的输入电阻允许节点数位256 点,SP485R 标称最大值为400 点,实际中,因线缆长度、线径、网络分布、传输速率不同,实际节点数达不到理论值。通常推荐节点数按RS485 芯片额定最大值的70%选取。
STC89C52RC 与MAX485 接口电路如图5 所示。

图5 STC89C52RC 与MAX485 接口电路
电子发烧友App














































评论