语言识别模块对中、大词汇量的语音识别系统特别重要。当分类发生错误时可以根据语言学模型、语法结构、语义学进行判断纠正,特别是一些同音字则必须通过上下文结构才能确定词义。语言学理论包括语义结构、语法
2022-12-29 17:18:20
602 FPGA和Nios_软核的语音识别系统的研究引言语音识别的过程是一个模式匹配的过程 在这个过程中,首先根据说话人的语音特点建立语音模型,对输入的语音信号进行分析,并提取所需的语音特征,在此基础上建立
2012-08-11 11:47:15
在人际交往中,言语是最自然并且最直接的方式之一。随着威廉希尔官方网站
的进步,越来越多的人们也期望计算机能够具备与人进行言语沟通的能力,因此,语音识别这一威廉希尔官方网站
也越来越受到关注。尤其,随着深度学习威廉希尔官方网站
应用在语音识别
2021-11-09 16:19:53
6299 该设计运用三星公司的S3C2440,结合ICRoute公司的高性能语音识别芯片LD3320,进行了语音识别系统的硬件和软件设计。在嵌入式Linux操作系统下,运用多进程机制完成了对语音识别芯片
2021-11-01 17:21:07
16 本文介绍了一种采用ARM处理器作为控制核心的非特定人语音识别系统的设计方案。
2020-04-11 11:17:37
1058 
语音识别系统是一种模式识别系统,系统首先对语音信号进行分析,得到语音的特征参数,然后对这些参数进行处理,形成标准的模板。这个过程称为训练或学习。当有测试语音进入系统时,系统将对这些语音信号进行处理,然后进行参考模板的匹配,得出结果。此时便完成了语音识别的过程。
2020-04-06 17:13:00
1339 
本文首先介绍了语音识别设置的删除,其次阐述了语音识别系统工作流程,最后介绍了语音识别系统的实现。
2020-04-01 09:47:40
3446 结合语音识别威廉希尔官方网站
构建医疗智能语音识别系统,达到减轻医护人员日常工作负担,减少重复性劳动,提高诊疗质量的目的。基于语音识别的关键威廉希尔官方网站
和海量的医疗数据,开发电子病历与检查报告智能语音录入、移动护理智能语音录入、非接触式智能语音数据交互系统。
2019-10-21 16:46:27
3076 对比语音识别威廉希尔官方网站
的两个发展方向,由于基于不同的运算平台,因此具有不同的特点。大词汇量连续语音识别系统一般都是基于PC机平台,而语音识别专用芯片的中心运算处理器则只是一片低功耗、低价位的智能芯片
2019-10-01 09:21:00
5040 
如果单独是因为口音问题,现在这么多在研究语音识别系统的公司,如果合作起来,只要资源共享,这应该不是个问题。
2019-09-24 16:48:28
814 嵌入式语音识别系统分为封闭域识别和开放域识别,封闭域识别范围围绕指定的字/词语集合,也就是说在开发系统的时候会设定好应识别的字或词语,对范围外的词语语音系统不会识别。
2019-06-12 11:38:09
2715 LD3320是一颗基于非特定人语音识别(SI-ASR:Speaker-Independent Automatic Speech Recognition)威廉希尔官方网站
的语音识别/声控芯片。提供了真正的单芯片语音识别解决方案。
2019-06-12 10:31:21
2898 随着计算机威廉希尔官方网站
和信息威廉希尔官方网站
的迅速发展,语音口令识别已经成为了人机交互的一个重要方式之一。语音口令识别系统将根据人发出的声音、音节或短语给出响应,如通过语音口令控制一些执行机构、控制家用电器的运行或做出
2019-04-23 15:52:53
782 
近日,在美国波士顿举行的Re-Work深度学习峰会上,美国高通公司的人工智能研究人员克里斯·洛特(Chris Lott)展示了其团队在语音识别系统方面的新进展。
2018-05-30 09:37:32
3544 该设计运用三星公司的S3C2440,结合ICRoute公司的高性能语音识别芯片LD3320,进行了语音识别系统的硬件和软件设计。在嵌入式Linux操作系统下,运用多进程机制完成了对语音识别芯片、超声波测距和云台的控制,并将语音识别威廉希尔官方网站
应用于多角度超声波测距系统中。
2018-05-24 15:15:00
5662 
、原始设备制造商(OEMs)在汽车中控系统中集成多种电子功能,以及对车联网需求的不断增长。基于非人工智能(AI)的市场预计将占据2017年汽车语音识别系统市场的最大份额。然而,在预测期内,基于AI
2018-04-26 01:23:00
1441 
语音识别源于 20 世纪 50 年代早期在贝尔实验室所做的研究。早期语音识别系统仅能识别单个讲话者以及只有约十几个单词的词汇量。现代语音识别系统已经取得了很大进步,可以识别多个讲话者,并且拥有识别
2018-04-25 17:43:30
4912 语音识别是机器通过识别和理解过程把人类的语音信号转变为相应文本或命令的威廉希尔官方网站
,其根本目的是研究出一种具有听觉功能的机器。本设计研究孤立词语音识别系统及其在STM32嵌入式平台上的实现。
2018-01-31 19:23:34
16773 
近年来,语音识别研究大部分集中在算法设计和改进等方面,而随着半导体威廉希尔官方网站
的高速发展,集成电路规模的不断增大与各种研发威廉希尔官方网站
水平的不断提高,新的硬件平台的推出,语音识别实现平台有了更多的选择。语音识别威廉希尔官方网站
2017-12-02 09:43:40
27 引言 随着计算机威廉希尔官方网站
和信息威廉希尔官方网站
的迅速发展,语音口令识别已经成为了人机交互的一个重要方式之一。语音口令识别系统将根据人发出的声音、音节或短语给出响应,如通过语音口令控制一些执行机构、控制家用电器的运行
2017-12-02 09:09:01
633 
该设计运用三星公司的S3C2440,结合ICRoute公司的高性能语音识别芯片LD3320,进行了语音识别系统的硬件和软件设计。在嵌入式Linux操作系统下,运用多进程机制完成了对语音识别芯片
2017-10-15 10:53:42
6 基于语音特征聚类的HMM语音识别系统研究_姚敏锋
2017-03-15 08:00:00
2 基于LD3320语音识别系统的学习
2016-12-31 15:06:59
29 今天,我们就为大家从威廉希尔官方网站
上揭秘科大讯飞的新一代语音识别系统。
2016-08-17 14:31:02
3099 基于STM32嵌入式的语音识别系统的设计,是某位大神的毕业设计。
2016-07-08 11:33:08
26 FPGA和Nios_软核的语音识别系统的研究。
2016-05-10 10:46:40
20 基于STM32的语音识别系统的设计与实现
2015-11-09 18:03:00
40 开发基于自然语言的语音识别系统面临许多威廉希尔官方网站
挑战,包括使用精确的语音识别引擎将机器听到的内容翻译成文字—以及一个综合的自然语言处理器
2015-10-20 09:31:10
3929 本文主要介绍了ARM光学指纹识别系统、MBF200固态指纹传感器、FPS200固体指纹识别传感器以及8051指纹识别系统电路设计,侧重于电路路原理分析与过程详解,以供读者品读。
2015-07-10 14:07:17
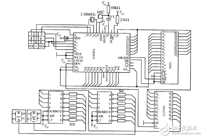
26763 本汉语语音识别系统是一个非特定人的、孤立音语音识别系统。其中孤立音至少包括汉语的400多个调音节(不考虑声调)以及一些常用的词组。##测度估计威廉希尔官方网站
可以采用动态时间弯折DTW、隐马尔可夫模型HMM或
2014-12-16 13:44:37
3045 
语音识别研究大部分集中在算法设计和改进等方面,而随着半导体威廉希尔官方网站
的高速发展,集成电路规模的不断增大与各种研发威廉希尔官方网站
水平的不断提高,新的硬件平台的推出,语音识别实现平台有了更多的选择。
2014-12-15 14:31:41
3569 
语音识别威廉希尔官方网站
是近年来十分活跃的研究领域。语音识别系统的实用化研究是语音识别研究的一个主要方向。以玩具市场为例,具有高科技含量的电子玩具、智能玩具发展迅猛,电子互动式、智能化玩具已经成为玩具行业发展的主流。
2014-12-15 11:31:19
6122 
语音交互系统是比较人性化的人机操作界面,它需要语音识别系统的支持。LD3320就是这样一款语音识别芯片。介绍了该芯片的工作原理及应用,给出了LD3320与微处理器的硬件接口电路及
2012-12-21 12:00:33
27313 实时语音识别系统中,由于语音的数据量大,运算复杂,对处理器性能提出了很高的要求,适于采用高速DSP实现。虽然DSP提供了高速和灵活的硬件设计,但是在实时处理系统中,还需结
2011-10-03 11:10:53
1810 
采用ARMS3C2410微处理器作为主控制模块,采用UDA1314TS音频处理芯片作为语音识别模块,利用HMM声学模型及Viterbi算法进行模式训练和识别,设计了一种连续的、小词量的语音识别系统
2011-07-12 11:34:58
2786 
为了实现大词汇量连续语音识别威廉希尔官方网站
的实际应用,本文提出了交互式语音识别的概念并着重研究其中的各项关键威廉希尔官方网站
。所谓的交互式语音识别,是指为语音识别系统配置一位操作员,该
2011-05-28 16:30:26
94 本文提出了基于TMS320VC5402的语音识别系统方案。整个系统以TMS320VC5402为核心电路进行设计,由TLC320AD50C进行A/D转换,由TMS320VC5402识别语音信号,然后和机器人通信,并由AT89S52控制 LCD
2010-07-27 17:36:56
25 神经网络是近年来信息科学、脑科学、神经心理学等诸多学科共同关注和研究的热点。由于其具有良好的抽象分类特性,现已应用于语音识别系统的研究和开发,并成为解决识别相关
2009-12-14 14:52:47
44 孤立词语音识别系统的DSP实现
0 引 言 在孤立词语音识别中,最为简单有效的方法是采用动态时间规整(Dynamic Time Warping,DTW)算法,该算法解决了发音长
2009-11-10 09:25:37
829 
语音识别威廉希尔官方网站
是语音处理领域的一个关键威廉希尔官方网站
。在研究了语音识别威廉希尔官方网站
原理的基础上,本文提出了一种基于ARM 处理器的孤立词语音识别系统的设计方案,包括系统硬件设计、软件
2009-09-03 10:52:49
77 系统采用凌阳SPCE061A 单片机作为语音识别系统的主控芯片。通过硬件电路设计和软件代码部分成功的设计并实现了一种具有语音识别功能、语音提示(语音合成)及语音回放(语音编
2009-05-26 10:54:08
45
评论