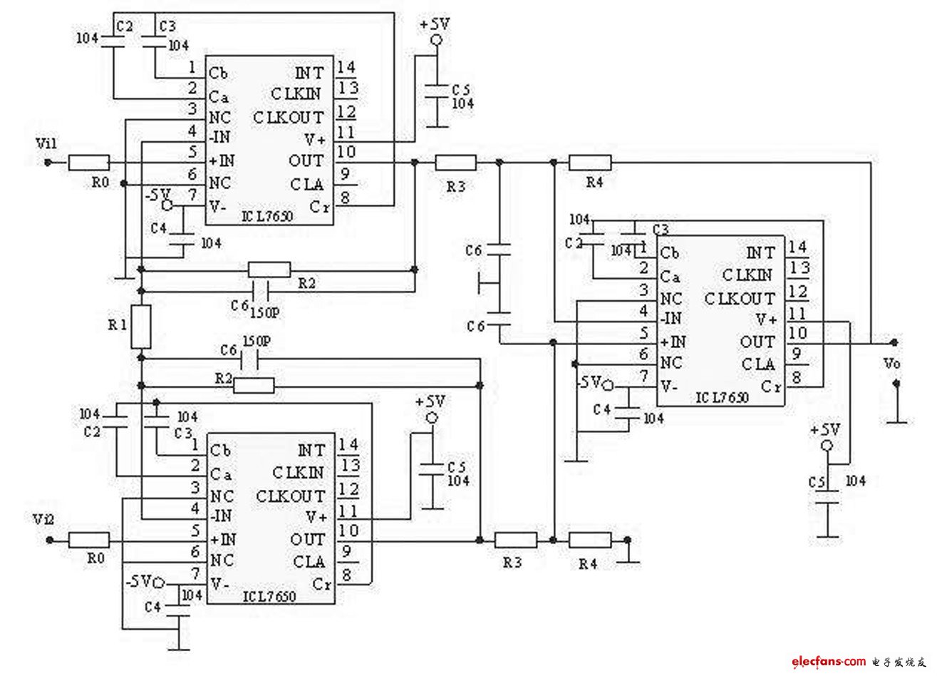
ICL7650构成的弱信号前置放大电路
- 前置放大电路(18804)
- ICL7650(17348)
- 弱信号(7519)
相关推荐
DWDM电路中的对数运算互阻抗前置放大器研究浅析
作为密集波分复用电路中使用的光功率计的开发的一部分,我们对一种对数运算互阻抗前置放大器进行了研究,将其性能与另一种开关增益互阻抗前置放大器进行了比较。利用MMICAD LAYOUT™软件以及LPKF C60 样品电路板雕刻机,我们制作了电路的样品。
2019-06-21 07:51:15
ICL7650/ICL7653 pdf datasheet
Maxim’s ICL7650/ICL7653 are chopper-stabilizedamplifiers, ideal for low-level signal processing
2008-08-27 22:27:22
86
86ICL7650和ICL7653斩波稳定放大器的数据手册免费下载
Maxim的ICL7650/ICL7653是斩波稳定放大器,是低电平信号处理应用的理想选择。这些器件具有高性能和多功能性,结合了低输入偏移电压、低输入偏压电流、宽带宽和随时间和温度的极低漂移。低偏移
2019-04-08 08:00:00
21
21icl7650中文资料
ICL7650 是Intersil 公司利用动态校零威廉希尔官方网站
和CMOS 工艺制作的斩波稳零式高精度运放,它具有输入偏置电流小、失调小、增益高、共模抑制能力强、响应快、漂移低、性能稳定及价
2008-08-27 22:34:36
1015
1015ICL7650S pdf datasheet (2MHz,
and is extremely stablewith respect to time and temperature. It is a directreplacement for the industry-standard ICL7650 offeringi
2009-01-07 15:02:34
31
31极弱电流信号检测电路中前置放大器模拟测试方案
极弱准直流电流信号测量威廉希尔官方网站
在精密仪器仪表研制过程中有着广泛地应用,其中前置放大器是核心,决定了系统的噪声水平和响应时间常数。在前置放大器的模拟研究中,通过建立电阻直接反馈法和“T”型电阻网络反馈法
2022-02-18 09:00:40
1610
1610ICL7650斩波稳零运算放大器
ICL7650 是 Intersil 公司利用动态校零威廉希尔官方网站
和
CMOS 工艺制作的斩波稳零式高精度运放, 它具有
输入偏置电流小 、失调小、增益高、共模抑制能力强 、
响应快 、漂移低、性能稳定及价格低廉等优点。
2022-07-08 16:35:10
25
25基于ICL7650程控微电流放大器设计
介绍了基于ICL 7650 程控微电流放大器的设计方法、工作原理以及电路工艺, 并给出了部分电路。该放大器具有量程编程可调、分辨率高、响应快、漂移低、体积小、稳定性好以及价格低
2011-05-17 17:19:38
227
227ICL7650斩波稳零运算放大器原理
ICL7650 是Intersil公司利用动态校零威廉希尔官方网站
和CMOS工艺制作的斩波稳零式高精度运放,它具有输入偏置电流小、失调小、增益高、共模抑制能力强、响应快、漂移低、性能稳定及价格低廉等优
2011-06-10 15:54:22
315
315基于PGA202的微弱信号检测电路前置放大电路设计
利用集成程控增益仪表放大器PGA202设计了微弱信号检测前置放大电路,设计了以电流电压转换器,仪表放大器和低通滤波器为主要结构的微弱信号检测前置放大电路。并利用微弱低频信号进行了测试,得到了理想的效果。
2016-09-14 14:20:30
11003
11003
音频前置放大电路性能优化设计
主要介绍了音频 前置放大电路 性能优化设计方法,推导出前置放大电路性能与相关参数之间的关系和实现其性能优化设计的方法,并给出了结论。
2011-06-10 15:50:30
380
380ICL7650S超级斩波稳定放大器的中文数据手册免费下载
ICL7650S超级斩波稳定放大器提供低输入偏移电压,在时间和温度方面非常稳定。它直接替代了行业标准ICL7650,提供了改进的输入偏移电压、降低的输入偏移电压温度系数、降低的输入偏移电流和更宽的共模电压范围。在电气特性部分,所有的改进都以粗体字突出。关键参数保证在整个商业温度范围内。
2019-05-22 08:00:00
38
38斩波稳零式高精度运放ICL7650的工作原理及应用电路分析
ICL7650是Intersil公司利用动态校零威廉希尔官方网站
和CMOS工艺制作的斩波稳零式高精度运放,它具有输入偏置电流小、失调小、增益高、共模抑制能力强、响应快、漂移低、性能稳定及价格低廉等优点。
2020-08-22 15:03:09
12106
12106
前置放大器怎么接?
前置放大器一般是连接纯后级功放的,前置放大器是放大电压,纯后级功放是放大电流,前置放大器是各种音源设备和功率放大器之间的链接设备,音源设备的输出信号电平都比较低,不能推动功率放大器正常工作,而前置放大器正是起到信号放大的作用。
2019-07-04 10:51:03
15649
15649
分享一个吉他前置放大器电路
该吉他前置放大器电路的基本功能是与任何标准电吉他集成,并将其低输入弦信号提升为合理的高前置放大信号,然后可以馈送到更大的功率放大器以获得所需的增强输出
2023-05-24 17:52:30
748
748
仪表放大器PGA202设计微弱信号检测前置放大电路
针对精准农业中对微弱信号检测的威廉希尔官方网站
需求,论文设计了以电流电压转换器,仪表放大器和低通滤波器为主要结构的微弱信号检测前置放大电路。结合微弱信号的特点讨论了电路中噪声的抑制和隔离,提出了电路元件的选择
2022-03-22 17:34:31
79
79微弱信号检测的前置放大电路设计
针对精准农业中对微弱信号检测的威廉希尔官方网站
需求,论文设计了以电流电压转换器,仪表放大器和低通滤波器为主要结构的微弱信号检测前置放大电路。结合微弱信号的特点讨论了电路
2010-01-20 11:46:52
577
577OPA2111构成的均衡立体声前置放大电路
运放OPA2111中的一个运放。因而左、右声道之间具有良好的匹配性(增益相差3dB,偏流相差0.5pA,漂移相差±0.5μV/℃),用于构成均衡立体声前置放大极为适当。由图可知,左、右声道电路完全相同,电路中的电容0.01μF、0.03μF和1μF均起改善音质的作用,半可变电容CT的调整
2019-01-03 17:36:01
1425
1425音频前置放大器电路图大全(八款音频前置放大器电路设计原理图详解)
本文主要介绍了音频前置放大器电路图大全(八款音频前置放大器电路设计原理图详解)。在设计电路一中,前置放大器的增益控制采用直流音量控制方式。前置放大器是由全差分运放和电阻构成的反相比例放大器,其增益由
2018-03-26 11:35:00
85895
85895
用于2.5mV信号的运算/前置放大器电路
这种特殊的运算放大器前置放大器电路非常灵敏,允许您将低至2.5 mV的信号提升至100 mV。它实际上源自旧的RIAA前置放大器概念。
2023-05-24 18:28:31
1670
1670
低噪声前置放大器电路的设计步骤
低噪声前置放大器电路的设计步骤
前置放大器在音频系统中的作用至关重要。本文首先讲解了在为家庭音响系统或PDA设计前置放大器时,工程师应如何恰当选取元件。
2009-12-26 14:32:29
4110
4110如何进行一个微弱信号检测的前置放大电路的设计
针对精准农业中对微弱信号检测的威廉希尔官方网站
需求,论文设计了以电流电压转换器,仪表放大器和低通滤波器为主要结构的微弱信号检测前置放大电路。结合微弱信号的特点讨论了电路中噪声的抑制和隔离,提出了电路元件的选择
2018-11-30 10:38:31
46
46集成前置放大电路安装与调试
放大器在电子电路中主要起电压或电流放大作用,在电子系统中对弱小信号检测与放大。本情境用分立元件设计制作一前置放大器。 集成运放选择通用型的单运放或双运放均可,注意运
2011-11-11 15:27:20
214
214通用前置放大器电路--Universal Preamplif
通用前置放大器电路--Universal Preamplifier
Most audio amplifie
2009-12-26 13:06:50
1388
1388
前置放大器可用于音频的麦克风
音频信号前置放大器(前置放大器)使用现代IC器件处理实际音频电路中的低电平信号。一般来说,前置放大器是输入信号电平为10 mV或更低的放大级。
2019-04-12 17:21:12
6228
6228
前置放大器扫描电路原理图讲解
该电路扫描所有前置放大器条目,以识别音频信号的位置,并且该条目保持选中状态。出现信号缺失迹象后,扫描将恢复。矩形信号发生器IC2c支持扫描动作。扫描仪的条目连接到前置放大器音量控制板的音频条目。
2023-07-23 10:46:20
203
203
一种低噪声前置放大电路方案
本文介绍了一种中、低频低噪声前置放大电路的设计方案。理论分析影响低噪声前置放大电路的因素; 采用抑制噪声和直流漂移电路减小噪声干扰; 并对设计电路进行测试和分析。测试表
2012-04-26 17:27:12
161
1616J1胆前置放大器,6J1 preamplifier
6J1胆前置放大器,6J1 preamplifier
关键字:前置放大器,电子管前置放大电路,前置放大器制作
2018-09-20 19:01:00
1808
1808基于BS170的吉他前置放大器电路
这种基于吉他前置放大器电路的FET可以很好地增强线轴吉他,并且可以通过长吉他线分配信号。这种基于吉他的FET前置放大器电路具有高输入阻抗和低输出阻抗。
2023-05-13 17:35:05
891
891
通过利用虚拟仪器威廉希尔官方网站 实现路前置放大器测量系统的设计
多路前置放大器用于将红外探测器输出的电流信号转换成电压信号,并对信号进行放大、滤波、求和,输出送至后续电路,对信号和干扰进行处理。 多路前置放大器的性能直接影响到后续处理的效果。 本研究开发了基于LabVIEW 平台的多路前置放大器的自动测量系统,可实现多路放大器威廉希尔官方网站
指标的全部自动测量或选项测量。
2020-08-05 08:30:53
2121
2121
基于CD4069的简单RIAA前置放大器电路图
简单的RIAA前置放大器电路只是为了表明我们有时可以改变一个元件的作用。可以使用这种类型的反相逻辑门CD4069来放大黑胶唱片转盘的读头信号。对于麦克风前置放大器也可以考虑同样的事情。
2023-08-25 15:33:23
214
214
前置放大器电路噪声分析
前置放大器在音频系统中的作用至关重要。本文首先讲解了在为家庭音响系统或PDA设计前置放大器时,工程师应如何恰当选取元件。随后,详尽分析了噪声的来源,为设计低噪声前置放
2012-10-24 14:53:57
2999
2999
电子发烧友App






















评论