一、差动放大器应用电路
经典的四电阻差动放大器似乎很简单,但其在电路中的性能不佳。从实际生产设计出发,讨论了分立式电阻、滤波、交流共模抑制和高噪声增益的不足之处。
大学里的电子学课程说明了理想运算放大器的应用,包括反相和同相放大器,然后将它们进行组合,构建差动放大器。图 1 所示的 经典四电阻差动放大器非常有用,教科书和讲座 40 多年来一直在介绍该器件。
	
其中,Ad 为差动放大器的增益, t 为电阻容差。因此,在单位增益和 1%电阻情况下,CMRR 等于 50 V/V(或约为 34 dB);在 0.1%电阻情况下,CMRR等于 500 V/V(或约为 54 dB)—— 甚至假定运算放大器为理想器件,具有无限的共模抑制能力。若运算放大器的共模抑制能力足够高,则总 CMRR 受限于电阻匹配。某些低成本 运算放大器具有 60 dB 至 70 dB 的最小 CMRR,使计算更为复杂。
二、运算放大器应用电路
OP4177器件是一款精密、低噪声、低输入偏置电流、四通道运算放大器,此篇主要介绍了OP4177特性、应用范围、参考设计电路以及电路分析,帮助大家缩短设计时间。
OP4177介绍:
OPx177系列由极高精度的单通道、双通道和四通道放大器组成,具有极低失调电压和漂移、低输入偏置电流、低噪声及低功耗等特性。使用1000pF以上容性负载时输出稳定,无需外部补偿。电源电压为30V时,每个放大器的电源电流小于500μA。内置500Ω串联电阻可保护输入,允许输入信号电平高出电源电压若干伏特,并保证无反相。
OP4177特点:
低失调电压:60 μV(最大值)
极低失调电压漂移:0.7 μV/°C(最大值)
低输入偏置电流:2 nA(最大值)
低噪声:8 nV/√Hz(典型值)
	
图2 OP4177典型应用电路
三、驱动放大器应用电路
ADA4870是一款单位增益稳定的高速电流反馈型放大器,使用40 V电源能够提供1 A输出电流和2500 V/μs压摆率。 ADA4870的创新架构采用ADI公司的专有高压超快速互补双极性(XFCB)工艺制造,可为需要驱动低阻抗负载的应用提供高输出功率、高速信号处理解决方案。此篇主要介绍了ADA4870特性、应用范围、参考设计电路以及电路分析,帮助大家缩短设计时间。
ADA4870特性:非常适于驱动高容性或高阻性负载、宽电源电压范围在 10 V至40 V、高输出驱动电流是 1A、宽输出电压摆幅: 采用40 V电源,摆幅为37 V;高压摆率: 2,500 V/μs;宽带宽: 52 MHz大信号带宽;70 MHz小信号带宽、低噪声: 2.1 nV/√Hz;静态电流: 32.5 mA;掉电模式: 0.75 mA;短路保护和标志、限流1.2 A、热保护。
	
	  ADA4870典型应用范围包括:包络跟踪、功率场效应晶体管驱动器、超声、压电驱动器、PIN二极管驱动器、波形产生、自动测试设备(ATE)、CCD面板驱动器、复合放大器
	
四、数字放大器应用电路
TAS5731 是一款 20W,高效,数字音频立体声功率放大器。此篇主要介绍了TAS5731特性、应用范围、参考设计电路以及电路分析,帮助大家缩短设计时间。
TAS5731特性:
此放大器用于驱动立体声桥接式扬声器。 一个串行数据输入可处理最多两个离散音频通道并能与大多数数字音频处理器和 MPEG 解码器无缝整合。 此器件可接受宽范围的输入数据和数据传输速率。 一个完全可编程数据路径将这些通道路由至内部扬声器驱动器。
2 通道 I2S 输入;8kHz 至 48kHz fS
20W 立体声,8Ω / 18V(总谐波失真 (THD) + N = 10%)
优势
直接连接至数字处理器
来自标准电源的高输出功率
无需散热器
高级处理改善了音频体验
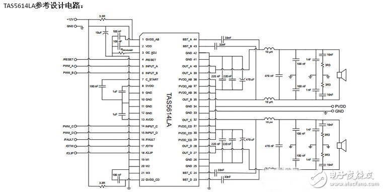
TAS5731参考设计电路:
	
五、功率放大器应用电路
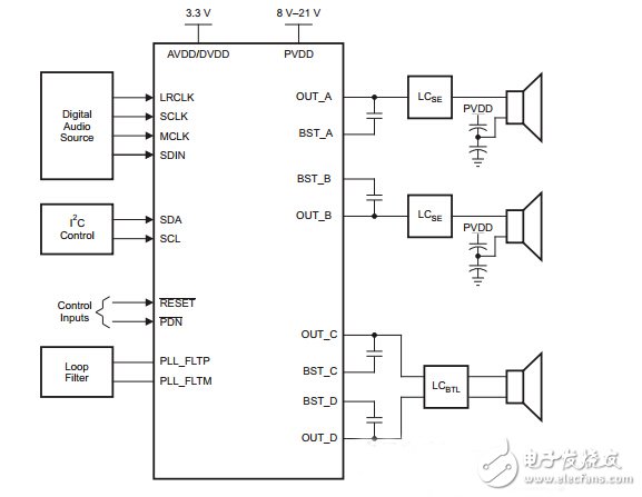
TAS5614LA是一款基于 TAS5614LA 的功能优化 D 类功率放大器。此篇主要介绍了TAS5614LA特性、应用范围、参考设计电路以及电路分析,帮助大家缩短设计时间。
	
TAS5614LA特性:
TAS5614LA 使用大型金属氧化物半导体场效应晶体管 (MOSFET) 提升功率效率,并采用新型栅极驱动方案降低空闲状态下和输出信号较低时的损耗,从而减小散热器尺寸。
该器件可使用独特的预钳位输出信号来控制 G 类电源。 这一优势与 TAS5614LA 的低空闲损耗和高功率效率相结合,可实现行业领先水平的效率,从而确保构建超级“绿色”系统。
TAS5614LA 使用恒定电压增益。 内部匹配增益电阻器确保了一个高电源抑制比,使得输出电压只取决于音频输入电压并避免了任何电源的人工缺陷。
六、差分放大器应用电路
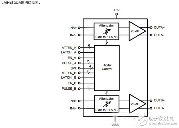
	  LMH6521是包含两个高性能,数字控制可变增益放大器(DVGA)。此篇主要介绍了LMH6521特性、应用范围、参考设计电路以及电路分析,帮助大家缩短设计时间。
	
	
LMH6521特性:
LMH6521的两个通道都包含有一个独立的、线性度高的差分放大器,除此之外每个通道还可配置为高速掉电模式。每一块都被优化,用于低失真的系统设计。
	  编辑点评:本文介绍了部分放大器的电路设计图,这些放大器的使用都非常广泛。为了获得稳定且值得投入生产的设计,应仔细考虑噪声增益、输入电压范围、阻抗比和失调电压规格。
	电子发烧友《汽车电子特刊》,更多优质内容,马上下载阅览
	
                        电子发烧友App
                    
                
                
                    
                
                





































































           
            
            
                
            
评论