固态继电器(Solid State Relay,简称SSR),是一种全部由固态电子元件组成的新型无触点开关器件。与机电继电器相比用途相同,但由于没有移动部件,故称为“固态”。
2023-07-04 09:17:36
475 SSR 或固态继电器是高功率电气开关,无需机械触点即可工作,而是使用 MOSFET 等固态半导体来切换电气负载。
2023-06-03 15:44:11
1329 
固态继电器作为电子开关,其通断无机械接触部件,较普通电磁继电器工作可靠、开关速度快、无噪声与火化,加上控制电流
小,能与一般的CMOS电路兼容。
因此,在日常的电子制作与电子产品的开发中,多用
2023-04-27 10:43:31
1 固态继电器和电磁继电器模块 固态继电器的特点 直流固态继电器和交流固态继电器 电磁继电器的特点 直流固态继电器模块、交流固态继电器模块和电磁继电器模块测试比较 固态继电器与电磁继电器的比较 原文链接
2023-04-26 10:47:09
8 固态继电器 固态继电器是一种全电子电路组合元件,它依靠半导体器件和电子元件的电磁和光学特性来完成其隔离和继电器开关功能。与传统的电磁继电器相比,固态继电器是一种没有机械和运动部件的继电器,但具有
2023-04-21 11:28:50
4 固态继电器控制电路 固态继电器(SSR)的种类和型号很多,因此其输入控制方法和控制电路也相应众多。固态继电器(SSR)的共同特点在于驱动电流或驱动电压小,即只需输入一个小信号即可控制SSR的开关
2023-04-21 11:06:29
0 电磁继电器和固态继电器的区别 继电器是一种电控制开关器件,其本质是利用小电流去控制大电流的一种“自动开关”,或者说利用弱电去控制强电的一种控制方式。继电器可分为传统的电磁继电器和固态继电器。 电磁
2023-04-21 10:37:07
1 固态继电器(SSR)是一种集成的非接触式电子开关设备,由集成电路和分立组件紧密组装而成。
2023-03-28 14:31:20
519 本文介绍了电继电器和固态继电器的区别
2023-03-27 14:12:55
479 固态继电器即在正常工作的时候,在其内部芯片上存在一定的功率损耗,这个损耗功率主要由固态继电器输出电压降与负载电流乘积决定,以发热的形式消耗掉。因此散热的好坏直接影响到固态继电器工作的可靠性,优良的热学设计可避免由于散热不良造成的失败和损坏。
2023-03-18 15:51:45
2717 固态继电器是SSR的简称,是由微电子电路、分立电子器件和电力电子功率器件组成的非接触式开关。隔离装置用于实现控制端子与负载终端之间的隔离。固态继电器的输入端使用微小的控制信号直接驱动大电流负载。本文介绍了如何维护继电器
2023-02-23 17:10:32
493 固态继电器是一种全电子电路组合元件,它依靠半导体器件和电子元件的电磁和光学特性来完成其隔离和继电器开关功能。与传统的电磁继电器相比,固态继电器是一种没有机械和运动部件的继电器,但具有与电磁继电器基本相同的功能。
2023-02-21 16:33:58
1761 固态继电器的现代设计思维
2022-11-02 08:16:20
2 固态继电器(简称SSR),是一种全部由固态电子元件组成的新型无触点开关器件,它利用电子元件(如开关三极管、双向可控硅等半导体器件)的开关特性,可达到无触点无火花地接通和断开电路的目的,因此又被称为“无触点开关”。
2022-09-22 09:40:51
10573 这是固态继电器的电路图。实际上,它毕竟不是中继。没有找到“继电器”,只有进行开关的电子电路。它的工作方式与继电器类似;可以用低电压来切换比普通继电器更高或更好的电压。这个“继电器”放置在其中一根 115/220V 交流电线之间,即使通常做法是让中性线保持原样并切换相线或热线。
2022-07-10 11:02:43
5505 
寻找元器件SSR固态继电器在proteus的指令
2011-05-18 22:36:32
固态继电器(Solid State Relay,缩写SSR),是由微电子电路,分立电子器件,电力电子功率器件组成的无触点开关。用隔离器件实现了控制端与负载端的隔离。固态继电器的输入端用微小的控制信号
2021-08-11 18:17:31
6370 负载才调(首要技能方针有额外输入电压、输入电流、额外输出电压、输出电流、浪涌电流、输出导通压降、输出漏电流、作业频率)。选用的固态继电器应有必定的功率余量,其输出电压和输出电流应高于受控电路电源电压与电流的1倍。若受控电路为电理性负载,则固态继电器的输出电压和输出
2021-01-12 09:48:02
3148 本文主要阐述了固态继电器的图形符号及分析了固态继电器是否可以并联。
2020-03-19 14:10:25
19382 
本文首先阐述了固态继电器的分类,其次介绍了固态继电器的优缺点,最后介绍了固态继电器实物接线图。
2020-03-19 13:50:38
43528 固态继电器的输入电路是为输入控制信号提供一个回路,使之成为固态继电器的触发信号源。固态继电器的输入电路多为直流输入,个别的为交流输入。直流输入电路又分为阻性输入和恒流输入。阻性输入电路的输入控制电流
2020-03-18 15:10:00
3363 具有短路保护,过载保护和过热保护功能的固态继电器被广泛应用在电子计算机外围设备,电炉加温控制,恒温系统以及各种防腐蚀场合当中。同时,由于其应用范围不同,外形和功能上的差异,很多朋友在选购固态继电器时都会为如何选型而发愁,接下来就介绍下固态继电器在选型时常见的注意事项。
2019-10-31 10:32:04
6468 本文首先阐述了一些固态继电器常用型号,其次介绍了固态继电器型号含义,最后介绍了固态继电器型号规格的选择。
2019-10-31 09:59:47
17807 固态继电器简称SSR,是一种新型电子继电器,它采用电子电路实现继电器的功能,依靠光电耦合器实现控制电路与被控电路之间的隔离。固态继电器分为直流和交流两大类。
2019-10-31 09:51:05
20519 
本文主要介绍了固态继电器的主要问题以及固态继电器的保养方法。
2019-08-12 17:19:12
2395 本文主要介绍了固态继电器的用途以及固态继电器的应用实例。
2019-08-12 17:08:03
6691 本文首先介绍了固态继电器是什么,然后分析了固态继电器原理最后说明了固态继电器的特点。
2019-08-12 16:44:13
5117 当加在固态继电器交流两端的电压峰值超过交流固态继电器所能承受的最高电压峰值时,固态继电器内的元件便会被电压击穿而造成交流固态继电器损坏,选取合适的电压等级和并联压敏电阻可以较好地保护交流固态继电器。
2019-06-24 11:55:12
3956 
根据VDC数据,固态继电器(SSR)目前在全球继电器市场中占有10%的份额。从市场份额来看,尽管机电继电器仍处于整个继电器市场的主导地位,昆二晶固态继电器具有寿命长、响应快、可靠性高
2018-08-10 15:00:10
490 固态继电器的输入电路是为输入控制信号提供一个回路,使之成为固态继电器的触发信号源。固态继电器的输入电路多为直流输入,个别的为交流输入。直流输入电路又分为阻性输入和恒流输入。阻性输入电路的输入控制电流
2018-02-24 14:25:45
14721 固态继电器是一种全电子电路组合的元件,它依靠半导体器件和电子元件的电磁和光特性来完成其隔离和继电切换功能。固态继电器与传统的电磁继电器相比,是一种没有机械,不含运动零部件的继电器,但具有与电磁继电器本质上相同的功能。
2018-01-26 17:03:19
61579 尽管市场上固态继电器型号规格繁多,但固态继电器工作原理基本上是相似的。主要由输入(控制)电路,驱动电路和输出(负载)电路三部分组成。下面通过两个固态继电器工作原理图来说明固态继电器工作原理。
2017-12-07 15:16:42
144429 
电子超导型固态继电器工作原理与普通继电器工作原理的异同
2016-07-12 18:32:53
17 本文对固态继电器的工作原理做了基本介绍,在应用中并对固态继电器的选型做些推介
2016-01-05 16:23:03
3 固态继电器电路!资料来源网络,如有侵权,敬请原谅!
2015-11-13 16:22:54
39 2014-06-02 10:41:12
43 固态继电器(亦称固体继电器)英文名称为Solid State Relay,简称SSR。它是用半导体器件代替传统电接点作为切换装置的具有继电器特性的无触点开关器件
2012-05-04 16:43:47
22231 阐述了固态继电器的原理、结构、特点及交流直流固态继电器的适用范围,并针对交流固态继电器,提出了根据它的几个关键参数来合理选择固态继电器的方法、应用电路在设计上需要
2012-03-13 09:51:25
6541 
阐述了固态继电器的原理、结构、特点及交流直流固态继电器的适用范围,并针对交流固态继电器,提出了根据它的几个关键参数来合理选择固态继电器的方法、应用电路在设计上需要
2011-05-10 17:31:22
96 固态继电器介绍及工作原理
1.什么是固态继电器,有什么优缺点?固态继电器(亦称固体继电器)英文名称为Solid State Relay,简称SSR。它是用半导体器件代替传统
2010-05-24 09:43:00
3825 
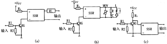
固态继电器典型应用电路
1.基本电路(1)基本连接电路固态继电器的基本连接电路如图7-36 所示。其中图7-36 (a) 所示为一般应用电路,在输入端接控制信号,
2010-03-29 14:16:26
222 固态继电器应用电路图大全
■应用电路图1. 与传感器的连接SSR可直接连接接近开关、光电开关等传感器。
2010-03-02 16:32:06
11758 固态·继电器(SSR)的定义/原理
●SSR和有接点继电器的不同所谓SSR, 是固态继电器(Solid State Relay) 的简称, 是无可动接点部分的继电器
2010-03-02 16:15:50
1729 SSR/固态继电器常见问题总汇
Q:固态继电器是什么?
A: 固态继电器是用分离的电子元器件、集成电路
2010-03-02 10:14:39
3454 固态继电器的缺点,固态继电器的优点
固态继电器的缺点
(1)导通后的管压降大,可控硅或双相
2010-03-01 17:53:12
2075 交流固态继电器,交流固态继电器的使用
电子 元 器 件的可靠性应由两部分组成,一是元器件的固有可靠性;二是元器件
2010-03-01 17:49:44
3944 固态继电器的基本工作原理是什么?
摘要:结合大唐乌沙山发电厂电动执行器中采用的固态继电器的使用情况,介绍了交流固态继电器
2010-03-01 17:47:38
10739 S/HS固态继电器,S/HS固态继电器原理及应用
交流固态继电器SSR(Solid state releys)是一种无触点通断电子开关,为四端有源器件。其中两个端子为输入控制端,另外两
2010-03-01 17:36:09
933 固态继电器,固态继电器电路
一、概述
固态继电器(SSR)与机电继电器相比,是一种没有机械运动,不
2010-03-01 17:33:30
2431 固态继电器电路的过压保护-压敏电阻及其应用
该装置的应用电路如图7所示。当固态继电器SSR用于驱动感性负载时,在电源接通与
2009-12-29 16:27:48
3349 
固态继电器工作原理电路
固态继电器是半导体器件的组合装置。它具有无触点,寿命长,可靠性高,使用安全,电磁干扰小等优点。 它分为
2009-12-11 11:49:40
2816 固态继电器基本概念 一、概述
固态继电器(SSR)与机电继电器相比,是一种没有机械运动,不含运动零件的继电器,但它
2009-12-11 10:51:24
718 OPTO 22固态继电器概述1974 年,OPTO 22 生产出第一个环氧树脂封装的电源固态继电器(SSR) ,而就是这个在固态继电器领域革新性的设计发明大大提高了固态继电器的
2009-11-28 11:40:46
38 elecfans.com-固态继电器.pdf
2009-11-23 15:57:52
28 固态继电器电路Ⅰ
合格对黑暗敏感的
2009-10-06 11:31:53
2216 
固态继电器电路
R1限制输入电流,Q1起到保护IC1的作用,D1为极性
2009-10-06 11:27:10
1573 
自制固态继电器电路图
2009-09-04 16:55:20
3685 
自制固态继电器
2009-09-04 16:53:16
2501 
固态继电器的修理
固态
2009-08-22 15:38:52
1780 固态继电器简介
一、概述
固态继电器(SSR)与机电继电器相比,是一种没有机械运动,不含运动零件的继电器,但它具有与机电继电器本质上相同的功能。SSR是一
2009-07-25 11:27:59
631 固态继电器简介
一、概述
固态继电器(SSR)与机电继电器相比,是一种没有机械运动,不含运动零件的继电
2009-07-16 22:46:13
654
参数固态继电器调光台灯电路图
2009-06-13 16:58:24
1455 
固态继电器的应用电路 1、基本单元电路 如图5a所示为稳定的阻性负载,为了防止输入电压超过额定值,需设置一限流电
2009-04-26 13:32:33
3336 
固态继电器简介
一、概述
固态继电器(SSR)与机电继电器相
2009-04-26 11:43:25
1088 固态继电器的结构原理图
固态继电器(SOLIDSTATE RELAYS),简写成“SSR”,是一种全
2009-03-25 09:43:36
6481 
固态继电器的定义:
固态继电器(SOLIDSTATE RELAYS),简写成“SSR”,是一种全部由固态电子元件组成的新型无触点开关器件,它利用电子元件(如开关三极管
2009-03-25 09:38:12
14393 
阐述了固态继电器的原理、结构、特点及交流直流固态继电器的适用范围,并针对交流固态继电器,提出了根据它的几个关键参数来合理选择固态继电器的方法、应用电路在设计
2009-03-09 17:59:26
39
固态继电器输出驱动电路 图 4. 9 固态继电器的结构及用法
2009-01-14 12:03:07
2309 
采用参数固态继电器的家用逆变电源电路
2008-10-23 21:25:09
678 
简单的固态继电器电路图:是半导体器件的组合装置,它具有无触点,寿命长,可靠性高,使用安全,电磁干扰小等优点,下图是固态继电器的一种电路。
2007-12-18 22:22:46
3246 固态继电器电路图:此电路是半导体器件的组合装置。它具有无触点,寿命长,可靠性高,使用安全,电磁干扰小等优点,如图是一种固态继电器的一种电路。
2007-12-18 22:17:34
3202 
一、概述 固态继电器(SSR)与机电继电器相比,是一种没有机械运动,不含运动零件的继电器,但它具有
2006-04-16 22:38:25
447
评论