电子发烧友网站提供《Wi-Fi/蓝牙/802.15.4 M.2键E引脚排列定义.pdf》资料免费下载
2023-08-16 17:27:02
0 电子发烧友网为你提供Maxim(Maxim)MAX9030AXT-T相关产品参数、数据手册,更有MAX9030AXT-T的引脚图、接线图、封装手册、中文资料、英文资料,MAX9030AXT-T真值表,MAX9030AXT-T管脚等资料,希望可以帮助到广大的电子工程师们。
2022-11-24 19:20:27

 现货供应电源芯片OB2222MCPA,提供电源芯片OB2222代换芯片、ob2222应用电路图、ob2222引脚功能及ob2222规格书,更多产品详细参数、规格书及相关资料请骊微电子申请。>> 
2022-11-15 14:16:36
共阳级7(七)段数码管管脚接口引脚定义图 
2009-03-14 13:43:19
本文首先介绍了74ls595和74hc595区别,其次阐述了74ls595的工作原理、引脚图及功能、逻辑功能、电路图,最后介绍了74ls595引脚图及功能、应用电路图,具体的跟随小编一起来了解一下。
2018-05-29 14:49:38
40596 
本文主要介绍了ir2110中文资料详解_引脚图排列封装及功能_工作原理_内部结构及典型应用电路,IR2110内部功能由三部分组成:逻辑输入;电平平移及输出保护。具有独立的低端和高端输入通道,悬浮电源采用自举电路,工作频率高,开通、关断延迟小等特点。
2017-12-21 15:05:21
172311 
本文以lm2596中心,对lm2596的内部图框原理、引脚图功能、特性参数及应用电路进行了详细的介绍。
2017-12-14 18:21:42
314084 
介绍了部分常用的电子元器件管脚排列
2017-12-01 15:03:10
8 cPCI9030参考设计原理图
2016-12-17 21:49:19
51 lm324引脚图 管脚图 lm324应用电路
2016-10-21 14:04:00
367050 
本文介绍stm32f103系列芯片引脚功能定义如STM32F103C8T6,STM32F103RCT6等引脚图各个管脚的功能与使用。
2016-08-03 17:03:56
253232 
介绍了关于LPC2378的管脚排列图,掌握每个引脚的模块及功能!
2016-04-25 13:54:55
25 本文是ZH9576的功能电路及引脚管脚定义图
2011-03-20 16:46:55
2474 
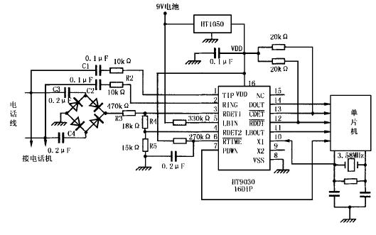
主叫号码识别接收器HT9030及其应用
1. 概述  主叫号码显示业务(简称CID业务)是向被叫电话用户提供的一种新
2010-04-20 16:09:31
1355 
HT6221 发码的接收文件编码:HA0040s简介:HT6221 的应用电路图如下:HT6221 是Holtek 公司生产的多功能编码芯片,采用PPM(Pulse Position Modulation)进行编码,1.12ms为0,2.24ms 为1
2010-04-08 08:13:08
85 IR2110的引脚排列和内部功能框图原理图
2010-02-18 11:22:43
5902 
HT47C20应用电路
2009-12-13 13:52:38
12 
AD605的管脚定义及引脚排列图
AD605是一种低噪声、双通道、以dB呈线性的可变增益放大器,它适用于高性能、宽波段可变增益放大器控制的
2009-12-08 10:07:32
3026 LTC1145图管脚配置与基本应用电路
2009-11-14 16:35:32
852 
语音合成芯片HY-20A应用电路及引脚排列图
①HY一20A是单片COMS大规模集成电路,内含EEPROM存储器,录放时间为20s。 
2009-09-28 11:26:06
1832 
LPC2378管脚排列图
2009-09-26 10:38:58
89 
电子管管脚排列图
2009-08-03 17:38:55
9131 
TA8759BN管脚功能定义图
TA8759BN是彩色电视机中常用的色解码集成电路电路,这里介绍一下它的引脚图以及TA8759BN管脚功能,维修彩电时候您还可以参
2009-07-13 12:08:20
2905 HT9030与单片机接口电路
2009-07-13 00:38:37
843 
HT9030 是HOL TEK 公司研制的主叫号码识别接收器。它能自动检测铃流信号, 完成对BELL 202 FSK 信号的解调,并以数据信号的形式输出。本文系统全面地介绍它的功能特点、内部结构、
2009-07-13 00:31:45
36 
AD694电路功能和管脚图
2009-06-27 15:41:30
4028 
HT82M98/HT82M98A应用电路
2009-06-22 18:16:16
2500 
AD22105电路功能和管脚图
2009-06-22 10:10:29
2316 
调光专用芯片HT7713性能及应用电路图
2009-06-13 17:02:32
1341 
HT7706内部结构及应用电路图
2009-06-13 16:55:21
1375 
AT89S51引脚图,AT89S51单片机引脚说明及管脚定义
 
2009-04-29 22:07:53
50401 
摘要: HT9030 是HOL TEK 公司研制的主叫号码识别接收器。它能自动检测铃流信号, 完成对BELL 202 FSK 信号的解调,并以数据信号的形式输出。本文系统全面地介绍它的功能特点、内部结构
2009-04-21 02:01:13
22 TDA8568/TDA8568Q引脚功能管脚定义图
2009-04-13 10:26:03
6960 
usb B型接口/引脚管脚定义图
2009-04-12 10:53:34
25397 usb a型接口/引脚管脚定义图
2009-04-12 10:52:06
26775 74LS19/74HC19/7419引脚功能管脚定义图 
2009-04-10 15:18:17
6701 
74LS18/74HC18/7418引脚功能管脚定义图 -双四输入与非门
2009-04-10 15:17:31
7878 
74LS17/74HC17/7417引脚功能管脚定义图 -六反相缓冲器/驱动器
2009-04-10 15:16:06
2863 
74LS16/74HC16/7416引脚功能管脚定义图 -六反相缓冲器/驱动器
2009-04-10 15:14:52
4698 
74C15/74HC15/7415引脚功能管脚定义图
2009-04-10 15:13:10
4594 
74C14/74HC14/7414引脚功能管脚定义图 -六反相器(施密特触发器)
2009-04-10 15:11:53
16383 
74LS13/74HC13/7413引脚功能管脚定义图 -双4输入与非门(施密特触发器)
2009-04-10 15:10:48
8135 
74LS12/74HC12/7412引脚功能管脚定义图
2009-04-10 15:08:26
6963 
74HC11/7411/74S11引脚功能管脚定义图
2009-04-10 15:07:10
14756 
74HC10/7410/74S10引脚功能管脚定义图 -三3输入与非门电路
2009-04-10 15:05:40
23559 
74HC08/7408引脚功能管脚定义图 -六反相缓冲器/驱动器
2009-04-10 15:02:31
30717 
74HC07/7407引脚功能管脚定义图 -六反相缓冲器/驱动器
2009-04-10 15:00:41
30004 
74HC06引脚功能管脚定义图
2009-04-10 14:59:17
11247 
74LS05/74HC05/7405引脚功能管脚定义图
2009-04-10 14:56:59
9737 
74HC02/7402引脚功能管脚定义图 
2009-04-10 14:54:38
29723 
74HC04/7404引脚功能管脚定义图
2009-04-10 14:52:52
60619 
74LS03/74HC03/7403引脚功能管脚定义图
2009-04-10 14:51:27
7073 
74HC00/7400引脚功能管脚定义图
2009-04-10 14:49:46
33982 
74LS01 74HC01 7401引脚功能管脚定义图
2009-04-10 14:48:23
7832 
tl431引脚功能管脚定义图
tl431封装管脚对应图
2009-04-10 08:32:06
31591 
主板上VT602芯片的引脚功能及管脚定义图
2009-04-08 22:47:39
2179 MC1488引脚管脚电路图
2009-04-05 09:22:54
3153 常用集成电路型号及管脚引脚功能排列图 
 
74LS00 74LS04 
2009-03-30 15:56:02
17360 
74HC244的引脚功能及管脚定义
74HC244芯片的功能  
如果输入的数据可以保持比较长的时间(比如键盘),简单输入接口扩展通常使用的典型芯片为
2009-03-18 15:34:04
15827 
8255A引脚功能及管脚定义图
8255共有40个引脚,采用双列直插式封装,各引脚功能如下: 
D0--D7:三态双向数据线,与单片机数据总线连接,用来传送数据信息。CS:片选信号
2009-03-14 15:48:07
22617 
静态RAM--6116 引脚功能及管脚定义图
6116是2K*8位静态随机存储器芯片,采用CMOS工艺制造,单一+5V供电,额定功耗160mW,典型存取时间200ns,24线双列
2009-03-14 15:42:04
37508 
EPROM--27256引脚图及管脚定义图
27256是32K*8字节的紫外线镲除、电可编程只读存储器,单一+5V供电,工作电流为100mA,维持电流为40mA,读出时间最大为250nS,28脚双列直插式封装
2009-03-14 15:40:40
15941 
EPROM--2764引脚定义管脚图
2764是8K*8字节的紫外线镲除、电可编程只读存储器,单一+5V供电,工作
2009-03-14 15:39:49
24845 
VGA电缆终端配有一个15引脚插头,图8和表2给出了VGA信号的引脚排列。红、绿、蓝、行和场同步引脚的信号电平均为0.7VP-P。这些视频信号引脚的终端匹配电阻均为75
2009-01-22 14:58:32
4867 
7812管脚图引脚图
7812主要用途:适用于各种电源稳压电路。
2008-11-08 10:13:43
30130 
7809管脚图引脚图
2008-11-08 09:47:40
48599 
370cpu引脚管脚针脚定义图
2008-10-26 13:48:07
5089 
ht9170应用电路
这里提供:
2008-10-14 16:48:04
3171 
LM399应用电路及管脚图参数资料
2008-09-20 15:18:17
10312 
at89c52引脚图及管脚功能
2008-06-17 09:52:30
78811 
cd40193管脚功能引脚图
2008-06-17 09:39:29
21295 
ad9850管脚图引脚图,其封装是28 引脚的SSO P 表面封装, 引脚排列见图。
2008-04-10 13:00:49
2988 
775座的管脚定义图
2008-01-31 13:00:28
43 ide管脚定义图
IDE 电缆外观为:  
2008-01-31 12:45:40
1154 EPROM系列27c020管脚引脚定义图
27c020 EPROM系列: 
2008-01-28 09:25:35
2586 
BIOS芯片管脚引脚定义图:芯片的封装形式有DIP、PLCC、TSOP,SSOP,SO等。但请注意,只是封装不同而已,对于同一种型号的芯片,不论是什么封装形式,其管脚的功能
2008-01-28 09:22:50
13962 
串口管脚定义图:
下面是详细介绍:
  9针串行口的针脚功能: 
2008-01-24 16:22:10
4769 7912管脚图,引脚图
2008-01-23 13:18:47
34396 
lm1875引脚图管脚图
典型应用电路图
2008-01-14 23:51:45
12327 
ad827aq引脚图管脚图电路图
ad827aq电路图
2008-01-13 18:32:34
10253 
89c51引脚图管脚图
引脚功能说明
2008-01-08 19:38:53
49887 80c51引脚图管脚图及各引脚功能介绍
  
Vss(20脚):接地
2008-01-07 11:14:47
28003 
CD4518为二/十进制同步加计数器
cd4518管脚图引脚图及功能表
2007-12-19 10:51:01
60088 
DDR内存条引脚定义图 管脚定义图
DDR2 SDRAM DIMM 240 pinDDR: Double Data RateDIMM: Dual Inline Memory ModuleSDRAM: Synchronous Dynamic Random Access Memory, Sync
2007-12-15 21:55:20
25866 LM2574引脚定义功能图
2007-12-03 22:20:41
8448 
cc4011引脚排列图及管脚图:四输入与非门
   电源电压V
2007-11-29 22:45:57
13213 
常用集成电路引脚排列图:包括了,555定时器和TTL数字集成电路引脚排列图,74系列集成电路引脚排列图,CMOS集成电路引脚排列图等.
2007-11-22 13:06:39
5960 
AGP总线引脚定义排列图
AGP 是 Accelerated Graphics Port,是 Intel 推出的一种 3D 图形标准接口,它能够提供四倍于 PCI 的效率,AGP2X 的传输速率达到 533MB。有关 A
2007-11-21 12:57:47
2430 串口引脚定义pc电脑串行口的典型是RS-232C及其兼容接口,串口引脚有9针和25针两类。而一般的个人电脑中使用的都是9针的接口,25针串行口具有20mA电流环接口功能,用9、1
2007-11-19 17:11:30
8630 74ls373引脚图排列图
2007-11-18 23:04:47
9006 
8050管脚排列图
2007-11-18 23:00:15
7721 
9014管脚排列
2007-11-18 22:57:02
3086 
 
                     
                
评论