首先介绍下555的内部电路电路结构,如下,其中,三极管起控制作用,A1为反向比较器,A2为同向比较器,比较器的基准电压由电源电压+Vcc及内部电阻的分压比决定。RS触发器具有复位控制功能,可控制三极管的导通与截止。

555内部电路
》》》》触摸开关电路

555组成单稳态触发器可以用作触摸开关,电路如下,其中M为触摸金属片或者导线,无触发脉冲输入时,555的输出V0为“0”,发光二极管D不亮。当用手触摸金属片M时。相当于端口2输入一个负脉冲,555的内部比较器A2翻转,使输出V0变为高电平“1”,发光二极管亮,直至电容C上的电压充到Vc=2Vcc/3为止。二极管亮的时间Tp=1.1RC=1.1s。下图中电路可用于触摸报警,触摸报时,触摸控制等,电路输出信号的高低电平与数字逻辑电平兼容。图中,C1为高频滤波电容,以保持2Vcc/3的基准电压稳定,一般取0.01uF, C2用来滤波电源电流跳变引入的高频干扰,一般取0.01uF ~0.1uF.
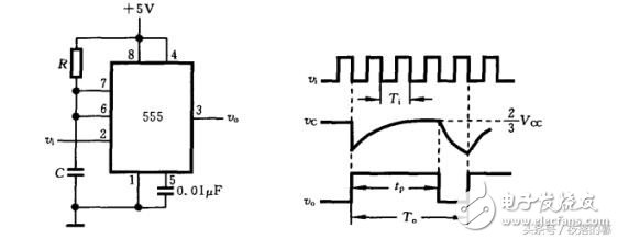
》》》》分频电路

由555组成的单稳态触发器可以构成分屏系数很大的分频电路,如下图,设输入信号Vi 为一列脉冲串,第一个负脉冲触发2端后,输出V0变为高电平,电容C开始充电,如果RC》》Ti ,由于Vc 未达到2Vcc/3, V0将一直保持为高电平,T截止。这段时间内,输入负脉冲不起作用。当Vc 达到2Vcc/3时,输出V0很快变为低电平,下一个负脉冲来到,输出又跳为高电平,电容C开始充电,如此周而复始。
输出脉冲延迟时间tp=1.1RC 输出脉冲周期T0=NTi
分频系数N主要由延迟时间tp决定,由于RC时间常数可以取得很大,故可获得很大的分频系数。
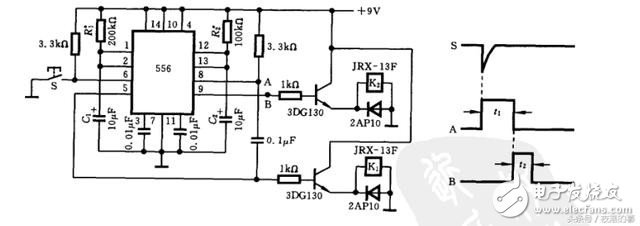
》》》》两级定时器

如下是由一片556(双555)组成的两级定时器电路,第一级定时器被开关S触发时产生延迟脉冲A驱动继电器K1, A的延迟时间 t1 = ~1.1 R1xC 1
A 脉冲结束时产生的负跳变又触发第二级定时器,产生延时脉冲B,驱动继电器K2 ,B 的延迟时间 t2= ~ 1.1R2xC2
这样,每触发一次开关S,可自动完成继电器K1和K2的启动与复位,因此该电路可以实现时序操作及控制。
电子发烧友App



















































评论