电子电路朝数字化、集成化方向发展,因此设计出数字化全集成电路的多路抢答器是现代电子威廉希尔官方网站
发展的要求0 笔者按照这一要求,并根据74LS373八路锁存器的功能特点,用74LS373和其它几块常用的)#12 系列
2008-12-01 21:13:16
摘要:本文介绍了一种基于模拟电路的八路抢答器设计,该设计采用555定时器、CD4017分频器等模块,实现了八个抢答器的并行控制和计时,为多人答题比赛提供了方便和高效性。本文详细介绍了抢答器电路的设计思路、原理和实现方法,同时对电路进行了仿真和测试,验证了电路的可靠性和稳定性。
2023-06-06 15:41:20
912 
八路抢答器源码
2022-10-14 16:32:34
57 课设参考学习。数电设计8路抢答器,基于最基础的数字电路设计,非可编程器件设计。
2022-03-03 09:46:36
12 数字电路课程设计四路/八路/十六路智力竞赛抢答器电路multisim仿真源文件
2022-02-18 15:45:06
272 基于单片机四路抢答器控制系统设计(抢答时间可调)-毕设课设
2021-11-12 18:06:00
48 内容简介:毕业设计 基于51单片机四路抢答器设计 共25页,9905字随着经济水平的不断提高,人们在物质文明得到满足的同时更注重精神文明的追求,各种娱乐节目不断涌现,提高节目的质量尤为重要。。本次
2021-11-05 10:21:04
62 基于51单片机为核心控制元件,设计一个简易的抢答器。该四路抢答器由发光二极管、数码管、蜂鸣器等构成。利用了51单片机的按键复位电路、时钟电路、定时/中断等电路,设计的抢答器具有实时显示抢答选手的号码
2021-11-04 21:06:03
21 ,往往因长期存放使(电子器件的)抢答器损坏,再购置的麻烦和及时性就会影响活动的开展,因此设计了本抢答器。 本设计是以四路抢答为基本理念。考虑到依需设定限时回答的功能,利用AT49C51单片机及外围接口实现的抢答系统,利
2021-06-01 10:08:05
16088 
纯数字电路做的八路抢答器
2020-10-10 09:12:37
6108 本文档的主要内容详细介绍的是8路抢答器电路,自己做的,共同学习!!
2019-06-14 08:00:00
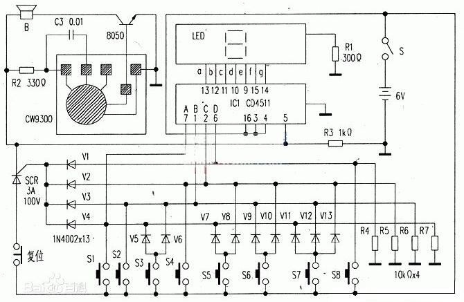
17 用组合逻辑器件CD4511构成四路抢答器。CD4511实现优先抢答的锁存、译码输出驱动LED数码管显示先抢答者的号码,同时四路抢答器发出响声;主持人通过“复位”按钮清除LED数码管的显示和停止响声。
2019-02-11 15:19:21
18207 
抢答器工作原理,74LS175原理介绍,74LS00原理介绍,555原理介绍)四设计电路图介绍(1电路设计图,2.元件清单)
2019-02-11 08:00:00
70 本文档的主要内容详细介绍的是使用74LS148设计的抢答器仿真电路免费下载。
2018-12-20 08:00:00
146 介绍了一种用74系列常用集成电路设计的数码显示八路抢答器的电路组成、设计思路及功能。该抢答器除具有基本的抢答功能外,还具有定时、计时和报警功能。主持人通过时间预设开关预设供抢答的时间,系统将完成自动倒计时。
2018-07-02 08:00:00
66 本文主要详解两款74ls112应用电路图,分别是模七计数器/抢答器的电路设计,具体的跟随小编一起来了解一下。
2018-05-29 18:50:19
57412 
本文主要介绍了四款锁存器74ls373应用电路图,其中包括了74ls373抢答器电路、74ls373与单片机连接电路、74ls373正弦波信号发生器及单片机接口电路。
2018-05-28 10:42:14
19297 
本文主要介绍了74ls148应用电路图大全(优先编码器\抢答器)。抢答电路的功能有两个:一是能分辨出选手按键的的先后,并锁存优先抢答者的编号,供译码显示电路用;二是要使其他选手的按键操作无效。选用
2018-05-07 09:35:39
34982 
本文主要介绍了五款74ls138的应用电路图。其中包括了74ls138全加器电路、74ls138抢答器电路、74ls138实现逻辑函数、74ls138全减器电路以及与74LS20组合的三人表决器电路。
2018-05-04 10:31:55
87718 
无线抢答器更是抢答器史上的一大改革。本文主要介绍一下基于74LS148的4路抢答器的设计详解,一起来了解一下。
2018-01-31 17:16:11
24031 本文为大家介绍一个三路抢答器和一个四路抢答器的PLC梯形图。
2018-01-31 15:35:06
67047 
本文主要介绍了四人抢答器电路设计方案汇总(六款模拟电路设计原理图详解),四人抢答器的功能是每位参赛者有一个抢答按键,按动按键发出抢答信号;竞赛主持人有一个控制按键,用于将抢答信号复位和抢答开始;竞赛
2018-01-29 12:31:23
302193 
本文主要介绍了三路抢答器电路设计方案汇总(三款模拟电路设计原理图详解),时序控制电路是抢答器设计的关键,它要完成以下三项功能:主持人将控制开关拨到“开始”位置时,扬声器发声,抢答电路和定时电路进入
2018-01-29 11:41:55
70417 
抢答器在各类智力竞赛之中经常出现,它的电路设计并不复杂,本文为大家带来三款十路抢答器电路设计方案。
2018-01-18 11:22:18
15972 
抢答器是通过设计电路,以实现如字面上意思的能准确判断出抢答者的电器。在知识竞赛、文体娱乐活动(抢答赛活动)中,能准确、公正、直观地判断出抢答者的座位号。更好的促进各个团体的竞争意识,让选手门体验到战场般的压力感。本文为大家带来五款八路抢答器的设计方案详解。
2018-01-18 09:58:18
175326 
利用74LS373设计的抢答器电路它由一片8D锁存器74LS373。8只组别按键开关S1-S8,8组别抢答有效的状态显示发光二极管L1-L8,一个复位按键FW等组成。该8路竞赛抢答器,每组受控于一个抢答按键开关,高电平表示抢答有效。
2017-12-05 10:28:25
10605 
抢答器作为一种工具,已经广泛应用于各种智力和知识竞赛场合。本设计以八路智力竞赛抢答器为基本概念,从实际应用出发,利用电子设计自动化( EDA)威廉希尔官方网站
,用数字、模拟电子器件设计具有扩充功能的抢答器。
2017-11-15 17:39:25
43 74ls148抢答器主要运用到了编码器,译码器和锁存器:它采用74LS148来实现抢答器的选号,采用74LS279芯片实现对号码的锁存,采用74LS192实现十进制的减法计数,采用555芯片产生秒脉冲信号来共同实现倒计时功能。
2017-11-07 17:41:29
46766 
8路抢答器课程设计资料
2017-06-28 14:59:51
58 基于51单片机16路抢答器的设计与制作
2017-05-22 08:53:39
55 抢答器protues仿真程序 51抢答器设计 抢答器程序protues仿真设计
2017-01-14 22:32:46
152 单片机八路抢答器
2016-12-26 22:08:39
47 多路抢答器的电路设计
2016-12-20 17:20:07
12 四路抢答器的实验报告样例,基于4D与非门的74ls175芯片
2016-07-12 16:05:52
28 用multisim模拟的四人抢答电路图,采用两个74ls4112制作的。
2016-06-27 14:41:15
30 用51做的八路抢答器,功能齐全,有仿真和程序。
2016-05-23 16:29:07
33 基于PLC四路抢答器的设计。
2016-05-13 17:14:02
25 八路抢答器的源程序,可以根据自己更改一下抢答效果
2016-01-12 18:28:11
26 8路抢答器设计原理,有需要的可以开看一下。
2016-01-11 11:42:44
5 课程要求做的四路抢答器,很容易通过添加按键变成八路的。为菜鸟准备的……莫见笑
2015-12-30 16:37:53
81 四路抢答器的仿真文件。复位后计时器开始工作,可以抢答,抢答后计时停止,如果时间到仍未有人抢答则蜂鸣器响,知道电路被复位。上电会自动复位。
2015-12-30 16:37:06
434 八路抢答器原理图可以为学习单片机的同学画电路和设计电路提供参考
2015-12-08 18:12:02
31 本文简要介绍了利用74ls系列芯片制作的8路抢答器,8路抢答器是学习数字电路这门学科的一个典型实训内容,同时也适合初学者进行制作与学习。
2015-11-16 15:03:09
44 四位数字抢答器电路
2009-12-28 09:35:17
8901 
十路数显无线抢答器:该无线数显抢答器的设计巧妙,抢答器用PT2262 和PT 2272 编码电路为核心元件,设计巧妙,结构简单,制作容易,体积小巧.由于按钮与显示主机没有电线连接,使用和收藏
2009-10-23 08:23:25
233
20路抢答器电路图
2009-05-21 13:06:56
1017 
单片机制作的八路抢答器电路图
抢答器由单片机以及外围电路组成,由于采用单片机,使得外围电路非常简单。 如下图为抢答器的电路原理图,单
2009-05-16 01:24:06
6906 
四组智力竞赛抢答器电路及制作
2009-04-13 17:49:01
137
四路抢答器电路图
2009-03-31 10:24:46
11416 
八路抢答器电路图
详细请查看:
2008-12-01 21:14:06
8920 
抢答器作为一种电子产品,早已广泛应用于各种智力和知识竞赛场合,但目前所使用的抢答器存在分立元件使用较多,造成每路的成本偏高,而现代电子威廉希尔官方网站
的发展要求电子电路
2008-12-01 21:00:29
67 抢答器的设计与制作抢答器是竞赛问答中一种常用的必备装置,从原理上讲,它是一种典型的数字电路,其中包括了组合逻辑电路和时序电路。从有利于学习的角度考虑,这里主
2008-12-01 20:41:51
167
评论