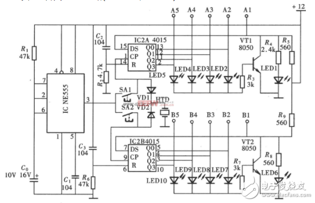
cd4015应用电路图(一)

如图所示为双五挡电子开关控制器电路。电路采用一只双移位寄存器CD4015组成,用一只NE555电路组成的多谐振荡器产生移位脉冲。
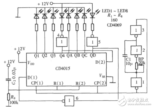
cd4015应用电路图(二)
由CD4015组成的LED动感闪烁灯电路。
如图所示的动感闪烁灯主要采用一只双四位串入/并出移位寄存器CD4015组成。该电路由移位寄存器CD4015组成LED灯光移动闪烁电路,由六反相器CD4069组成移位脉冲发生器。在移位脉冲的作用下,移位寄存器的输出端依次输出驱动脉冲,通过驱动发光二极管的发光,形成光点逐个发光又逐个熄灭的移动闪烁效果。

cd4015应用电路图(三):采用CD4015构成的8位串行/并行数据转换电路
下图所示为8位串行/并行数据转换电路。IC1为串入/并出移位寄存器CD4015,内含两组独立的4位移位寄存器,将其并联使用构成8位移位寄存器。IC1的8个并行数据输出端Q1~Q8分别经8个与门Dl~D8输出。
IC2为八进制计数分配器CD4022,其输出端Y。控制着8个与门。
当在IC2的启动端加上一正脉冲时,Yo=l,与门D1~D8打开,IC1输出端Ql~Q8的数据并行输出。在时钟脉冲CP上升沿的作用下,串行输入数据由Dl端逐步移入IC1,每经过8个时钟脉冲,IC1中的数据全部更新一次。同时,每经过8个时钟脉冲,IC2的Yo端输出一个“1”信号,打开8个与门使数据并行输出。

电子发烧友App























































评论