这款灵敏的FM收音机调谐器是想要构建自己的调谐器而不是购买“即插即用”成品的业余爱好者的正确电路。调频调谐器电路仅设计有3个晶体管。放大倍数约为40dB。第一个晶体管用作RF放大器。第二个晶体管是混频器。
2023-07-23 11:22:16
1288 
了很多。 如图1所示为FM电调谐收音机电路图。下面简述此收音机电路的工作原理和信号流程。图1 双波段FM电调谐收音机电路图 通电后,由耳机感应到FM信号,信号从TDA7088T的11脚输人到集成块
2008-12-31 16:31:23
在收音机中,调谐是指通过调整收音机的调谐电路,使得收音机能够选择并接收到所需的特定广播电台的信号,而排除其他电台的干扰信号。调谐通常通过旋转调谐旋钮或按钮等手动操作来完成。
2023-02-25 10:27:55
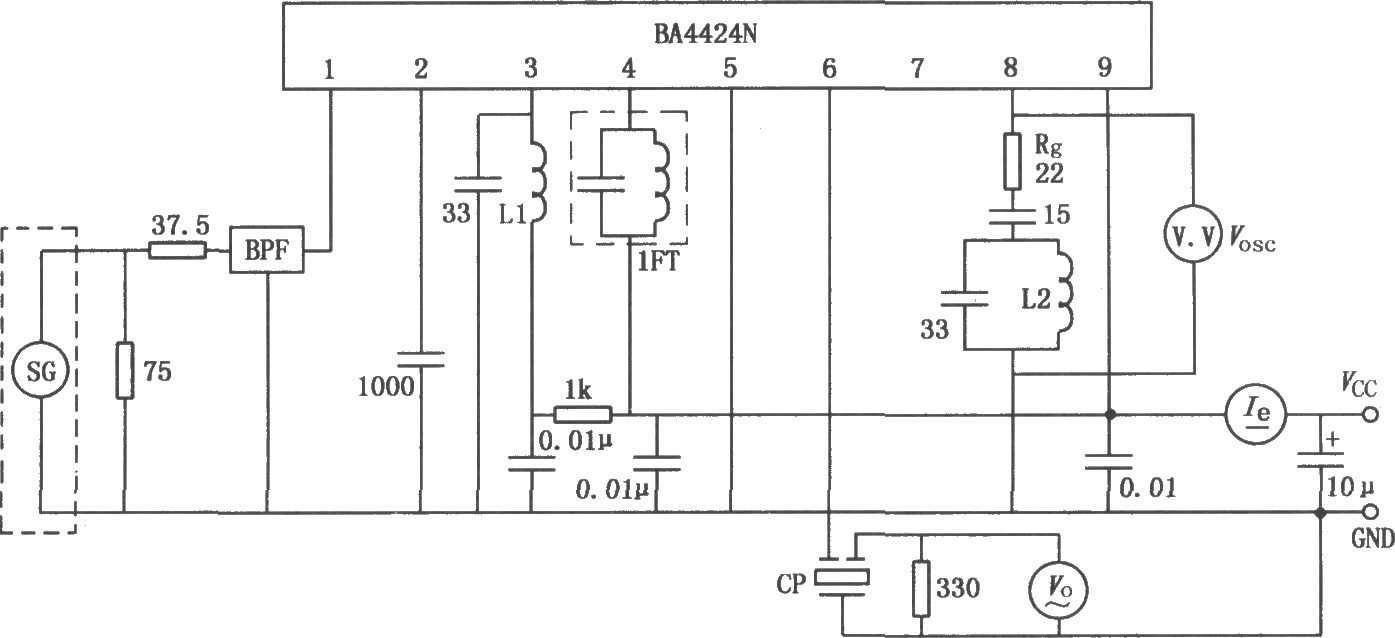
1684 FM收音机天线信号增强高放级
2023-01-06 11:58:31
2687 
方案介绍这是一个基于 Arduino 的开源的收音机项目,它具备一台标准收音机的全部功能,从控制部分到外壳都可以自己 DIY。在项目中,我们将介绍让 FM 收音机调谐器的 RDA5807 模块
2022-12-26 16:21:57
14 该项目是个通过触摸按钮控制的收音机, RDA5807M 和 arduino nano 使 FM 收音机功能齐全。
2022-12-07 10:30:50
19 电子发烧友网站提供《使用TEF6686调谐器制作超级收音机.zip》资料免费下载
2022-07-22 11:39:34
18 RDA5807M系列是最新一代的单芯片广播调频立体声收音机调谐器,具有完全集成的单片广播调频收音机调谐器、中频选择性、无线电数据系统(RDS/RBDS)和MPX解码器。调谐器采用CMOS工艺,支持
2020-04-15 08:00:00
63 业界体积最小,集成度最高的FM广播无线电调谐器,可提供从天线输入到音频的整个FM调谐器以100%CMOS输出。 Si470x FM调谐器采用数字架构,可提高性能,同时将元件数量减少90%以上,电路板空间
2019-10-06 08:48:00
1478 Si479x7调谐器是Silicon Labs广受欢迎的Global Eagle和Dual Eagle AM/FM接收器和数字收音机调谐器系列产品的扩展,提供同样出色的路试性能、单双调试器兼容的引脚定义和封装、以及物料清单(BOM)成本优势。
2019-08-01 10:00:23
4545 矿石收音机是指用天线、地线以及基本调谐回路和矿石做检波器而组成的没有放大电路的无源收音机,它是最简单的无线电接收装置,主要用于中波公众无线电广播的接收。大家习惯把那些不使用电源,电路里只有一个半导体元件的收音机统称为“矿石收音机”。由于最初是用矿石来做检波器,故由此而得名。
2019-02-26 15:21:06
21104 矿石收音机是指用天线、地线以及基本调谐回路和矿石做检波器而组成的没有放大电路的无源收音机,收音机爱好者都想亲自制作一个。今天给大家分享一下矿石收音机制作教程。
2019-02-26 15:14:43
26830 最简单的收音机的电路。其中L1、C1组成调谐电路,VD与C2组成检波电路,L1与L2组成耦合电路。检波前后的信号波形。
2019-01-04 16:43:25
102476 笔者1988年就接触红灯牌电子管收音机,那时才7岁,从那时起便迷上广播,成为“收音迷”。近年来手里收音机器材不下三十部,光车用收音机就有道奇、索尼、三菱等六部,组合音响调谐器就有松下、安桥等九部
2018-09-27 14:54:00
16171 
按钮(RUN),电路便自动地由频率低端向频率高端搜索电台,一旦搜索到电台信号,调谐自动停止。当调谐到FM接收频率最高端时,只需按一下复位按钮(RESET),本振频率回到最低端,搜索调谐又重新开始。
CD9088电调谐自动搜台FM收音机电路图
2018-09-20 19:16:42
2809 简单调频收音机,S9018 FM Receiver
关键字:S9018,调频收音机电路图
简单调频收音机,可以用来接收广播和电视
2018-09-20 19:16:40
5505 FM无线耳机电路原理图,FM TRANSCEIVER
关键字:9088收音机,FM发射机
发射器电路图
接收器电路图
方未测绘
2018-09-20 19:16:08
2570 单电子管FM收音机,Vacuum Tube FM radio
关键字:FM收音机制作,FM收音机电路,电子管收音机电路,电子管FM收音机电路
这是在网上看见的图,电路很简洁,不过调试起来可能会复杂一些,关键是再生部分的调试.
2018-09-20 18:45:08
1892 针对后装和低端前装的单收音调谐器方案(含或不含音频DSP)。
2018-06-28 11:06:00
5760 针对后装和低端前装的单收音调谐器方案(含或不含音频DSP)。
2018-06-28 09:27:00
5555 CD9088是适用于电调谐微小型FM收音机的单片集成电路,采用16脚双列扁平封装,工作电源电压范围为1.8~5V,典型值为3V。该电路内包含了FM收音机从天线接收到鉴频输出音频信号的全部功能。
2018-06-12 08:00:00
52 本文主要介绍了六款半导体收音机电路图。其中包括了HX108-2型7管半导体收音机、半导体收音机的检波电路、六管收音机电路和再生式半导体收音机等。
2018-05-28 15:12:48
33726 
矿石收音机是指用天线、地线以及基本调谐回路和矿石做检波器而组成的没有放大电路的无源收音机,它是最简单的无线电接收装置,主要用于中波公众无线电广播的接收。本文介绍了七款矿石收音机电路图。
2018-03-02 10:36:06
226043 
FM收音机原理图,51单片机C语言应用开发。
2016-07-01 15:21:13
30 FM收音机的制作与设计--课程设计FM收音机的制作与设计--课程设计。
2016-05-26 17:35:23
199 收音机调频(FM)发射机的小制作收音机调频(FM)发射机的小制作。
2016-03-14 09:58:59
121 车载信息娱乐系统是时下汽车世界中的热门话题。而处于复杂汽车信息娱乐平台核心的是高性能汽车收音机调谐器,一个为驾驶者和乘客提供高级广播收听体验的必备组件。##IP3是对调谐器线性度的品质参数度量。更高的IP3意味着更好的线性度和更少的失真度。
2014-08-19 11:28:38
10013 2013年9月18日——恩智浦半导体NXP Semiconductors N.V. (NASDAQ:NXPI) 近日宣布推出TEF665x和TEF668x,这是其继基于RFCMOS的高性能单芯片AM/FM车载收音机调谐器大获成功之后推出的新一代产品。
2013-09-18 10:50:29
2295 电子发烧友网为大家提供了单管FM收音机原理图,本站还有其他相关资源,希望对您有所帮助!
2011-10-31 10:37:28
12730 
本任务是完成电调谐微型 FM 收音机原理图绘制, 通过本任务的具体实践,操作者将 具备利用原理图元件库绘制新的原理图元件的能力,同 时结合本实际产品的分析,逐步培养 对实际
2011-08-12 22:15:59
695 本内容提供了明锐收音机装置电路图
2011-04-20 15:15:24
289 本实训指导书主要介绍了晶体管收音机的基本原理,收音机的电路图识读,收音机 的装配工艺,收音机常见故障的分析与排除方法,收音机的静态调试、动态调试。 通过收音机的装配
2011-04-19 10:32:11
428 本书主要介绍了AM FM收音机调谐器的电路原理、计算过程、测量及调试方法,以及电路与性能的关系
2011-02-26 16:27:41
127 第一章 FM收音机工作原理 第二章 FM收音机维修 第三章 FM收音机校准
2011-02-25 15:00:25
2316 Silicon Labs Si483x IC是业界第一款用于模拟调谐AM/FM/SW收音机的CMOS DSP IC,这片芯片提供了从天线输入到音频输出的完整收音机解决方案。
2011-01-26 09:18:34
3813 CD9088是适用于电调谐微小型FM收音机的单片集成电路,采用16脚双列扁平封装,工作电源电压范围为1.8~5V,典型值为3V。该电路内包含了FM收音机从天线接收到鉴频输出音频信号的全部
2010-09-30 16:11:53
313 TEC6213 AM/SW/FM收音机频率显示MCU接口电路
TEC6213 是一个收音机频率计数器电路,它把收音机接收到的AM/SW/FM 频率变成数字信号,通过串行接口与MCU 相连,送MCU 进行处理。
2010-06-17 15:42:27
78 AM/FM收音机电路SA2003
SA2003是一个专门为AM/FM收音机设计的电路(FMF/E+AM/FM IF) 。和UTC7368 (Mono PW IC)配合使用就可以组成一个合适的AM/FM收音机系统。
2010-04-20 10:39:03
157 FM自动选台调谐收音机电路
本文介绍的袖珍FM电脑选台收音机采用飞利浦公司开发生产的TDA7088T集成块,采用16脚双列扁平封装,工作电压为3V,该电路除包含FM收音机从
2009-12-20 09:39:11
7669 
TA8100N/TA8100F FM/AM单片收音机电路图
2009-09-28 10:16:30
1803 
半导体收音机调谐指示电路
半导体收音机调谐指示电路如图10-9 所示。当调谐准确时, AGC电压最低,一中放管VT1的发射极电流Ie1最小,射极压降也最小,VT2的发射极电流Ie2
2009-09-19 17:30:53
2697
怎样安装收音机调谐拉线
2009-09-02 16:48:12
5398 
收音机常见调谐机构
2009-09-02 16:45:54
1339 
收音机调谐机构的基本结构原理
收音机的调谐机构大致可分为直接调谐和缓动调
2009-09-02 16:27:22
7974 
FM收音机发射模块IC方案及GS1288电路图:
2009-05-31 21:33:07
141
收音机数字式频率显示器电路图
2009-05-23 13:42:14
2416 
收音机单管变频电路图
2009-05-08 13:23:21
3302 
半导体收音机的检波电路图
2009-05-08 13:13:15
3777 
收音机双调谐中频放大电路图
2009-05-07 12:41:29
3269 
收音机单调谐中频放大电路图
2009-05-07 12:41:06
2838 
简易收音机的射极输出电路图
2009-05-06 16:19:52
1712 
电脑选台FM收音机电路图,原理图
TDA7088T是飞利浦公司
2009-05-04 19:03:55
2688 
TDA7088T FM收音机电路图,原理图
TDA7088T是飞利浦公司开发生产的FM收音机集成块,采用16脚双列扁平封装,工作电压为3V,该电路除包含FM收音
2009-05-04 19:01:57
20965 
定时FM收音机电路图
2009-04-13 09:24:26
1546 
钟控收音机电路图
2009-04-08 09:02:46
3554 
调频收音机电路图
2009-04-08 09:01:20
11819 
调幅收音机电路图
2009-04-08 09:00:36
4160 
具有单调谐检波线圈的FM调谐器电路图
2009-03-28 09:18:47
823 
电子管收音机电路图一:
电子管收音机
2009-01-31 10:57:08
34642 
电脑选台FM收音机原理图
2009-01-15 12:48:05
1548 
具有AFC的FM收音机调谐电路
2008-12-15 17:31:37
3644 
FM收音机中频放大器电路
2008-12-15 15:00:44
2805 
FM AM收音机的FM高频头电路
2008-12-15 14:57:58
10330 
无线电收音机遥控调谐器
2008-04-30 23:20:58
848 
矿石收音机电路图是采用三回路-双调谐-单矿石结构程式的矿石收音机的电路图.
2008-02-12 19:16:57
16272 
fm收音机电路图
2008-01-05 10:25:13
171 收音机广告语音电路图
功能要求:当打开收音机开关时首先播放一段广告语,“如欢迎来到…地方,欢迎使用……产品;等等……;播放
2008-01-03 21:25:01
1366 
收音机功放电路图:
功能要求:当打开收音机开关时首先播放一段
2008-01-03 21:20:36
13694 
数字调谐收音机是采用数字控制、频率合成威廉希尔官方网站
进行选台的收音机。这种收音机由于采用高稳定
2006-04-15 19:20:56
3405 
评论