
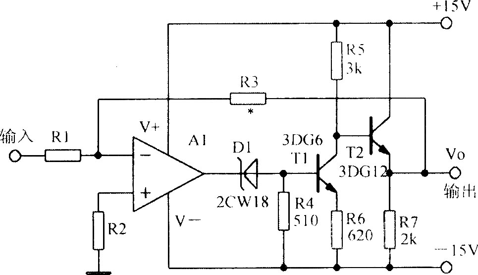
能够扩展频带宽度的放大电路图
电子发烧友App
硬声App
完善资料让更多小伙伴认识你,还能领取20积分哦,立即完善>
电子发烧友网>电子威廉希尔官方网站 应用>电路原理图>电源>电源电路图>能够扩展频带宽度的放大电路图
相关推荐
63
110
11918
7398
20418
23
9424
1773
1227
2407
18
23
评论