CW32实时时钟(RTC)介绍
2023-10-24 15:36:07
18 
CW137组成的可调正,负输出电压集成稳压电源
2008-11-12 12:08:20
使用武汉芯源半导体CW32系列MCU作为主控一款小巧的MP3。采用CW32L系列低功耗芯片。
2023-09-06 16:45:15
414 
cw32和gd32的区别 CW32和GD32是两种不同的芯片系列,分别由WCH和GigaDevice公司推出,两者有很多不同之处,下面我们来详细介绍。 首先从CW32系列开始,CW32是WCH公司
2023-08-16 11:15:38
402 cw32和stm32的区别 CW32和STM32是两种常见的单片机,分别由温州炜信电子和STMicroelectronics公司生产。单片机是一种嵌入式系统,它集成了处理器、内存、输入/输出接口
2023-08-16 11:15:36
484 基于武汉芯源推出的CW32L083设计的空调线控器产品.
2023-06-25 14:23:14
4009 
cw32配置好的Free-rtos
2023-04-18 14:22:11
0 CW32配置Free-RTOS全过程,CW32开发者扶持计划
2023-04-18 09:38:21
2713 
电子发烧友网为你提供Maxim(Maxim)MAX6320PUK42CW+相关产品参数、数据手册,更有MAX6320PUK42CW+的引脚图、接线图、封装手册、中文资料、英文资料,MAX6320PUK42CW+真值表,MAX6320PUK42CW+管脚等资料,希望可以帮助到广大的电子工程师们。
2022-12-26 09:55:11

CW32F030CxTxStartKit评估板为用户提供一种经济且灵活的方式使用CW32F030CxTx芯片构建系统原型,可进行性能、功耗、功能等各方面快速验证
2022-10-20 11:18:49
284 
CW Workbench/CW-Sim操作手册 产品规格书.CW Workbench是用于开发在C语言控制器模块及C语言智能功能模块上运行的用户程序的产品。
2022-08-26 16:12:55
3 CW Configurator 操作手册 产品规格书.本手册是用于让用户了解使用CW Configurator时的必要功能及参数设置等有关内容的手册。
2022-08-26 16:10:01
0 CW Workbench操作手册 产品规格书.CW Workbench 是以进行 C 语言控制器模块上动作的用户程序开发的用户为对象的产品
2022-08-26 11:48:57
2 CW-Sim(CW Workbench用VxWorks模拟器)操作手册 产品规格书
2022-08-26 11:43:35
2 前言本手册介绍了CW32微控制器的烧录器CW-Writer以及与之配合的软件CW-Programmer的使用方法。烧录器CW-Writer通过ISP协议,可实现对CW32微控制器FLASH的离线或在
2022-08-09 11:07:39
466 
./oschina_soft/gitee-CW-Zabbix.zip
2022-06-16 10:07:09
1 武汉芯源半导体CW32030数据手册武汉芯源MCU
2022-06-02 16:59:07
0 电子发烧友网为你提供TE(ti)CW7953-000相关产品参数、数据手册,更有CW7953-000的引脚图、接线图、封装手册、中文资料、英文资料,CW7953-000真值表,CW7953-000管脚等资料,希望可以帮助到广大的电子工程师们。
2021-08-13 01:00:02
电子发烧友网为你提供TE(ti)CW7954-000相关产品参数、数据手册,更有CW7954-000的引脚图、接线图、封装手册、中文资料、英文资料,CW7954-000真值表,CW7954-000管脚等资料,希望可以帮助到广大的电子工程师们。
2021-08-13 01:00:02
电子发烧友网为你提供TE(ti)CW7955-000相关产品参数、数据手册,更有CW7955-000的引脚图、接线图、封装手册、中文资料、英文资料,CW7955-000真值表,CW7955-000管脚等资料,希望可以帮助到广大的电子工程师们。
2021-08-13 01:00:02
电子发烧友网为你提供TE(ti)CW8130-000相关产品参数、数据手册,更有CW8130-000的引脚图、接线图、封装手册、中文资料、英文资料,CW8130-000真值表,CW8130-000管脚等资料,希望可以帮助到广大的电子工程师们。
2021-08-11 09:00:03
电子发烧友网为你提供TE(ti)CW7951-000相关产品参数、数据手册,更有CW7951-000的引脚图、接线图、封装手册、中文资料、英文资料,CW7951-000真值表,CW7951-000管脚等资料,希望可以帮助到广大的电子工程师们。
2021-08-10 12:00:03
电子发烧友网为你提供TE(ti)CW7952-000相关产品参数、数据手册,更有CW7952-000的引脚图、接线图、封装手册、中文资料、英文资料,CW7952-000真值表,CW7952-000管脚等资料,希望可以帮助到广大的电子工程师们。
2021-08-10 01:00:01
电子发烧友网为你提供TE(ti)CW7948-000相关产品参数、数据手册,更有CW7948-000的引脚图、接线图、封装手册、中文资料、英文资料,CW7948-000真值表,CW7948-000管脚等资料,希望可以帮助到广大的电子工程师们。
2021-08-09 13:00:03
由于CW317可调稳压器的内设基准电压是1.25V,且该电压在输出端和调整端之间,使得稳压电源输出电压只能从1.25V向上起调。
2020-04-28 17:01:52
16019 
当输入为-24V直流电压时,用CW3524组成的+12V稳压电源。由CW3524型集成脉宽调制器组成的双端开关稳压电源,输出电流为2A,输出电压为+12V。CW3524是本电源的核心元件,并直接向功率转换电路的开关功耗提供脉宽调制信号。
2020-03-27 13:48:07
4324 
电子发烧友网为你提供Broadcom(ti)ASMT-CW00相关产品参数、数据手册,更有ASMT-CW00的引脚图、接线图、封装手册、中文资料、英文资料,ASMT-CW00真值表,ASMT-CW00管脚等资料,希望可以帮助到广大的电子工程师们。
2019-07-04 11:26:01

电量计芯片CW2015 CW2015是一种超小型、低成本、主机侧/包侧、感测电阻、自由度、燃料计量系统、锂离子(李+)基IC、手持电池和便携式设备。CW2015轨道是Li+电池的工作条件
2018-06-15 14:10:37
1884 
cw7805是三端5V稳压集成电路系列中的一种,7805是它标准的型号信息,前缀表示不同的生产厂家的产品,譬如常见的是LM7805。CW7805是单电压+5V稳压集成块。78XX系列集成稳压器的典型应用电路如下图所示,这是一个输出正5V直流电压的稳压电源电路。
2017-10-18 15:10:57
40455 
CW1056规格书,CW1056中文设计方案,CW1056说明书,CW1056一级代理,赛威代理商CW1056系列产品是一款高度集成的3~5串锂离子电池或锂聚合物电池保护芯片。CW1056为电池包
2017-08-29 17:13:46
28 2CW37
2017-03-04 17:53:11
4 CW6301/CW6303手环IC
2016-12-29 19:28:55
24 免费发放CW2013资料,上午找颗CW2013资料居然要收币。。。。
2015-11-10 11:43:16
133 由CW3524型集成脉宽调制器组成的双端开关稳压电源,输出电流为2A,输出电压为+12V。CW3524是本电源的核心元件。
2012-01-09 10:24:40
1785 
CW200C是五端可调正电压集成稳压器。输出2.85V~36V,最大输出电流=2A,最大功耗=15W。(兼容与互换SG200 CW200B CW200 FW200 W200)。
2011-07-22 10:30:34
2788 
2010-12-01 12:21:28
1481 
CW7800组成的大电流输出集成稳压电源电路
2010-03-06 09:51:33
1936 
CW337组成并联扩流的-18V、2A电源电路
如图所示为并联扩流的-18V、2A电源电路
2010-03-06 08:31:41
2352 
LM317组成的1.25~37V可调电源电路
2010-03-05 18:20:40
9363 
CW431CS与7805集成电路一起构成可调稳压电源
此电路输出
2010-01-07 11:28:18
1724 
CW431CS音频放大应用线路
图6.6为用CW431CS 组成的400mW 唱机
2010-01-07 11:27:09
897 
CW431CS电压监视器应用线路
图 6.5中利用CW431CS 的转移特性组成一实用电压监
2010-01-07 11:25:59
942 
CW431CS比较器应用线路
图 6.4 为用CW431CS 构成的比较器,它巧妙地应用了Vref这
2010-01-07 11:21:48
979 
CW431CS恒流源应用电路
图 6.3 为灌电流负载恒流源。恒流值与Vref和外加电阻
2010-01-07 11:20:33
1421 
CW431CS 是一块精密可调基准电源电路良好的稳压特性及灵活的稳压值设定使该电路在许多应用场合可替代稳压二极管.
2010-01-07 11:15:47
87 CW431CS 精密可调基准电源电路:CW431CS是一块精密可调基准电源电路良好的稳压特性及灵活的稳压值设定使该电路在许多应用场合可替代稳压二极管其特点如下输出电压可调VK= 2.5V
2010-01-07 11:14:18
21 CW78xxCS 系列是用于各种电视机 收音机 电子仪器 设备的稳压电源电路 本资料包括以下品种 CW7805CS 输出电压为 5V CW7806CS 输出电压为 6V CW7809CS 输出电压为9V CW7812CS 输出电压为 12V
2009-12-10 20:13:22
113 CW7900组成的恒流源电路
2009-11-19 17:02:07
1321 
CW7805恒流源电路
2009-11-19 16:59:52
4311 
CW137 CW237 CW337组成的的可调恒流源电路
2009-11-19 16:58:06
1484 
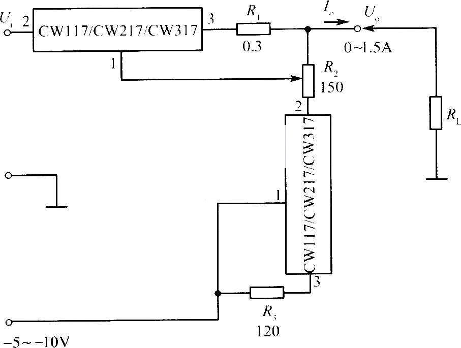
CW117/CW217/CW317构成的恒压/恒流源电路
如图是一个恒压/恒流电源的原理图。它由扩展电流、恒压和恒流三部分组成。两只功率晶体管3CF5并联作
2009-11-19 11:23:12
3649 
Wll7/W217/W317恒流源电路图
2009-11-19 10:22:00
2757 
采用CW136构成的方波校准器电路
图中是采用CW136构成的
2009-10-24 14:48:19
406 
采用CW136构成的过压保护电路
图中是采用CW136构成的过压
2009-10-24 14:32:19
1469 
CW136的封装形式
2009-10-24 14:03:16
457 
输出电流可调的恒流源电路
图 输出电流可调的恒流源电路
2009-07-21 15:42:54
12609 
用LM317组成的扩流电路:能输出20A电流
2009-05-13 18:07:52
23540 
CW137/CW237/CW337 电路是负压可调输出集成稳压器。输出电压可设定范围-1.25V~-37V(47V/HV)。最小输入压差≤2.7V。
电路具有过流、过热和调整管安全工作区保护电路。在≤-40V
2009-03-20 09:51:20
141 可调式三端稳压器能输出连续可调的直流电压。常见产品如图4所示。其中,CW317系列稳压器输出连续可调的正电压,CW337系列稳压器输出连续可调的负
2009-03-20 09:43:22
5917 
in5732代换替换型号2cw754 2cw957
2009-01-16 11:17:18
710 in5733代换替换型号2cw755 2cw958
2009-01-16 11:17:10
524 in5735代换替换型号2cw757 2cw960
2009-01-16 11:16:54
679 in5736代换替换型号2cw758 2c2961 2cw35b
2009-01-16 11:16:45
593 in5738代换替换型号2cw759 2cw963
2009-01-16 11:16:27
713 IN724代换替换型号2cw26d 2cw68 bwa68 bwa68d
2009-01-16 10:57:27
614 IN722代换替换型号2cw7m 2cw20c
彩电电源稳
2009-01-16 10:48:57
5634 IN720代换替换型号2cw20b 2cw64 2cw64b 2cw7k
彩
2009-01-16 10:48:35
700 IN719代换替换型号2cw63 2cw63a 2cw63b 2cw12h
彩
2009-01-16 10:48:20
892 IN717代换替换型号 2dw12G 2cw20 2cw62 2cw62a
彩
2009-01-16 10:47:49
1002 IN716代换替换型号2cw61 2cw61a 2cw77 2cw77a
彩
2009-01-16 10:47:36
701 IN715代换替换型号2cw76 2dw12f 2cw28-12 BS31-12
2009-01-16 10:47:22
794 IN714代换替换型号2cw18 2cw59 2cw59a 2cw59b
彩
2009-01-16 10:47:10
739 IN713代换替换型号2CW58 2CW58A 2CW58B 2cw74
彩
2009-01-16 10:46:54
720 IN712代换替换型号2CW28-9.1 2CW57 2CW57B 2CW57A
2009-01-16 10:46:41
840 IN711代换替换型号2CW56A 2CW28-8.2
彩电电源
2009-01-16 10:46:23
720 IN710代换替换型号 2CW55A 2CW15
2009-01-16 10:05:45
1137 IN709代换替换型号 2CW55 2CW55B BWA55 BWA55E
2009-01-16 10:05:26
1127 CW78 系列是固定正压输出的单片集成稳压器。输出电压有5V~24V 的9 个品种。标称电压值内最大输出电压偏差≤±5%。
2008-11-13 15:42:06
60 CW117 是正压可调输出的单片集成稳压器,输出电压可设定范围1.25V~37V。Io=1.5A 时最小压差≤2.7V。电路具有过流、过热和调整管安全工作区保护电路,在最大输入电压≤40
2008-11-09 09:45:47
346 CW117/CW217/CW317是正压可调输出的单片集成稳压器,输出电压可设定范围1.25V~37V。Io=1.5A 时最小压差≤2.7V。电路具有过流、过热和调整管安全工作区保护电路,在最大输入电压≤40V
2008-11-09 09:43:37
6 12V恒压充电器电路图是由CW117,CW217,CW317组成的。。该电路与稳压电源基本电路相同。电阻R1=0.2Ω,起限流作用,相当于加大了充电器的内阻,可降低充电初始
2008-11-09 09:40:25
3259 
评论