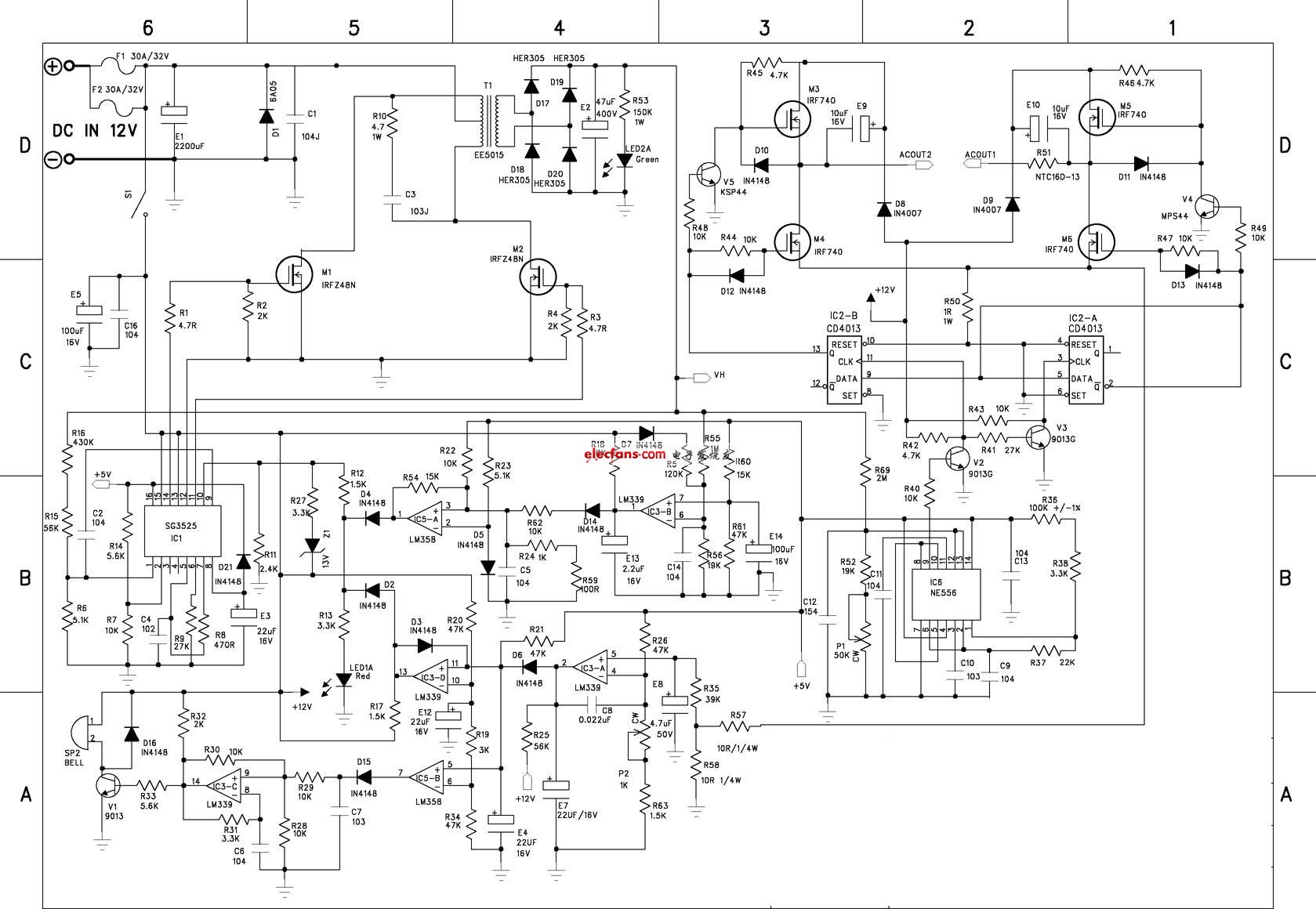
不间断电源电路图 功率150W
- 不间断电源(19486)
 
相关推荐
UPS不间断电源
 UPS(UninterruptiblePowerSystem)即为“不间断电源”。是一种含储能装置,以整流器、逆变器为主要组成部分,为变电站内监控系统、自动化仪表、远方通信系统等设备提供恒压恒频的不间断电源。
2023-06-16 14:33:44
767
767
不间断电源的特点 不间断电源的连接方式
  不间断电源(UPS)是一种能够在断电时继续提供电源的设备,它可以提供稳定的电源,以保护电脑、服务器和其他电子设备免受断电的影响。并在是在断电时保护设备不受损坏,并且能够继续提供电源,以保证设备的正常运行。
2023-02-20 17:06:08
1156
1156如何鉴定不间断电源的好坏
来源:罗姆半导体社区 面对市场上琳琅满目的不间断电源产品,应如何进行选择,如何鉴定好坏,是首要考虑的问题所在。 当前在电厂、商场、超市及银行等企事业单位,都需要使用到不间断电源。而在对该类型电源好坏
2022-11-30 17:44:28
439
439不间断电源(UPS)是什么?
不间断电源(UPS)跨接于用户关键设备(负载)和供电电源间,它的功能是保证向负载提供连续的优质的电源,即使在完全断电的情况下,它们也可在预定的时间内(由用户决定)向负载供电。 以下以单机UPS为例进行说明。
2022-11-11 11:22:41
3402
3402ONLINE XANTO S1000不间断电源
ONLINE XANTO S1000不间断电源库存有货ONLINE XANTO S1500不间断电源库存有货ONLINE XANTO S1000 230VAC不间断电源库存有货ONLINE
2022-01-06 15:13:08
3
3ONLINE XANTO S1000【不间断电源】
ONLINE XANTO S1000不间断电源ONLINE XANTO S1500不间断电源ONLINE XANTO S1000 230VAC不间断电源ONLINE XANTO S2000准备数据
2022-01-06 15:12:08
3
3单相在线式不间断电源(B题)
2020年TI杯大学生电子设计竞赛单相在线式不间断电源(B题)任务设计并制作交流正弦波在线式不间断电源(UPS),结构框图如图1所示。图1 在线式不间断电源原理框图要求(1) 交流供电,U1=36V
2022-01-06 15:10:08
9
9数据保护:UPS不间断电源初步使用
数据保护:UPS不间断电源初步使用缘由行动简单使用群辉如下:一般电脑如下:写在最后:缘由前几天准备把所有的整合在一个盘,然后备份,结果最后把专业资料拷贝进去的时候坏了,不知怎么硬盘坏了,8T的资料
2022-01-06 13:14:43
3
3APC不间断电源说明书
APC UPS不间断电源说明书下载地址整理;APC后备式UPS说明书点击右侧;APC后备式UPS说明书APC在线互动式UPS不间断电源说明书;APCSUA1000-1500VA电源说明书地址;APC
2022-01-05 14:14:38
6
6不间断电源的使用和维护pdf
1 UPS的功能与作用1.1 UPS概述UPS是不间断电源(Uninterruptible Power System)的英文名称的缩写。就是在停电时能够接替电网持续向负载提供电力。不间断电源系统
2009-10-12 09:59:24
IDC:UPS(不间断电源)
ylbtech-IDC:UPS(不间断电源)UPS(Uninterruptible Power System/Uninterruptible Power Supply),即不间断电源,是将蓄电池
2021-11-09 09:36:00
17
17UPS不间断电源除尘技巧分析
UPS不间断电源除尘技巧分析随着ups不间电源的应用越来越广,已经和我们的工作及生活密切联系起来,所以ups不间断电源的维护也变得十分重要,在上一篇的ups不间断电源维护技巧中,小编已经为大家详细
2021-11-08 21:06:01
53
53浅谈UPS不间断电源的重要性
UPS,即不间断电源,是一种含有储能装置,以逆变器为主要组成部分的恒压恒频的不间断电源。它主要作用是为单台计算机、计算机网络系统或其它电力电子设备提供不间断的电力供应。当市电输入正常时,UPS
2021-11-08 20:21:01
14
14ups不间断电源高频机和工频机UPS不间断电源的比较
ups不间断电源高频机和工频机UPS不间断电源的比较。下面ups不间断电源的工程师就给大家详细讲解一下ups不间断电源高频机和工频机UPS不间断电源的比较。一、  工频UPS工作原理存在的优越性二
2021-11-08 20:06:02
33
33UPS(不间断电源)简介
本文简单介绍UPS(不间断电源)的相关知识。1 概述UPS(Uninterrupted Power Supply),即不间断电源,是将蓄电池与主机相连接,通过主机逆变器等模块电路,将蓄电池
2021-11-08 17:36:05
11
11如何控制UPS不间断电源的温度
UPS不间断电源,是一种含有储能装置,以逆变器为主要组成部分的恒压恒频的不间断电源。它主要作用是为单台计算机、计算机网络系统或其它电子设备提供不间断的电力供应。当市电输入正常时,不间断电源将市电稳压
2021-11-08 17:06:05
13
13UPS不间断电源的工作原理与分类
UPS是英语“Uninterruptible Power Supply”的缩写,中文意思是“不间断电源”,是能够提供持续、稳定、不间断的电源供应的重要外部设备。
2020-12-26 06:40:39
1199
1199ups不间断电源优点_ups不间断电源接线图
本文主要介绍了ups不间断电源优点及接线方法。UPS不间断电源作为商场、超市、银行、基站等大型公司的后备储能电源有着重中之重的超然地位,除了有保护设备防断电的的功能外,还肩负稳压的作用。
2019-07-25 15:35:50
7110
7110
不间断电源功能作用
UPS,即不间断电源,是一种含有储能装置,以逆变器为主要组成部分的恒压恒频的不间断电源。它主要作用是为单台计算机、计算机网络系统或其它电力电子设备提供不间断的电力供应。
2019-01-12 10:41:06
17846
17846怎样选择不间断电源UPS
不间断电源UPS(UninterruptiblePowerSystem),是一种含有储能装置,以逆变器为主要组成部分的恒压恒频的不间断电源。
2018-12-19 15:20:08
2199
2199不间断电源UPS品牌有哪些?
对世界各国的设备研究所创造出的适合各个国家的电源。  ups电源是用来提供电能的,它的安全系数非常重要,它的引入对整个电路都有影响。选择品牌的ups不间断电源可以不用担心安全问题,它都是经过国际标准审核
2018-12-19 14:38:24
567
567不间断电源是什么
UPS(Uninterruptible Power System/Uninterruptible Power Supply),即不间断电源,是将蓄电池(多为铅酸免维护蓄电池)与主机相连接,通过主机
2018-10-15 17:35:36
29044
29044不间断电源可以充电吗
UPS不间断电源作为商场、超市、银行、基站等大型公司的后备储能电源有着重中之重的超然地位,除了有保护设备防断电的的功能外,还肩负稳压的作用。所以有了UPS不间断电源才使我们的工作和日常生活井井有序
2018-10-15 17:31:18
10875
10875ups不间断电源电路图
UPS即不间断电源是将蓄电池(多为铅酸免维护蓄电池)与主机相连接,通过主机逆变器等模块电路将直流电转换成市电的系统设备。在欧美国家取Uninterruptible Power System的英文前缀
2018-02-26 17:05:33
13080
13080基于DSP的交流不间断电源应用探索
不间断电源在电力供应系统中的应用非常广泛,随着社会经济的快速发展,用户对于供电质量的要求越来越高,而传统的不间断电源由于集成度不高,导致了结构、体积的复杂庞大,造价成本无法得到有效控制。针对这些
2018-01-29 13:52:00
1
1不间断电源ups是什么?ups不间断电源有什么用
 可能很多朋友不知道UPS电源是什么?因为在我们的日常生活中比较少见,其实UPS电源也就是不间断电源,功能类似于一个蓄电池。如果我们的电脑连接上了UPS电源,当遇到突然停电的情况,电脑就会自动切换到UPS供电,保证电脑上的数据不丢失。下面小编将给大家详细讲讲UPS电源是什么以及UPS不间断电源的作用。
2017-11-14 12:43:58
25131
25131UPS不间断电源维修
UPS(Uninterruptible Power System ),即不间断电源,是一种含有储能装置,以逆变器为主要组成部分的恒压恒频的不间断电源。主要用于给单台计算机、计算机网络系统或其它电力电子设备
2011-12-02 16:33:09
796
796HP Value不间断电源系统(UPS)
HP Value不间断电源(UPS)产品和延时模块(ERM)能够保护您贵重的IT设备不会因供电不足、电源波动和断电而受到损害。
2010-06-28 19:19:33
28
28开关电源和不间断电源的无线电骚扰特性测试
开关电源和不间断电源的无线电骚扰特性测试摘要:商品化的开关电源和不间断电源是国内首批被指定要进行电磁兼容认证的产品之一,其
2009-07-17 12:00:50
1023
1023
IGBT在不间断电源的应用
IGBT在不间断电源的应用
:本文介绍了绝缘栅双极晶体管(IGBT)在不间断电源系统中的应用情况,分析了IGBT 在UPS 中损坏的主要原因和实际应用中应注意的问题。
2007-12-22 11:18:51
83
83
                        电子发烧友App
                    
                
                
                    
                
                



















           
            
            
                
            
评论