线性电源功率器件工作在线性状态,如我们常用的稳压芯片LM7805、LM317、SPX1117等。下图1是LM7805稳压电源电路原理图。
2023-03-01 09:56:08
7242 LLC/开关电源/高效率拓扑原理图/电路图
2022-06-24 15:01:26
27 Jupiter 1.0是一款符合中国国情的原理图设计软件,聚焦核心功能,覆盖原理图设计全流程,功能设计更智能化,界面操作更人性化,让硬件工程师使用得更愉悦、顺畅。为昕科技旨在通过新威廉希尔官方网站
提高硬件工程师
2022-04-11 13:47:20
车载笔记本电源电路原理图
2022-02-09 11:49:28
30 完整版华硕电脑电路原理图.pdf
2022-01-10 14:07:36
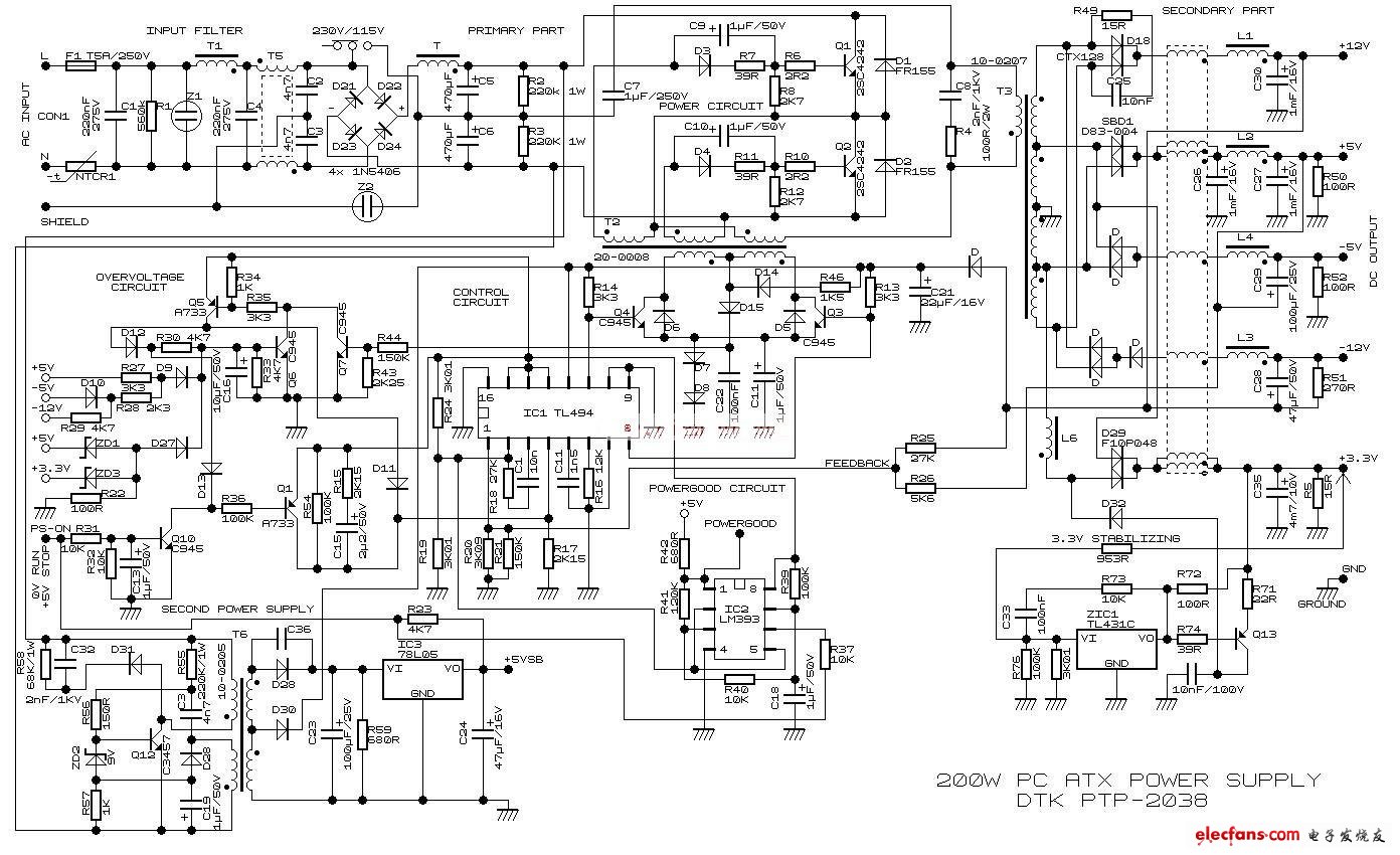
136 电脑开关电源电路图
2008-12-24 19:43:28
在电子电路世界中,如果一个电路有电源、导线、负载,其为封闭的连接方式的话,我们就称为电路。 其中电路有实际电路与原理图电路两种,实际电路是我们日常生活中接触的手机、电脑、笔记本、充电器等等,内部都会
2021-11-09 11:20:25
4281 
200+份电源电路设计原理图汇总
2021-09-30 16:38:10
212 TypeC移动电源原理图(开关电源威廉希尔官方网站
趋势)-TypeC移动电源原理图,希望对大家有所帮助。
2021-09-24 14:04:45
140 双路直流稳压电源电路原理图(理士电源威廉希尔官方网站
有限公司工伤图片)-文档为双路直流稳压电源电路原理图讲解文档,是一份不错的参考资料,感兴趣的可以下载看看,,,,,,,,,,,,,,,
2021-09-18 11:45:06
82 双稳压电源Protel工程电路原理图及PCB文件(通信电源威廉希尔官方网站
2020年第11期)-双稳压电源Protel工程电路原理图及PCB文件
2021-08-04 18:37:46
79 稳压电源Protel工程电路原理图及PCB文件(通信电源威廉希尔官方网站
期刊是核心期刊吗)-稳压电源Protel工程电路原理图及PCB文件
2021-08-04 18:32:09
77 辅助电源电路原理图免费下载。
2021-06-16 09:59:58
58 移动电源的电路原理图免费下载。
2021-06-11 17:04:15
76 双路直流稳压电源电路原理图设计方法说明。
2021-06-11 09:47:27
65 本文档的主要内容详细介绍的是数控电源Protel工程电路原理图及PCB文件免费下载。
2021-03-11 15:15:00
38 本文档的主要内容详细介绍的是双稳压电源的电路原理图免费下载。
2021-03-10 15:31:00
13 本文档的主要内容详细介绍的是3000VA UPS电源电路原理图免费下载。
2021-03-04 16:34:19
129 电源Protel工程电路原理图及PCB文件免费下载
2021-01-13 11:20:00
394 本文档的主要内容详细介绍的是联想E40系列笔记本电脑电路原理图合集免费下载。
2020-11-02 08:00:00
258 本文档的主要内容详细介绍的是宏基4750G笔记本电脑的电路原理图合集免费下载。
2020-09-07 08:00:00
51 本文档的主要内容详细介绍的是宏基4710Z笔记本电脑电路原理图合集。
2020-07-09 08:00:00
13 本文档的主要内容详细介绍的是设计数码相框的电源电路原理图免费下载。
2020-07-03 08:00:00
5 本文档的主要内容详细介绍的是Protel集成直流稳压电源电路原理图。
2020-06-08 08:00:00
3 本文档的主要内容详细介绍的是TPS51120笔记本电脑芯片的电路原理图免费下载。
2020-06-05 08:00:00
48 本文档的主要内容详细介绍的是A23平板电脑的电路原理图免费下载。
2020-05-28 08:00:00
81 本文档的主要内容详细介绍的是开关电源的电路原理图资料合集免费下载。
2020-05-19 08:00:00
205 本文档的主要内容详细介绍的是电源模块的电路原理图和PCB资料免费下载。
2020-03-24 08:00:00
24 本文档的主要内容详细介绍的是联想G475GX笔记本电脑的电路原理图免费下载。
2019-12-23 08:00:00
27 本文档的主要内容详细介绍的是九张ATX电源电路原理图合集免费下载。
2019-12-23 08:00:00
59 本文档的主要内容详细介绍的是笔记本电脑的电路原理图免费下载。
2019-12-10 08:00:00
80 本文档的主要内容详细介绍的是华硕815E笔记本电脑的电路原理图免费下载。
2019-12-02 08:00:00
21 本文档的主要内容详细介绍的是电源自动切换的电路原理图免费下载。
2019-11-12 08:00:00
60 本文档的主要内容详细介绍的是宏碁AS4739笔记本电脑电路原理图合集免费下载。
2019-08-21 08:00:00
96 本文档的主要内容详细介绍的是宏碁Acer 4250系列笔记本电脑电路原理图合集免费下载。
2019-08-21 08:00:00
90 本文档的主要内容详细介绍的是宏碁Aspire 4820T笔记本电脑电路原理图合集免费下载。
2019-08-21 08:00:00
72 本文档的主要内容详细介绍的是永利莱移动电源的电路原理图免费下载。
2019-07-17 08:00:00
10 本文档的主要内容详细介绍的是HP6440B笔记本电脑的电路原理图合集免费下载。
2019-07-09 08:00:00
168 本文档的主要内容详细介绍的是黑武士DCDC电源电路原理图免费下载。
2019-06-18 15:50:29
194 本文档的主要内容详细介绍的是ATX250 SG6105电脑电源的电路原理图免费下载。
2019-05-08 08:00:00
109 本文档的主要内容详细介绍的是移动电源的电路原理图免费下载
2019-03-25 08:00:00
24 本文档的主要内容详细介绍的是康佳电视的电源电路原理图免费下载。
2019-01-28 08:00:00
63 本文档的主要内容详细介绍的是辅助电源电路原理图资料免费下载。
2018-12-26 08:00:00
59 本文档的主要内容详细介绍的是瑞芯微平板电脑电路原理图资料免费下载。
2018-11-07 08:00:00
110 本文档的主要内容详细介绍的是Intel 华硕 A8J(945)电脑的详细原理图,电路图,和管脚图免费下载。
2018-06-19 08:00:00
91 海尔电视0094000731电源板电路原理图.pdf
2018-05-08 10:34:55
29 最全面的电源电路图PCB+原理图汇总
2018-03-29 11:28:34
159 瑞芯微平板电脑原理图
2017-05-02 08:50:46
28 电脑开关电源电路图大全,感兴趣的小伙伴们可以看看。
2016-07-22 16:30:28
68 12V开关电源电路原理图,感兴趣的小伙伴们可以看看。
2016-07-22 16:30:28
70 845E电脑主板电路原理图 好东西 做电子威廉希尔官方网站
的可以好好看看。
2016-04-22 11:06:08
17 计算机开关电源原理图电路分析,很好的资料,快来学习吧。
2016-04-19 11:30:48
45 5024板电源电路原理图 RSAG7.820.5024(电源板)
2015-12-14 15:10:33
36 又一款电源电路原理图.适合高要求的线性特性.
2015-12-04 11:52:31
28 面包板电源原理图,面包板电源原理图,面包板电源原理图
2015-11-19 11:28:00
133 845E电脑主板电路原理图,感兴趣的可以下载看看!
2015-10-29 17:13:21
75 一款300VA UPS电脑电源电路图。
2013-10-23 14:35:20
4347 
华硕电脑电路原理图解析
2013-09-09 16:23:44
1516 电子发烧友网站提供《开关电源电路原理图(PCB+原理图).doc》资料免费下载
2012-12-18 11:50:03
537 电脑开关电源电路图如下所示: 图 电脑开关电源电路图
2012-05-31 10:27:40
14750 
下图为车载功放电源电路原理图: 图 车载功放电源电路原理图
2012-05-28 15:54:42
27502 
下图是:笔记本电脑无线电源接收电路原理图 图 笔记本电脑无线电源接收电路原理图
2012-05-28 08:54:11
3102 
采用Yonah CPU的完整版华硕笔记本电脑电路原理图。
2010-11-02 15:01:54
11659 汽车电视逆变电源电路原理图
2009-12-29 16:42:26
274 市电电源监视电路原理图
市电电源监视电路如图1所示。 图1
2009-12-25 16:29:12
1303 功放电源电路原理图
这是一个可提供两种正负电源地功放电路。已经量产,但是这个电路的使用对象是有要求的,不能盲目的用在功放电路上,具
2009-12-25 11:59:45
18015 
胆机的电源电路和延时电路原理图
图1为
2009-12-21 19:01:17
17425 
ATX电源电路图全集 (九张ATX电源原理图):
2009-12-20 11:06:07
7402 845E电脑主板电路图,845E电脑主板原理图:
2009-07-23 15:15:37
3807 电路原理图
图 电路原理图
电
2009-07-21 16:55:58
2145 单端反激式开关电源实际电路原理图
图 单端反激式开关电源实际电路原理图
图为单端
2009-07-18 12:04:20
8048 
单端反激式开关电源电路原理图
图 单端反激式开关电源电路原理图
图2为单端反激式
2009-07-18 12:03:36
9847 
脉冲激光电源电路原理图
脉冲激光电源的原理方框图如图1所示。它由触发电路、主变换器电路和高压充放电电路等三大部分组成。其电路原理图如
2009-07-15 08:41:44
12091 
稳压电源电原理图电路图
2009-06-12 09:10:18
1413 
电源电原理图电路图
2009-06-12 09:01:51
1104 
电脑过热报警器电路及原理图
当电脑内部的温度超过规定的预置阈值时,扬声器发出温度过高报警。温度阈值可在0℃至100℃范围内自行调节。
2009-05-16 00:22:45
988 
NC-2T型开关电源电路图,原理图
2009-05-11 11:21:53
2930 
3000VA UPS电源电路原理图
2009-05-05 22:32:28
874 电脑选台FM收音机电路图,原理图
TDA7088T是飞利浦公司
2009-05-04 19:03:55
2688 
巨大XL-SV8型VCD机电源电路图-原理图
2009-04-28 22:44:03
1507 
爱多IV-820BK型VCD机电源电路图-原理图
2009-04-28 22:40:49
2787 
厦新8156型DVD机电源电路图-原理图
8156型DVD机电源电路如附图所
2009-04-28 16:03:25
2672 
50W音频放大器电源电路图,原理图
2009-04-26 15:05:56
1553 
89C51的直流稳压电源电路图 (含PCB和原理图)
2009-04-09 10:38:25
664 电脑选台FM收音机原理图
2009-01-15 12:48:05
1548 
电脑主板电路原理图830全集。
2008-12-10 13:52:08
5895 电脑主板电路原理图820-2,共40多张
2008-12-10 13:48:52
1726
电源逆变器电路原理图
2008-11-04 09:03:18
2009 
单相PWM逆变电源电路原理图
2008-11-04 09:00:32
2909 
ups电源原理图
2008-05-03 23:12:49
9079 
电脑开关电源电路图
(金星C6478电源)
2008-01-12 10:34:31
4646 
电脑主板电路原理图815E
2007-06-05 17:03:22
512
评论