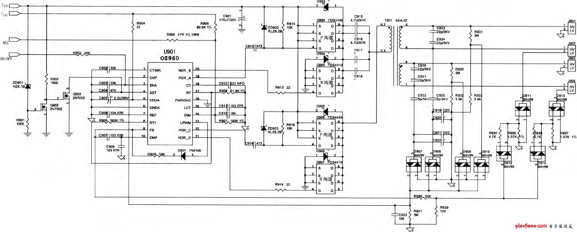
OZ960构成的高压板电路(点击放大)
OZ960构成的高压板电路
- 高压板(17376)
- OZ960(6202)
相关推荐
德索分享高压插头与高压插座的区别
高压插头和高压插座在结构和功能上有一定的区别,但它们共同构成了高压连接器系统,用于传输电力或信号,确保设备和电路的正常运行和通信。
2023-07-25 10:48:03
576
576
RT/duroid® 6006和6010.2LM层压板Rogers
Rogers RT/duroid®6006和6010.2LM层压板是陶瓷填充PTFE复合材质,设计适用于需用高介电常数的射频微波电源电路应用领域。 RT/duroid®6006和6010.2LM
2023-05-29 15:27:55
159
159DiClad® 870 和 880 层压板Rogers
Rogers DiClad®870和880层压板是玻璃纤维提高的PTFE复合材质,可以提供较低的导热系数,适用于各种低损耗应用的PCB基材。 DiClad®870和DiClad880层压板采用层数
2023-03-16 10:27:35
164
164Rogers CLTE™层压板介绍
Rogers CLTE™层压板是聚四氟乙烯树脂层压板,具备低热膨胀和相对介电常数稳定性能,低平面CTE,提供稳定性和相同的内嵌电阻性能。聚四氟乙烯树脂层压板的差异最少。CLTE™层压板长期与电阻箔
2023-02-15 14:00:11
477
477AD1000™ 层压板Rogers
Rogers AD1000™层压板隶属于高介电常数玻璃布强化PCB兼容电源电路微型化。 AD1000™层压板选用玻璃布增强PTFE/陶瓷填料复合层压板材料,介电常数(Dk)为10.2以上,同级别基材
2023-02-09 14:13:01
207
207电路板——覆铜箔层压板的三种类型
覆铜箔层压板有硬质覆铜箔层压板、柔性覆铜箔层压板和陶瓷覆铜箔层压板三大类: ①硬质覆铜箔层压板是由上胶的底材与电解铜箔(单面或双面)叠合、热压成型的印制电路基板。所用胶有酚醛和环氧两种,环氧覆铜箔
2022-11-06 10:57:35
652
652模拟前端(AFE)集成电路OZ9350英文手册
OZ9350是一款模拟前端(AFE)集成电路,可用于4到10个月的通信7电池组应用。OZ9350直接支持锂离子、锂聚合物、磷酸盐和铅酸性电池。
2022-03-28 15:39:11
42
42根据联控智能高压板viper12a降压小模块的电路画出的板子,通电后剧烈振荡,无法启动成功的解决办法
联控智能高压板降压小模块的电路图如下:其中VIPER12A是降压芯片,是ST公司出的SMPS(开关电源)控制芯片,利用buck型电路降压。(注意buck是降压的意思,boost是升压的意思)该小模块
2021-11-07 12:21:00
12
12液晶彩电高压板的电路构成和方案详细概述
高压板电路(逆变器)是一种DC-AC(直流-交流)变换器,它的工作过程就是开关电源工作的逆变过程。开关电源的作用是将市电电网的交流电压转变为稳定的Vcc电压(12V或24V),而高压板电路正好相反
2020-10-21 16:09:00
13
13一文看懂高压板的工作原理
高压板工作原理是由直流低电压转变成交流高电压。高压板应用在所有依赖CCFL灯管发光的设备,如工业控制LCD显示、平面灯显示、便携式液晶终端POS、移动DVD、数码相框、超簿广告箱、展示柜、工业控制设备等。
2020-01-14 10:53:29
11723
11723
PCB层压板的重要性
目前的世界需要高性能电子设备的创新,而这些设备又需要具有高度发展性能的PCB层压板,具有改进的电气属性和更好的机械稳定性。 PCB层压板制造商现在正在努力提供各种高性能层压板。这些新型电路板层压板
2019-08-05 16:30:49
3593
3593揭秘:液晶彩电高压板电路(逆变器)构成
电压(12V或24V),而高压板电路正好相反,它是将开关电源输出的Vcc电压(12V或24V)转变为高频(40~80kHz)的高压(600~800V)交流电。 高压板电路的种类较多,根据驱动电路的不同,主要有以下几种构成方案。 一、 “PWM控制芯片+Royer结构驱动电路”构成方
2019-03-13 17:43:01
2710
2710
TL5001构成计算机LCD显示器的高压电源的应用电路,TL5001 HIGH VOLTAGE APPLICATION
TL5001构成计算机LCD显示器的高压电源的应用电路,TL5001 HIGH VOLTAGE APPLICATION
关键字:TL5001,显示器高压应用电路
2018-09-20 20:34:54
1005
1005液晶彩电高压板的功能与识别方法介绍
在液晶彩电中,高压电路一般独立做成一个条状电路板,且输出的交流电压很高,故高压电路板俗称为高压板或高压条。其实,高压板还有很多叫法,如逆变电路或逆变器(Inverter)、背光灯驱动电路、背光灯电源等,由于这些叫法大都为人们所接受,因此,本书对这些叫法并不做统一。
2018-08-31 09:49:58
18916
18916显示器高压条电路图大全(两款模拟电路设计原理图详解)
本文主要介绍了显示器高压条电路图大全(两款模拟电路设计原理图详解),高压板电路是一种DC/AC(直流/交流)变换器,它的工作过程就是开关电源工作的逆变过程。开关电源是将市电电网的交流电压转变为稳定
2018-03-26 15:52:00
32218
32218
TL1451与Royer驱动电路构成的高压板电路
采用PWM控制芯片+Royer结构驱动电路 的高压板电路中,PWM控制Ic主要采用TL1451、BA9741、BA9743、SP9741、BI3101、BI3102、TL494、KA7500等。TL1451是一个PWM控制芯片,在开关电源、逆变电路中有着广
2012-04-05 11:43:37
7058
7058
OZ9RR与推挽驱动电路构成的高压板电路
OZ9RR是凸凹公司(OZMicro)生产的背光灯高压逆变PWM控制芯片、具有如下特点:工作频率恒定,且工作频率可被外部信号所同步;内置同步式PWM灯管亮度控制电路,亮度控制范围宽;内置
2012-04-05 11:40:10
6419
6419
基于BIT3106的高压板电路
BIT3106是PWM控制芯片,其内部电路相当于由两个BIT3105复合而成。基于BIT3106的 高压板电路 (点击放大):
2012-04-05 11:24:24
3493
3493
PWM控制芯片+推挽结构驱动电路高压板电路构成
“PWM控制芯片+推挽结构驱动电路”构成方案的基本结构形式,推挽结构不适用于笔记本电脑,但对于液晶显示器和液晶彩电非常理想,因为逆变器直流电源电压通常会稳定在±20%以内
2012-02-02 14:23:59
29085
29085
PWM控制芯片+Royer结构高压板电路构成方案
“PWM控制芯片+Royer结构驱动电路”构成方案的基本结构形式,该高压板电路主要由驱动控制电路(振荡器、调制器)、直流变换电路、Royer结构驱动电路、电压和电流检测电路、CCFL等组成。
2012-02-02 14:19:25
6658
6658
高压板概述及功能
正规英文名:CCFL Inverter 正规中文名:冷阴极荧光灯逆变器。
名字来源: 由于其工作原理是由直流低电压转变成交流高电压,因此俗称为“高压板”或“高压条”
2010-11-24 12:23:34
1866
1866PCB威廉希尔官方网站 覆铜箔层压板
PCB威廉希尔官方网站
覆铜箔层压板
覆铜箔层压板是制作印制电路板的基板材料,它除了用作支撑各种元器件外,并能实现它们之间的电气连
2009-11-18 14:03:44
1361
1361OZ盎司在线路板(PCB)中的意义
OZ盎司在线路板(PCB)中的意义
1OZ意思是1平方英尺的面积上平均铜箔的重量在28.35g,用单位面积的重量来表示铜薄的平均厚度!
2009-09-30 09:42:30
3443
3443基于DSP和OZ890的电池管理系统设计
基于DSP和OZ890的电池管理系统设计
本文从设计要求和功能出发,设计了一种用于混合动力汽车的电池管理系统。其中硬件系统包括:电源模块、基于OZ8
2009-07-26 23:02:35
1516
1516
电子发烧友App










评论