DC-DC模块电源越来越多地应用于通信、工业自动化、电力控制、轨道交通、矿业、军工等行业。模块化的设计可以有效简化客户的电路设计,提升系统的可靠性和维护效率。那么,如何提升基于DC-DC模块的电源系统的可靠性?本文就这个主题作简要分析与探讨。
2023-08-17 16:07:58
360 
DC-DC开关控制芯片的选型是电子工程师在开发和设计电源转换电路时不可或缺的一个重要环节。合适的芯片能够带来高效、稳定的电源输出,从而提高产品的性能和可靠性。本文将介绍DC-DC开关控制芯片的选型原则、标准和注意事项。
2023-07-14 15:08:54
535 DC-DC电路设计采用LMR14030芯片实现交流24V转换成直流5V,给GSM模块供电,基中LMR14030芯片的EN脚连接一个开关,用于控制电路开关的功能,在小批量生产测试时发现,电路板未安装外壳的情况下工作正常,安装外壳后,测试时发现电源会在GSM发送数据时发生掉电的情况。
2023-05-12 11:43:29
1394 
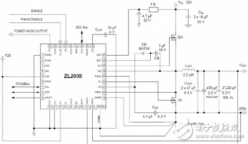
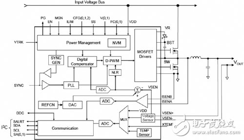
数字DC-DC转换器控制原理本文介绍了ZL2008的主要特性,方框图以及采用ZL2008的12V到1.8V/16A应用电路图.   &
2009-10-23 10:59:50
最早的时候,我们都是自己搭建电源供电电路,现在已经有很多集成芯片。DC-DC电路在电子产品中也是随处可见。本文与大家分享一些DCDC电路设计的一些基本知识。
2022-12-06 11:34:37
819 上一篇我们科普了开关电源,在提到的开关电源中我们常用也就DC-DC电路,所以从今天开始将进入到我们的DC-DC电路专题。
2022-09-19 16:42:34
880 
DC-DC转换器一般由控制芯片,电感线圈,二极管,三极管,电容器构成。在讨论DC-DC转换器的性能时,如果单针对控制芯片,是不能判断其优劣的。其外围电路的元器件特性,和基板的布线方式等,能改变电源电路的性能,因此,应进行综合判断。
2022-05-30 14:56:26
2736 DC-DC转换器一般由控制芯片,电感线圈,二极管,三极管,电容器构成。在讨论DC-DC转换器的性能时,如果单针对控制芯片,是不能判断其优劣的。其外围电路的元器件特性,和基板的布线方式等,能改变电源电路的性能,因此,应进行综合判断。
2021-12-30 15:31:43
1822 主板电源DC-DC电路设计之电容的选择
2021-11-18 17:15:23
10                 (接上文)  上文讨论了LDO的原理和特性,本文再分析一下DC-DC。二、DC-DCⅠ 原理  DC-DC是一种在直流电路中将一个电压值的电能变为另一个电压值的电能
2021-11-09 18:36:01
15 轻松解决DC-DC电源模块常见应用问题2017-06-21 11:18 来源:ZLG致远电子 原标题:轻松解决DC-DC电源模块常见应用问题微功率DC-DC电源模块以高集成度、高可靠性、简化设计等
2021-11-09 17:06:01
30 1、A产品的DC-DC电路受干扰掉电      DC-DC电路设计采用LMR14030芯片实现交流24V转换成直流5V,给GSM模块供电,基中LMR14030芯片的EN脚连接一个开关,用于控制电路
2021-11-07 13:06:00
18 第1条、 搞懂DC-DC电源怎么回事DC-DC电源电路 又称为DC-DC转换电路,其主要功能就是进行输入输出电压转换。一般我们把输入电源电压在72V以内的电压变换过程称为DC-DC转换。常见的电源
2021-10-22 17:36:09
20 DC-DC模块电源的反馈电路和设计方法(电源威廉希尔官方网站
作业答案)-该文档为DC-DC模块电源的反馈电路和设计方法总结文档,是一份不错的参考资料,感兴趣的可以下载看看,,,,,,,,,,,,,,,,,
2021-09-22 14:39:23
23 DC-DC降压电路(深圳市优能电源威廉希尔官方网站
有限公司)-DC-DC降压电路,有需要的可以参考!
2021-09-15 18:17:15
112 DC-DC电源基础知识(现代电源威廉希尔官方网站
发展综述)-DC-DC电源基础知识,有需要的可以参考!
2021-09-15 18:16:34
94 紧凑型全桥DC-DC隔离电源电路设计(电源威廉希尔官方网站
图解大全)-紧凑型全桥DC-DC隔离电源电路设计                        
2021-08-31 19:41:55
61 基于PID控制的DC-DC升压开关电源设计(通信电源威廉希尔官方网站
文件)-该文档为基于PID控制的DC-DC升压开关电源设计简介文档,是一份很不错的参考资料,具有较高参考价值,感兴趣的可以下载看看………………
2021-08-04 15:45:36
39 本文分析了基于单片机控制的DC-DC变换电路,控制系统设计采用LM2577和LM2596设计升压电路和降压电路,控制buck电路的接通关断,以保证DC-DC的变换。
2017-12-15 16:14:49
14310 
文介绍了ZL2008主要特性,12V输入输出1.8V/16A应用电路图, 三相均流方框图以及ZL2008EVAL1Z评估板主要特性。
2014-11-24 10:55:10
1489 全桥结构在电路设计当中有着相当广泛的作用。本文介绍了一种基于全桥DC-DC的隔离电源设计。
2014-09-22 11:09:25
7061 LED驱动电源的后级DC-DC恒流电路采用LLC谐振半桥的拓扑结构,并通过输出的电流电压双环反馈来实现恒流限压功能。LLC谐振半桥DC-DC恒流电路的功率部分包括了谐振电路和输出整流电路,
2013-05-27 16:27:38
288 DC-DC模块的电源纹波测量方案
干净的电源是数字电路稳定工作的前提,也是模拟器件的各项参数的重要保障。DC/DC模块的电源纹波指标是一项很重要
2010-04-02 14:47:39
1725 
用max1674的DC-DC电路设计
 好多朋友遇到用电池做电源供电的情况,在这我提供一种使用max1674的DC/DC方案,希望大家能派上用场,也希望大家能实
2009-12-25 12:07:20
2545 
DC-DC模块的电源纹波指标的测试方法:DC-DC 模块的电源纹波指标是一项很重要的参数。干净的电源是数字电路稳定工作的前提,也是模拟器件的各项参数的重要保障。为了确定我
2009-09-08 00:43:28
94 Intersil公司近日宣布,推出高性能同步降压DC-DC转换器ZL2008,带有引脚设置(pin-strap)补偿和电流分配功能。
ZL2008发挥了Zilker Labs专利的Digital-D
2009-05-27 09:32:04
551 
DC-DC变换的开关电源电路图
2009-05-13 15:02:09
1806 
 
                     
                
评论