一、 开关电源的电路组成
开关电源的主要电路是由输入电磁干扰滤波器(EMI)、整流滤波电路、功率变换电路、PWM控制器电路、输出整流滤波电路组成。辅助电路有输入过欠压保护电路、输出过欠压保护电路、输出过流保护电路、输出短路保护电路等。
开关电源的电路组成方框图如下:

二、 输入电路的原理及常见电路

① 防雷电路:当有雷击,产生高压经电网导入电源时,由MOV1、MOV2、MOV3:F1、F2、F3、FDG1 组成的电路进行保护。当加在压敏电阻两端的电压超过其工作电压时,其阻值降低,使高压能量消耗在压敏电阻上,若电流过大,F1、F2、F3 会烧毁保护后级电路。
② 输入滤波电路:C1、L1、C2、C3组成的双π型滤波网络主要是对输入电源的电磁噪声及杂波信号进行抑制,防止对电源干扰,同时也防止电源本身产生的高频杂波对电网干扰。当电源开启瞬间,要对 C5充电,由于瞬间电流大,加RT1(热敏电阻)就能有效的防止浪涌电流。因瞬时能量全消耗在RT1电阻上,一定时间后温度升高后RT1阻值减小(RT1 是负温系数元件),这时它消耗的能量非常小,后级电路可正常工作。
③ 整流滤波电路:交流电压经BRG1整流后,经C5滤波后得到较为纯净的直流电压。若C5容量变小,输出的交流纹波将增大。
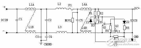
2、 DC 输入滤波电路原理:

① 输入滤波电路:C1、L1、C2组成的双π型滤波网络主要是对输入电源的电磁噪声及杂波信号进行抑制,防止对电源干扰,同时也防止电源本身产生的高频杂波对电网干扰。C3、C4 为安规电容,L2、L3为差模电感。
② R1、R2、R3、Z1、C6、Q1、Z2、R4、R5、Q2、RT1、C7组成抗浪涌电路。在起机的瞬间,由于 C6的存在Q2不导通,电流经RT1构成回路。当C6上的电压充至Z1的稳压值时Q2导通。如果C8漏电或后级电路短路现象,在起机的瞬间电流在RT1上产生的压降增大,Q1导通使 Q2没有栅极电压不导通,RT1将会在很短的时间烧毁,以保护后级电路。
电子发烧友App



































评论