当我们谈论到电力系统中的滤波器时,有源滤波器无疑是一个重要的话题。有源滤波器可以对电网带来深远的影响。既如此,有源滤波器对于电网都有哪些影响呢?
2023-10-11 15:23:37
115 。图4-1 分别为四种滤波器的实际幅频特性的示意图。 图4-1 四种滤波器的幅频特性2.四种滤波器的传递函数和实验模拟电路如图4-2 所示:(a)无源低通滤波器 (b)有源低通滤波器 (c) 无源
2008-09-24 11:11:38
有源滤波器和无源滤波器是两种经常用于电子电路中的滤波器类型。虽然它们都可以用于过滤电信号中的某些频率,但它们之间还存在一些不同的差异。 1.工作原理 无源滤波器主要依靠被动元件(如电容、电感、电阻等
2023-08-11 10:23:44
703 有源滤波器将有源元件引入滤波电路;有源元件是由外部电源而不是信号本身单独供电的组件。
2023-07-19 11:47:13
576 
滤波器是无线通信的重要元器件,目的是让需要的信号通过,把不需要的信号排除在外。滤波器与晶振一样,都有有源和无源之分。
2023-06-12 11:34:19
714 
有源滤波器是可以主动出击,去它该去的地方,主动检测谐波的情况,并产生大小相等、方向相反的电流去抵消该谐波电流,从而达到谐波治理的目的。像有源谐波滤波器就是该类滤波器。
2023-05-09 10:54:38
383 滤波器可以对电源线中特定频率的频点或该频点以外的频率进行有效滤除,得到一个特定频率的电源信号,或消除一个特定频率后的电源信号。按所采用的元器件可以分类为无源滤波器、有源滤波器。
2023-02-28 09:39:25
1056 
有源滤波器是整治谐波的合理的方法,那麼如何挑选有源滤波器就变成了难点。选择有源滤波器时,应考虑的因素包括:频率范围、增益、抑制电网中的电磁干扰、放大器的噪声等。应根据应用的要求,确定有源滤波器的参数,以确保其能够满足应用的要求。
2023-02-22 11:05:11
2103 有源滤波器之所以称为有源,顾名思义该装置需要提供电源(用以补偿主电路的谐波),其应用可克服LC滤波器等传统的谐波抑制和无功补偿方法的缺点(传统的只能固定补偿),实现了动态跟踪补偿,而且可以既补谐波又补无功。
2023-02-22 10:46:47
2772 
有源滤波器和电容补偿柜的主要区别在于,有源滤波器是一种电子电路,可以用来控制信号的频率和增益,而电容补偿柜是一种电容补偿装置,可以用来抑制电网中的电磁干扰。
2023-02-22 10:33:26
2933 有源滤波器的配置主要取决于滤波器的类型,以及滤波器的设计要求。一般来说,需要确定滤波器的频率范围、阻抗、插入损耗、增益等参数,然后根据这些参数来设计滤波器的电路。
2023-02-22 10:27:08
1154 有源滤波器之所以称为有源,顾名思义该装置需要提供电源(用以补偿主电路的谐波),其应用可克服LC滤波器等传统的谐波抑制和无功补偿方法的缺点(传统的只能固定补偿),实现了动态跟踪补偿,而且可以既补谐波又补无功。
2023-02-22 10:17:00
1031 
  滤波器分为有源滤波器和无源滤波。有源滤波器主要有,Sallen-Key和Multiple Feedback滤波器。 现在介绍一款有源滤波器的设计工具,这是一款ADI自带的设计工具。比如我们需要设计一个,截止频率为2Mhz(-3dB),增益为5(V/V),阻带为4Mhz(30dB)滤波器。
2022-11-23 16:06:28
2889 
二阶有源带通滤波器原理详解
2022-11-21 11:00:49
2039 二阶有源高通滤波器原理详解
2022-11-18 09:48:10
1929 一阶有源滤波器原理详解
2022-11-14 09:52:23
1547 有源滤波器和无源滤波器的原理及区别是什么?相信业内人士对此问题很感兴趣,今天深圳市维爱普电子有限公司就给大家介绍一下!
2022-05-12 10:54:32
8142 滤波器是一种对信号有处理作用的器件或电路,主要有由电容、电感和电阻组成,常用滤波器有数字滤波器、程控滤波系统、无源滤波器和有源滤波器。那么滤波器有哪些优缺点呢?
2022-01-21 15:34:29
9925 基础知识,方便大家在使用该设备时有所帮助。有源电力滤波器比无源LC滤波器有什么优点相对于无源LC滤波器的只能被动吸收固定频率与大小的谐波而言,有源电力滤波器可以通过采样负载电流并进行各次谐波和无功
2022-01-10 14:41:30
2 有源电力滤波器,简称APF,是一种用于动态抑制谐波、补偿无功的新型电力电子装置,它能够对大小和频率都变化的谐波进行实时治理。何谓有源呢?就是需要提供电源补偿主电路的谐波,这种方式可以克服传统滤波器
2022-01-10 14:34:28
5 **跟踪补偿,之所以称为有源,是相对于无源LC滤波器,只能被动吸收固定频率与大小的谐波而言。APF可以通过采样负载电流并进行各次谐波和无功的分离,控制并主动输出电流的大小、频率和相位,并且**响应,抵销负载中相应电流,实现了动态跟踪补偿,而且可以既补谐波又补无功和不平衡。
2021-10-09 14:49:46
4521 有源滤波器(Active Power Filter,简称APF)是一种用于动态抑制谐波、补偿无功的新型电力电子装置。
2021-07-08 11:34:30
18044 无源滤波器由无源器件R、L、C组成,将其设计为某频率下极低阻抗,对相应频率谐波电流进行分流,其行为模式为提供被动式谐波电流旁路通道。 无源滤波器可分为两大类: 调谐滤波器和高通滤波器。无源滤波器结构
2021-06-25 16:19:53
4451 什么情况下用有源滤波器 分为以下几种: 1、当系统中谐波严重且无功需求较大时,既需要有源滤波器进行谐波治理,又需要无功补偿装置进行无功补偿。当然有源滤波器也可以进行无功补偿,但是成本较高,所以才选择
2021-05-07 18:00:01
5762 本文介绍了有源EMI滤波器的工作原理,并对现有的有源EMI滤波威廉希尔官方网站
进行了分析对比,结合具体样例,总结了各方案的优缺点,最后对有源EMI滤波器的设计难点和发展方向进行了说明。目前有源EMI滤波器的成本和稳定性问题,是限制其推广应用的主要原因。
2020-11-13 14:52:47
7177 
工业项目设计图纸中中,基本都会涉及到有源滤波器与无功补偿装置,那么有源滤波器究竟有哪些期间组成呢?这样才能为项目选择更好、性价比更高的有源滤波器呢? LBAPF有源滤波器主要是由IGBT、直流电
2020-07-23 10:03:44
3081 APF(Active Powder Filter)有源电力滤波器就是一种用在动态抑制谐波、补偿无功的新型的电力电子装置,它能够对大小及频率都变化的谐波以及变化的无功进行补偿,之所以称为有源。
2020-03-31 20:17:00
6715 滤波101: 有源与无源
2019-08-13 06:04:00
2189 关于滤波器想必大家都了解,滤波器根据用途不一样,工作原理的不一样,分为许多种类型,其中就有有源电力滤波器和无源电力滤波器,那它们之间有着什么样的区别呢?下面就为大家分析有源电力滤波器与无源电力滤波器之间的区别。
2018-11-06 10:09:41
10556 跟踪补偿,之所以称为有源,是相对于无源LC滤波器,只能被动吸收固定频率与大小的谐波而言。最有名的北 京 领 步公 司的APF可以通过采样负载电流并进行各次谐波和无功的分离,控制并主动输出电流的大小
2018-11-06 09:57:49
5249 有源滤波器可用来对系统的谐波电流、无功电流进行综合补偿。本文根据电气化铁道的发展水平研究了用于补偿谐波及无功电流的有源滤波器。由有源滤波器的工作原理可知其由两大部分组成:谐波及无功电流检测电路及补偿
2018-10-02 14:11:11
3526 本文首先介绍了有源滤波结构图,其次介绍了有源滤波器原理图,最后介绍了有源滤波器的作用。有源滤波器之所以称为有源,顾名思义该装置需要提供电源(用以补偿主电路的谐波),其应用可克服LC滤波器等传统的谐波抑制和无功补偿方法的缺点(传统的只能固定补偿),实现了动态跟踪补偿,而且可以既补谐波又补无功。
2018-08-31 17:49:20
32547 本文首先介绍了有源滤波器的优缺点,其次介绍了有源滤波相对于无源滤波的优势,最后阐述了有源滤波器威廉希尔官方网站
参数。受硬件限制,在大容量场合无法使用:有源滤波容量单套不超过100千伏安,目前最高适用电网电压不超过690伏
2018-08-31 17:44:52
25387 本文首先介绍了有源滤波器的特点,其次介绍了有源滤波器分类。有源滤波器,又名APF,目前其在配电系统中的应用越来越广泛了,它通常被打包在成套柜内一起供货。有源电力滤波器是一种用于动态抑制谐波、补偿无功的新型电力电子装置,它能够对大小和频率都变化的谐波以及变化的无功进行补偿。
2018-08-30 19:02:37
10672 本文首先介绍了有源电力滤波器的作用,其次介绍了有源电力滤波器的优缺点,最后阐述了有源电力滤波器发展趋势。有源电力滤波器的优点:1、有较快的响应能力、2、可靠性高、3、有着大容量的补偿力、4、简单的操作方法和结构、5、高性价比、6、节能降耗能力。
2018-08-30 18:58:49
12888 本文首先介绍了有源电力滤波器原理图,其次介绍了有源电力滤波器基本原理详解,最后介绍了有源电力滤波器功能。有源电力滤波器是一种用于动态抑制谐波、补偿无功的新型电力电子装置,能对动态谐波和频率、无功进行动态补偿,其应用可克服LC滤波器等传统的谐波抑制和无功补偿方法的缺点。
2018-08-30 18:53:44
30230 本文主要详细阐述了有源电力滤波器分类。有源电力滤波器是一种用于动态抑制谐波、补偿无功的新型电力电子装置,它能够对不同大小和频率的谐波进行快速跟踪补偿,之所以称为有源,是相对于无源LC滤波器,只能被动
2018-08-30 18:47:19
9410 有源电力滤波器(Active Power Filter,简称APF)是一种用于动态抑制谐波、补偿无功的新型电力电子装置,它能够对大小和频率都变化的谐波以及变化的无功进行补偿。有源滤波器之所以称为有源
2018-08-15 17:22:36
50 结合电力系统无功补偿与谐波治理的基本原则,对基于瞬时无功功率理论的传统谐波电流检测方法在有源电力滤波器中的应用进行了简要分析,进而提出了以电网电压为参考基准,以实现各种非线性负载及阻感、阻容性负载向
2018-02-12 16:57:15
2 有源电力滤波器是一种用于动态抑制谐波、补偿无功的电子装置。它能对大小和频率都变化的谐波及无功进行补偿。
2018-02-07 18:03:10
1540 有源电力滤波器(APF:Active power filter)是一种用于动态抑制谐波、补偿无功的新型电力电子装置,它能够对不同大小和频率的谐波进行快速跟踪补偿,之所以称为有源,是相对于无源LC
2017-11-08 11:16:06
9205 有源滤波器是一种用于动态抑制谐波、补偿无功的新型电力电子装置,它能够对大小和频率都变化的谐波以及变化的无功进行补偿。本文将介绍有源滤波器的工作原理以及它的应用。
2017-10-25 14:17:58
14410 
有源电力滤波器(Active Power Filter,简称APF)是一种用于动态抑制谐波、补偿无功的新型电力电子装置,它能够对大小和频率都变化的谐波以及变化的无功进行补偿。
2017-10-25 11:25:32
9055 有源滤波器之所以称为有源,顾名思义该装置需要提供电源(用以补偿主电路的谐波),其应用可克服LC滤波器等传统的谐波抑制和无功补偿方法的缺点(传统的只能固定补偿),实现了动态跟踪补偿,而且可以既补谐波又
2017-10-25 11:02:35
11974 
有源电力滤波器(APF)是一种用于动态抑制谐波、补偿无功的新型电力电子装置,它能够对大小和频率都变化的谐波以及变化的无功进行补偿。之所以称为有源,顾名思义该装置需要提供电源(用以补偿主电路的谐波
2017-10-25 10:22:55
13638 有源电力滤波器(Active Power Filter,简称APF)是一种用于动态抑制谐波、补偿无功的新型电力电子装置,它能够对大小和频率都变化的谐波以及变化的无功进行补偿。如今很多市场上出现了很多
2017-10-25 08:34:48
30704 有源滤波(APF)与无源滤波(FC)在滤波原理上是不同的,无源滤波器由LC等被动元件组成,将其设计为某频率下极低阻抗,对相应频率谐波电流进行分流,其行为模式为提供被动式谐波电流旁路通道;而有源滤波器由电力电子元件和DSP等构成的电能变换设备,检测负载谐波电流并主动提供对应的补偿电流.
2017-07-25 12:09:49
149042 
有源滤波器之所以称为有源,顾名思义该装置需要提供电源(用以补偿主电路的谐波),其应用可克服LC滤波器等传统的谐波抑制和无功补偿方法的缺点(传统的只能固定补偿),实现了动态跟踪补偿,而且可以既补谐波又补无功;
2017-05-04 09:28:08
3807 
LC滤波器也称为无源滤波器,是传统的谐波补偿装置。LC滤波器之所以称为无源滤波器,顾名思义,就是该装置不需要额外提供电源。LC滤波器一般是由滤波电容器、电抗器和电阻器适当组合而成,与谐波源并联,除起滤波作用外,还兼顾无功补偿的需要
2017-05-03 11:19:24
16923 
并联混合型有源电力滤波器中无源滤波器设计与优化_王玲玲
2017-01-08 10:10:36
2 变频电网有源电力滤波器的无源控制策略_高峰
2017-01-07 18:12:51
0 几乎每个电子系统都有 滤波器 ,无论是无源的,有源的还是数字的。工程师通常开始在心里就决定了滤波器的频率响应和类型。从设计规范阶段开始,工程师就应该明确每个滤波器所
2011-09-05 13:57:53
1766 
滤波器是一种只传输指定频段信号,抑制其它频段信号的电路。 滤波器分为无源滤波器与有源滤波器两种: ① 无源滤波器: 由电感L、电容C及电阻R等无源元件组成 ② 有源滤波器: 一般
2011-04-13 11:02:01
1043 重点介绍了四阶带通滤波器的设计方法,并给出设计思路和调试方法.仿真结果验证了设计和调试方法的正确性.关键词:滤波器;无功补偿;仿真静止式无功补偿装置在国内外
2010-07-24 23:15:21
62 有源滤波器的特点及分类
有源滤波器的特点
有源滤波器的
2010-05-19 11:47:10
14790 
有源滤波器的特点
有源滤波器的频率范围是由直流到500KHZ,在低频范围内已取代了传统的LC滤波器。特别是在很低频率下不可能实现LC滤波器,但有源滤波器
2010-05-19 10:31:01
4437 APF PCS 有源滤波器功能有哪些
在本文中,我们将就APF PCS的四大功能: 动态补偿、抑制谐振、无功补偿、主动(有源)滤波进行详细介绍。
2010-03-24 17:41:44
1976 APF PCS 有源电力滤波器 
  APF PCS有源滤波器具有:有源滤波、动态补偿、抑制谐振、补偿无功功率等四大功能。产品为成套设备体积
2010-03-24 17:40:31
949 电力有源滤波器威廉希尔官方网站
的探讨
随着大功率开关器件的日益广泛应用,电力系统谐波抑制及无功补偿问题变得日益迫切,电力有源滤波
2010-03-24 17:38:48
1206 Elspec电容滤波柜PK有源滤波器
TSC低压动态无功补偿是采用晶闸管作为开关,投切电力电容器组、实现无功补偿的装置。该装置能有效改善用电负荷的功率
2010-03-24 17:32:59
2345 有源滤波器,有源滤波器是什么意思
一、基本概念:  有源电力滤波器(APF)是一种用于动态抑制谐波、补偿无功的新型电力电
2010-03-24 14:09:19
4255 无源带通滤波器电路,有源带通滤波器电路图
1. 根据幅频特性所表示的通过或阻止信号频率范围的不同,滤波器可分为低通滤波器(LPF)、
2010-02-26 14:07:32
7568 
补偿电铁谐波及无功电流的有源滤波器的研究
 0 引 言 
  电铁牵引负荷对电力系统的影响主要反映在功率因数、负序及高次谐波电流等方面。负序电流
2009-11-12 17:30:37
645 
将无源滤波器和有源滤波器组合起来的混合型滤波器综合了有源和无源滤波器的优势,对电力系统的性能的提高具有更好的作用。目前市场的混合型有源滤波器主要是针对不同工况
2009-09-12 15:53:55
5 将无源滤波器和有源滤波器组合起来的混合型滤波器综合了有源和无源滤波器的优势,对电力系统的性能的提高具有更好的作用。目前市场的混合型有源滤波器主要是针对不同工况
2009-09-11 16:55:14
38 有源滤波器的等效电路 
 
图 有源滤波器的等效电路 
在有源滤波器中,每个半桥臂由全控
2009-07-18 11:55:11
986 
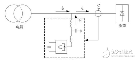
有源滤波器的主电路 
 
图1有源滤波器的主电路 
有源电力滤波器一般设计成电压
2009-07-18 11:54:14
1941 
有源滤波器
2009-04-15 10:51:48
605 
对于大容量谐波与无功功率补偿,提出了采用混合型有源电力滤波器以及混合型滤波器与无源滤波器并联补偿的方式,分析了并联运行时混合型滤波器与无源滤波器之间相互配合进
2009-04-06 14:06:22
19 1) 学习有源滤波器的设计方法;2) 掌握有源滤波器的安装与调试方法;3) 了解电阻、电容和Q值对滤波性能的影响。1)根据有源滤波器的威廉希尔官方网站
指标要求,选择逼近函数,选用
2008-12-01 11:41:34
73 无源与有源滤波器频率特性研究
一、实验目的1. 了解RC 无源和有源滤波器的种类、基本结构及其特性;2.分析和对比无源和有
2008-09-24 11:09:43
10914 
13.2  有源低通滤波器(LPF)13.2.1 低通滤波器的主要威廉希尔官方网站
指标13.2.2 简单一阶低通有源滤波器13.2.3 简单二阶低通有源滤波器13.2.4 二阶压控型低通有源滤波器13.2.5 二阶反
2008-05-13 08:35:39
219  
                     
                
评论