
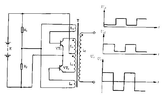
自激推挽逆变电路图
电子发烧友App
硬声App
完善资料让更多小伙伴认识你,还能领取20积分哦,立即完善>
电子发烧友网>电子威廉希尔官方网站 应用>电路原理图>电源>保护电路图>自激推挽逆变电路图
相关推荐
498
215
201
210
117
1269
3640
33
5528
162
24136
13999
4239
7643
11866
评论