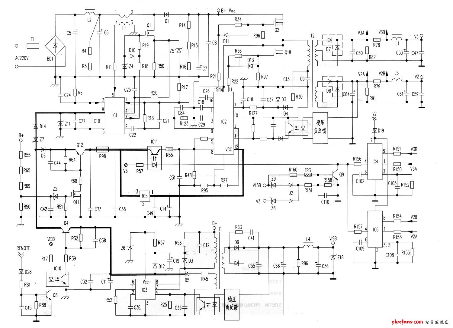
力信LCD开关电源电路(点击放大):
力信LCD开关电源电路
- 开关电源电路(23413)
- lcd(162403)
相关推荐
开关电源电路图及原理详解
开关电源是一种交直流电转换的电源装置,它通过开关管的开关动作,以高频率将输入电压切换为脉冲信号,然后通过整流滤波电路将其转换为直流电压输出。开关电源具有高效率、小体积、轻重量、稳定性好等特点
2023-10-10 09:56:20
525
525
降压式开关电源与升压式开关电源有什么区别?
将输入电压变低为输出电压,而升压式开关电源则将输入电压变高为输出电压。 电路结构:降压式开关电源的电路结构与升压式开关电源的电路结构有所不同。降压式开关电源通常采用降压电路,该电路由开关元件和变压器组成。而
2023-09-05 16:05:10
590
590模拟电源和开关电源的区别
电压,而开关电源则是通过开关器件的开关操作,通过高频脉冲变压器将输入电源转换成适合要求的电流电压输出。 一、模拟电源 模拟电源的工作原理是通过一个输入变压器变压,然后再通过一个整流滤波电路将输入电源中的交流信
2023-08-18 15:02:07
556
556开关电源常用拓扑电路详解
开关电源常用拓扑电路详解 开关电源是一种通过高频开关器件将输入电源转化为稳定输出电源的电力转换威廉希尔官方网站
。它已经被广泛应用于计算机、通讯、工业控制、新能源等领域。开关电源拓扑电路是开关电源的核心,它决定
2023-08-18 14:07:16
729
729开关电源谐振电路原理是什么?
开关电源谐振电路原理是什么? 开关电源谐振电路原理是非常重要的电路之一,在电力系统中广泛应用。它是一种高效能、高可靠性、高精度的电源,被用于工业自动化、信息、通讯、计算机等领域。 在交流电源
2023-08-18 11:39:20
485
485开关电源电路原理详解
开关电源电路原理详解 开关电源是一种高效率、小体积的电源形式,应用范围非常广泛,特别是在电子、通信等领域中,开关电源的应用越来越多。开关电源电路的核心是开关器件和控制电路,能够快速地开关电源的开关
2023-08-18 11:14:06
605
605开关电源的使用问题
我使用的开关电源有两个相互隔离的输出,一个15V,一个7V。15V经转换后给模拟电路部分供电,7V经转换后给数字电路部分供电。由于模数转换时必然要共地,这样实际上使得本来隔离输出的15V和7V电源也共地了,这对开关电源有没有什么影响?
2012-08-24 15:12:09
简单的开关电源电路图
开关电源电路图是学习开关电源必须资料,而开关电源作为电子设备中不可缺少的一部分,了解开关电源原理图或开关电源电路图,对从业开关电源维修的朋友来说,是相当有用的。
2022-08-22 08:54:19
15158
15158关于同步开关电源和异步开关电源
关于同步开关电源和异步开关电源,关于同步开关电源和非同步开关电源,关于开关电源同步和异步,关于开关电源同步和非同步,关于开关电源同步升压和异步升压,关于开关电源同步升压和非同步升压,如下图所示:...
2021-10-21 14:06:06
57
57saber仿真开关电源教程
saber仿真开关电源教程(力普拉斯电源威廉希尔官方网站
有限公司招聘)-用于开关电源软件开发。可以通过软件对电路设计进行相关的仿真,减少了开发的周期。
2021-09-30 09:49:43
118
118开关电源的好资料,开关电源各部电路祥解
开关电源的好资料,开关电源各部电路祥解(村田电源威廉希尔官方网站
(上海有限公司深圳分公司)-是一本设计开关电源的好资料,开关电源各部分电路详解,详细介绍开关电源的组成原理。
2021-09-22 17:52:34
538
538开关电源(Buck电路)的小信号模型及环路设计
开关电源(Buck电路)的小信号模型及环路设计(实用电源威廉希尔官方网站
答案)-开关电源(Buck电路)的小信号模型及环路设计
2021-09-18 10:03:12
69
69开关电源的PCB设计规范.doc开关电源的PCB设计规范.doc
开关电源的PCB设计规范.doc开关电源的PCB设计规范.doc(深圳市科奥信电源威廉希尔官方网站
有限公司怎么样?)-开关电源的PCB设计规范.doc
2021-08-04 16:19:01
164
16413003开关电源电路图
在开关电源电路中,13003三极管作为开关管使用很多,常见用于小功率开关电源电路中,如手机充电器中,开关电源是将交流转换成直流电源,控制开关管开通和关断的时间比率。
2020-01-17 09:55:47
59950
59950
开关电源原理及各功能电路的详解
一、 开关电源的电路组成[/b]:: 开关电源的主要电路是由输入电磁干扰滤波器(EMI)、整流滤波电路、功率变换电路、PWM控制器电路、输出整流滤波电路组成。辅助电路有输入过欠压保护电路、输出过欠压保护电路、输出过流保护电路、输出短路保护电路等。 开关电源的电路组成方框图如下:
2019-11-06 16:27:32
73
73开关电源的保护电路的设计资料说明
研究了几种相对较新的开关电源检测与保护电路,包括过电流、过电压、过热、短路故障。 这些检测与保护电路为开关电源的设计和保障开关电源安全可靠工作提供了经验,可直接用于开关电源的设计和实现,使用效果良好。
2019-03-29 08:00:00
27
27开关电源电路的设计
系统中的开关电源电路为蓄电池的充电提供稳定的电压采用的是反激式的开关电源电路。反激式开关电源的电路比较简单,比正激式开关电源少用了一个大的储能滤波电感,以及一个续流二极管,因此,反激式开关电源的体积
2017-10-15 10:39:33
28
28谐振型开关电源
本文将分谐振型开关电源的特征及存在的问题、谐振型开关电源的基本电路及其工作原理、铁谐振型开关电源的设计、部分电压谐振型开关电源的设计四部分加以说明。
2016-05-11 15:26:21
28
28DVD开关电源电路图
本文提供TEA1521构成的开关电源电路图,电路以反激式工作,在很多DVD开关电源中应用广泛。而且电路简单,维修也方便,下面为大家提供开关电源电路图,以对维修或设计的朋友做个参考。
2013-10-23 14:47:00
11455
11455
开关电源热点电路图
开关电源电路图是学习开关电源必须资料,而开关电源作为电子设备中不可缺少的一部分,了解开关电源原理图或开关电源电路图,对从业开关电源维修的朋友来说,是相当有用的。
2012-06-03 20:28:37

实用开关电源威廉希尔官方网站
实用开关电源威廉希尔官方网站
:摘要:详细介绍了开关电源的特点、分类及主要威廉希尔官方网站
要求,各类开关电源主电路的计算,开关变压器的设计与制造,开关电源控制用集成电路,开关电源的保护
2009-06-20 21:49:58
264
264电器开关电源电路图集
电器开关电源电路图集收集整理了彩色电视机开关电源、彩色显示器开关电源、激光影蝶机开关电源、卫星接收机开关电源、打印机开关电源、传真机开关电源、扫描仪开关电源
2009-01-21 10:55:24
940
940
电子发烧友App






















评论