5G4051程控增益放大电路
相关推荐
放大器稳定电压增益的含义是什么?
放大器稳定电压增益的含义是什么? 放大器是电路中非常重要的一种设备,它能够将输入信号放大,以提高其在电路中的响应能力,从而起到信号增强的作用。放大器的稳定性和增益是影响其性能的两个关键参数,稳定电压
2023-09-21 17:47:15
296
296放大电路电压增益公式
放大电路电压增益公式 放大电路是电子电路中常见的一种,其主要作用是将输入信号的电压放大到合适的范围,以便进行后续处理。在放大电路中,电压增益是一个重要的参数,可以帮助我们了解放大电路的表现和性能
2023-09-21 17:40:37
767
767放大器电路如何手动调节电压增益
放大器电路如何手动调节电压增益  放大器电路是电子产品中最常见的电路之一。它将弱信号转换为强信号,以便可以传输信号以进行进一步的处理。在放大器电路中,电压增益是指输入信号电压与输出信号电压之间的比率
2023-09-18 11:23:22
293
293采用高级压控增益器件程控放大器设计
采用高级压控增益器件程控放大器设计本设计由三个模块电路构成:前级放大电路(带AGC部分)、后级放大电路和单片机显示与控制模块。在前级放大电路中,用宽带运算放大器AD603两级级联放大输入信号,输出
2009-12-17 10:09:52
基于OP07芯片的程控放大器设计
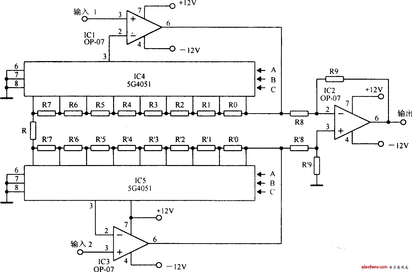
言归正传,今天给大家介绍的是一款基于OP07芯片的程控放大器。听起来很高大上,但是它的原理并不是很复杂,开关输入不同的控制信号,利用CD4051芯片选通不同的电阻接入到运放当中,从而实现对放大倍数的调节。
2023-05-26 16:02:54
3078
3078
ATA-4051高压功率放大器中文数据手册
  ATA-4051 是一款理想的可放大交、直流信号的单通道高压功率放大器。最大输出 310Vp-p(±155Vp)电压, 218.55Wp 功率,可以驱动高压功率型负载。电压增益数控可调,一键保存常用设置,为您提供了方便简洁的操作选择,可与主流的信号发生器配套使用,实现信号的完美放大。
2022-04-19 17:14:44
3
3增益可调放大电路工作原理(宽频带可变增益电路/AD603可调增益运放电路/简易数控可变增益放大器电路)
可变增益放大器是GPS接收机中的一个关键模块,它与反馈环路组成的自动增益控制电路为模/数转换器(ADC)提供恒定的信号功率。
2021-10-18 15:46:29
139288
139288
ADA4051-1/ADA4051-2: 1.8 V、微功耗、零漂移、轨到轨输入/输出运算放大器
ADA4051-1/ADA4051-2: 1.8 V、微功耗、零漂移、轨到轨输入/输出运算放大器
2021-03-18 20:06:46
2
2基于数模转换的程控增益控制电路和程控衰减电路
。模拟信号和数字信号的转换常有两种,模数转换(ADC或者A/D转换)和数模转换(DAC或者D/A转换)。这里的程控增益控制电路和程控衰减电路也是基于数模转换,之所以用增益和衰减,是根据比例系数来说的,若信号输出比大于1,则说明是在放大信号,也就
2020-11-14 12:04:20
4883
4883
使用51单片机设计可调增益程控滤波器的详细资料说明
介绍一款用于处理含有噪声和干扰的微弱信号的可调增益程控滤波器, 程控放大部分由AD7520 内部集成的电阻网络和运算放大器AD826 组成, 程控滤波部分由可编程控制滤波器芯片MAX261 来完成
2019-08-06 16:09:00
14
14增益或编程放大电路
关键词:编程 , 放大电路 , 增益 如图所示的放大电路可在4种逻辑电平的控制下,分别提供l、10、100、1000倍的放大倍数,每种放大倍数下的带宽均大于30kHz,整个电路在使用±5V供电时电流不大于7mA。 A、B端输入逻辑与增益的关系:
2019-03-24 17:16:01
188
188开关增益仪表放大电路(INA894)
关键词:INA894 , 开关 , 仪表放大电路 , 增益 如图所示为开关增益仪表放大器电路(改善增益漂移)。该电路放弃了使用芯片内部25kΩ反馈电阻,而采用A0、A1信号及二双刀四掷模拟开关
2019-02-19 14:40:01
232
232INA115构成的开关增益仪表放大电路
关键词:INA115 , 放大电路 , 开关 , 增益仪表 如图所示为开关增益仪表放大电路(最少元件)。该电路采用二双刀四掷模拟开关HI-509切换不同电阻,数字信号(低电平L、高电平H)输入A0、A1选择4种增益。不同的R1、R2、R3、R4电阻值可以组合成不同的4种增益组合,见下表。
2019-02-17 14:14:02
536
536AD7523构成的可编程增益放大电路
是采用A/D转换器AD7523构成的可编程增益放大器。电路由8位数据来控制增益,使增益在1~256范围内变化,由于从D7(最高位)开始依次只有1位电平为高,所以能以6dB为步长,从6dB变到42dB。AD7523片内有模拟开关和R-2R梯形网络,额定阻值为5~20kΩ,中心值为10kΩ
2018-12-17 15:35:01
516
516由LM1877构成的反相单位增益放大电路
关键词:LM1877 , 放大电路 如图所示为由LM1877构成的反相单位增益放大电路。音频信号经过0.1μF电容和100kΩ电阻耦合,加到LM1877的反相输入端8脚,放大后由13脚输出,送到负载
2018-10-03 17:08:01
336
336图示由PGA103构成的可编程增益仪表放大电路
如图所示为由PGA103构成的可编程增益仪表放大电路。该电路采用PGA205与PGA103的级联方式,因此放大器总的增益为两个放大器增益之积,即G=G1G2。G1=1、2、4、8,G2=1、10
2018-06-15 08:03:00
2918
2918
TI的模拟实验:电阻测量,程控增益放大,DC-DC升压等6个实验的详细概述
本文的主要内容是TI的模拟实验:电阻测量,程控增益放大,DC-DC升压,DC-DC降压模块,宽带压控增益模块,频率相位跟踪实验的详细概述
2018-04-23 11:40:20
20
20可变增益放大器电路图(十一款可变增益放大器电路设计原理图详解)
实现程控放大器,其增益与控制电压成线性.单片机控制D/A输出控制放大增益。下面具体介绍了十一款可变增益放大器电路图详解。
2018-03-26 11:19:00
100931
100931
ad603程控放大电路
AD603可控增益放大器芯片设计的一款高增益,高宽带直流放大器,采用两级级联放大电路了,提高了放大增益,扩展了通频带宽,而且具有良好的抗噪声系数,采用AT89S52芯片控制数模转换(DAC0832
2017-11-07 17:29:51
29459
29459
程控放大电路图
程控放大电路 采用模拟开关 CD4051 、宽带运算放大器AD844及精密电位器实现10 mV/div~2 V/div的多档垂直分辨率。 FPGA 含有通道选择寄存器模块,通过单片机写入通道号控制模拟开关以选
2012-05-22 10:13:49
10600
10600
DAC程控放大电路
DAC程控可调倍数放大部分,通过单片机控制12位高速DAC芯片,利用DAC内部精密电阻网络作为运放的反馈电阻提高了放大精度,实现1~1 000倍可 程控放大 。DAC程控放大电路:
2012-04-06 10:03:31
9181
9181
ERT中多通道程控增益放大电路设计
在基于并行数据采集的ERT系统中,由于各测量电极上输出的电压信号不同,则各采样通道送到模数转换器输入端的电压信号也各不相同,因此不能采用固定增益的放大电路对信号进行放
2011-10-09 10:20:45
2076
2076
程控增益放大器和自动调整增益放大器的设计
在很多 信号采集 系统中都需要进行量程切换, 最常用的方法就是调整放大器的增益; 在很多场合需要用软件来控制放大器增益, 或者放大器能自动调整增益。结合一些新近推出的集成芯
2011-08-11 15:12:47
330
330性能优异的程控放大电路
图所示为所设计的程控放大器,放大器采用低功耗运放、数字电位器和电容电阻组成带滤波器的放大电路,而数字电位器可以通过SPI端口写入对应数值来改变电位器输出引脚B和w之间
2010-09-12 10:21:51
171
171程控滤波器简介
摘要:本系统有四个模块组成:程控放大器,程控滤波器,四阶椭圆低通滤波器,以及简易幅频特性测试仪。程控放大器放大电压增益为60dB,增益10db步进可调,电压增益误差不大于
2010-08-11 11:35:19
146
146基于VCA822的可编程增益放大器
 以单片机89S52和FPGA为控制核心,基于压控增益放大器VCA822,设计一个能够对频率范围100 Hz~15 MHz,幅度范围2 mV~2 V的信号进行调理的程控增益放大器。该放大器增益10~58 dB可调
2010-07-10 16:27:03
121
121多通道程控增益放大电路的实现
摘要:本文介绍了多通道程序增益放大电路的实现方法,给出了具体电路,并介绍了程控增益放大电路的软件设计方法。  关键词: 多通道; 程控增益; 模拟开关 
2010-04-27 09:24:21
57
57放大倍数/增益,放大倍数/增益是什么意思
放大倍数/增益,放大倍数/增益是什么意思
放大器输出与输入的比值为放大倍数,单位是“倍”,如10倍放大器,100倍放大器。而分贝
2010-03-05 16:43:03
8612
8612
                        电子发烧友App
                    
                
                
                    
                
                
























           
            
            
                
            
评论