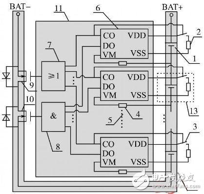
本文介绍了一种基于锂电池组均衡充电保护板的设计方案。方案采用单节锂电池保护芯片设计电池保护板,对任意串联数的成组锂电池进行过充、过放、过流、短路保护,充电过程中实现整组电池均衡充电
2014-02-11 09:20:54
3788 充电功能的电池组保护板的设计方案。经过仿真结果和工业生产应用证明,该保护板的保护功能完善,工作稳定,性价比高。 0引言 常用的均衡充电威廉希尔官方网站
包括恒定分流电阻均衡充电、通断分流电阻均衡充电、平均电池电压均衡充电、
2018-01-11 07:23:00
33693 
求指教 10串锂电池保护板 过压过流保护怎么测试啊
2012-05-14 13:13:56
描述TI 设计 TIDA-00449 是一种即时可用并经过测试的硬件平台,适用于电动工具 10 节串联电池组的监控、平衡和保护。电动工具越来越多地使用高功率密度的基于锂离子或磷酸铁锂电池的电池组
2018-10-09 09:04:58
`关于18650锂电池裸冲,如果锂电池前面不加保护板就用开关电源直接冲,锂电池电压上升充电电流会减小吗?当电压达到饱和状态下充电电流会自动截止? 有没有哪位大神有18650锂电池冲放电的曲线图`
2016-07-01 15:05:07
一块保护板如何保护两组或更多组锂电池(正常每组电池配一块保护板)???求大神支招电池保护板主要功能:过充保护;过放保护;过流保护;短路保护
2018-06-05 09:05:21
的电池组保护板的设计方案。仿真结果和工业生产应用证明,该保护板保护功能完善,工作稳定,性价比高,均衡充电误差小于50mV. 1锂电池组保护板均衡充电原理结构 采用单节锂电池保护芯片设计的具备均衡
2018-09-28 11:16:48
如何定义可以由软件任意调整。此方案的优点它能有更多的时间去做电池的电压均衡。二,电压定点均衡,就是把均衡启动定在一个电压点上,如锰锂电池,很多就定在4.2V开始均衡。这种方式只是在电池充电的末端进行,所以
2014-05-21 19:03:05
锂电池保护板MOS管选型锂电池几乎应用于我们日常接触到的各类电器之中,但如何保护锂电池,其实在锂电池保护板,最主要的元器件是IC与MOS。MOS对锂电池板的保护作用非常大,它可以检测过充电,检测过
2021-09-14 06:54:05
锂电池保护板是电子元器件和PCB组成,在一定温湿环境下时刻准备监护电芯的电压以及充放回路的电流,及时控制电流回路的通断的一种电路板。锂电池保护板的核心部件是保护IC,组成保护板的主要物料PCB、电容
2018-09-28 16:29:13
时刻准备监护电芯的电压以及充放回路的电流,及时控制电流回路的通断的一种电路板。锂电池保护板的核心部件是保护IC,组成保护板的主要物料PCB、电容、电阻、二极管、三极管、磁场效应管(MOS管)过冲保护
2018-10-06 10:17:03
锂电池(可充型)之所以需要保护,是由它本身特性决定的。由于锂电池本身的材料决定 了它不能被过充、过放、过流、短路及超高温充放电,因此锂电池锂电组件总会跟着一块精致的保护板和一片电流保险器出现
2018-10-18 16:45:38
锂电池保护板无充放电保护如果你有接触到锂电池保护板不妨一起来讨论一下为什么锂电池保护板无充放电保护,希望带给大家一些有用的帮助。锂电池保护板有哪些情况出现锂电池保护板无充放电保护呢?首先查看三元参数
2018-09-12 11:45:23
锂电池保护板是电子元器件和PCB组成,在一定温湿环境下时刻准备监护电芯的电压以及充放回路的电流,及时控制电流回路的通断的一种电路板。既然锂电池保护板这么重要,那么我们就应该了解一些保护板常见问题
2018-09-21 13:18:32
如何接线。 其实每个锂电池保护板的串数不同接线方式不同,同口分口接线方式也不同。如果要精确到每个产品请前往大力神保护板,每款产品都有接线图。但是总体接线还是不变的。端口说 明端口说 明B+电池组正极
2018-10-27 10:55:59
什么是锂电池保护板 锂电池保护板是对串联锂电池组的充放电保护;在充满电时能保证各单体电池之间的电压差异小于设定值(一般±20mV),实现电池组各单体电池的均充,有效地改善了串联充电方式下的充电
2018-10-19 16:42:10
锂电池保护板是电子元器件和PCB组成,在一定温湿环境下时刻准备监护电芯的电压以及充放回路的电流,及时控制电流回路的通断的一种电路板。既然锂电池保护板这么重要,那么我们就应该了解一些保护板常见问题
2018-09-22 13:58:33
被动均衡一般通过电阻放电的方式,对电压较高的电池进行放电,以热量形式释放电量,为其他电池争取更多充电时间。这样整个系统的电量受制于容量最少的电池。充电过程中,锂电池一般有一个充电上限保护电压值,当
2018-12-05 10:49:56
锂电池保护板作为电池系统的核心组成部分,是动力电池与外部世界的桥梁,决定着电池的利用率,其性能对电池使用成本和安全性至关重要。所有锂电池保护板都有一个工作环境要求其中一项就是工作温度,本文讲述的就是
2018-11-14 15:44:48
电池保护板工作原理 锂电池保护板根据使用IC,电压等不同而电路及参数有所不同,常用的保护IC有8261,DW01+,CS213,GEM5018等,其中精工的8261系列精度更好,当然价钱也更贵。后面
2022-01-18 07:07:51
4串锂电池均衡保护板电路原理图
2021-02-24 14:00:14
关于60v铁锂电池保护板问题电池可以放点但不能充电,一侧所有mos管断开,另一侧全部导通,请问可能是什么原因
2020-07-13 22:01:28
发电,电动汽车,都离不开锂电池,锂电池能量密度高,体积和重量相对来说都会小很多。但是多节串联时,各节间,不均和比较突出。这就需要做个专门的保护板, 检测加均衡在一起的设计。接上 电池管理系统(BMS
2016-01-07 10:31:34
大家好! 本人希望在此讨论下锂电池的电池管理系统。 看了许多资料,个人觉得锂电池最难要数放电均衡了,怎么样在串联锂电池单个电池容量不一样的情况下把所有电池容量都用光。现在看到许多方案,用电容拉,电感
2013-10-22 16:28:24
锂电池搭配的保护板都是一一对应的原因了。从另一方面来讲锂电池的应用类型有很多中,有常规型的,动力型的,储能型能的等等,所以锂电池保护板的类型也是根据锂电池或者锂电池组的类型而去设计的。所以说不同类
2017-09-28 11:57:20
必要。图2:锂电池(nanophosphate型)的放电特性当电池电压接近临界值时,必须立即停止放电或充电。平衡电路的功能就是调节相应电池的电压,使其保持在安全区域。为了达到这个目的,当电池组中任一电池
2018-12-07 10:05:51
`锂电池保护板上面的 有那位大虾知道这个具体的参数`
2018-05-22 11:44:58
TP4056做的锂电池充电电路,需要再加过充过放保护板吗?保护板应该怎么设计?放电过程采用fp6716升压芯片可以吗?
2018-08-08 09:10:48
TP4096做的锂电池充电电路,需要再加过充过放保护板吗?保护板应该怎么设计?
2018-08-07 17:35:30
。4.均衡保护:可实现在充电中对电压过高的电池进行放电。在专业范畴上,达锂电池保护板唯安全,从不将就,永不一般。具有强壮的研发团队,用不中止立异的脚步,用科学慎重的精力,不断提高的科研才能,在锂电池范畴研究数十年,不断移风易俗,迄今已推出第四代立异产品。
2019-08-01 10:19:13
锂电池组保护板电路设计资料核心IC精工S8254、AO4409FET 参考电路图: 参考地址:[hide][/hide]一键分析设计隐患,首款国产PCB DFM分析软件免费用!地址下载(电脑端下
2012-02-10 14:36:51
的电池组保护板的设计方案。仿真结果和工业生产应用证明,该保护板保护功能完善,工作稳定,性价比高,均衡充电误差小于50mV。 1 锂电池组保护板均衡充电原理结构 采用单节锂电池保护芯片设计的具备均衡充电
2018-09-29 17:15:51
锂电池保护板的工作原理是什么?锂电池保护板有哪几种工作方式呢?
2021-11-19 07:47:20
某些电池充不满电的现象相对锰酸锂电池组而言会更为明显。另外,虽然有些电池管理系统带有均衡功能,但由于从成本、散热、可靠性等多方面考虑,电池管理系统的均衡电流一般远小于串联充电的电流,因此均衡效果不是
2011-12-14 13:59:05
锂电池,回收三元动力电池,回收锂电池锂电池回收 锂电池模组回收软包锂电池回收圆柱锂电池回收动力锂电池回收库存锂电池回收库存退役锂电池回收 库存电动大巴电池回收汽车电池组回收 共享单车电池组回收
2021-09-10 16:35:38
的代码: 4结束语 本文中提出一种基于ATmega16L的电动车36V锂电池组保护电路的设计方案,利用高性能、低功耗的ATmega16L 单片机作为检测和控制核心,用由MC34063构成的DC
2018-09-29 16:45:41
的电压和温度值,并进行相应均衡管理和电池组保护。 1、均衡电路工作原理 本文基于LTC680221锂电池组管理芯片设计的电池组均衡电路,由取电系统、嵌入式处理器、LTC680221数据采集及均衡电路
2018-10-18 16:33:58
本文以珠海炬力SOC芯片ATJ2085来设计锂电池的外围检测系统,该设计方案以微处理器作为各种功能控制的核心, 除了对锂离子电池组提供过充、过放、过流保护外, 还可有效的对锂离子电池组内各单节锂电的充、放电提供平衡保护、能够实时检测出电池所处状态并对锂电池进行保护。
2021-04-15 06:56:48
有些人想使用报废手机锂电池的保护板,给没有保护板的锂电池使用但原厂家设定的低电压保护值较低,一般在2.5V左右,如此低的电压保护,很容易使锂电池报废,所以要把保护板的截止电压提高一些,最好在3.3
2013-01-18 14:41:43
18650锂电池充电方案及保护板电路构思一、电路参数1、充电电源为USB电源,额定电压为5V。2、蓄电池为18650锂电池 3.7V,容量2600mAh3、负载电机参数二、电路板功能要求1、充电电压
2021-09-13 06:52:37
以 STC89C52RC单片机微控制器为核心,针对便携式的小功率产品,设计一个太阳能锂电池充电系统,并对锂电池组的充、放电过程进行保护。锂电池组的电流、电压、将被系统控制器通过控制AD转换芯片及时采集,并以LCD1602显示。包含论文一篇109【电路方案】基于单片机锂电池太阳能充电系统电路方案
2021-11-10 08:33:01
`四大基本保护功能:充电保护、放电保护、充放电过流保护、短路保护三大可选保护功能:均衡保护、温度保护、软件保护充电保护--保护板检测的不是电池组的总电压,而是检测电池组中任一串达到过充保护电压值
2021-04-28 20:24:13
某一串达到均衡电压时,控制电路关断充电电路,当电池某一串超过均衡电压时,控制电路释放电压。三.工作原理四.应用领域可用于低速车电池保护板(如巡逻车、老年车、高尔夫球车等)可用于平衡车电池保护板(如扭扭车)可用于滑板车电池保护板(炭纤维滑板车)专门做锂电池保护板的企业有大力神科技有限公司.`
2018-11-06 09:56:36
自动关机,形成的一种过放保护作用。2、过充保护:在给产品充电时,电压达到电池最高电压(4.2V)时,保护板就会自动断电关闭,显示充满不在继续充电了。形成的一种过充保护作用。3、短路保护:当电池不小心短路
2020-02-28 11:45:26
12V锂电池保护板12V锂电池保护板,16串磷酸铁锂电池保护板,18650电池保护板,线路板厂在双面线路板设计时都会优先考虑锂电池保护板工作原理,带大家看一个单节电芯的锂电池保护板原理;锂电池保护板根据使用IC,电压等不同而电路及参数有所不同,下面以DW01 配MOS管8205...
2021-08-17 07:00:54
会发生危险。 除了质量可靠的锂电池,也需要有精良的锂电池均衡保护板。在目前的市面上,保护板的质量良莠不齐,而且还有模拟电池的,从外观来看难以辨别。如果要进行挑选,还是选择数字电路控制的比较好。 固定
2020-12-24 17:19:34
ic不带通讯接口,不带均衡。只是过充过放保护。2、目前,我想做电量检测,选择了bq76920,bq76920做3串锂电池检测,但是12组电池如何设计呢?每一组都用一片bq76920么?请 TI FAE
2019-04-02 09:24:55
锂电池保护板是对串联锂电池组的充放电保护;在充满电时能保证各单体电池之间的电压差异小于设定值(一般±20mV),实现电池组各单体电池的均充,有效地改善了串联充电方式下的充电效果;同时检测电池组中各个
2018-07-16 15:01:33
本帖最后由 优雅的刺猬、 于 2011-11-26 21:51 编辑
小弟初入贵论坛,求高手指点 15串锂电池保护板维修方法(该板是用在电动汽车上的),明天上传电路图(因为那电路图被翻的比较
2011-11-25 19:30:17
摘要:本文介绍了一种基于锂电池组均衡充电保护板的设计方案。方案采用单节锂电池保护芯片设计电池保护板,对任意串联数的成组锂电池进行过充、过放、过流、短路保护,充电过程中实现整组电池均衡充电。在
2018-09-28 16:20:34
为了解决动力锂电池组使用中的一致性问题,本文提出了一种均衡充电管理电路的实现方案。首先分析了单体锂电池的特性;然后在比较各种均衡充电理论的基础上,选择部分分流法作
2012-07-16 11:49:18
13610 
本文针对动力锂电池成组使用,各节锂电池均要求充电过电压、放电欠电压、过流、短路的保护,充电过程中要实现整组电池均衡充电的问题,设计了采用单节锂电池保护芯片对任意串
2012-08-01 11:18:22
53283 
我们都知道锂电池保护板是对串联锂电池组的充放电保护。那么什么是锂电池保护板?锂电池保护板的构成和工作原理是怎样?锂电池保护板厂家有哪些?下文将一一为你解答。
2017-12-15 15:59:56
30613 本文主要介绍了锂电池保护板的基本概要,其次详细的介绍了如何自制三串锂电池保护板,最后则说明了3串锂电池该怎么接保护板。
2018-01-02 09:30:48
48686 
本文主要介绍了说明是锂电池保护板、锂电池保护板威廉希尔官方网站
参数、锂电池保护板的工作原理以及锂电池保护板的作用进行了详细介绍。
2018-01-02 09:43:47
38558 
本文主要介绍了锂电池保护板威廉希尔官方网站
参数、锂电池保护板原理详细分析以及解释了为什么有的锂电保护板需要激活和锂电池保护板该如何激活的方法进行了介绍。
2018-01-02 16:16:08
54027 锂电池保护板是对串联锂电池组的充放电保护;在充满电时能保证各单体电池之间的电压差异小于设定值(一般±20mV),实现电池组各单体电池的均充,有效地改善了串联充电方式下的充电效果;同时检测电池组中各个
2018-02-26 16:26:59
24897 本文首先介绍了锂电池保护板的工作原理,其次介绍了锂电池保护板的常见故障,最后阐述了如何检测锂电池保护板的好坏及注意事项。
2018-04-17 17:32:17
64857 
保护板一般都具备过充保护功能,防止电池过充。图2 电池保护造成系统损失的原因图3 被动均衡充电时工作原理如图2所示,充电过程中2号电池先被充电至保护电压值,触发锂电池保护板的保护机制,停止电池系统的充电
2018-11-29 16:35:59
4770 锂电池保护板是对串联锂电池组的充放电保护;在充满电时能保证各单体电池之间的电压差异小于设定值(一般土20mV),实现电池组各单体电池的均充,有效地改善了串联充电方式下的充电效果;同时检测电池组中各个
2019-06-26 14:37:47
46116 本文首先介绍了锂电池保护板的作用,其次分析了一部分锂电保护板需要激活的原因,最后阐述了锂电池保护板激活的方法。
2019-06-26 14:41:53
16798 本文主要介绍了锂电池保护板的维修方法。12v锂电池是由多个3.7v锂电池串联起来得到的接近12v电压,而我们串联锂电池就必须使用到12v锂电池保护板,它能够保护串联锂电池组。当锂电池电量充满后,它能
2019-06-26 14:52:58
66705 锂电池保护板均衡原理常用的均衡充电威廉希尔官方网站
包括恒定分流电阻均衡充电、通断分流电阻均衡充电、平均电池电压均衡充电、开关电容均衡充电、降压型变换器均衡充电、电感均衡充电等。
2019-06-26 15:02:24
34331 
、降压型变换器均衡充电、电感均衡充电等。 锂电池保护板均衡原理 锂电池在充电过程中,每节锂电池都设有一个均衡电路,在充电时通过锂电池保护板的均衡电路来控制每节电池的电压,使每一串电池保持相同状态,保证锂电池的性。
2019-07-12 09:26:01
27557 
当锂电池组串联充电时,每个电池应该均等充电,否则会影响整个电池的性能和寿命。常用的均衡充电威廉希尔官方网站
有恒定分流电阻均衡充电、通断分流电阻均衡充电、平均电池电压均衡充电、开关电容均衡充电、降压型变换器均衡
2019-10-09 08:00:00
26 锂电池保护板选购要点:为了保护锂电池组寿命,建议任何时候电池充电电压都不要超过3.6v,就是锂电池保护板保护电压不高于3.6v,均衡电压建议3.4v-3.5v,电池放电保护电压一般2.5v以上就可以。
2019-12-16 10:54:55
17862 
本文首先介绍了锂电池保护板电流选择,其次介绍了锂电池保护板电流的使用方法,最后介绍了锂电池保护板的选购要点。
2020-03-21 09:28:33
33460 本文主要阐述了锂电池保护板的主动均衡和被动均衡的区别。
2020-03-21 09:35:18
77191 锂电池保护板 锂电池保护板能对串并联电池组起到充放电保护的作用,同时能够检测电池组中各个单体电池的过压、过流、过温、欠压、短路状态,延长电池使用寿命,避免电池因过放电而损坏。锂电池保护板是锂电池不可
2020-06-01 17:23:30
1725 。 锂电池保护板还有均衡保护作用,有耗能式和转能式两种方式。耗能式均衡是指把多串电池中电量或电压高的某节电池,用电阻把多余的电能损耗掉。耗能式均衡又分为充电时均衡、电压定点均衡、静态自动均衡。 充电时均衡:
2020-06-04 15:13:23
1600 缺少的组成部分。 锂电池保护板还有均衡保护作用,有耗能式和转能式两种方式。耗能式均衡是指把多串电池中电量或电压高的某节电池,用电阻把多余的电能损耗掉。耗能式均衡又分为充电时均衡、电压定点均衡、静态自动均衡。
2020-06-05 14:37:34
1306 的电压差异小于设定值,实现电池的均衡充电,改善电池的充电效果。还能检测电池状态,例如过压、过流、过温、欠压、短路等,延长电池寿命,避免电池因过充过放电而有所损坏。 成品手机锂电池是以电池电芯和电池保护板两部分组成,其中
2020-06-09 15:28:45
2952 的电压差异小于设定值,实现电池的均衡充电,改善电池的充电效果。还能检测电池状态,例如过压、过流、过温、欠压、短路等,延长电池寿命,避免电池因过充过放电而有所损坏。 成品手机锂电池是以电池电芯和电池保护板两部分组成,其中
2020-07-10 16:49:44
1629 缺少的组成部分。 锂电池保护板还有均衡保护作用,有耗能式和转能式两种方式。耗能式均衡是指把多串电池中电量或电压高的某节电池,用电阻把多余的电能损耗掉。耗能式均衡又分为充电时均衡、电压定点均衡、静态自动均衡。
2020-09-21 15:17:00
1215 锂电池在现实中具有众多应用,诸多电子设备中均存在锂电池的身影。在往期文章中,小编对锂电池保护板故障有所阐述。为增进大家对锂电池的了解,本文将对锂电池保护板的使用方法,以及锂电池保护板的选购要点加以介绍。如果你对锂电池,抑或是锂电池保护板相关内容具有兴趣,不妨继续往下阅读哦。
2021-01-17 10:34:27
3178 基于一种锂电池组管理芯片及电池均衡控制方
2021-10-08 16:12:43
46 锂电池均衡保护板电路原理图免费下载
2021-11-16 17:20:33
116 是磷酸铁锂电池,因为这种电池不怕过充或者过放。锂电池保护板是对串联锂电池组的充放电保护。在充满电时能保证各单体电池之间的电压差异小于设定值,实现电池组各单体电池的均充,有效地改善了串联充电方式下的充电效果。 当完
2022-08-10 17:06:29
10966 
厂家以工作生活中积累的经验知识,分享18650锂电池组组装需要理解的几个特点: 1、18650锂电池组是有多个18650电芯通过串联和并联的方式焊接组装成的; 2、18650锂电池组需要电池保护板对个个18650电芯进行均衡和保护; 3、18650锂电池组每个电芯之间的电压误差要在
2022-09-26 09:30:47
1891 
12V锂电池保护板,16串磷酸铁锂电池保护板,18650电池保护板,线路板厂在双面线路板设计时都会优先考虑锂电池保护板工作原理,电池之都带大家看一个单节电芯的锂电池保护板原理,希望能起到举一反三的作用。
2022-10-19 09:56:03
17667 专业锂电池保护板厂家教你锂电池保护板不放电不充电该如何解决经常网上有新人添加我微信,问太多的都是保护板的问题,因为跟我交易过的顾客都知道,我的保护板很少出现大的问题,有顾客问别的牌子的保护板质量
2022-03-03 09:59:49
9983 
用锂电池的。锂电池本身的材料不能过充,过放,过流,短路和高温充放电的,所以锂电池必须要匹配一块相对应的保护板。锂电池保护板是对串联锂电池组的充放电保护;在充满电时能保
2022-01-07 09:54:50
4887 
锂电池保护板有两种,一种是被动均衡的锂电池保护板,另外一种是主动均衡的锂电池保护板,锂电池厂家怎么样选择呢?这个问题首先要熟悉被动和主动均衡的特点,然后根据自己的需求选择或者根据顾客的需求来选择
2022-01-19 09:18:46
3172 
锂电池保护板生成厂家给你介绍锂电池保护板几种接线方法成品锂电池组有两部分组成,一个是电芯,一个是锂电池保护板,保护板不但有保护安全的,还有延长电池寿命的功能,时刻观测着电池和保护着电池。所以保护板
2022-01-14 11:25:58
3616 
一个完整的锂电池组,是包括电芯和保护板的,保护板的作用不单单是保护安全,还可以延长保护板的寿命的。对于一个锂电池的保护板的电路构思,是一个保护板的最重要的东西,如何更好的把芯片,MOS管等等用来
2022-01-20 10:02:33
3057 
不少锂电池厂家都有不少为什么我们要选择带有均衡的锂电池保护板?那是因为真正可以让电池更长寿,保证你锂电池的质量和品牌,刚开始的时候均衡是没有起到很大的作用,但是随着电池的使用,在充电放电
2022-01-07 09:56:17
4909 
一个锂电池必须配备一个保护板,保护板不单单是保护安全的作用,更是一个锂电池的重要组成部分了。一个锂电池工厂,首先要选择一个好的锂电池保护板工厂合作很重要,工厂的专业和专注是你事业最好的帮手,特别不要
2022-01-07 09:55:36
2456 
一个好的锂电池保护板BMS的标准有两个,一个是能保护锂电池的安全,二个是能延长锂电池的寿命。锂电池保护板BMS为什么要均衡呢?因为如果不均衡,电池就会有安全隐患,因为电池里面的各个电芯电压不一样
2022-06-15 10:31:44
1367 
磷酸铁锂电池需要保护板,保护板电路能分别检测串联电池组中每只电池的电压和电流,控制电池组的充放电过程。电池组中每只电池的电压均在过充检测电压和过放检测电压之间,并且输出无短路现象时,MOS
2023-07-06 16:09:12
4517 
锂电池保护电路,锂电池保护板(可充型)之所以需要保护,是由它本身特性决定的。由于锂电池保护板本身的材料决定了它不能被过充、过放、过流、短路及超高温充放电,因此锂电池保护板锂电组件总会跟着一块精致的保护板和一片电流保险器出现。
2023-07-11 15:50:21
10609 
12V锂电池保护板,16串磷酸铁锂电池保护板,18650电池保护板,线路板厂在双面线路板设计时都会优先考虑锂电池保护板工作原理,电池之都带大家看一个单节电芯的锂电池保护板原理,希望能起到举一反三的作用。
2023-07-14 17:01:26
5546 
锂电池保护电路,锂电池锂电池保护板(可充型)之所以需要保护,是由它本身特性决定的。由于锂电池保护板本身的材料决定了它不能被过充、过放、过流、短路及超高温充放电,因此锂电池保护板锂电组件总会跟着一块精致的保护板和一片电流保险器出现。
2023-07-13 15:43:25
4193 
锂电池保护板的主要功能是保证锂电池的安全运行,包括过充保护、过放保护、短路保护、温度保护以及一些情况下的均衡充电功能。
2023-07-13 15:56:53
5631 
保护板的作用:防电池过充、过放、正负极短路。火兔锂电池充电电路做得这么简单,就“巧妙”地运用了锂电池保护板的功能。
2023-08-04 09:56:53
765 
锂电池保护板是锂电池组中的关键部件,它的主要作用是对锂电池进行充放电管理、过压保护、欠压保护、过流保护、短路保护等。本文将详细介绍锂电池保护板的工作原理、选型方法以及如何为锂电池配备保护板
2023-12-30 10:56:00
1333 锂电池过度保护原理 锂电池保护板的工作原理 锂电池保护板为什么能保护锂电池? 锂电池是一种高能量密度、长寿命和环保的电池,广泛应用于移动设备、电动车辆等领域。然而,锂电池也存在一些潜在
2024-01-10 14:53:51
414 锂电池需要保护板吗?锂电池保护板分类 锂电池是一种常见的电池类型,具有高能量密度、轻量化和长寿命等优点,因此被广泛应用于移动电子设备、电动车辆等领域。然而,锂电池在使用过程中存在着一些潜在的风险
2024-01-10 16:45:23
466
评论