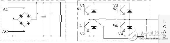
本文介绍的LED驱动器参考设计为一串正向偏压高达60V的LED提供700mA恒流驱动。本设计可基于电源斩波进行PWM调光。输入电源以300Hz至1kHz的频率斩波控制通、断,实现LED亮度调节。驱动器采
2011-04-04 08:47:56
2984 为了节能省电,LED得到了很大的推广,但LED都需要有个电源驱动,其好坏会直接影响LED的寿命,因此如何做好一个LED驱动电源是LED电源设计者的重中之重。本文介绍了一些LED驱动电源的问题,希望能够对工程师提供一点帮助。
2013-06-17 14:14:31
2282 
LED具有很强的应用灵活性,在不同的驱动电源中当然也会有所区别。如果处理不当,将会严重影响LED的使用寿命和照明情况,下面给大家介绍LED驱动电源在不同应用中的区别,看看就知道!
2014-02-21 10:29:25
2124 LED驱动电源的质量好坏将会直接影响LED的寿命,因此如何做好一个LED驱动电源是LED电源设计者的重中之重。
2014-08-19 08:45:04
1106 LED驱动电源是把电源供应转换为特定的电压电流以驱动LED发光的电压转换器,通常情况下:LED驱动电源的输入包括高压工频交流(即市电)、低压直流、高压直流、低压高频交流(如电子变压器的输出)等。而LED驱动电源的输出则大多数为可随LED正向压降值变化而改变电压的恒定电流源。
2016-02-15 15:47:11
2192 LED驱动电源即是可以把电源供应转换为特定的电压电流以驱动LED发光的电压转换器,通常情况下:LED驱动电源的输入包括高压工频交流(即市电)、低压直流、高压直流、低压高频交流(如电子变压器的输出)等。而LED驱动电源的输出则大多数为可随LED正向压降值变化而改变电压的恒定电流源。
2016-02-18 15:46:12
1664 C51 利用pwm 驱动LED 实现呼吸灯效果
2023-04-24 15:29:50
3017 
LED驱动电源是把电源供应转换为特定的电压电流以驱动LED发光的电压转换器,通常情况下:LED驱动电源的输入包括高压工频交流(即市电)、低压直流、高压直流、低压高频交流(如电子变压器的输出
2013-03-19 16:53:06
96586 控制电路。控制电路分析采样信息,调节Buck-Boost 电路中开关管的占空比,保证通过LED 电流恒定;当电路出现异常时,通过控制保护电路切断电源,保证LED 不受损害。一般情况下,LED 驱动电路
2012-11-29 14:14:33
一、LED电源按驱动方式可以分为两大类: A.稳压式: 1、稳压电路确定各项参数后,输出的是固定电压,输出的电流却随着负载的增减而变化 2、稳压电路虽然不怕负载开路,但是严禁负载完全短路 3
2016-05-06 09:20:18
,这样可以使流过LED的电流更加平滑,LED的发光性能更好。输出端接小电容,对于做浪涌实验,也是有一定的好处的。3 金升阳 KC24系列驱动器不能作为热插拔电源使用;在测试或使用过程中应避免对其进行热插拔
2014-11-05 15:40:12
在LED电源的设计研发过程中,工程师们在设计之初所要面临的选择,就是如何在恒流驱动和恒压驱动两个方案中选择最合适的一款。其实就LED电源的发展现状来看,这两种模式都是目前市面上比较常见的驱动方式
2018-10-09 14:18:18
就目前国内的LED驱动电源规划趋势而言,选用电容降压原理来完结驱动电路规划的商品,现已逐步在市场上立稳脚跟。选用这种规划的LED电源商品,均有较好的安稳性,且本钱消耗较低。在今日的文章中,咱们将会
2016-06-06 09:56:07
就目前国内的 LED 驱动电源设计趋势而言,采用电容降压原理来完成驱动电路设计的产品,已经逐渐在市场上立稳脚跟。采用这种设计的LED 电源产品,均有较好的稳定性,且成本耗费较低。我们将会就 LED驱动电源中的电容降压原理展开简要的分析和介绍。
2021-03-11 06:34:01
就目前国内的 LED 驱动电源设计趋势而言,采用电容降压原理来完成驱动电路设计的产品,已经逐渐在市场上立稳脚跟。采用这种设计的 LED 电源产品,均有较好的稳定性,且成本耗费较低。我们将会就 LED 驱动电源中的电容降压原理展开简要的分析和介绍。
2021-03-11 07:24:59
NCP1230 模块PWM 控制电路 2. 3 电路的EMC 防护 LED 灯的驱动电源受安装环境条件的影响,很容易受到电磁干扰,特别是雷击干扰。为此,驱动电源在设计阶段就要考虑这个问题,并且要
2019-06-01 15:47:32
稳定.电源转换效率极高,一般都可以高达80%~90%,并且输出电压、电流十分稳定.特别适用于LED路灯的驱动电源这种方式的LED电源主要由四部分组成它们分别是:输入整流滤波部分、输出整流滤波部分、PWM稳压控制部分、开关能量转换部分.而且这种电路都有完善的保护措施,属于高可靠性电源。
2019-10-06 14:28:36
都很稳定.电源转换效率极高,一般都可以高达80%~90%,并且输出电压、电流十分稳定.特别适用于LED路灯的驱动电源这种方式的LED电源主要由四部分组成它们分别是:输入整流滤波部分、输出整流滤波部分、PWM稳压控制部分、开关能量转换部分.而且这种电路都有完善的保护措施,属于高可靠性电源。
2019-07-09 10:07:13
12Vac驱动4颗串联的LED,但这种结构的成本及能效最不理想。 采用交流电源直接驱动LED的方式近年来也获得了一定的发展,其应用示意图参见图5。这种结构中,LED串以相反方向排列,工作在半周期,且LED
2018-10-15 16:21:36
我想了解一下设计一个LED恒流驱动电源简单 还是恒压电源简单求助 求助
2016-03-25 18:19:26
你知道设计LED驱动电源都存在哪些问题吗?如何才能做好一个LED驱动电源?
2021-06-18 07:48:11
LED驱动电源设计考虑要素根据电网的用电规则和LED驱动电源的特性要求,在选择和设计LED驱动电源时要考虑到以下几点:1、高可靠性特别像LED路灯的驱动电源,装在高空,维修不方便,维修的花费也大。2
2017-10-13 16:53:19
汽车LED 驱动器应该紧凑、高效率且支持无闪烁PWM 调光。这类驱动器不应该在AM 收音机频带及其附近产生很大的传导EMI。不幸的是,高功率开关模式电源本质上不具备低EMI 特性。恒定开关频率会在
2019-07-25 07:42:32
电路3.5 方案三 不隔离型运放反馈电路3.6 方案四 不隔离型光耦直接反馈电路第四章 实验中问题及处理方法第五章 实验总结 第一章 引言1.1本课题研究的目的 LED驱动电源成为LED工程亮化一个
2014-01-24 11:03:38
调制 二、PWM在LED驱动电源中的作用 PWM信号驱动是LED驱动电源中的一种。许多LED应用都需要具备调光功能,比如LED背光或建筑照明调光。通过调整LED的亮度和对比度可以实现调光功能。简单
2018-10-11 15:59:12
正弦波PWM调制 二、PWM在LED驱动电源中的作用 PWM信号驱动是LED驱动电源中的一种。 许多LED应用都需要具备调光功能,比如LED背光或建筑照明调光。通过调整LED的亮度和对比度可以实现
2018-10-15 16:25:07
脉冲宽度调制(PWM)是利用微处理器的数字输出来对模拟电路进行控制的一种非常有效的威廉希尔官方网站
,从测量、通信到功率控制与变换的许多领域中广泛应用,以其控制简单,灵活和动态响应好的优点而成为电力电子威廉希尔官方网站
最常见的控制方式。
2019-10-14 07:53:49
PWM直接驱动LED可否?方案二可行不?LED630±5nm
2019-01-23 16:25:24
我想用PWM波调节led照明灯的亮度从而实现通信,led灯10w左右,请问用哪款led驱动芯片比较好?
2014-05-11 10:34:15
QX7138是一种PWM调光的、低压差的LED线性降压恒流驱动器。QX7138 仅需要外接一个电阻和一个NMOS管就可以构成一个完整的LED恒流驱动电路,调节该外接电阻就可以调节输出电流,输出电流
2014-03-17 10:45:37
功能,可通过在DIM 脚加 PWM 信号调节 LED 电流。OC7131采用 SOT 89 5 和 SOT 23 5 封装。特点 电源电压:2.5V~6V 低静态电流:49uA 输出电流
2020-03-20 10:51:07
LED驱动电源的输出则大多数为可随LED正向压降值变化而改变电压的恒定电流源。 根据电网的用电规则和LED驱动电源的特性要求,在选择和设计LED驱动电源时要考虑到以下几点: 1.高可靠性 特别像LED
2018-07-01 21:25:11
流驱动电路,调节该外接电阻就可以调节输出电流,输出电流可调范围为 20mA 到3.0A。AP5153 还可以通过在 DIM 引脚加外部信号进行 PWM 调光,DIM 脚输入信号的频率范围是 200HZ
2021-07-06 10:33:54
流驱动电路,调节该外接电阻就可以调节输出电流,输出电流可调范围为 20mA 到3.0A。AP5153 还可以通过在 DIM 引脚加外部信号进行 PWM 调光,DIM 脚输入信号的频率范围是 200HZ
2021-07-08 11:27:37
调整率和瞬态响应特性都有所提高。而PWM电压控制型的LED电源则只对输出电压进行采样,实行闭环控制。这种控制方式属电压控制型,是一种单环控制系统。 在应用的过程中,采用了PWM电压控制方式的LED
2016-01-29 16:10:04
、下降率。这个参数主要在工业电机应用中至关重要。例如电机的启动或者制动过程中都会带来极大的共模噪声。 二、光耦在开关电源中的应用 光耦的特点:具有信号单向传输性,从而实现输入端与输出端的电气隔离,即
2018-11-21 16:33:13
不至被击穿烧毁。 通常光耦与TL431一起使用。下面是led电源驱动芯片(开关电源芯片)的部分电路。两电阻串联取样到431R端与内部比较器进行比较。然后根据比出的信号再控制431K端(阳极接光耦那一
2012-12-07 13:59:26
分享:主流LED驱动方式及LED驱动电源选择技巧 LED是特性敏感的半导体器件,又具有负温度特性,因而在应用过程中需要对其进行稳定工作状态和保护,从而产生了驱动的概念。LED器件对驱动电源的要求近乎
2016-08-31 11:46:17
就目前国内的LED驱动电源设计趋势而言,采用电容降压原理来完成驱动电路设计的产品,已经逐渐在市场上立稳脚跟。采用这种设计的LED电源产品,均有较好的稳定性,且成本耗费较低。在今天的文章中,我们
2023-03-15 16:41:41
`双通道电流DIMPWM信号控制电源驱动ICSM2202P成熟应用方案 两段恒流DIM调光端口控制电源icSM2202P 是一款高精度两通道恒流输出大功率LED 恒 流驱动控制芯片,适用于
2018-10-17 11:30:03
我想知道 NXP 是否有任何 LED驱动器可以让 LED 使用 PWM 信号工作,并具有故障检测功能以关闭所有 LED。将有大约 50-60 个正向电压为 3.0 v @ 30mA 的单色 LED
2023-03-28 06:12:42
如何设计LED驱动电源,如何挑选电路IC
2016-03-29 12:28:55
5 说明了什么情况下出现这些时间延迟。图 5: LED 驱动器在响应调光 PWM 信号时产生的延迟。 这些延迟决定了调光系统的最大对比度。 (来源:Texas Instruments)在图 5 中
2018-12-13 14:13:33
一、LED 驱动电源你了解多少?二、为什么用恒流电源驱动 LED 灯具?
2021-03-11 06:35:38
对模拟电路进行控制的一种非常有效的威廉希尔官方网站
,广泛应用在从测量、通信到功率控制与变换的许多领域中。在开关电源中, PWM控制芯片如:uc3842,读取输出与输入电压及电流反馈信号调整PWM的占空比。通常选用
2012-07-09 17:18:31
、LED驱动电源的功率因数:功率因数的高低在同一产品大面积使用时差别很大,这也是节能产品考虑的关键点。 9、LED驱动电源好选用无电解电容设计:在正常使用条件下电解电容是电路板上器件中寿命最短的器件
2015-12-25 15:58:07
本人急需一些关于PWM驱动LED灯电源的资料~或者哪位大侠愿意合作~请回复~万分感激~~~
2012-04-09 11:55:42
请问控制器和电源的区别,还有LED驱动电源和LED调光电源、LED防水电源、LED内置电源、LED室内电源这之间的区别大吗,控制器和电源都需要用到LED驱动IC吗。
2017-07-21 17:46:57
高效能的特性。因为低效率的LED电源本身就需要消耗大量电能,所以在给LED供电的过程中就无法凸显LED的节能特点。总之,LED电源在LED工作中的稳定性、节能性、寿命长短,具备重要的作用。 LED
2016-08-02 16:13:54
LED照明已经在整个照明应用中得到普及,伴随着智慧城市,智能路灯的发展,LED驱动电源也朝着智能化,数字化方向发展。英飞凌作为引领智能LED照明的领先供应商,从系统级角度看待问题,为客户提供卓越
2019-08-06 06:14:02
的特性。因为低效率的LED电源本身就需要消耗大量电能,所以在给LED供电的过程中就无法凸显LED的节能特点。总之,LED电源在LED工作中的稳定性、节能性、寿命长短,具备重要的作用。 LED的电源有
2013-01-07 14:57:57
通过一个简单的例子来描述LED驱动电源的工作原理和详解ASEMI整流桥MB6S在恒流LED驱动电源中的应用。下图为输出14W的精密恒流LED驱动电源电路: 主要特点如下:输入电压:195--265V输出电压:20V/0.7A电源效率:n=86%空载功耗:Po
2022-01-19 16:53:15
请问STM32 PWM如何驱动RGB全彩LED?
2021-11-25 08:09:40
AN-EVAL-ILD6150,ILD6150演示板是一款迟滞降压LED驱动器IC,用于驱动普通照明应用中的高功率LED,平均电流高达1.5 A. ILD6150适用于具有各种电源电压的LED
2019-04-10 09:31:21
照明用LED驱动电源威廉希尔官方网站
基础
LED的排列方式及LED 光源的规范决定着基本的驱动器要求。LED 驱动器的主要功能就是在一定的工作条件范围下限制流过LED
2010-04-21 18:05:02
1911 
本文设计一种基于PWM的可调光LED驱动电路,可提供LED所需的电压和电流,且
2010-07-24 15:29:50
2692 
根据电网的用电规则和LED驱动电源的特性要求,在选择和设计LED驱动电源时要考虑到以下九大性能特点要求:
2010-10-29 18:00:51
821 光耦在LED电源驱动芯片上的应用
2012-06-27 11:43:27
2072 
为了节能省电,LED得到了很大的推广,但LED都需要有个电源驱动,其好坏会直接影响LED的寿命,因此如何做好一个LED驱动电源是LED电源设计者的重中之重。本文介绍了一些LED驱动电源的
2013-01-14 10:11:53
809 BP2838 是一款支持 PWM 调光高精度降压型 LED 恒流驱动芯片。适用于 85Vac~265Vac 全范围输入电 压的非隔离降压型 LED 恒流电源。
2015-11-24 15:12:45
273 LED驱动电源原理图
2016-01-18 16:19:06
19 BP2838G 是一款支持 PWM 调光高精度降压型 LED 恒
流驱动芯片。适用于 85Vac~265Vac 全范围输入电
压的非隔离降压型 LED 恒流电源。
2016-03-03 16:26:38
66 脉冲宽度调制(PWM)是利用微处理器的数字输出来对模拟电路进行控制的一种非常有效的威廉希尔官方网站
,从测量、通信到功率控制与变换的许多领域中广泛应用,以其控制简单,灵活和动态响应好的优点而成为电力电子威廉希尔官方网站
最常见的控制方式。
2016-11-24 02:33:11
5199 LED电源驱动:LED电源驱动是把电源供应转换为特定的电压电流以驱动LED发光的电压转换器。
2016-12-21 14:41:02
2847 ED驱动电源可以说是一个LED产品的核心所在,所以我们要很认真去研究它。当然,这得从最基础的开始了解,你必须的知道什么是LED驱动电源才行。
2016-12-21 14:55:29
2030 照明用LED驱动电源设计
2017-01-14 11:12:56
46 白色LED驱动电源设计及应用
2017-03-05 14:21:04
8 脉冲宽度调制(PWM)是利用微处理器的数字输出来对模拟电路进行控制的一种非常有效的威廉希尔官方网站
,从测量、通信到功率控制与变换的许多领域中广泛应用,以其控制简单,灵活和动态响应好的优点而成为电力电子威廉希尔官方网站
最常见的控制方式。
2017-04-23 10:29:22
1891 
LED驱动电源把电源供应转换为特定的电压电流以驱动led发光的电压转换器
2017-04-24 09:19:30
3081 如图1所示的驱动电路是采用反馈电压进行LED亮度控制的,而如图2所示的电路是采用PWM信号控制白光LED的亮度的。在如图2所示电路中,IC的EN端子是可使开关变换器做ON/OFF模式运行的端子,如果
2017-10-30 11:51:55
60977 
普通照明用LED驱动电源一般采用基于PWM控制器的反激式变换器电路拓扑。这种解决方案结构简单,但一般不能利用传统白炽灯用三端双向晶闸管(TRIAC)调光器调光,这是因为白炽灯是一种纯电阻性负载
2017-11-07 19:54:48
27 LED驱动电源是把电源供应转换为特定的电压电流以驱动LED发光的电压转换器,本文为大家介绍六种常用的LED驱动电源电路图。
2018-01-11 08:58:48
23677 
led恒流驱动电源是把电源供应转换为特定的电压电流以驱动LED发光的电压转换器,引通常情况下:LED驱动电源的输入包括高压工频交流(即市电)、低压直流、高压直流、低压高频交流(如电子变压器的输出)等。而LED驱动电源的输出则大多数为可随LED正向压降值变化而改变电压的恒定电流源。
2019-04-10 11:45:51
40716 LED驱动电源质量的好坏,直接影响到LED照明系统的品质,但在LED照明系统中相对容易损坏的却是驱动电源。
2019-08-06 18:11:38
10630 LED驱动电源的质量好坏将会直接影响LED的寿命,因此如何做好一个LED驱动电源是LED电源设计者的重中之重。
2020-04-08 16:51:07
2991 来源:罗姆半导体社区 LED驱动电源的质量好坏将会直接影响LED的寿命,因此如何做好一个LED驱动电源是LED电源设计者的重中之重。 在当前生活中,为了节能省电,LED得到了很大的推广,但LED
2022-11-25 17:55:48
861 LT3598 - LED 驱动器驱动多达 6 串各由 10 个 LED 组成 的 LED 串,并提供 3000:1 True Color PWM 调光
2021-03-20 18:58:36
11 %。 随着LED的迅速发展。现在白光LED光源相比的传统光源具有寿命长、固体照明不易损坏、高光效、无汞环保、抗震等优点,将LED使用到照明领域,需要适合LED的驱动电源,利用PWM开关控制凡是设计实现了一种白光LED的大功率驱动电路。 H7230是一种通用LED驱动控制器,
2021-09-27 17:25:59
1912 电子发烧友网为你提供PWM在LED驱动电源中的作用资料下载的电子资料下载,更有其他相关的电路图、源代码、课件教程、中文资料、英文资料、参考设计、用户指南、解决方案等资料,希望可以帮助到广大的电子工程师们。
2021-04-22 08:54:20
19 同步、低EMI LED驱动器采用集成开关和内部PWM
2021-05-10 16:25:14
3 说到LDE驱动电源,相信很多人都知道,像LED驱动电源有哪些特点呢,接下来一起起看看。 1.高可靠性特别像LED路灯的驱动电源,装在高空,有防水铝壳驱动电源,质量好的话不容易坏,减少维修次数
2022-01-06 12:03:28
6 许多微处理器提供的数字脉宽调制 (PWM) 输出基于内部 8 位或 16 位计数器,并具有可编程占空比。它适用于调节LCD驱动器,负电压LED驱动器或电流控制LED驱动器的输出。
2023-01-13 16:03:05
1655 
与其他高功率 LED 驱动器不同,LT3761 能够产生自己的 PWM 调光信号以产生高达 25:1 的调光。这使其能够产生精确的PWM调光,而无需外部PWM生成组件。LT3761 只需要一个外部
2023-01-31 16:49:13
1992 
AP51656 电流采样降压恒流驱动IC RGB PWM深度调光 LED电源驱动
2023-08-16 23:21:26
590 
AP51656 电流采样降压恒流驱动IC RGB PWM深度调光 LED电源驱动
2023-08-08 17:22:58
350 
led恒流驱动电源坏了有什么表现? 随着LED灯具的普及,led恒流驱动电源已成为led灯具中的重要组成部分,它可以使灯具的亮度稳定,延长灯具的使用寿命,提高灯具的安全性能等。但是在使用过程中
2023-09-05 09:19:09
3018 led恒流驱动电源更换怎么操作? LED恒流驱动电源是一种特殊的电源设备,常用于LED灯的控制,确保LED灯的稳定工作和长寿命。然而,随着时间的推移,可能会出现电源故障,这时候需要更换LED恒流驱动
2023-09-05 09:19:11
3225 LED灯驱动电源一般有三种驱动方式:分布式驱动电源系统、直接恒流驱动、恒压/恒流驱动方式。①分布式驱动电源系统,即用一个恒压源给多个恒流源供电,再由每个恒流源单独给一路LED供电。
2023-09-16 12:43:22
6287 
如何减少PWM调压误差?如何增强PWM信号? PWM(脉冲宽度调制)信号调压是电源设计中最常用的威廉希尔官方网站
之一,通过调节脉冲的宽度和频率来控制输出电压的大小和稳定性。但是,PWM信号调压存在一定的误差
2023-10-22 15:18:16
755 PWM信号输出的三种硬件驱动方式 PWM信号,即脉冲宽度调制信号,用于控制电子设备的运转。在电路控制领域中,PWM信号是非常重要的信号之一,它通常用于控制电机、LED灯、音频放大器等设备的运转
2023-10-30 09:47:03
597 信号的形式或者用户指定的特殊的模拟量信号传输到控制室、PLC、PC及DCS系统。产品内部集成了高隔离的DC-DC电源,PWM驱动电路,高速信号转换电路和信号放大与变
2023-09-16 01:40:16
0 Q A 问: 两种常见的 LED PWM 调光方法 脉宽调节(Pulse Width Modulation, PWM) 威廉希尔官方网站
,是指利用 PWM 控制信号,其原理是通过改变 LED 正向工作电流
2023-11-29 20:15:01
1127 
的电流值上,从而保证LED的亮度。 2. PWM调光:PWM调光是通过调节LED的脉冲宽度来控制亮度。当脉冲宽度较宽时,LED的亮度较高;当脉冲宽度较窄时,LED的亮度较低。 在单路PWM调光中,LED恒流驱动芯片会根据输入的PWM信号调节LED的脉冲宽度,从而实现亮度的调节。这种调
2024-02-26 16:54:35
142 
评论