系统使用的模块有AT89C51单片机+MQ-2烟雾传感器+LCD1602显示屏+ADC0809数模转换器。
2022-09-26 10:08:36
3269 ADC0809 的逻辑结构 ADC0809 是带有 8 位 A / D 转换器、 8 路模拟开关以及微处理机兼容的控制逻辑的 CMOS 组件。它是逐次逼近式 A / D 转换器,是目前应用比较
2023-09-11 14:44:06
2743 
求救,!!!!利用51单片机采集ADC0809转换的三个通道的数据并发送至上位机,C语言程序或源程序都可
2016-06-03 16:40:35
我用的是STC89C51RC单片机,现有一个PT100经过ADC0809后进入单片机的P2口,比如从P2口采集的数字是t(这个t应该是8位2进制的电压值吧,我理解的对吗?),这个t怎么转换成温度值
2016-10-03 15:15:28
ADC0809与单片机的连接电路,附带本人亲自手动布线的PCB图,下载刷板子即可使用,留有LCD1602液晶借口,也可当做最小系统使用。方便!!!
2012-04-19 18:38:38
ADC0809 - 8-Bit uP Compatible A/D Converters with 8-Channel Multiplexer - National Semiconductor
2022-11-04 17:22:44
MCS一51系列单片机(8031、8051等)与8155、ADC0809等接口芯片进行连接,但是在实践中经常遇到一些工作不正常的问题,在此提出进行讨论。 [hide][/hide]
2009-12-08 09:41:38
用单片机和ADC0809做了个数字电压表,仿真没问题,面包板插好测试了没问题,但是制成PCB之后就出问题了,打开电源ADC0809不工作,但是若是把ADC0809从插座上拔下来再装上去就工作了,每次
2014-03-23 10:10:04
看到好多资料上ADC0809与89C52单片机的连接方式是下图,v而有的情况却是这样的这是什么原因呢?请各位大侠赐教!
2016-05-21 10:00:38
ADC0809是什么?ADC0809是如何工作的?如何去实现ADC0809的模数转换与显示呢?
2022-01-25 06:35:04
项目中由于单片机开发板自带的ADC模块不够用,单片机自带的ADC模块是XPT2046,只有一个外部模拟输入信号通道,不能够满足我的需求,所以我打算采用ADC0809来作为模数转换芯片
2021-07-20 06:30:02
ADC0809更详细的参数说明可以查看它的芯片手册(英文原版)链接:文章目录1、ADC0809模数转换器主要特性:2、ADC0809外部特征1、ADC0809模数转换器主要特性:ADC0809是8
2021-12-02 08:24:57
求助:ADC0809的数据口与液晶屏数据口都用的P0口,结果数据显示不出来,怎么办啊?用软件的方法我用的是51单片机,求大神指点啊!
2015-06-08 11:45:56
用光敏传感器调光,想用ADC0809采集电压信号,比较后,调节灯光。。谁能帮帮我啊,好心人。。
2013-05-29 12:37:57
ADC0808/0809与8031单片机接口设计有没有大神会编写ADC0809与8031接口的10位转换最好是汇编语言C语言或者其他的也可以,谢谢大佬们,10位的实在不会写
2019-06-14 10:49:43
我用单片机想显示adc0809的数据,但是adc0809的输入与显示的值是不规则变化的,本来正确值是不是应该从0变到255才对啊,我已经弄了好久了,希望大家帮帮忙,小弟不胜感激啊
2013-06-07 16:20:29
adc0809单片机stc15f2k60s2驱动程序,附带液晶得驱动程序,直接可调用!
2019-07-15 16:33:51
adc0809的转换频率是多少
2016-11-26 15:37:55
单片机ADC0809数字电压表
2012-06-02 17:56:32
adc0809与单片机之间为什么连接一个触发器?
2017-05-07 16:13:47
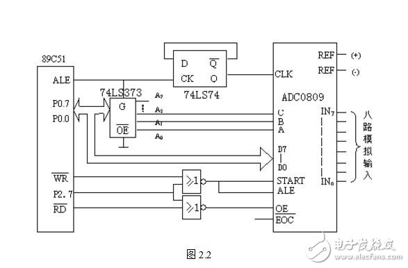
的基准。其典型值为+5V(Vref(+)=+5V, Vref(-)=-5V).9.2.2 MCS-51单片机与ADC0809的接口ADC0809与MCS-51单片机的连接如图9.10所示。电路连接主要
2018-07-19 06:46:59
;设置数据个数MOV DPTR,#8000H;设置ad的最低地址这是什么意思,电路图上是单片机的p0口和adc0809的d0口还有 A B C地址选通端链接SETB IT0;设置外部中断为下降沿触发
2013-05-02 16:11:13
DIY_51单片机_+_ADC0809_示波器
2012-08-15 22:30:35
用GP2D12,来进行激光,红外线测距,运用51单片机,ADC0809进行数模转换附:PROTEUS仿真电路文件,KEIL C C 语言源代码,自己亲手做的,亲测可用.
2013-07-26 22:12:52
芯片介绍与分析***ADC0809 是采用CMOS 工艺制造的双列直插式单片8 位A/D 转换器。(分辨率) 分辨率8 位,精度7 位,带8 个模拟量输入通道,有通道地址译码锁存器,输出带三态数据锁
2021-07-22 06:38:02
模拟量转换成二进制数字量,用发光二极管显示二.实验二、目的1.掌握A/D转换与单片机的接口方法。2.了解A/D芯片ADC0809转换性能及编程。3.通过实验了解单片机如何进行数据采集。三.实验电路及连线...
2021-09-10 06:02:55
求教51单片机接1602显示正常但接0809测电压时1602显示乱码并不断变化闪烁拔掉0809后又显示正常这是怎么回事?
2016-02-12 11:58:09
模拟信号通过AD转换芯片转换成数字量;将转换后的数字量通过LED数码管显示。(2) 设计硬件电路AT89C51单片机,四位共阳数码管,滑动变阻器,ADC0809(3) 设计过程及调试关键步骤首先按要求连接电路,之后将各个引脚在keil中进行命名,在滑动变阻器旁边加个电压表...
2021-07-22 06:15:04
我要做一个8路数据采集系统,是用51单片机做主芯片,请问一下用ADC0809转换芯片时如何接外围元件?信号跟转换芯片之间要如何连接呢?
2017-04-25 18:53:53
如何实现基于STC89C51的ADC0809模数转换仿真?
2021-11-10 07:20:20
一、前言介绍使用ADC0809对一个模拟电压进行转换转换后的电压使用数码管显示出来二、ADC0809的介绍1、ADC0809简介ADC0809是采用COMS工艺制造的双列直插式单片8位A/D转换器
2021-11-17 07:12:38
用单片机控制ADC0809来实现数据采集,最后显示在液晶上,本人程序中getadc0809不会
2015-04-24 13:00:02
我用ADC0809和STC的单片机做电压采集,现在用proteus 仿真的时候出了问题,实际电压值数码管显示电压值5.02.094.5 1.454.00.973.5 0.333.00.65 2.5
2012-11-12 16:17:29
本帖最后由 eehome 于 2013-1-5 09:52 编辑
用ADC0809和STC的单片机做电压采集,现在用proteus 仿真的时候出了问题,实际电压值数码管显示电压值
2012-11-12 16:24:02
用51单片机+ADC0809或其他的ADC转换芯片实现对四路的模拟信号的采集,模拟信号以0-5V的电压为对象,分别对1-3路电压和2-4路电压值进行比较,将得到的+-差值分别转换为四路开关量输出
2014-03-13 15:48:57
`
在论坛里面看到很多关于ADC0809仿真的,都做得不是很好,有很多都是不能实现的。所以我花了两天时间研究了这个ADC0809(在proteus里是用ADC0808来仿真,和ADC0809是一样
2011-12-05 13:58:35
本帖最后由 台灯盼破晓 于 2013-7-6 16:08 编辑
只用到通道0和通道1,做板子用了这种接法 但是ADC0809的程序老是不正确,在LCD也不显示 不知道是不是程序的问题,不知道ADC是否工作。。谁能指导下C程序的写法。 主要是通道的选择和ADC转换出的数据处理问题。
2013-07-06 14:46:08
The ADC0808, ADC0809 data acquisition component is amonolithic CMOS device with an 8-bit
2008-12-18 17:06:04
235 介绍了MCS一51单片机与8155、ADCO8O9接口的问题,还介绍了MCS一51单片机、8155、ADC0809等芯片在实际应用过程中遇到的问题及解决的方法,提出了造成这些问题的可能原因,给出了MCS一
2009-11-07 15:22:24
235 ADC0809是带有8位A/D转换器、8路多路开关以及微处理机兼容的控制逻辑的CMOS组件。它是逐次逼近式A/D转换器,可以和单片机直接接口。
2010-01-08 09:12:37
227 adc0809芯片管脚图
内部功能图:
2007-12-19 10:14:25
8228 
adc0809外围电路
ADC0809 芯片性能特点: 是一个逐次逼近型的A/D 转换器,外部供给基准电压;单通道转换时间116us;分辨率为8 位,带有三态输出锁存器,转换结束时,
2007-12-25 11:30:27
3730 
adc0809应用
1、模拟信号输入IN0~IN7: IN0-IN7 为八路模拟电压输
2007-12-25 11:33:29
4031 
ADC0809 VHDL控制程序--文件名:ADC0809.vhd--功能:基于VHDL语言,实现对ADC0809简单控制--说明:ADC0809没有内部时钟,需外接10KHz~1290Hz的时钟信号,这里由FPGA的
2008-06-27 11:19:28
2794 8位A/D转换器芯片ADC0809ADC0809是CMOS单片型逐次逼近式A/D转换器,ADC0809的主要特性:● 它是具有8路
2009-01-14 13:39:33
4503 
ADC0809与MCS-51的连接电路
2010-02-23 11:31:06
3436 
ADC0809是美国国家半导体公司生产的CMOS工艺8通道,8位逐次逼近式A/D转换器。
2011-05-25 08:22:00
3279 在数据采集系统中A D转换器与CPU的接口是至美重要的,它将直接地影响到整个系统的可靠l生和精度。本文通过时序分析讨论了 ADC0809 与MCSS1单片机接口的可靠性设计
2011-07-26 17:14:59
207 介绍了单片机为核心构成的测控系统中,模拟电压采样测量及MD转换方法。详细介绍了AD转换芯片 ADC0809 的内部结构作时序及其使用方法,并给出了基于ADC0809构成的测控系统的硬件接口
2011-07-26 17:34:14
519 模/数转换芯片ADC0809的用法,有需要的下来看看。
2016-01-25 10:25:28
47 jiyu基于ADC0809和51单片机实现的简单宜兴的数字电压表,程序简单。
2016-05-16 15:53:04
62 adc0809是CMOS单片型逐次逼近式A/D转换器,adc0809引脚有28条,采用双列直插式封装.Madc0809与单片机连接电路主要涉及两个问题,一是8路模拟信号通道的选择,二是A/D转换完成后转换数据的传送。
2016-09-13 16:54:46
90476 
本文为您介绍8通道多路复用AD转换器adc0809引脚图、封装图,adc0809应用电路图,并提供adc0809/adc0808中文资料英文资料Datasheet数据手册pdf下载。
2016-09-23 15:28:15
19951 资料提供ADC0808/ADC0809英文Datasheet原版数据手册下载,ADC0809引脚图、封装图、ADC0809应用电路图,ADC0809芯片图片。图片均无logo水印,印记清晰明了。
2016-09-23 16:09:30
227 adc0809与单片机连接图(附程序)
2017-04-22 09:17:01
92 ADC0809是带有8位A/D转换器、8路多路开关以及微处理机兼容的控制逻辑的CMOS组件。它是逐次逼近式A/D转换器,可以和单片机直接接口。
2017-08-30 14:56:47
3 ADC0809是美国国家半导体公司生产的CMOS工艺8通道,8位逐次逼近式A/D模数转换器。其内部有一个8通道多路开关,它可以根据地址码锁存译码后的信号,只选通8路模拟输入信号中的一个进行A/D转换。目前仅在单片机初学应用设计中较为常见。那么ADC0809电压采集程序是怎样?
2017-10-19 14:03:45
7736 。目前仅在单片机初学应用设计中较为常见。 adc0809工作原理 adc0809对输入模拟量要求:信号单极性,电压范围是0-5V,若信号太小,必须进行放大;输入的模拟量在转换过程中应该保持不变,如若模拟量变化太快,则需在输入前增加采样保持电路。 地址输入和控制线
2017-10-27 15:12:17
31085 adc0809是八个单端输入,参考电压:5V, 即Vref=5V。
adc0804是一个差分输入,参考电压:2.5V,即Vref=2.5V。其它参数一样。ADC0804是单路的,ADC0809是8通道多路开关8位A/D转换器
2017-11-12 10:02:19
24984 基于51单片机的ADC0809C程序代码。
2017-11-22 15:51:27
11710 瓦斯检测监控控制系统主要由ADC0809、AT89C51单片机、继电器和风扇等组成。系统中应用的80C51系列单片机在片内无A/D转换电路,当需要输入模拟信号时,常使用A/D转换器ADC0809进行
2017-12-06 18:29:35
2199 
本文主要介绍了ADC0809用法详解_引脚图及功能_工作原理_内部结构及应用电路。ADC0809是采用CMOS工艺制造的双列直插式单片8位A/D转换器。A/D转换后得到的数据应及时传送给单片机进行处理。
2017-12-13 09:32:56
181425 
ADC0809是美国国家半导体公司生产的CMOS工艺8通道,8位逐次逼近式A/D模数转换器。其内部有一个8通道多路开关,它可以根据地址码锁存译码后的信号,只选通8路模拟输入信号中的一个进行A/D转换。
2017-12-27 08:34:57
12952 
本文分享ADC0809数模转换与显示的单片机C语言程序设计与电路图。
2018-01-05 15:36:36
5799 
本文主要介绍了模数转换器ADC0809引脚及内部框图_单片机程序设计:ADC0809数模转换与显示。ADC0809是带有8位A/D转换器、8路多路开关以及微处理机兼容的控制逻辑的CMOS组件。ADC0809由一个8路模拟开关、一个地址锁存与译码器、一个A/D转换器和一个三态输出锁存器组成。
2018-01-05 17:35:58
24671 
最近单片机有一个实验挺有意思的,使用51单片机以总线的方式读取adc0809的数据先补充点关于单片机总线的预备知识,我一开始不了解总线的时候做这个实验也是很懵逼的。
2019-09-10 17:26:00
5 本文档的主要内容详细介绍的是使用单片机和ADC0809设计数字电压表的资料和电路图及程序免费下载。
2019-08-12 17:33:00
25 本文档的主要内容详细介绍的是如何使用51单片机总线方式获取ADC0809的数值资料和程序说明。
2019-07-29 17:36:00
21 ADC0809是带有8位A/D转换器、8路多路开关以及微处理机兼容的控制逻辑的CMOS组件。它是逐次逼近式A/D转换器,可以和单片机直接接口。
2020-04-06 13:26:00
10292 
本文档的主要内容详细介绍的是ADC0809与51单片机的接口电路及应用程序代码免费下载
2020-04-14 08:00:00
8 本文档的主要内容详细介绍的是使用单片机实现ADC0809转换实验的程序和资料免费下载。
2020-06-19 17:40:00
30 利用单片机AT89S51与ADC0809设计一个数字电压表,能够测量0-5V之间的直流电压值,四位数码显示,但要求使用的元器件数目最少。
2020-06-21 11:39:15
3950 ADC0809与MCS-51单片机的联接如图9.10所示。电路联接首要触及两个疑问。一是8路仿照信号通道的挑选,二是A/D改换完毕后改换数据的传送。
2020-07-12 09:32:47
3968 
根据模数转换器定位为单片机的外部 RAM单元的概念 ,介绍了 AT89S51 单片机与 ADC0809 模数转换器三种典型连接电路及程序编制。 分析了三种电路硬件和软件特点。 并且给出了一种能用于中断、串行口和模数转换等项目的综合训练的短小精悍的可执行程序.
2021-03-18 09:46:53
17 利用单片机AT89S51与ADC0809设计一个数字电压表,能够测量0-5V之间的直流电压值,四位数码显示,但要求使用的元器件数目最少。
2021-03-18 15:20:42
38 本文档的主要内容详细介绍的是使用单片机实现ADC0809模数转换与显示的C语言实例免费下载
2021-03-31 11:20:05
24 adc0809是采样频率为8位的、以逐次逼近原理进行模—数转换的器件。其内部有一个8通道多路开关,它可以根据地址码锁存译码后的信号,只选通8路模拟输入信号中的一个进行A/D转换
2021-07-07 10:19:00
11601 
基于ADC0809芯片的简单采集系统设计(开关电源威廉希尔官方网站
论文)-文档为基于ADC0809芯片的简单采集系统设计总结文档,是一份不错的参考资料,感兴趣的可以下载看看,,,,,,,,,,,,,
2021-09-17 14:16:25
91 单片机实例--ADC0809 AD转换器基本应用(西工大现代电源威廉希尔官方网站
考试)-该文档为单片机实例--ADC0809AD转换器基本应用讲解文档,是一份不错的参考资料,感兴趣的可以下载看看
2021-09-22 17:34:46
25 51单片机&ADC0809实现数码管显示电压值、过压报警(附仿真文件)(现代电源威廉希尔官方网站
基础答案)-51单片机&ADC0809实现数码管显示电压值、过压报警(附仿真文件),注释详细,非常适合单片机爱好者参考学习。
2021-09-22 18:14:56
91 一、前言介绍使用ADC0809对一个模拟电压进行转换转换后的电压使用数码管显示出来二、ADC0809的介绍1、ADC0809简介ADC0809是采用COMS工艺制造的双列直插式单片8位A/D转换器
2021-11-10 13:06:00
51 )/********************************************************************************* @file ADC0809/ADC0808.asm* @author Alex——小白* @version V1.0* @date 2019...
2021-11-22 20:36:02
18 通过ADC0809和51单片机实现简易电压表仿真
2021-11-23 16:20:56
41 【单片机基础】ADC0809模数转换器详解
2021-11-23 17:21:16
41 ADC0808/ADC0809
8-Bit µP Compatible A/D Converters with 8-Channel
Multiplexer
2022-06-28 11:03:32
8 基于AT89C51单片机ADC0809模数转换与显示Proteus仿真及程序
2023-05-04 16:02:03
5 本资源内容概要: 这是基于51单片机的ADC0809数字电压表设计包含了C语言程序源代码(keil软件打开)。 本资源适合人群: 单片机爱好者、电子类专业学生、电子diy爱好者。 本资源能学到
2023-07-27 16:57:26
0 ADC0809是一款8位的A/D转换器,它具有8个通道,可以用于将模拟信号转换为数字信号。如果您想改变通道,以下是一些步骤和操作说明。 步骤1:电源连接 首先,将ADC0809的电源引脚连接到正确
2024-01-08 11:04:59
219
评论