硅光电池是一种直接把光能转换成电能的半导体器件。它的结构很简单,核心部分是一个大面积的PN结,把一只透明玻璃外壳的点接触型二极管与一块微安表接成闭合回路,当二极管的管芯(PN结)受到光照时,你就会看到微安表的表针发生偏转,显示出回路里有电流,这个现象称为光生伏特效应。硅光电池的PN结面积要比二极管的PN结大得多,所以受到光照时产生的电动势和电流也大得多。
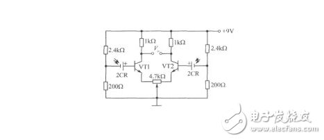
硅光电池的电路分析

如图所示,用两个性能相近的硅光电池作光接受器件,当入射光通量相同时Vo=0,行机构按预定的方式工作。当光路系统略有偏差时,两个硅光电池接收到的光通量发生变化,此时Vo≠0,这一差动输出信号经过放大即可带动执行机构(例如微型电机)对系统状态进行纠正,直到Vo=0为止,从而达到跟踪的目的。
硅光电池的工作原理
硅光电池的工作原理是光生伏特效应。它是一个大面积的光电二极管,它可把入射到它表面的光能转化为电能。当光照射在硅光电池的PN结区时,会在半导体中激发出光生电子空穴对.PN结两边的光生电子空穴对,在内电场的作用下,属于多数载流子的不能穿越阻挡层,而少数载流子却能穿越阻挡层。结果,P区的光生电子进入N区,N区的光生空穴进入P区,使每个区中的光生电子一空穴对分割开来。光生电子在N区的集结使N区带负电,光生电子在P区的集结使P区带正电.P区和N区之间产生光生电动势。当硅光电池接入负载后,光电流从P区经负载流至N区,负载中即得到功率输出。

硅光电池的分类应用
1、晶体硅光电池
晶体硅光电池有单晶硅与多晶硅两大类,用P型(或n型)硅衬底,通过磷(或硼)扩散形成Pn结成制作,生产威廉希尔官方网站 成熟,是光伏市场上的主导产品。采用埋层电极、表面钝化、强化陷光、密栅工艺、优化背电极及接触电极等威廉希尔官方网站 ,提高材料中的载流子收集效率,优化抗反肘膜、凹凸表面、高反射背电极等方式,光电转换效率有较大提高。单晶硅光电池面积有限,目前比较大的为 ∮10至 20cm的圆片,年产能力46MW/a。
目前主要课题是继续扩大产业规模,开发带状硅光电池威廉希尔官方网站 ,提高材料利用率。国际公认最高效率在AM1.5条件下为24%,空间用高质量的效率在AMO条件约为13.5—18%地面用大量生产的在AM1条件下多在11—18%之间。以定向凝固法生长的铸造多晶硅锭代替#晶硅,可降低成本,但效率较低。优化正背电极的银浆和铝浆丝网印刷,磨图抛工艺,千方百计进一步降成本,提高效率,大晶粒多晶硅光电池的转换效率最高达18.6[%]。
2、非晶硅光电池
a-Si(非晶硅)光电池一般采用高频辉光放电方法使硅烷气体分解沉积而成。由于外解沉积温度低,可在玻璃、不锈钢板、陶瓷板、柔性塑料片上沉积约1μm厚的薄膜,易于大面积化(05rn×l.0m),成本较低,多采用p in结构。为提高效率和改善稳定性,有时还制成三层P in等多层叠层式结构,或是插入一些过渡层。
其商品化产量连续增长,年产能力45MW/a,10MW生产线已投入生产,全球市场用量每月在1千万片左右,居薄膜电池首位。发展集成型a-Si光电池组件,激光切割的使用有效面积达90%以上,小面积转换效率提高到 14.6%,大面积大量生产的为8-10%,叠层结构的最高效率为21%。研发动向是改善薄膜特性,精确设计光电池结构和控制各层厚度,改善各层之间界面状态,以求得高效率和高稳定性。
3、多晶硅光电池
P-Si(多晶硅,包括微品)光电池没有光致衰退效应,材料质量有所下降时也不会导致光电池受影响,是国际上正掀起的前沿性研究热点。在单晶硅衬底上用液相外延制备的p-Si光电池转换效率为15.3%,经减薄衬底,加强陷光等加工,可提高到23.7[%],用CVD法制备的转换效率约为12.6—l7.3[%]。采用廉价衬底的p—si薄膜生长方法有PECVD和热丝法,或对a—si:H材料膜进行后退火,达到低温固相晶化,可分别制出效率9.8[%]和9.2[%]的无退化电池。
微晶硅薄膜生长与a—si工艺相容,光电性能和稳定性很高,研究受到很大重视,但效率仅为7.7%大面积低温p—si膜与—si组成叠层电池结构,是提高比a—S光电池稳定性和转换效率的重要途径,可更充分利用太阳光谱,理论计算表明其效率可在28%以上,将使硅基薄膜光电池性能产生突破性进展。铜烟硒光电池 CIS(铜锁硒)薄膜光电池己成为国际先伏界研究开发的热门课题,它具有转换效率高(已达到17.7%),性能稳定,制造成本低的特点。
CIS光电池一般是在玻璃或其它廉价衬底上分别沉积多层膜而构成的,厚度可做到2-3μrn,吸收层CIS膜对电池性能起着决定性作用。现已开发出反应共蒸法和硒化法(溅射、蒸发、电沉积等)两大类多种制备方法,其它外层通常采用真空蒸发或溅射成膜。阻碍其发展的原风是工艺重复性差,高效电池成品率低,材料组分较复杂,缺乏控制薄膜生长的分析仪器。CIS光电池正受到产业界重视,一些知名公司意识到它在未来能源市场中的前景和所处地位,积极扩大开发规模,着手组建中试线及制造厂。
硅光电池应用
光敏传感器的基础是光电效应,即利用光子照射在器件上,使电路中产生电流或使电导特性发生变化的效应。目前半导体光敏传感器在数码摄像、光通信、航天器、太阳能电池等领域得到了广泛应用,在现代科技发展中起到了十分重要的作用。
能源--硅光电池串联或并联组成电池组与镍镉电池配合、可作为人造卫星、宇宙飞船、航标灯、无人气象站等设备的电源;也可做电子手表、电子计算器、小型号汽车、游艇等的电源。
光电检测器件--用作近红外探测器、光电读出、光电耦合、激光增加准直、电影还音等设备的光感受器。
硅光电池的使用及注意
1)硅光电池的寿命很长,性能很稳定,但是要注意保护,不能受机械损伤,一旦电池破碎就无法再使用了。
2)硅光电池不能受潮,也不能沾油污,否则将使抗反射膜脱落。
3)应避免用白炽灯的光源长时间照射硅光电池,这样会使电池的温度升高,降低输出功率。
4)硅光电池的输出电压一般为0.5V,为能获得较高的电压,可将硅光电池串联起来使用,如要获得较大的电流,也可将硅光电池并联使用。硅光电池串、并联后,就可得到一定输出功率的电池组。该电池组就可当电源使用。也可与蓄电池配合共同完成对负载的供电。如图1所示,当无光照射时,由蓄电池向负载供电,当有光照射时,由硅光电池向负载供电,同时给蓄电池充电。图中的VD为防逆流二极管,其反向耐压要高于蓄电池的电压,最大工作电流要大于硅光电池组的最大输出电流。
5)将硅光电池可作为光电开关的光接收器件,在其中起到一个自动开关的作用。当有光照射时,硅光电池输出电压,使晶体管导通。当无光照射时,硅光电池无电压输出,晶体管截止不导通。
电子发烧友App













































评论