像普通二极管那样简单。因此,为了确保LED的稳定亮度和寿命,需要使用限流电阻来控制电流。 如何选择发光二极管限流电阻? 选择限流电阻的关键在于计算LED的工作电流和电阻的额定功率。LED的工作电流可以通过查找LED的数据手册或测量来
2023-10-11 17:19:27
432 发光二极管限流电阻一般多大 发光二极管的限流电阻怎么确定 发光二极管是一种能够将电能转换成光能的半导体器件。在使用发光二极管时,我们需要对其进行限流,以保证其正常工作且不被损坏。而确定发光二极管
2023-10-11 17:19:21
399 小功率的发光二极管正常工作电流在10~30mA范围内。通常正向压降值在1.5~3V范围内。发光二极管的反向耐压一般在6V左右。
2023-02-07 16:47:00
6121 没有灯丝,而且又不会特别热。它单单是由半导体材料里的电子移动而使它发光。 什么是二极管? 二极管是半导体设备中的一种最常见的器件,大多数半导体最是由搀杂半导体材料制成(原子和其它物质)发光二极管导体材料通常都是铝砷化稼,在纯铝
2023-02-03 12:08:32
1613 一直以来,发光二极管、光电二极管都是大家的关注焦点。因此针对大家的兴趣点所在,小编将为大家带来发光二极管和光电二极管之间的区别进行相关介绍,详细内容请看下文发光二极管和光电二极管的区别,简单来说
2022-10-19 11:32:04
2270 
随着经济的发展,电子元器件行业发展迅速,二级管、单机片等元器件发展越来越成熟。而有人问肖特基二极管是什么,以及它的原理以及结构工作原理是什么。肖特基二极管是近些年的低功耗、大电流量、超高速半导体
2022-07-05 11:12:26
2019 
光电二极管和发光二极管的区别在电子行业从事的员工经常会听到光电二极管,但是对于其工作原理却并不怎么明白,它和另一个名词发光二极管又有什么区别?今天这篇文章将带大家一起来了解!
2022-06-08 10:16:14
739 
发光二极管简称简称LED,它是采用特殊的磷化镓或磷砷化镓等半导体材料制成的、能够将电能直接转换成为光能的半导体器件。发光二极管虽然与普通二极管一样也是由 PN 结构成的,也具有单向导电性,但发光二极管不是应用它的单向导电性,而是让它发光作指示(显示)、照明器件。
2022-02-10 09:46:05
7 发光二极管是一种常用的发光器件,是利用注入式电致发光原理制作的二极管,在日常生活中有着非常广泛的应用。那么发光二极管的常见种类有哪些呢?
2022-01-24 18:49:50
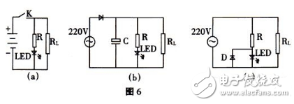
6962 画出发光二极管的电路,说出每个电阻的作用没懂意思求解
2012-05-05 23:26:59
发光二极管型号有哪些?通俗单色发光二极管通俗单色发光二极管具有体积孝工作电压低、工作电流孝发光均匀不变、响应速度快、寿命长等优点,可用各种直流、交流、脉冲等电源驱动点亮。它属于电流控制型半导体器件
2021-11-09 11:36:00
22 二极管是电子元件中具有两个电极的装置,它的最大特性就是电流只可以从二极管的其中一个方向流过。二极管由整流电路,检波电路,稳压电路,各种调制电路所来构成。 二极管 工作原理: 晶体二极管是一个由p型
2021-08-09 18:07:03
5216 一看什么是发光二极管封装?以及发光二极管封装详解。 一. 什么是发光二极管封装? 发光二极管封装即LED封装,是指发光芯片的封装,相比集成电路封装有较大不同。发光二极管的封装不仅要求能够保护灯芯,而且还要能够透光。所以发光二极管的封
2020-12-26 11:04:03
5061 顾名思义,双色发光二极管内部有两个二极管,这两个发光二极管的连接方式有两种:共阴极(两个发光二极管的负极连在一起)、共阳极(两个发光二极管的正极连在一起)。
2020-03-31 10:22:47
17022 
发光二极管的好坏比较容易测量,在二极管两端加一个较低的电压就可以使发光二极管发光。对于普通的发光二极管,其工作电压大约为1.7-2.5V左右。
2020-02-12 02:50:10
32043 
用不同材料制作的发光二极管会发出不同颜色的光,并且有着不同的工作电压范围。比如蓝色和白色3ⅴ~4v、红色1.8ⅴ~2.4ⅴ等。而这个工作电压范围并不是指只要在此范围之内发光二极管都可以正常工作。
2019-10-22 16:46:46
64930 
控制好发光二极管的工作电流就可以稳定、可靠的发光用作指示灯的发光二极管(LED),工作电流一般在20mA 以内,我们设计电路时,发光二极管工作电流设置为10mA左右就可以了。用于照明的发光二极管工作电流会较大,可以根据需要设置工作电流。
2019-09-28 06:53:00
27128 对于不同的半导体制造合成材料,发光二极管会发出红、黄、蓝、绿等不同的可见光色。发光二极管作为半导体二极管的一种,是能够蒋电能转为为光能,和普通的发光二极管一样,发光二极管也是有PN结组成。具有单向
2019-09-22 08:35:00
35440 
发光二极管作为一个常见并且广泛用于各个产品的电子元件,对电子产品而言可见是功不可没的。我们都知道发光二极管是一种固态的半导体器件,可以直接把电转化为光。其中发光二极管工作原理是什么,是怎么样把电转化为光的?在本文中,我们会分析这些无所不在的闪光元件如何工作以及发光二级管工作原理。
2019-08-30 08:00:00
7 当电子与空穴复合时能辐射出可见光,因而可以用来制成发光二极管。在电路及仪器中作为指示灯,或者组成文字或数字显示。砷化镓二极管发红光,磷化镓二极管发绿光,碳化硅二极管发黄光,氮化镓二极管发蓝光。因化学性质又分有机发光二极管OLED和无机发光二极管LED。
2019-04-01 17:05:06
39219 发光二极管(Light-Emitting Diode)是一种能发光的半导体电子元件,简称LED 。
2018-08-31 10:46:19
23333 本文首先介绍了什么是发光二极管,其次介绍了发光二极管的工作原理,最后阐述了如何利用万用表测量发光二极管的好坏。
2018-08-21 15:31:12
29300 随着科技的不断进步,工业化程度也在不断的提升,现在高科技产品被大量的使用,相信大家对于红外发光二极管一定不会陌生,红外发光二极管指的就是一种能发出红外线的二极管,比较常见的被应用于遥控器等场合。
2018-04-02 15:57:19
20223 随着威廉希尔官方网站
水平的提高发光二极管不断克服自身的局限性,开始扩大销售市场,通过提高自身的性价比,在销售时受到大量消费者的青睐。发光二极管的具有多种类型,可根据工作性质的需要,调成适合工作的类型,市场功能
2018-01-29 17:23:15
9331 发光二极管是半导体二极管的一种,可以把电能转化成光能。发光二极管与普通二极管一样是由一个PN结组成,也具有单向导电性。当给发光二极管加上正向电压后,从P区注入到N区的空穴和由N区注入到P区的电子,在PN结附近数微米内分别与N区的电子和P区的空穴复合,产生自发辐射的荧光。
2018-01-29 17:01:40
21815 当电子与空穴复合时能辐射出可见光,因而可以用来制成发光二极管。在电路及仪器中作为指示灯,或者组成文字或数字显示。砷化镓二极管发红光,磷化镓二极管发绿光,碳化硅二极管发黄光,氮化镓二极管发蓝光。因化学性质又分有机发光二极管OLED和无机发光二极管LED。
2018-01-25 13:47:41
23168 发光二极管简称为LED。由含镓(Ga)、砷(As)、磷(P)、氮(N)等的化合物制成。当电子与空穴复合时能辐射出可见光,因而可以用来制成发光二极管。在电路及仪器中作为指示灯,或者组成文字或数字显示
2017-12-11 19:42:34
10518 发光二极管可以分为普通单色发光二极管、高亮度发光二极管、超高亮度发光二极管、变色发光二极管、闪烁发光二极管、电压控制型发光二极管、红外发光二极管和负阻发光二极管等。LED的控制模式有恒流和恒压两种
2017-10-24 16:29:15
9745 LED是Light Emitting Diode的缩写,中文含义是:发光二极管,LED也是二极管的一种,是一种能够将电能转化为光能的固态半导体器件,它可以直接把电能转化为光能下面看看它的工作原理:
2016-05-25 10:15:18
7017 
本内容介绍了什么是有机发光二极管,有机发光二极管的概念,有机发光二极管的结构及优势,详细的全面的介绍有机发光二极管
2012-05-15 14:55:33
7097 
发光二极管的作用及分类详细资料
发光二极管的作用
发光二极管(LED)是一种由磷化镓(GaP)等半导体材料制成的、能直接将电能转变成光能的
2011-03-20 16:41:47
54749 LED发光二极管的工作原理、应用、分类及检测
半导体发光器件包括半导体发光二极管(简称LED)、数码管、符号管、米字管及点阵式显示屏(简称矩阵管)
2010-04-22 09:29:49
10741 简述单色发光二极管的检测
发光二极管LED(Light-EmittingDiode)是能将电信号转换成光信号的结型电致发光半导体器件。1、发光二极管LED主要特点
2010-04-20 11:17:06
798 发光二极管的工作原理图解分析
发光二极管,通常称为LED,是在电子学世界里面的真正无名英雄。它们做了许多不同工
2010-04-13 10:21:05
81792 发光二极管(LED),发光二极管(LED)的原理和作用是什么?
发光二极管(LED)的发光原理可以用PN结的能带结构来解释:当导带中的电子与价带
2010-03-26 17:33:54
2958 半导体发光二极管原理
Luminous Flux [lm]•Luminous flux is the quantity of the energy of the light
2010-03-24 15:00:15
38 发光二极管的结构和基本原理
1 发光二极管的结构
发光二极管(light emission diode LED)图1显示了LED的结构截面图。要使LED发光,有源层的半导体材料必须是直接
2010-03-02 15:22:52
14430 发光二极管工作原理-二极管是什么
发
2010-03-01 08:42:10
5073 led/发光二极管参数有哪些?
简介: LED是发光二极管( Light Emitting Diode, LED)的简称,也被称作发光二极管,这种半导体组
2010-02-27 17:24:23
11770 LED发光二极管工作原理及检测方法
发光二极管LED(Light-EmittingDiode)是能将电信号转换成光信号的结型电致发光半导体器件。1、发光二极管L
2010-02-27 16:32:43
4900 发光二极管工作原理/发光的奥秘
发光二极管它是半导体二极管的一种,可以把电能转化成光能;常简写为LED。由镓(Ga)与砷(AS)
2010-02-27 16:29:46
2013 发光二极管的原理是什么?
发光二极管是一种特殊的二极管。和普通的二极管一样,发光二极管由半导体芯片组成,这些半导体材料会
2010-02-27 16:17:16
5665 发光二极管(LED),发光二极管(LED)是什么意思
发光二极管(LED)的发光原理可以用PN结的能带结构来解释:当导带中的电子与价带中的空穴
2010-02-27 16:14:07
3362 激光二极管的结构及其工作原理是什么?
激光二极管的结构图和符号如图1所示。
激光二极管的物理结构是在发光二极管的结间安置一层具有光活性的半导体
2010-02-27 10:14:03
16434 红外发光二极管的特性
常用的红外发光二极管(如SE303·PH303),其外形和发光二极管LED相似,发出红外光(近红外线约0.93μm )。管压降约1.4V ,工
2010-02-06 15:24:13
2189 什么是发光二极管 发光二极管功耗小,噪
2009-12-29 11:22:49
645 发光二极管发光原理是什么?
LED发光二极管的结构及发光原理 50年前人们从半导体材料中了解到可产生光线的原理,第一个商
2009-11-24 09:18:15
2715 发光二极管发光原理及结构
2009-11-24 09:09:51
842 
发光二极管的简易测试威廉希尔官方网站
【摘要】发光二极管,简称LED,是一种能把电能转换成光能的半导体器件,当管子上通过一定的正向电流
2009-11-24 08:45:49
695 发光二极管和光电二极管为什么发光二极管不会被烧坏呢?发光二极管的发光过程是一个冷过程,唯一的热发光源是:无辐射复合,电阻发热占据首要地位,我
2009-11-11 16:20:50
43 二极管-发光二极管 发光二极管简称为
2009-11-07 09:06:05
1580 闪烁式发光二极管的参数
闪烁式发光二极管采用何φ5环氧全包封形式,具有较强的视感觉。表10-5 列出了一些闪烁式发光二极管的主要特性参数。
2009-09-19 17:41:20
734 闪烁式发光二极管
闪烁式发光二极管是一种光电结合的器件,它是把CMOS-LED 威廉希尔官方网站
应用到发光二极管上而制成的。闪烁式发光二极管的外形与普通发光二极管没有什么不
2009-09-19 17:40:34
5648 电压型发光二极管的结构
普通发光二极管属电流型控制器件,使用时必须加限流电阻,这就给使用带来不便。电压型发光二极管就是为解决这一问题而制成的一种新型
2009-09-19 17:39:54
1053 BT系列发光二极管
表10-1 列出了BT 系列发光二极管的主要参数。
2009-09-19 17:29:13
5815 发光二极管的基本电路
发光二极管属于电流控制型器件,使用时必须加限流电阻才能保证其正常工作。发光二极管的基本电路如图10-5 所示。
2009-09-19 17:28:14
5445 常用发光二极管的分类
常用发光二极管的分类如图10-3 所示。发光二极管的发光颜色有很多种,它们主要取决于发光二极管使用的半导体材料,使用砷化镓、镓铝砷和磷
2009-09-19 17:28:04
2268 发光二极管的工作原理发光二极管是采用磷化嫁(Ga P) 或磷呻化嫁( GaAsP) 等半导体材料制成的,其内部结构为-PN 结,具有单向导电性。当在发光二极管的PN 结上加正电压时, PN
2009-09-19 17:27:24
1167 发光二极管
发光二极管(LED)通常用元素
2009-09-17 09:25:27
792 发光二极管
发光二极管也叫LED,它是由砷化镓(GaAs)、磷化镓(GaP)、磷砷化镓(GaAsP)等半导体制
2009-09-16 09:23:36
750
用发光二极管作稳压二极管
2009-09-10 17:07:05
2048 
发光二极管原理
发光二极管通常称为LED,它们虽然名不见经传,却是电子世界中真正的英雄。它们能
2009-08-21 15:40:22
1101 什么是OLED(有机发光二极管)
OLED的原文是Organic Light Emitting Diode,中文为有机发光二极管
2009-05-09 08:35:49
1152 发光二极管(LED)的工作原理
当某些半导体材料形成的PN结加正向电压时,空穴与电子在PN结复合时将产生特定波长的光,发光的波长与半
2008-12-21 16:16:58
1924 
发光二极管测试方法摘要 ??系统地介绍了与发光二极管测试有关的术语和定义,在此基础上,详细介绍了测试方法和测试装置的要求。 ??1 前 言??半导体发光二极管是一种
2008-10-27 16:34:48
72
二极管和发光二极管
二极管的单向导电
二极管是半
2006-09-19 15:22:40
2196 1.发光二极管的作用 发光二极管(LED)是一种由磷化镓(GaP)等半导体材料制成的、能直接
2006-04-16 23:40:06
3608 
评论