MAX232芯片是美信公司专门为电脑的RS-232标准串口设计的单电源电平转换芯片,使用+5v单电源供电。主要特点:1、符合所有的RS-232C威廉希尔官方网站 标准2、只需要单一 +5V电源供电3、片载电荷泵具有升压、电压极性反转能力,能够产生+10V和-10V电压V+、V-4、功耗低,典型供电电流5mA5、内部集成2个RS-232C驱动器6、内部集成两个RS-232C接收器
max232电平转换电路
max232实现RS232电平和TTL电平相互转换。PC机输出的是由+12V和-12V组成的一种叫RS232的通信协议,单片机输出的是+5V和0V的TTL电平。
从图中也可以看出,串口线只有2(RXD)、3(TXD)、5(GND)脚有用。
	  
这个是stc12C2052数据手册上一个电路,MAX232芯片是美信公司专门为电脑的RS-232标准串口设计的接口电路,使用+5v单电源供电。
内部结构基本可分三个部分:
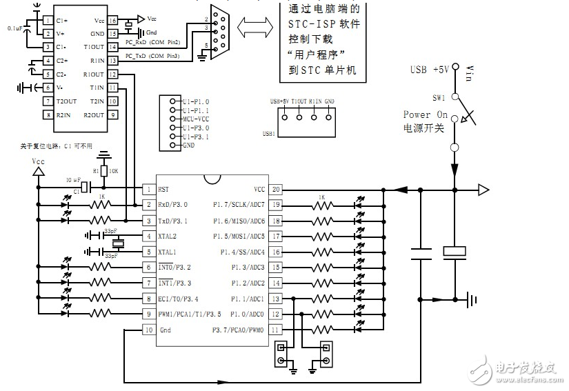
第一部分是电荷泵电路。由1、2、3、4、5、6脚和4只电容构成。功能是产生+12v和-12v两个电源,提供给RS-232串口电平的需要。
第二部分是数据转换通道。由7、8、9、10、11、12、13、14脚构成两个数据通道。
其中13脚(R1IN)、12脚(R1OUT)、11脚(T1IN)、14脚(T1OUT)为第一数据通道。
8脚(R2IN)、9脚(R2OUT)、10脚(T2IN)、7脚(T2OUT)为第二数据通道。
TTL/CMOS数据可以从T1IN、T2IN输入转换成RS-232数据从T1OUT、T2OUT送到电脑DB9插头;
DB9插头的RS-232数据可以从R1IN、R2IN输入转换成TTL/CMOS数据后从R1OUT、R2OUT输出。
第三部分是供电。15脚GND、16脚VCC(+5v)。
MAX232电平转换芯片工作原理
TTL电平逻辑1为+5V,逻辑0为0V。
RS232电平逻辑1为+3V~+15V,逻辑0为-3V~-15V。
也就是说我们所转换的数据电平+5V -》(+3V~+15V),0V-》(-3V~-15V)即可。
我们的MAX232是5V供电的,+5V -》(+3V~+15V)的转换是很容易满足的,0V-》(-3V~-15V)就需要内部产生一个负压电源然后去转换输出。MAX232的一般外接4个电容,C+对地之间,C-对地之间的电容用于稳定电荷泵输出的电压,由于C1+ C1-之间的电容加上C2+和C2-之间的电容。由于都是由VCC对它们进行循环充电,产生的V+《=2VCC,V-》=-2VCC。这样也基本满足232的电平要求了。CMOS电平的转换同理。
	  
                        电子发烧友App
                    
                
                
                    
                
                






















           
            
            
                
            
评论