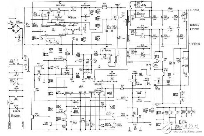
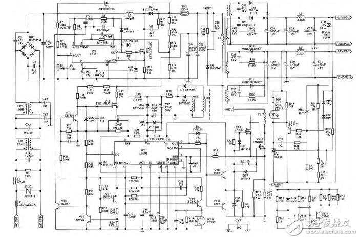
基于L6561控制的反激PFC电路,是L6561芯片控制的反激PFC电路。
2016-05-16 10:17:23
10 : a Power Factor Corrected preregulator (PFC), using the L6561, and the lamp ballast stage with the L6569 (see fig.1).The power factor c
2009-05-30 15:15:00
98 功率因数校正器L6561数据手册
2021-12-30 13:50:06
7 Ω,除非另有规定1.跟踪中的参数2.统计特性在-125°C的温度范围内相关性3.脉冲串已发送至HBCS引脚,f=6 kHz;脉冲持续时间为注释中所示的“TON”设备说明L6585DE嵌入了高性能PFC控制器
2020-09-27 17:39:27
本内容是L6561中文资料,提供免费清晰的L6561中文资料下载和L6561 pdf资料。
2014-02-25 21:52:03
330 L6562是一种在过渡模式(TM)下工作的电流模式PFC控制器,与前代L6561引脚间兼容,它提供了更高的性能。
2020-08-24 08:00:00
27 由于中小功率开关电源的市场前景很好,单端反激式开关电源不仅可以实现低压输出而且可以实现高低压的电器隔离,进而提高了电源的安全性。文中主要对基于L6561的临界模式下高PF反激式开关电源的环路
2017-11-08 16:45:28
3209 
L6561是L6560标准功率因数校正器的改进版。完全兼容标准版本,它有一个卓越的性能倍增器,使设备能够在宽输入电压范围应用(从85V到265V)与一个优秀的THD工作。此外,启动电流在几十毫安时降低,并在ZCD引脚上实现了禁用功能,保证待机模式下的低电流消耗
2020-05-20 08:00:00
5 使用L6561芯片的反激变换器的三种不同电路可以认为是一样的。如图1所示。电路1a和1b是基本的反激变换器。前者临界电流连续工作模式(TM即处于电感电流连续和断续的边界上)运行频率与输入电压和输出电流有关。后者以固定频率运行,使用同步信号,完全与等效于一般基于标准PWM控制器的反激变换器。
2018-04-13 15:11:27
29 Three different configurations that an L6561-basedflyback converter can assume have been
2009-05-31 10:44:52
29 PFC preregulators based on the boost topology working in Transition Mode (TM, see fig. 1) have been
2009-05-31 10:41:36
72 L6562是一种工作在过渡模式(TM)下的电流模式功率因数校正控制器,与前代L6561兼容,提供了更好的性能。
2020-03-19 08:00:00
4 L6563PFC电路原理图
2022-02-07 15:10:01
61 OB6561P is an active transition-mode (TM) powerfactor correction (PFC) controller for AC-DC
2008-08-13 22:11:20
186 L6561D------中文功率因数分析
2015-12-23 14:08:06
33 电路的总体框图如图1所示。为了减小输入电流的谐波,提高输入功率因数(PF),电路中采用了以L6561为控制芯片的功率因数校正(PFC)环节。PFC电路在88~265V的输入电压范围内,输出
2009-07-15 08:52:40
796 
Common practice bounds their use in conventional boost PFC stages, yet Transition Mode (TM) Power
2009-05-31 09:55:29
59 满载工作时,由于脚16高电平,Q1断开,Q2导通,Q3关断(见图3),连接L6561零电流检测端的电压端为高电平,L6561正常工作;轻载时由于脚16低电平(与脚2一起谐振),Q1导通,Q2关断,Q
2009-07-15 08:52:58
23867 
电子发烧友网为大家提供了典型的PFC升压变换器电路,本站还有其他相关资源,希望对您有所帮助!
2011-10-17 11:14:46
4912 
OB6561 is a cost effective high performancetransition-mode (TM) power-factor correction (PFC
2010-03-01 15:38:38
26 MC34262通用输入180W,385V输出功率因数校正电路,好像并不常见,最常见的还是使用L6561,或者L6562芯片来做,可能是成本的原因
2019-02-09 09:24:00
3503 
M57962L的典型应用实例电路
2010-02-19 11:21:53
9533 
UCC28070连续传导模式PFC典型应用电路图
2012-07-18 16:21:15
10361 
PFC典型故障检修方向:
1. PFC电源不工作,无输出:PWM芯片无输入电源或电源偏低
2. PFC输出电压偏高:输出检测电路异常
2019-04-30 08:00:00
14
高功率因数低空载损耗AC/DC电源的研究
摘要:介绍了一种宽输入、低空载损耗的90WAC/DC电源。电路由两级组成:以L6561
2009-07-15 08:46:27
855 
M5230L典型应用电路图
2009-05-12 13:06:15
3908 
电子发烧友网为你提供典型的PFC应用资料下载的电子资料下载,更有其他相关的电路图、源代码、课件教程、中文资料、英文资料、参考设计、用户指南、解决方案等资料,希望可以帮助到广大的电子工程师们。
2021-04-15 08:42:45
28 基于L6562的PFC计算表格免费下载。
2021-06-17 16:08:44
111 保护,主要用在开关电源,电子镇流器和LED驱动器。此处介绍了IRS2500主要特性,功能布局,典型应用电路以及PFC预调整电路图,80W PFC电路图
2021-03-11 14:00:10
3733 
The totem pole output stage is capable of driving a Power MOS or IGBT with source and sink currents of ±400mA. The device is operating in transition mode and it is optimised for Electronic Lamp Ballast application, AC-DC adaptors and SMPS
2009-12-05 15:40:07
82 Voltage fed series resonant half bridge inverters are currently used for fluorescent lamps (fig.1). This topology allows to easily operate in Zero Voltage Switching (ZVS) resonant mode, reducing the transistor switching losses and the e
2009-05-31 10:56:11
147 pfc电路图
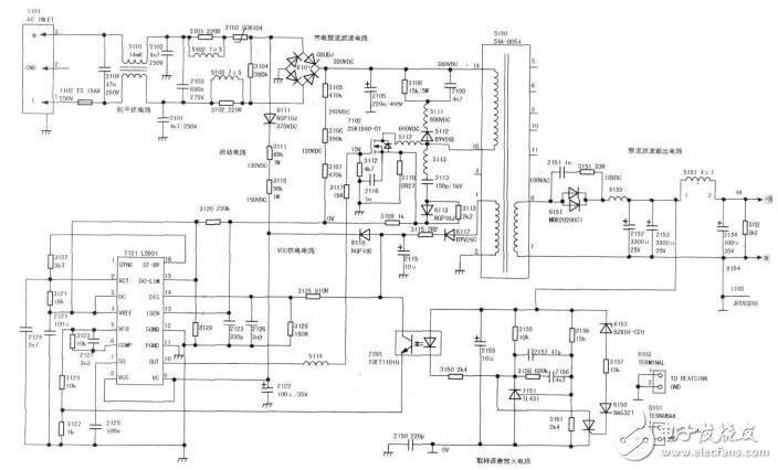
1 PFC控制电路PFC电路的电流环路由整
2010-10-04 18:03:31
5590 什么是PFC电路,为什么要引入PFC电路,大家有兴趣的可以下载看看
2016-01-06 10:02:18
61 本文介绍了什么是PFC电路与PFC电路分类与作用,其次详细的解析pfc电路基本结构和工作原理,最后介绍了有源PFC在现代逆变电源中的应用(构成方案)。
2018-01-23 15:43:00
252418 
PFC电路按照输入电流的工作情况分为三种模式:CCM电流连续型,DCM电流不连续性和介于两者之间的是TCM临界性。
2017-11-09 11:23:29
13998 
有源功率因数校正变换器中,电流环和直流滤波电容造成的超前相位致使输入电流在输入电压过零附近产生严重的畸变。本文选用ST公司L6563芯片为平台设计LED驱动电源前端PFC电路,阐述L6563 PFC
2019-04-22 08:00:00
24 T6561,联洋ITE DP转HDMI芯片
2023-02-21 14:06:38
548 
本文分析了几种典型的BOOST型PFC电路中电感的设计方法,提出了一种新的按纹波比例的设计方法,最后给出了不同设计方案的结果比较
2011-08-23 17:27:41
178 iW2202典型应用电路
iW2202的PFC和稳压都由单级单开关拓扑结构中的初级反馈提供。如图4所示。在相同应用中,其它PFC方案都会使大
2009-05-12 23:38:47
1374 
最佳的系统性能,最大化的效率,降低产品上市时间。主要应用在各种应用的AC / DC电源,服务器和存储设备,网络和通信基础设备,工业和医疗设备。 典型应用电路以及ADP1047 300瓦评估套件的主要特性,主板和子板电路图,材料清单与PCB布局图。
2021-03-11 14:06:07
2228 
This application features the L4981 PFC controller. It is a high performance device operating
2009-10-17 15:58:13
56 (2) 升压型高功因直流转换器传统的转换器,为获得较小的涟波的电压,通常于全桥整流完后加入一个大电容;但大电容意味着在大部分的时间里,线电压都是低于电容电
2009-10-01 14:24:25
108 PFC不是一个新概念了,在UPS电源要运用地较多,而PC电源上很少见到PFC电路。PFC在PC电源上的兴起,主要是源于CCC认证,所有需要通过CCC认证的电脑电源,都必须增加PFC电路。
2006-06-08 17:43:56
1412 功率因数校正电路(PFC)原理图如下所示: 1、原理示意图: 2、工作原理: 输入电压经L1、L2、L3等组成的EMI滤波器,BRG1整流一路送PFC电感,另一路经R1、R2分压后送入PFC控制器作为输入电
2012-05-31 11:12:40
13347 
L4970A构成输出5.1V 10A的典型应用电路
2009-11-14 14:28:26
1218 
本文介绍了PFC的定义,其次介绍了三星液晶彩电BN44-00155A电源板PFC电路原理与长虹LT42510液晶彩电PFC电路原理分析,最后详细介绍了液晶电视电源板pfc电路维修经验技巧。
2018-01-23 16:17:27
73890 
PFC电感是什么?PFC电感是PFC(Power Factor Correction,功率因数校正)电路的核心组件,PFC电路早期在UPS电源中运用较多,在一些PC电源上却很少见到 PFC电路;但
2021-10-26 15:32:11
7011 [关键词]PLANMED高频x线乳腺机PFC(Power Factor Ctrrectir) 电路Boost电路;PFCC0NTR0L组件
2010-04-26 15:26:38
20 PFC电路与BOOST电路设计实例
2023-04-18 10:32:57
605
PFC主电路原理图
图 PFC主电路原理图
如图所
2009-07-17 10:36:30
18690 
什么是PFC电路,为什么要引入PFC电路,大家有兴趣的可以下载看看
2016-01-06 10:02:49
38 什么是PFC电路,为什么要引入PFC电路,大家有兴趣的可以下载看看
2016-01-06 10:02:06
21 电子发烧友网为你提供典型的两级离线PFC资料下载的电子资料下载,更有其他相关的电路图、源代码、课件教程、中文资料、英文资料、参考设计、用户指南、解决方案等资料,希望可以帮助到广大的电子工程师们。
2021-04-11 08:52:36
6 主要介绍L298N中文资料汇总_L298N引脚图及功能_工作原理_特性参数及典型驱动电路。L298N是专用驱动集成电路,属于H桥集成电路。
2017-12-11 16:48:47
557115 
LTC6561骰子规格说明
2021-05-10 19:43:28
0 PFC电路
2023-10-16 17:16:00
82 
L6562是一种电流模式pfc控制器,用于过渡模式。 (TM)。 与L 6561相比,它提供了更好的性能高度线性乘法器包括一个特殊的电路,能够降低交流输入电流的失真,允许宽范围的电源操作,极低
2019-03-15 08:00:00
70 PFC电源设计与电感设计计算(二) 常见PFC电路和特点(2)
2019-03-29 06:14:00
3989 
PFC电路与BOOST电路设计实例说明。
2021-04-16 15:02:11
100 PFC电源设计与电感设计计算(二) 常见PFC电路和特点(1)
2019-04-02 06:11:00
4530 
PFC不是一个新概念了,在UPS电源要运用地较多,而PC电源上很少见到PFC电路。PFC在PC电源上的兴起,主要是源于CCC认证,所有需要通过CCC认证的
2010-06-06 14:08:42
52164 
什么是PFC电路,为什么要引入PFC电路,大家有兴趣的可以下载看看
2016-01-06 10:02:14
85 计算机开关电源是一种电容输入型电路,其电流和电压之间的相位差会造成交换功率的损失,此时便需要PFC电路提高功率因数。目前的PFC有两种,一种为被动式PFC(也称无源PFC)和主动式PFC(也称有源式PFC)。
2018-02-02 10:16:39
9110 PFC电源设计与电感设计计算(二) 常见PFC电路和特点(4)
2019-03-29 06:13:00
3980 
PFC升压预变换电路
2010-04-12 08:29:20
1513 
本电路是交流30V的PFC电路
2022-08-02 09:11:37
1130 
评论