74HC573芯片概述
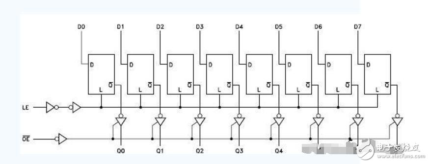
74HC573是拥有八路输出的透明锁存器,输出为三态门,是一种高性能硅栅CMOS器件。74HC573包含八路D 型透明锁存器,每个锁存器具有独立的D 型输入,以及适用于面向总线的应用的三态输出。所有锁存器共用一个锁存使能(LE)端和一个输出使能(OE)端。由此得出74hc573芯片属于8位数码管驱动芯片。
当LE为高时,数据从Dn输入到锁存器,在此条件下,锁存器进入透明模式,也就是说,锁存器的输出状态将会随着对应的D输入每次的变化而改变。当LE为低时,锁存器将存储D输入上的信息一段就绪时间,直到LE的下降沿来临。当OE为低时,8个锁存器的内容可被正常输出;当OE为高时,输出进入高阻态。OE端的操作不会影响锁存器的状态。
74HC573和74LS373原理一样,8数据锁存器。主要用于数码管、按键等等的控制
HC573原理说明
M54HC563/74HC563/M54HC573/74HC573的八个锁存器都是透明的D 型锁存器,当使能(G)为高时,Q 输出将随数据(D)输入而变。当使能为低时,输出将锁存在已建立的数据电平上。输出控制不影响锁存器的内部工作,即老数据可以保持,甚至当输出被关闭时,
新的数据也可以置入。这种电路可以驱动大电容或低阻抗负载,可以直接与系统总线接口并驱动总线,而不需要外接口。特别适用于缓冲寄存器,I/O 通道,双向总线驱动器和工作寄存器。

HC573引脚图

HC573引脚功能表

74hc573逻辑图

输入输出等效电路
1. 真值表
参见74LS373的PDF的第2页: Dn LE OE On H H L H L H L L X L L Qo X X H Z 这个就是真值表,表示这个芯片在输入和其它的情况下的输出情况。 每个芯片的数据手册(datasheet)中都有真值表。 布尔逻辑比较简单,在此不赘述;

2. 高阻态 就是输出既不是高电平,也不是低电平,而是高阻抗的状态;在这种状态下,可以多个芯片并联输出;但是,这些芯片中只能有一个处于非高阻态状态,否则会将芯片烧毁; 高阻态的概念在RS232和RS422通讯中还可以用到。
3. 数据锁存 当输入的数据消失时,在芯片的输出端,数据仍然保持; 这个概念在并行数据扩展中经常使用到。
4. 数据缓冲
加强驱动能力。74LS244/74LS245/74LS373/74LS573都具备数据缓冲的能力。
OE:output_enable,输出使能;
LE:latch_enable,数据锁存使能,latch是锁存的意思;
Dn:第n路输入数据;
On:第n路输出数据;
再看这个真值表,意思如下:
第四行:当OE=1是,无论Dn、LE为何,输出端为高阻态;
第三行:当OE=0、LE=0时,输出端保持不变;
第二行第一行:当OE=0、LE=1时,输出端数据等于输入端数据;
结合下面的波形图,在实际应用的时候是这样做的:
a. OE=0;
b. 先将数据从单片机的口线上输出到Dn;
c. 再将LE从0-》1-》0 d. 这时,你所需要输出的数据就锁存在On上了,输入的数据在变化也影响不到输出的数据了;实际上,单片机现在在忙着干别的事情,串行通信、扫描键盘……单片机的资源有限啊。
在单片机按照RAM方式进行并行数据的扩展时,使用movx @dptr, A这条指令时,这些时序是由单片机来实现的。 后面的表格中还有需要时间的参数,你不需要去管它,因为这些参数都是几十ns级别的,对于单片机在12M下的每个指令周期最小是1us的情况下,完全可以实现;如果是你自己来实现这个逻辑,类似的指令如下:
mov P0,A ;将数据输出到并行数据端口
clr LE
setb LE
clr LE ;上面三条指令完成LE的波形从0-》1-》0的变化
74ls573跟74LS373逻辑上完全一样,只不过是管脚定义不一样,数据输入和输出端
74HC573最大值范围

最大值范围是指超过这个值,将损害器件。 操作最好在下面的推荐操作条件下。
+额定功率的下降——PDIP:-10mW/℃ ,65℃~125℃
SOIC:-7 mW/℃ ,65℃~125℃
推荐操作条件

这个器件带有保护电路,以免被高的静态电压或电场损坏。然而,对于高阻抗电路,必须要采取预防以免工作在任何高于最大值范围的条件下工作。VIN和VOUT应该被约束在GND≤(VIN或VOUT)≤VCC。
不用的输入管腿必须连接总是连接到一个适合的逻辑电压电平(也就是GND或者VCC)。不用的输出管腿必须悬空。
74hc573锁存器作用
在LED和数码管显示方面,要维持一个数据的显示,往往要持续的快速的刷新。尤其是在四段八位数码管等这些要选通的显示设备上。在人类能够接受的刷新频率之内,大概每三十毫秒就要刷新一次。这就大大占用了处理器的处理时间,消耗了处理器的处理能力,还浪费了处理器的功耗。
锁存器的使用可以大大的缓解处理器在这方面的压力。当处理器把数据传输到锁存器并将其锁存后,锁存器的输出引脚便会一直保持数据状态直到下一次锁存新的数据为止。这样在数码管的显示内容不变之前,处理器的处理时间和IO引脚便可以释放。可以看出,处理器处理的时间仅限于显示内容发生变化的时候,这在整个显示时间上只是非常少的一个部分。而处理器在处理完后可以有更多的时间来执行其他的任务。这就是锁存器在LED和数码管显示方面的作用:节省了宝贵的MCU时间。
电子发烧友App















评论