四电压比较器LM339详解-lm393典型应用电路,很好的资料
2016-01-14 16:30:14
313 lm339电压比较器
LM339集成块内部装有四个独立的电压比较器,该电压比较器的特点是:1)失调电压小,典型值为2mV;2)电源电压
2009-04-27 21:40:32
4375 
,以供单片机计算它们之间的相位差,从而求出功率因数。其电路原理图如图4.5所示。图4.5相角测量电路原理图4.4.2 主要器件本电路主要应用器件为LM339。LM339集成块内部装有四个独立的电压比较器
2012-03-29 11:09:20
LM339(四路差动比较器)是在电压比较器芯片内部装有四个独立的电压比较器,是一种常见的集成电路,主要应用于高压数字逻辑门电路。利用lm339可以方便的组成各种电压比较器电路和振荡器电路。
2018-03-29 13:47:58
43425 
在电压比较器中LM339四电压比较器是业界使用最普遍的器件之一,本内容为大家整理了LM339四电压比较器的一些典型应用,并详细说明了内部电路结构及引脚功能,让大家全面了解LM339基
2012-11-23 15:54:44
22134 四电压比较器LM339的典型应
LM339集成块内部装有| 四个独立的电压比较器,该电压比较器的特点是:1)失调电压小,典型值为2mV;2)电源电压
2010-03-01 17:17:44
11320 四电压比较器LM339的典型应用实例: LM339集成块内部装有四个独立的电压比较器,该电压比较器的特点是:1)失调电压小,典型值为2mV;2)电源电压范围宽,单电源为2-36V,双电源电
2009-04-27 21:15:03
508 四电压比较器LM339应用资料
LM339集成块内部装有四个独立的电压比较器,该电压比较器的特点是:1)失调电压小,典型值为2mV;2)电源电压范围宽
2009-05-04 19:11:27
2974 
LM339 四比较器功能应用LM339集成块内部装有四个独立的电压比较器,该电压比较器的特点是:1)失调电压小,典型值为2mV;2)电源电压范围宽,单电源为2-36V,双电源电压
2009-09-10 08:18:53
326 供应电磁炉lm339,提供lm339电压比较器电路图-lm339运放参数,广泛应用于消费类和工业类电子产品中,进行电平检波和低电平探测,更多产品手册、应用料资请向深圳市骊微电子申请。>>
2023-06-07 15:51:15
0 LM339(四路差动比较器)是在电压比较器芯片内部装有四个独立的电压比较器,是一种常见的集成电路,主要应用于高压数字逻辑门电路。
2017-11-10 14:24:19
7412 
LM339N是四运放IC,可作信号电压放大,比较,逻辑运放,还用于保护,LM339是四电压比较器 主要用在检测电路和基准电压做比较多用在电磁炉的检测电路等,改变其外围电路的结构与元件参数可作多种用途
2021-02-17 16:45:00
16168 
LM393是低功耗低失调电压两比较器,LM339是低功耗低失调电压四比较器。两种比较器,原理图一样,功能参数一样,不同就是一个是两,一个是四。1、lm339共模范围非常大,为0v到电源电压减1.5v
2017-11-03 16:29:29
31494 LM339(四路差动比较器)是在电压比较器芯片内部装有四个独立的电压比较器,是一种常见的集成电路,主要应用于高压数字逻辑门电路。利用lm339可以方便的组成各种电压比较器电路和振荡器电路。
2017-11-10 11:37:21
11019 
电子发烧友网为你提供()LM339相关产品参数、数据手册,更有LM339的引脚图、接线图、封装手册、中文资料、英文资料,LM339真值表,LM339管脚等资料,希望可以帮助到广大的电子工程师们。
2019-04-18 20:24:09
lm339中文资料
LM339集成块内部装有四个独立的电压比较器,
2008-01-18 10:44:44
1819 为大家分享lm339中文参考手册与lm339实际应用电路图,LM339(四路差动比较器)是在电压比较器芯片内部装有四个独立的电压比较器,是一种常见的集成电路,主要应用于高压数字逻辑门电路。利用lm339可以方便的组成各种电压比较器电路和振荡器电路。
2017-12-04 18:40:20
52712 
lm339应用电路图:LM339集成块内部装有四个独立的电压比较器,该
2006-04-16 22:42:45
23893 
IC339,通常也称为LM339,是一种四通道比较器IC。这意味着,它包括 4 个独立的电压比较器,其输入和输出通过 IC封装的相应外部引脚适当端接,如下所示。
2023-06-27 17:34:22
710 
LM339集成块内部装有四个独立的电压比较器,该电压比较器的特点是:1)失调电压小,典型值为2mV;2)电源电压范围宽,单电源为2-36V,双电源电压为±1V-±18V;3)对比较信号源的内
2009-12-01 16:00:59
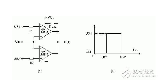
434 LM339设计的迟滞比较器电路
迟滞比较器又可理解为加正反馈的单限比较器。前面介绍的单限比较器,如果输入信号
2009-12-08 17:00:45
20190 电子发烧友网为你提供TI(ti)LM339相关产品参数、数据手册,更有LM339的引脚图、接线图、封装手册、中文资料、英文资料,LM339真值表,LM339管脚等资料,希望可以帮助到广大的电子工程师们。
2018-11-02 18:11:06

供应LM339电压比较器采用SOP-14封装,提供lm339引脚图及功能关键参数 ,主要应用于消费类和工业类电子产品中,进行电平检波和低电平探测。更多产品手册、应用料资请向深圳骊微电子申请。>>
2023-06-07 15:49:31
lm339应用电路图:LM339集成块内部装有四个独立的电压比较器,该电压比较器的特点是: 失调电压小,典型值为2mV;电源电压范围宽,单电源为2
2010-09-24 16:31:46
795 LM339电压比较器芯片内部装有四个独立的电压比较器,是很常见LM339引脚图的集成电路。利用lm339可以方便的组成各种电压比较器电路和振荡器电路。M339类似于增益不可调的运算放大器。每个比较器
2017-11-10 14:43:08
10671 
本文主要介绍了LM339工作原理_引脚图及功能_内部结构_特性参数及应用电路,LM339(四路差动比较器)是在电压比较器芯片内部装有四个独立的电压比较器。LM339电路应用于:单限比较器电路;过热检测保护电路;迟滞比较器;电磁炉电路中电网过电压检测;双限比较器;用LM339组成振荡器等多种电路。
2017-12-11 09:32:29
235173 
LM339(四路差动比较器)是在电压比较器芯片内部装有四个独立的电压比较器,是一种常见的集成电路,主要应用于高压数字逻辑门电路。利用lm339可以方便的组成各种电压比较器电路和振荡器电路。
2017-09-06 15:18:33
43 下图是由电压比较器LM339构成的多功能光控开关电路,适用于工厂、学校、家庭等场所用来控制路灯等。
2020-09-17 10:46:52
5713 
四电压比较器LM339的8个典型应用例子,8 typical applications of Voltage Comparator LM339
关键字:LM339
2018-09-20 18:18:51
848 基于ST188光耦隔离+LM339四路比较器电路设计资料
2021-10-26 14:41:14
11 LM339(四路差动比较器)是在电压比较器芯片内部装有四个独立的电压比较器,是一种常见的集成电路,主要应用于高压数字逻辑门电路。利用lm339可以方便的组成各种电压比较器电路和振荡器电路。
2017-11-10 10:47:11
43690 
LM339、LM239、LM139、LM2901四路差分比较器中文手册。
2021-05-06 10:05:12
15 lm339应用电路图:LM339集成块内部装有四个独立的电压比较器,该电压比较器的特点是: 失调电压小,典型值为2mV;电源电压范围宽,单电源为2-36V,双电源电压为±1V-±18V;对比较信号源
2018-11-22 08:00:00
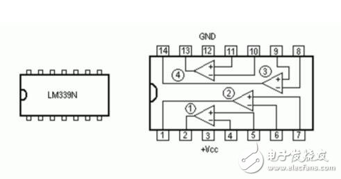
72 lm339各引脚功能图
lm339各引脚电压
第1脚5.14V第2。0.26V第3。18.45V第4。5
2008-01-18 10:37:55
126285 
LM339集成块内部装有四个独立的电压比较器,该电压比较器的特点是:1)失调电压小,典型值为2mV;2)电源电压范围宽,单电源为2-36V,双电源电压为±1V-±18V;3)对比较信号源的内阻限制
2019-11-09 14:17:31
13536 
LM339集成块内部装有四个独立的电压比较器,该电压比较器的特点是:1)失调电压小,典型值为2mV;2)电源电压范围宽,单电源为2-36V,双电源电
2008-06-13 09:16:10
146 LM339(四路差动比较器)是在电压比较器芯片内部装有四个独立的电压比较器,是一种常见的集成电路,主要应用于高压数字逻辑门电路。利用lm339可以方便的组成各种电压比较器电路和振荡器电路
2021-07-06 14:13:26
32664 
LM339的基本应用就是在电子电路中作为电压比较器用于比较电路中两点间电压的高低。
2019-10-30 16:12:58
12665 
lm339应用电路图:LM339集成块内部装有四个独立的电压比较器,该电压比较器的特点是: 失调电压小,典型值为2mV;电源电压范围宽,单电源为2-36V,双电源电压为±1V-±18V;对比较信号源
2021-01-18 08:00:00
8 lm339内部电路结构
2008-01-18 10:39:39
3147 
利用+ 5 V 及PF ( POWER FAIL) 信号进行比较, 在+ 5 V 掉电时, PF 信号至少需维持10 ms 时间,以便存储相关信息。欠压保护电路如图5 所示。LM339电压比较器构成的 欠压保护 电路:
2011-09-20 10:57:08
10172 
骊微电子供应电磁炉lm339-双门限电压比较器LM339,更多产品手册、应 用料资请向骊微电子申请。>>■ 失调电压小,典型值为2mV;■ 电源电压范围宽,单电源为2-36V
2022-02-23 10:40:33
LM339是一块四比较器集成电路,主要应用于消费类和工业类电子产品中,进行电平检波和低电平探测。采用DIP14封装形式。
2023-06-14 16:43:30
1 利用LM339电压比较器制作蓄水池水位计。该设计根据水位高低,进行信号处理,控制多个电压比较器输入端的电位,使其输出端有相应的变化,从而驱动不同的LED发光管,达到显示水位高低的效果。
2017-12-19 10:50:09
6103 
用LM339组成的振荡器电路图1为有1/4 LM339组成的音频方波振荡器的电路。改变C1可改变输出方波的频率。本电路
2009-04-27 21:26:17
6120 
本文介绍一种磁场检测电路,见上图所示。图中的L1是一种110V(也可用220V)交流继电线圈,该线圈L1充当磁场传感器。集成块IC1是比较器LM339,LED1是检测指示。
2019-01-01 10:39:00
5031 
LM339资料-LM339/LM393应用电路 lm339中文资料 什么是lm339?LM339/LM393是四电压比较器集成电路。 该电路的特点如
2017-11-06 17:11:43
27849 
LM339组成的振荡电路图
2010-03-30 16:04:48
6429 
lm339.pdf
2008-01-18 10:40:36
77 由于交流电路过零检测电路存在结构复杂、过零点检测不准确、编程繁琐等问题,本文介绍了一种基于LM339的硬件结构简单的过零检测电路。
2021-02-16 17:24:00
13160 
图2-19所示是由LM339构成的过热检测保护电路。采用单电源供电,适用于仪器仪表等需要进行过热保护的场合。
2020-03-15 16:31:00
4938 
本文档的主要内容详细介绍的是9种常见的7500和LM339的ATX电源电路图纸合集免费下载。
2020-04-23 08:00:00
208 概述LM339由四个独立的电压比较器组成,专门设计为在一个宽电压范围内的单一电源上工作。功能*信号或双电源操作。*广泛的操作供应范围(Vcc=2V~32V)。*输入共模电压,包括接地电压。*低供电
2022-06-15 16:13:54
评论