UC3854的电路框图

uc3854内部电路图

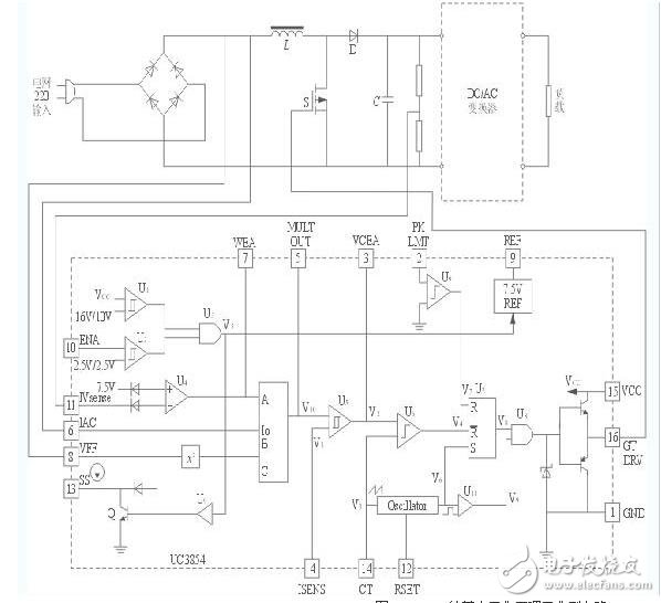
从图中所示的UC3854工作框图中可以看到,它有一个乘法器和除法器,它的输出为,而C为前馈电压VS的平方,之所以要除C是为了保证在高功率因数的条件下,使APFC的输入功率Pi不随输入电压Vin的变化而变化。
uc3854典型设计电路图


UC3854 的基本工作原理及典型电路
由图1可知,UC3854有一个乘法器和一个除法器,其输出为A伊B/C,C 为前馈电压VFF的平方。除C是为保证高功率因数的条件下,使输入功率Pi不随输入电压Vi的变化而有变化。乘法器的输入信号是电压误差放大器输出VAOUTT 和输入整流器的波形控制信号IAC,其保持6V 的电位和一个电流的输入。VFF是前馈输入电压,它在进入乘法器的输入端前被进行平方运算,接着进入乘法器的除法输入端。乘法器的最大输出电流称为Im。
图1中U1、U2 是低压锁定比较器和ENA 比较器,输出同为1 时保证IC正常工作。电压误差放大器U4周围的二极管表示内部线路的功能,无实际意义,U4 同相端二极管表示正常条件下同相输入接7.5V 参考电压,这用来做软激活功能使用,以消除使电源受到损坏的尖峰冲击,避免激活突波。U4反相输入端的理想二极管用于消除可能在反向输入端与参考电压降间的压降,实际电路中利用差动放大器来实现。
电流误差放大器U6的输出端连接到PWM 发生器,与振荡斜波进行比较。PWM 发生器输出和振荡器连接到R-S 触发器,驱动GT-DRIVER 大电流输出。UC3854内部将输出电压箝位在15V,这样功率MOSFETS 不会有门极过压驱动风险。PKLMT提供紧急峰值电流极限的过流保护,一旦该引脚的电位被拉到负压时,立即关闭输出脉冲。
                        电子发烧友App
                    
                
                
                    
                
                




















































           
            
            
                
            
评论