74LS139为两个2线-4 线译码器,共有 54/74S139和 54/74LS139 两种线路结构型式。可对2位高位地址进行译码,产生4个片选信号,最多可外接4个芯片。
74LS139功能:
54/74LS139为2 线-4 线译码器,也可作数据分配器。
其主要电特性的典型值如下:
型号 54LS139/74LS139
传递延迟时间22ns 功耗34mW
当选通端(G1)为高电平,可将地址端(A、B)的二进制编码在一个对应的输出端以低电平译出。
若将选通端(G1)作为数据输入端时,139 还可作数据分配器。
74LS139工作条件:
电源电压:±7V
输入电压:±7V
发射极间电压:±5.5V
工作环境温度 :0~70℃
贮存温度:-65~150℃
74LS139引脚图

引出端符号:
A、B:译码地址输入端
G1、G2 :选通端(低电平有效)
Y0~Y3:译码输出端(低电平有效)
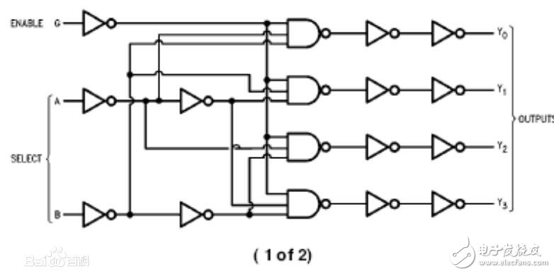
74LS139逻辑图

74LS139电气参数
建议操作条件:

电气参数:

动态特性:

74LS139真值表:

电子发烧友App











































评论