一、什么是输入阻抗?
输入阻抗(input impedance)是指一个电路输入端的等效阻抗。在输入端上加上一个电压源U,测量输入端的电流I,则输入阻抗Rin就是U/I。你可以把输入端想象成一个电阻的两端,这个电阻的阻值,就是输入阻抗。
输入阻抗是天线的一个重要参数, 在天线的研究、设计以及天线的使用中常常用到,是指天线输入端上的总电压与总电流之比。在输入端加入一交流信号ui ,用示波器监视输出信号,在输出波形不失真的情况下用交流毫伏表测量电阻R 两端的对地电压Ui和U ,通过计算得到输入阻抗值Ri 。

二、输入阻抗应用分析
输入阻抗跟一个普通的电抗元件没什么两样,它反映了对电流阻碍作用的大小。对于电压驱动的电路,输入阻抗越大,则对电压源的负载就越轻,因而就越容易驱动,也不会对信号源有影响;而对于电流驱动型的电路,输入阻抗越小,则对电流源的负载就越轻。因此,我们可以这样认为:如果是用电压源来驱动的,则输入阻抗越大越好;如果是用电流源来驱动的,则阻抗越小越好(注:只适合于低频电路,在高频电路中,还要考虑阻抗匹配问题。另外如果要获取最大输出功率时,也要考虑阻抗匹配问题。
四端网络、传输线、电子电路等的输入端口所呈现的阻抗。实质上是个等效阻抗。只有确定了输入阻抗,才能进行阻抗匹配,从信号源、传感器等获取输入信号。阻抗是电路或设备对交流电流的阻力,输入阻抗是在入口处测得的阻抗。高输入阻抗能够减小电路连接时信号的变化,因而也是最理想的。在给定电压下最小的阻抗就是最小输入阻抗。作为输入电流的替代或补充,它确定输入功率要求。
天线的输入阻抗定义为输入端电压和电流之比,随着天线长度及工作频率不同而发生变化。其值表征了天线与发射机或接收机的匹配状况,体现了辐射波与导行波之间能量转换的好坏。
三、输入阻抗高有什么用?
输入阻抗高,表示该电路吸收的电源(或前一级电路的输出)功率小,电源或前级就能带动更多的负荷。对于测量电路,如电子电压表、示波器等,就要求很高的输入阻抗,以便接入仪表后,对被测电路的影响尽可能地小。
提高方法:(1)场效应管,输入阻抗自然高了。(2)用自举接法提高输入阻抗。(3)采用共集放大电路,三极管放大电路输入级一般接成共集方式。
理想状态下,电压驱动的后级电路从前级只吸取电压,没有电流,也就不吸取功率,对前级来说,几乎是空载,所以阻抗越大,越容易驱动。实际上后级输入阻抗只能接近无穷大,像真空管或者CMOS器件输入可以做到GΩ级别,从前级吸取电流及其微小。
如场效应管,属于电压驱动型,由其构成的电路,就是电压驱动型的电路,因为其输入阻抗很大,以至于其输入电流可以忽略,那么功耗也就忽略了;
而三极管则属于电流驱动型,由其构成的电路,就是电流驱动型的电路,因为其需要注入电流才能工作,尽管其输入阻抗比较小,仍然产生一定的功耗。
四、运放输入阻抗


1 Vin2同相输入阻抗可以这样理解: 不管Vin2如何变,可以看到,R3, R4 两个电阻上的压降按照电阻阻值比例降低,而且电压降方向从Vin2 到地是相同方向(经过R3,R4一路降低到0),所以对于独立电压源Vin2来说,相当于存在一个从R3, R4串联到地的回路,所以,Vin2 端看到的阻抗相当于R3, R4的串联阻抗,即R3+R4=200kohm
2 对于Vin1端看到的阻抗,利用线性网络理论,考察一个电压源时可以将其他独立电压源对地短路,因此将Vin2对地短路,利用理想运放的“虚短”概念,运放的+-输入端电压总是0,对于Vin1电压源来说,相当于它通过R1接到“地”,当然从Vin1端看到的阻抗就是R1了,100kohm。
五、什么时候阻抗高好?
输入阻抗与实际应用有关,也并不是越高越好。高阻电路容易造成干扰。比如在电磁场杂乱的场所高阻电路就容易产生干扰信号,但低阻消耗了信号,容易使信号幅度小,高阻对第一级信号尤其重要,他引入的噪声是电路中最大的,但也是有用信号受阻抗影响最大的一级。因此应该综合考虑,线路阻抗相等才能最大传输信号(线路有内外阻抗相等传输功率最大的定理)。
输入阻抗大可以得到最大的信号电压,对于电压驱动的电路,输入阻抗越大,则对电压源的负载就越轻,因而就越容易驱动,也不会对信号源有影响;而对于电流驱动型的电路,输入阻抗越小,则对电流源的负载就越轻。
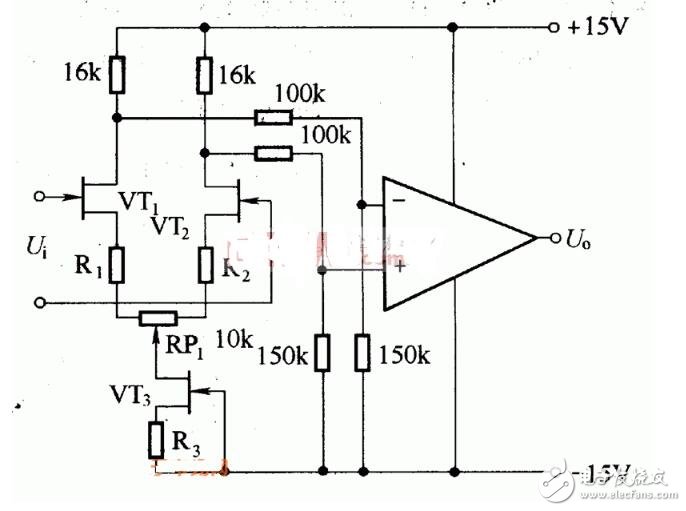
六、提高输入阻抗电路
下面是提高输入阻抗电路的电路图
提高输入阻抗电路用在微电流放大或信号内阻较大情况下的放大电路,都需要具有很高的输入阻抗,有时甚至达到1X1012Ω以上。要想提高输入阻抗,最百接的办法就是采用场效应管组成输入级并加在放大器之前,如图所示。

图中取用来稳定VT2静态工作点,R1、R2和RP1用来取得前置放大级输出电压的平衡。
电子发烧友App

















































评论