目前,对于图片解码器的研究主要是针对PC环境,设计工作只是在原有基础上的升级,对系统和硬件的考虑较少,不能在嵌入式系统中直接实现。本文设计了一种嵌入式图片解码器。通过FatFs文件系统识别图片文件的格式,调用相应的格式解码单元实现图像重构,并在TFT液晶显示器上进行显示。
1 系统硬件设计
系统的核心CPU采用LM3S8962,具有丰富的外围接口以及多种片内的硬件接口功能(如UART、SPI、I2C、PWM等)。整个系统的硬件电路包括SD卡电路、TFT液晶显示电路、独立按键电路。
1.1 SD卡电路
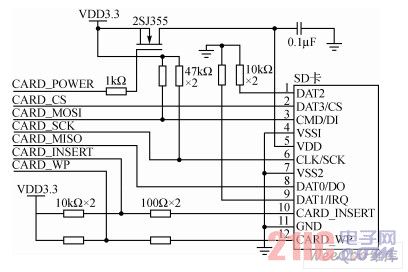
SD卡有两种工作模式,即SD和SPI模式。由于LM3S8962具有SPI接口,为此该嵌入式系统采用SPI模式。SD卡电路如图1所示。 SD卡的信号检测线CARD_INSERT接CPU的PG0端口,CARD_WP检测卡写保护接CPU的PE2。SD卡的供电电路采用P型MOS管2SJ355的可控电路,由CARD_POWER跳接CPU的PG1脚进行控制。片选线CARD_CS接CPU的PA3。时钟信号CARD_SCK接CPU的PA2。SPI主机输出从机输入CARD_MOSI、主机输入从机输出CARD_MISO分别接CPU的PA5、PA4。
SD卡电路

图1 SD卡电路
1.2 TFT液晶显示电路及独立按键电路
TFT液晶显示电路中,显示器的数据线D0~D7接CPU的PB0~PB7,地址线A0~A7接CPU的PC0~PC7。TFT背面板LED+、TFT驱动电源都采用3.3 V供电。独立按键为CPU的PD0~PD3口,当按键被按下时,CPU检测到的引脚为低电平。
2 软件设计
为使整个系统正常读取SD卡的数据文件和目录,需再创建一个可被Windows操作系统认知的文件系统。考虑到兼容性和方便性,本设计在 μC/OSII操作系统的基础上移植了一种小型嵌入式文件系统FatFs。该文件系统具有支持多种操作系统、易于移植和存储速度快的特点。
2.1 SD卡驱动设计
SD卡驱动不但需要完成SD卡控制器中相应寄存器的设置和向SD卡发送命令,还要实现SD卡的初始化、读写等操作。目的是为其上层提供相应的功能函数,屏蔽直接对硬件的具体操作。SD卡的驱动使用了ZLG/SD的MMC/SD的软件包。软件包中提供一些常用的API函数,只需调用相关的API 函数就可以实现对SD卡的访问,其中包括SD_Initialize(初始化SD卡)、SD_ReadBlock(读SD卡的一个块)、 SD_WriteBlock(写SD卡的一个块)、SD_EraseBlock(擦除SD卡的多个块)等。
2.2 FatFs文件系统设计
FatFs是一个开源的文件管理系统,常用于小型嵌入式系统中实现文件系统,支持FAT12、FAT16、FAT32,遵循ANSI C标准,不依赖于硬件平台。对FatFs的移植,首先需要定义数据类型并与CPU.H的数据类型匹配;其次,使FatFs中的底层函数直接调用 ZLG/SD软件包的函数。例如:
DRESULT disk_read (BYTE drv, BYTE *buff, DWORD sector, BYTE count){
if(count==1){
SD_ReadBlock (sector, buff);//读取SD卡的一个块,调用SD_ReadBlock
}
else{
SD_ReadMultiBlock (sector, count, buff);//读取SD卡的多个块,调用SD_ReadMultiBlock
}
return FALSE;
}
由于篇幅有限,底层函数调用SD软件包的函数不一一列出。通过这些操作就可以调用f_open、f_read、f_write等函数来进行文件的创建、读写等操作。
3 图片解码分析
3.1 JPG格式的分析
JPEG专家组开发了2种基本的压缩算法、2种数据编码方法和4种编码模式。在实际应用中,绝大多数JPG图像使用的是DCT(离散余弦变换)、Huffman(哈夫曼)编码、顺序模式。JPG编码过程主要包括颜色转换、DCT变换、量化、熵编码及Huffman编码等部分。
软件实现图像解码的过程就是图像编码的逆过程,程序编程步骤如下:
① 初始化FatFs文件系统,并利用f_open函数打开jpg格式的文件,用f_read从JPG格式文件中读取图片编码的相关信息,如图像大小、量化表、Huffman表等。
② 读取最小编码单元数据,对其进行熵解码、反量化、反离散余弦变换、YCrCb模式向RGB模式转换等,并将最后的解码数据保存至Buffer或直接输出至显示。
③ 不断重复第②步过程,直至整张图片解码完毕。
3.2 BMP格式的分析
BMP(Bitmap,位图)是Windows采用的图像文件格式。位图文件由4个部分组成:位图文件头(bitmapfile header)、位图信息头(bitmapinformation header)、彩色表(color table)和定义位图的字节阵列。BMP图像的色深,常见有1、4、8、16、24和32位,分别对应单色、16色、256色、16位高彩色、24位真彩色和32位增强型真彩色。这就需要建立相应的彩色表实现位图的显示。编程实现位图显示的步骤如下:
① 初始化FatFs文件系统,并BMP格式文件中读取图片编码的相关信息,如图像像素数据、图像位数、RGB值等。
② 根据像素索引定位相应颜色在彩色表中的位置。文件定位到相应彩色项,取出索引对应的颜色。
③ 从文件读取的RGB数据,转换为TFT支持的格式(本系统选用的TFT支持RGB565格式)。在液晶上画出该像素,直到画完整个图像为止。
3.3 GIF格式的分析
一个GIF文件的结构可分为文件头(file header)、GIF数据流(GIF data stream)和文件终结器(trailer)3个部分。GIF文件格式采用了可变长度的LZW压缩编码。LZW压缩有3个重要的对象:数据流 (CharStream)、编码流(CodeStream)和编译表(String Table)。在编码时,数据流是输入对象(图像的光栅数据序列),编码流就是输出对象(存储在GIF文件的图像数据)。在解码软件实现上流程与JPG、BMP相类似,都是先调用GIF格式文件再创建进行 GIF_LZW解码,最后在TFT上显示出来。需要注意的是,在解码过程中,编码流则是输入对象,数据流是输出对象。编译表是在编码和解码时都须要借助的对象。
4 模块化测试
整个系统采用模块化的设计,利用μC/OSII操作系统进行任务管理。以任务Task_BMP为例,对24位真彩色BMP位图的显示进行测试,程序如下:
Task_BMP{
f_mount(0, &fs);
res = f_open(&fsrc, "ab.BMP", FA_OPEN_EXISTING | FA_READ);
res = f_read(&fsrc, &bmp, sizeof(bmp), &br);
if((bmp.pic_head[0]=='B')&&(bmp.pic_head[1]=='M')){//用文件头判断是否为BMP文件
res= f_lseek(&fsrc,((bmp.pic_data_address_h<<16)|bmp.pic_data_address_l));//采用了Windows的BMP格式,BMP原点在左下角
for(tx= bmp.pic_h_l;tx>0;tx--){
f_read(&fsrc, buffer, (bmp.pic_w_l)*3, &br);
for(ty=0;ty< P>
r_data = *(ty*3 +2+buffer);
g_data = *(ty*3 +1+buffer);
b_data = *(ty*3 +0+buffer);
if(tx< P>
point.x = tx;
point.y = ty;
point.r = r_data;
point.g = g_data;
point.b = b_data;
pixelDraw(point.y ,point.x,RGB888ToRGB565(point.r,point.g,point.b));//24位转换成TFT支持的16位并显示
}
}
}
}
f_close(&fsrc);
}
结语
本文提出了一种嵌入式图片浏览器的设计思路,以模块化的方法完成了设计过程,可方便地根据应用需求完善解码库的设计,使其能够在实际平台上良好地运行。本设计基本达到了预期效果,虽然不能作为一种通用图片浏览器的方案,但在需要用到图片解码器的GPS、手持PDA、远程监控系统设计上仍然具有一定的参考价值。
电子发烧友App








评论